Fórum témák
» Több friss téma |
Fórum » Csöves erősítő készítése
Ne feledd betartani a fórum viselkedési szabályait, és a topik megmaradásának feltételeit. [link]
A téma átmenetileg fagyasztva lett, hozzászólni nem tudsz!
A 6-os tárban 3 golyó van. Minden másodikban.
Hogy fogalmazzak finoman, vannak szabványok, ahol nem lehet csak egyféle képpen a falimalachoz csatlakozni, Magyarországon nem ez van… Ha a konnektor van valami miatt fordítva bekötve, vagy hosszabbítót használsz, vagy akármi, már borul a "rend", így lehet, hogy Te szívnád meg először, és nagyon durván… Ha valaminek 10% esélye lenne, még lehetne vele foglalkozni, de így egyszerűen nincs miről beszélni ember!
Magyarán, 50-50% az esélyed, hogy megurdelsz, elpatkolsz, kinyiffansz, alulról szagolod az ibolyát, jobblétre szenderülsz, örök vadászmezőkre térsz, kipurcansz, elpatkolsz, fűbe harapsz, feldobod a talpad, beadod a kulcsot, kimúlsz, elenyészel...
Az "elpatkolsz" kétszer van egymás alatt
Mostanában egy kicsit széjjel vagy szórva, azt vettem észre Idézet: „Ha valaminek 10% esélye lenne” Ez a 10% a hálózati transzformátor. Én erősáramú berendezésszerelőként sem hagynám ki, pedig tudom, hogy hogyan kellene megcsinálni. El pedig nem árulom, mert ha valamit mégsem jól csinál, az ne az én lelkemen száradjon.
Persze, hogy kétszer van, hisz mindkét lábán lesz patkó.
Én meg is csináltam, jó is, de én sem árulom el...
Valaha a híradástechnikai berendezések úgy készültek, hogy a hálózat egyik pontja praktikusan a készülék testpontjára volt kötve. Ennek több oka is volt.
Régen még kis hazánkban is folyt az a "csata" mely Amerikában keletkezett anno. Nevezetesen arról van szó, hogy két igen nagy koponya annak idején erőteljesen küzdött, hogy az Ő ötlete terjedjen el. Nem kell csodákra gondolni, egyszerűen arról van szó, hogy egyikük az egyenáramú elosztást, míg a másik a váltakozóáramú elosztást preferálta. Ma már tudjuk, melyik nyert, de akkor ez nem volt annyira egyértelmű. Mindkettőnek számos előnye, és hátránya volt. A váltóáramú rendszer egyik fő előnye a transzformátor feltalálása óta az, hogy nagyobb feszültségen kis veszteséggel szállítható, és a felhasználás helyén tetszőleges feszültségűvé alakítható. Így nagy egységteljesítményű gépek üzemeltethetők, jó hatásfokkal, centralizáltan, melyek kiszolgálása így sokkal egyszerűbb. Hátránya viszont az, hogy a fejlesztőgépeket a legnagyobb terheléshez kellett méretezni, és mindig a felhasznált mennyiséghez kellett igazítani a termelést (ez a mai napig így van). Az egyenáramú rendszer előnye volt, hogy tárolható (akkumulátorokban), és a csúcsterhelést nem kellett "tudnia" a termelőüzemeknek, mert csúcsidőben az akkumulátortelepek segítettek, míg völgyidőszakban a maradék energiával a tárolókat visszatöltötték. Mivel a feszültség emelésének nem volt eszköze, ezért a gépeket dekoncentráltan kellett elhelyezni (pár háztömbönként egyet-egyet), az akku telepeket meg a pincékbe helyezték el. Az akkumulátor technológia akkoriban olyan rohamosan fejlődött, hogy a tervezők okkal bízhattak a következő generációs akkuk élettartamának, és egységkapacitásának nagymértékű növekedésében. Azonban ez a folyamat hirtelen megtorpant, és nem is nagyon változott utána évtizedekig. A telepek hamarosan cserére szorultak, melynek költségeit a hálózatot üzemeltetők nehezen, vagy nem is tudták kigazdálkodni. Kénytelenek voltak más megoldások után nézni, de az eladott villamos készülékek nem tették még lehetővé az azonnali váltást. Ezért az egyenáramú fejlesztőgépeket a továbbiakban nagy teljesítményű elektromotorokkal hajtották (volt szerencsém ilyen egységet élőben látni, sajnos már nem üzemben). Az egyenáramú hálózat ezek segítségével még jó darabig szolgáltatta az energiát. Az ős csöves rádiók ezért nem tartalmaztak (tartalmazhattak) hálózati trafót, a csövek fűtőárama is úgy volt meghatározva, hogy a szükséges fűtőteljesítményt közel a hálózati feszültségen adja (soros fűtőszálak esetén). Az egyenáramú hálózatnál természetesen nem volt mindegy, milyen polaritással kapcsolódik a hálózatra, ill. a váltóáramról történő működőképesség biztosítása érdekében egy egyutas egyenirányító csövet, és szűrést is találhatunk a készülékben. A TV-k technológiája teljesen más okból nem alkalmazott hálózati trafót. Az akkori - minden fokozatot elektroncsővel megvalósító - kapcsolások teljesítményigénye megközelítette a 250W-ot. Ehhez - tartós üzemet feltételezve - nem ártott volna egy méretes, és súlyos, legalább 350VA-es trafó (a Szovjet tervezők ezen az úton haladtak, a Color Star TV nem véletlenül nyomott 60kg-nál is többet, pedig már nem volt benne elektroncsöves egyenirányítás, és a fokozatok jelentős része tranzisztoros volt. Ha ezeket is csövekkel építették volna meg, legalább 15-20kg-mal még ettől is nehezebb lett volna). A csőgyártóknak úgyis ott volt a feladat: A TV sajátos áramköreihez fejlesszenek új csöveket, mivel az eddigi "repertoárban" nemigen voltak olyan csövek, amik maradéktalanul eleget tudtak volna tenni a kívánalmaknak. Így kialakult az általunk sokat emlegetett P-s csövek nagy családja, melynek fűtőfeszültség összege közelített a 220V-hoz (később aztán lett is probléma belőle, mikor a csövek száma fogyatkozni kezdett). A hálózatot először párhuzamos elektroncsövekkel (PY82), aztán szelénoszloppal, majd a hazai ipar által is gyártott BY238-as szilícium diódával oldották meg, egyutasan mindvégig. Tehát, az utolsó hibrid TV-n is a sasszéra kerülhetett a fázis, mégpedig 50-50% eséllyel. Ezért a javításhoz rendszeresített szervízasztalokban mindig ott volt a leválasztótrafó, amit a szerelő a saját jól felfogott érdekében sosem került meg. Áttörést csakis a 2. generációs kapcsolóüzemű táppal ellátott TV-k (és egyéb készülékek) hoztak (gyakorlatilag ma már csak ezek vannak üzemben, a régebbiek erkölcsileg, és műszakilag is elavultak (ki néz már fekete-fehér TV-t?), míg a rádiókészülékekben a hálózati trafó egyeduralkodóak lettek a '60-as évekre, természetesen ez a gyártott készülékekre vonatkozik. Az olyan készülékeknél, ahol a fázis rákerülhet a testpontra, a tervezőknek komoly lépéseket kell tenni, hogy ez ne kerülhessen ki. Beszéltünk már arról, hogy a TV hangkimenőn volt egy gondosan elszigetelt tekercs, ami a külső csatlakozást tette lehetővé, természetesen ez leválasztotta a kimenőpontról a hálózatot. Más jelcsatlakozó nem is volt a TV-n, kivéve az antennahüvelyt. Itt az volt a "szerencséjük" a fejlesztőknek, hogy az antennára érkező jel, és a hálózati frekvencia között sok nagyságrendbeli különbség van. Ezért kis értékű (pF nagyságrendű) , nagyfeszültségű (több kV-os) kondenzátorokkal ez biztonságosan megtehető (a kondenzátor impedanciája 50Hz-en olyan nagy, hogy nem képes érzékelhető áram átfolyni rajta a 230V-os feszültség hatására). A többit már leírták az előttem szólók.
Sziasztok! Nemrégiben vettem olcsón egy házi készítésű csöves erősítőt. (Ez az első csövesem, ezért így kezdtem.) A kimenőtrafóval bajban vagyok. A szekunder oldalon 4+4 kimenő kábel van (valami bontott gyári darab). Ki lehet valahogy mérni, hogy ezek a kivezetések mire valók? Jelenleg össze vannak forrasztva oldalanként és úgy mennek a hanfal felé. Illetve azt valahogy meg lehet állapítani, hogy mekkora impedancia illesztésre van készítve? (Pl. hogy egyáltalán jó-e az adott kapcsolásban.)
Szia!
Azért ebben elég sok az ismeretlen adat. Milyen cső(vek), milyen tápfeszültséggel, milyen kapcsolástechnikával, hány Ohm -os hangsugárzók, mekkora áttételű trafó. Ha ezeket mondod, akkor lehet a kérdésedre válaszolni egyértelműen. A kimenőt valóban több (szekunder) tekerccsel szokták tekerni, ezeket pedig megint csak valahogy össze szokták kötni, de a Te esetedben ezt nem lehet véleményezni a fent leírtak miatt.
A kimenő szekundere arra való, hogy arra akaszd a hangfalad
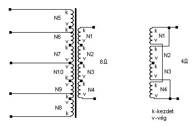
A 4-4 kivezetés pedig azért van, mert osztottan szokás tekerni a kimenőket, így a szekundered 4 tekercsből áll: ezek rend szerint így néznek ki, hogy 8Ω-hoz sorba kell kötni mindet, 4Ω-hoz a két szélsőt sorba, a két középsőt sorba, és ezt a kettőt párhuzamosan kötöd… Ehhez meg kellene keresni az elejüket és a végüket… Egy sima ellenállásmérővel meg tudod ezt állapítani, hogy melyik hány ohmos. (persze nem biztos, hogy az előbb leírtak alapján van tekerve, de ez az általános - ha így van, akkor 2Ω-osaknak kellene lenniük) Idézet: Ez így ebben a formában nem igaz. Ha a 4 szekundert sorba kötöd, akkor 16 Ohm (akkor, ha vegyesen kapcsolva 4 Ohm ), számolj utána, az összefüggés nem egyenesen arányos.„ezek rend szerint így néznek ki, hogy 8Ω-hoz sorba kell kötni mindet, 4Ω-hoz a két szélsőt sorba, a két középsőt sorba, és ezt a kettőt párhuzamosan kötöd…” Idézet: „Egy sima ellenállásmérővel meg tudod ezt állapítani, hogy melyik hány Ωos. (persze nem biztos, hogy az előbb leírtak alapján van tekerve, de ez az általános - ha így van, akkor 2Ω-osaknak kellene lenniük)” Na ez aztán tényleg butaság. Kit érdekel, hogy mennyi a tekercs egyenáramú ellenállása? Lehetőleg minél kevesebb, és - reméljük - jóval kisebb, mint amit a DVM-el korrektül mérhetne. Ne adj használhatatlan, vagy félrevezető tanácsokat.
Én egy átlagos kimenőről beszéltem, mint ez itt a képen. És nem DVM-mel mérve… (digitális műszerrel 1,6Ω körül van egy 40Wattos toroid kimenő 8Ω-os kivezetése)
Sziasztok!
Van nekem egy pcl86 tipusú csövem azt szeretném megkérdezni, hogy ennek melyek afűtés lábai? Mit hova kell kötni, hogy izzon? ![]() előre is köszi Idézet: „Egy sima ellenállásmérővel meg tudod ezt állapítani, hogy melyik hány Ωos” Ezt Te írtad, nem én találtam ki. Idézet: „persze nem biztos, hogy az előbb leírtak alapján van tekerve, de ez az általános - ha így van, akkor 2Ω-osaknak kellene lenniük” Ha mindegyik tekercs egyforma menetszámú, akkor biztosan nem 4/8 Ohm lesz az illesztőimpedancia.
Szerintem ezt már nemigen tudod "kidumálni".
De nem is ez a lényeg. A rajzom szerint alakul a dolog, nem pedig a Tiéd szerint. Erre mondják, hogy a "papír mindent elbír!" Ha a kimenődet vastagabb huzalból tekered, kisebb lesz az egyenáramú ellenállás. De az impedanciaillesztés ettől még nem változik, csak a veszteségek lesznek kisebbek.
Azért azt a 4 egyforma tekercset össze lehet kötni másképp is
EL84 csövekről van szó PP módban, 310V feszültséggel, 8 ohmos hangfalakkal szeretném használni.
A trafó áttételét sem tudom, mert a szekunder oldallal a 8 (4+4) kivezetéssel eleve bajban vagyok. Az áramkör egy az egyben ez alapján lett készítve: http://www.r-type.org/static/elektor.htm
Nem értem, mi a gondod, ha össze vannak kötve. Azt vizuálisan is meg lehet állapítani legtöbbször, hogy melyik kivezetés a tekercstestből hol van kihozva (a vastól milyen távol). A szekunderek különböző magasságokban vannak elhelyezve (a primerek közé), így - szerintem - az is látható, mely kivezetések tartoznak össze. Ez alapján már meg tudod állapítani, milyen kapcsolásban vannak (egymással). Ekkor a kikapcsolt, kihúzott, kisütött kondenzátoros erősítő kimenetére (hangsugárzó nélkül), ráteszel 6V körüli váltakozófeszültséget pl. trafóról, pontosan mérve, mennyi is az. A végcsövek anódjain (7) szintén megméred, mekkora feszültség keletkezik. Ebből számítható a transzformátor áttétele. A=Ua-a/Usz. Ez pontosan megmutatja a transzformátor impedanciatranszformációjának mértékét. Ra-a=8k Ohm , általában.
Pontosan, lehet ezt variálni. Klemo86 rajza viszont akkor sem jó.
Sziasztok!
Építettem egy csöves (PP) gitárerősítőt, ami működik is, de már kis hangerőnél is hallható torzítása van. 6P3SZ-E végcsövek, ECC 85 meghajtó. Az előfok az marshall 2204 kapcsolás 2 db 6N2P-EV csővel. 344V anódról megy, 2 db EZ 81 -es végzi az egyenirányítást, segédfesz -51V-ra van beállítva mindkét végcsövön. A kimenőtrafónak 8 és 16 Ohm-os szekundere van, a 16-oson van a hangszóró és a 8 Ohm-osról van visszacsatolva 33k Ohm-mal. Nem gerjed, a brummja is csekély, de hogy miért torzít arra eddig nem jöttem rá. Szerintetek hol keresendő a hiba?
A rajzot fel tudod tenni ide?
Ha van hanggenerátorod, meg szkópod, nézd végig a jelutat négyszögjellel. Lehet túlvezérlés is.Igy látatlanban nehéz korrekt véleményt mondani.
Persze, van rajza is, de öszvér megoldás... Az eleje marshall a vége pedig soldano, annyi módosítással, hogy két egyforma segédfesz tápja van, és egymástól függetlenül csatlakoznak a 220k-s ellenállásokra, mert így jobban be lehet állítani a szimmetriát.
Egyébként elképzelhető, hogy már az első fokozat betorzít, ennek hamarosan a végérejárok...
Így néz ki a kimenőtrafó:
http://el84valve.fw.hu/kimeno.JPG A képen látható állapotban tehát a vízszintesen egy vonalban lévő kivezetések tartoznak össze? Köszi, az áttétel mérést meg fogom tenni! A=Ua-a/Usz, A gondolom az áttétel, Usz a szekunder feszültség, de az Ua-a mi? Ra-a=8k Ω , általában. Itt mi az Ra-a? Bocs, hogy ennyit kérdezek, de jól akarom kiszámolni. ![]() Egyébként, ha jól értem, a transzformátor áttétele egyenesen arányos az impedanciatranszformáció mértékével?
Szia!
A végcsöveket milyen (mekkora) nyugalmi árammal járatod? (szimmetrikusak-e?) Amúgy én is a szakaszolást ajánlanám, a végétől az elejéig sorban kipróbálva a fokozatokat... A hangszín után kezdd!
Hali.Eltudok képzelni egy duplaszigetelásű készüléket aminek akezelő egységei pl. poti, kapcsoló is szigetelve vannak.A hangszóró beépítve, külső csatlakozási lehetőség csak a hálózati kábel.Talán az ilyen készülék nem életveszélyes.Ez meg esetleg rádió lehet.Olyan amit szétszedni sem lehet.Erősítők, magnók, lemezjátszók,más hálózatról működő csöves nemcsöves berendezések hálózati transzformátor nélküli üzemeltetése öngyilkosság.Mást ilyenre bíztatni viszont GYILKOSSÁG.Én vigyázok magamra és embertársaimra.
|
Bejelentkezés
Hirdetés |


Mostanában egy kicsit széjjel vagy szórva, azt vettem észre
A 4-4 kivezetés pedig azért van, mert osztottan szokás tekerni a kimenőket, így a szekundered 4 tekercsből áll: ezek rend szerint így néznek ki, hogy 8Ω-hoz sorba kell kötni mindet, 4Ω-hoz a két szélsőt sorba, a két középsőt sorba, és ezt a kettőt párhuzamosan kötöd… Ehhez meg kellene keresni az elejüket és a végüket… Egy sima ellenállásmérővel meg tudod ezt állapítani, hogy melyik hány ohmos. (persze nem biztos, hogy az előbb leírtak alapján van tekerve, de ez az általános - ha így van, akkor 2Ω-osaknak kellene lenniük) 

