Fórum témák
» Több friss téma |
Fórum » Muzeális készülékek-alkatrészek restaurálása
Témaindító: Kutyuli, idő: Márc 29, 2008
Témakörök:
Szépjóestét!
Megnéztem a trafókat, mindkettő fojtónak látszik, a vasalás alapján (nem váltott, hanem külön E és rajta az I, köztük légrés). Bár a sorkimenő felettin nem egy tekercs van a látottak szerint, vagy tán egy az, csak több leágazással. Majd ki kell mérnem. Üdv!
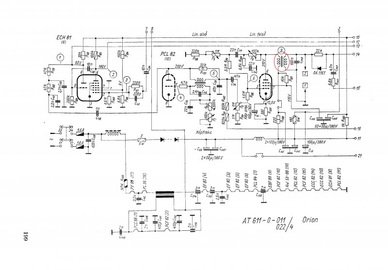
Üdv! Épp elkerülte egymást a két levél . A fojtótrafó az AT611-n 4 vagy 6 kivezetéses. A biztosíték és a fűtőköri ellenállás (NTK) között fojtótekercs van. A fojtótrafó az a PL36 és az első EF80 között található. Öreg T
Itt mellékelem a sassziról készített közelképet, ezeken látszik a két kérdéses nagy vas.
A képen balra alul a sorkimenő van, fölötte az egyik fojtó, rajta 3 darab 80 mA-es biztosíték foglalata; a másik meg a pufferelkókat cipeli a hátán. A rajzon viszont ilyen rajzjellel nem látom ![]() Üdv!
Sziasztok!
Bocs, hogy beleszólok, de a bal oldali az nem a képeltérítés kimenőtrafója?
Nem baj, sőt.
A bal oldali melyik? Alsó, avagy fölső?
Valami ilyesmit mond Öregtamás is, úgyhogy lehet, hogy az.
De engem akkor megtévesztett a lemezelés, mert olyan fojtós a stílusa
Igen, csak megerősíteni tudom Öregtamást. Az a képkimenő trafó. A PCL82 pentódájának anódjában van a primer tekercse.
Ez az (mellékelt képen karikázva)?
Mert van még egy PCL82, de az a hangvégfok és annak a trafója megvan.
Igen, az. Az 1-es, 2-es csatikra megy a képeltérítő tekercs. Szép klasszikus blocking-oszcillátoros megoldás. Oda van írva a rajzra, hogy linearitás, meg kép amp. Annak idején egy ilyen készüléket átalakítottam multivibrátorosra. Egy 71-es vagy 72-es rádiótechnikában volt egy leírás az átalakításról.
Üdv !Kadarisé a pirossss pont . Talán 1978 ban volt a megrázó élményem és azóta nem is láttam 611-et belülről . Kicsit túl bonyolították a gépet ,de a régi gépek vége és az új kezdete is megtalálható már benne. Öreg T
Hozzak össze Neked is valami hasonlót?
))
Kösz, de mostanában semmire nincs időm, még amit tőled kaptam, az is érintetlen.
Sziasztok!
Sógorom régi rádiókat gyűjtöget, szerelget. Én a nethez értek, ezért kérdezek itt. Vettem neki egy néprádiót, de sajna kicsit kibelezett. Valaki tudna feltenni képet a belsejéről, illetve egy kapcsolási rajzot? Előre is köszönjük!
Szia!
Tudni kell, hogy melyik modell. Hálózati, vagy telepes, hangolható-e, vagy csak a fix 3 adó...
Hú, b@sszus, erre nem is gondoltam...
![]() Sajna hátlapja nincs meg ![]() Ez a kis fadobozos, szemből: elején két potival, jobb oldalt egy kapcsoló? Így hirtelen annyi dereng még, hogy hátulról belenézve jobb oldalon egy trafó? vasmag.. Továbbá 5 egyforma kb Góliát-elem méretű ezüstszínű kondi. Ill. csak a helye, mert csak a balról jobbra 4. volt meg, a többi helyen csak a foglalatét fedeztem fel... Bocsesz a laikus megközelítésért, én max csak konnektort meg hosszabítót tudok szerelni, de szeretnék segíteni.
Helo.
Az a 4 kondi nem kondi hanem elektroncső. Hátha ez olyan, mint amilyet vettél.
És merrefelé volt ilyen jó termés? Én is oda megyek aratni.
Amúgy nem irigyellek, lesz velük munkád bőven.
Szerintem egy gyűjtőt az is lázba tud rendesen hozni, hogy ha az új kincseket nem csak kitakarítani de egy kicsit bütykölni is lehet. Akkor sokkal jobban a sajátjának érzi az ujdonsült régiségeket.
Sok hasonló szép és gazdag hétvégét kívánok !
Egy kivételével egy detektoros rádiós barátomtól kaptam. Ezekből 2 menthetetlen, csak alkatrészként érték de a többi megérdemli a munkát, különösen az "Iskolarádió" és a "Rekord" nevű orosz készülék. Ezek cca. 60 évesek. Remélem egy év nemcsak 1 hétvégéből áll.......
Helo.
Honnan tudnék Videoton Velence de Luxe ba forgókondit szerezni?
Úgy tudom a képen látható tipus van ezekben a rádiókban, Az áttétel más egyes tipusvariánsnál 936,946,2102,4360 stb. Ha lenne fényképed a rossz forgóról akkor ki tudnánk választani a neked megfelelőt. A kimenőtrafó gondod megoldódott?
Melyik van a rádiódban? Az újabbakban a mellékelt fotón látható tipus:
Helo.
Ilyen van benne, csak a kivezetései nincsenek jó helyen. De ez nem baj, majd meghosszabbítom a vezetékeket. Mennyiért adnád? Írj pü t.
A kimenő még nincs kicserélve. Hamarosan azt is megjavítom. Csak sajnos azt nem úszom meg átalakítás nélkül. Amúgy a Velence de Luxe omon Terta embléma van. Ez hogy lehet?
Tégy fel egy képet a Terta emblémával, úgy talán okosabb leszek.
|
Bejelentkezés
Hirdetés |
















