Fórum témák
» Több friss téma |
Mielőtt kérdezel, a következő két dolgot ellenőrizd!
I. A helyes tápfeszültségek megléte.
II. A kimeneten van-e egyenfeszültség.
Élesztés.
A 7-es lábra egy bypass kondi megy, 100n jó, le földre. Nem mindíg kötik be.
A 200-as erősítés sok, az 1-es 8-as láb közé nem kötsz semmit, akkor az erősítés 20. Ez egy fél wattos ic, nagy erősítés felesleges, a torzítás így is elég nagy. Készült vele kimondottan torzító gitárhoz, de annak is pocsék hangja van...
Oké így érthető, ez bekötés probléma lesz már meg is találtad.
A fémházat földelned kell különben az 50Hz visszaköszön + egy kis nagyfrekis zaj, de ez nem a trafód szórása az biztos!
A "földelned kell" alatt a hálózati földelésre gondolsz, vagy GND-re?
Ma vettem egy konzervet, mint kiderült fél cm-rel kisebb az átmérője, mint amekkora kéne Vagy belepaszírozom a trafót egy kicsit szétvágva a dobozt, vagy valami más megoldás után kell néznem. Elég ha csak az erősítő és a trafó közé "kifeszítek" egy vaslemezt, vagy teljesen körbe kell tekerni a trafót és még felül is?A bemenőkábel árnyékolását közvetlenül kössem a csillagpontra?
igen sztereo mind a kettö!
ez nekem tul magas nem értek az ijenek hez nem lehetne valahogyan egyszerüben meg csinálni? vagy nem tudnád egyszerüben elmagyarázni esetleg? az erösitömet kdmester csinálta nem tudom ismered e!
Szia! Látom új vagy közöttünk. Egy kis segítség.
Ez jó...Bár ahogy elnézem, itt a shift billentyű használata sem emelne túl sokat a szívonalon. Jobbat tudok :
Na most van két sztereo erősítőd. Az egyiket meghámozod. A hangerőpoti középső kivezetéseire ráforrasztasz egy-egy ellenállást, 100-200k, esetleg kicsit ezzel kísérletezni kell, nem nagy ügy. Az elleállások másik végére ráforrasztasz árnyékolt kábelt, arra RCA dugót, gondolom az erősítők bemenetén az van. Rögzíted, a forrasztás ne szakadjon le, ha feszegeted. A dugókat meg szépen bedugod a második erősítő bemenetére, kész. Ha annak a hangerőpotija csúcson van, az elsőével szabályozod az összes csatorna hangerejét. Ha meg akarod, a második erősítőt külön tudod halkítani, lehet variálgatni.
Ilyen az én szerencsém... Sikerült szereznem CAT5 vezetéket, de E jelölésű, így sodrott a belseje, nem egyeres.
Miert baj az, hogy sodrott? Talan nem vezeti az aramot?
Az teljesen jó, de ezt már meg írtuk neked.
De vezeti
csak a falba szerelhető merevebb, nem sodrott ereset ajánlják inkább a neten interconnect kábelnek.
Ez így van. És nem is a merevsége vagy éppen a hajlékonysága miatt olyan felkapott, hanem azért, mert egyszerűen jól szól és olcsó. Jó dobozolás és huzalozás esetén, kb tökmindegy (brumm, zaj, stb szempontból) hogy milyen dróton megy a jel, csak a hangjuk lesz más, persze csak akkor ha a hallásodnál már csak a hangrendszered a kifinomultabb. Egy erősítő nem ettől lesz zajos, vagy zajtalan. Szerintem dilemmázás helyett inkább kisérletezni kéne, kipróbálni ezt is, azt is
Idézet: „Szerintem dilemmázás helyett inkább kisérletezni kéne, kipróbálni ezt is, azt is” Ezzel egyetertek. Viszont azt javasolnam, hogy a nem tisztan elektronikai temakat (foleg az olyanokat amik ebben a topikban OFF-nak szamitanak) inkabb hanyagoljuk. Ilyen tema pl. a kabelek altal okozott hangminoseg valtozas. Ezt inkabb egy masik topikban, de leginkabb masik forumon lenne jo megvitatni. En mindenesetre tartozkodom az ilyen temaktol...
Az igaz hogy túlzásba nem szabad vinni a gerjedékenységgel kapcsolatos kábel milyenség és stb. témát, de erősen az erősítő építés szerves része ez is.
Sokat lehet ezekből az infókból is tanulni, és hasznosítani.
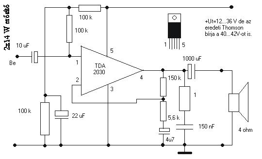
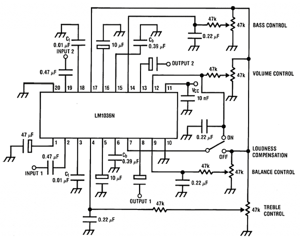
Üdv építettem egy erősítőt LM1036 os hangszín szabályzóval.Bővebben: Link ami nem akar működni.
Ugye három részből van össze rakva két darab TDA2030 as és egy hangszín szabályzó az a érdekes hogy külön külön megy minden de ha az erősítőt rákötöm a hangszínre akkor recseg brummog elég csúnyán. És fel tennék pár kérdést: -Lehet e baj hogy a tápnak a földje egybe van minden földel a fém dobozon magyarul az egész doboz föld. -Mennyit fogyaszthat Kb terheletlenül (se hangszóró se bemenet) -A táp nincs stabilizálva és szűrve csak egy mezei adapter 1A es terhelhetőséggel -A kapcsolási rajzon van egy 5.6K ellenállás ez nálam 10k ez baj? tudom hogy zavaros meg nehéz de kérdezzetek bátran. A kapcs rajzok melléklet.
Az 5,6K-10K csere annyit tesz hogy a végfoknak agyonra fölvitted az erősítését.
Az előerősítőt illik stabilizált tápról járatni a végfoknak ez nem muszály. Az adaptert felejtsd el mert ide nem jó mivel nem tud elegendő áramot adni a végfoknak. Én sosem fogom megérteni hogy ehhez a tda2030-hoz ami talán van 200forint mi a manónak építenek ilyen drága ic csoda hangszíneket mikor fölösleges. TDA2030 jól beállított erősítéssel előtte egy kopasz vagy egy tranyóval meglőtt lepke és csókolom. Jobb hangot akárminő előfokkal sem lehet belőle kicsikarni.
Akkor a 10 K holnap vissza csökkentem.
A csoda hangszín meg azért kellet hogy kiváltsak 3 sztereó potmétert ami már majdnem vissza adja a hangszínem árát pluszba kaptam balansz állítási lehetőséget is. Ezelőtt egy lepkével volt megcsinálva csak az sajnos mono volt de működött! És egy kérdés mennyit eszik meg ez az egész egyben?
Hááp egy hangyányi ráhagyással kb 50W-os táp kell neki de inkább több.
Az iggen én kicsit kevesebbre gondoltam :eek2:
Szia a nekem 35W os van és jol megy az is elég ha csak nem 4OHm os hangszorora akarod
Szia!
Szóval van pár észrevételem a dologgal kapcsolatosan. 1. A 10K helyett próbáld meg a 5,6K-s ellenállást. Ha nincs akkor 5,1K vagy 6,2K-s ellenállással is kisérletezhetsz. Ezek a 5,6K-s ellenálláshoz legközelebbi ellenállás értékek amit lehet kapni is. 2. A sima mezei 1A-es adapterrel az a gond, hogy kicsit. Számold csak ki 1A*12V az még mindig csak 12 W azaz a kis erősítőtnek az egyik oldalát tudja stabilan max. meghajtani. he hiányzik még neked 14+2+kb 0,6W azaz kb 17W teljesítmény a tápból. Hasonló erősítőt építettem meg én is. 2*14W + Lm 1036-os előerősítő. Csak járulékosan jött hozzá még egy mikrofon csatorna meg 2 kivezérlés jelző. Igaz a 12V-os táplálás miatt nem jönn ki belőle a 2*14W de sebaj. Az erős brummogást továbbra a tápegységnek a 100 herzes brummja is okozhatja. Ha nem szeretnél sokat tápegységre fordítani akkor javasolhatom a legolcsóbb megoldást a régi pc AT tápegység használatát. Ez esetben a sárga vezeték a +12, A fekete a 0 és a piros a + 5V. A +5 V-ról akár egy ledet is meghajthatsz egy előtét ellenálláson keresztül ami a bekapcsolást jelzi. Nálam erre egy 680 ohm-os ellenállás lett beépítve. A táp igaz maximálisan 200 W körül fogyaszt. De az erősítőd kisebb telejsítmény felvétele miatt nem fog többet kajálni sokkal mint amennyi az erősítőd működéséhez feltétlenül szükséges. Pl. a 350W-os tápom netezés közben nem vesz fel többet 140 w-nál. A képen a kis erősítőmet láthatod. A bal felső sarokban van a tápegység panel. 3. Amnnyiben lehetséges a bemenetnél illetve az előerősítő és a végfok között használj árnyékolt vezetéket. Tisztább lesz a jeled amit a végfok felerősít. Erre a célra a számítástechnikában használatos audiókábelt használtam. Ami a CD-romot összeköti a hangkártyával. A képen ezeka kábelek szűrke színűek. Szerintem ezekkel a változásokkal jó kis működőképes cuccod lesz.
Sziasztok.
Egy erősítő építésének szeretnék nekiálni csak olyan gondom lenne hogy nekem egy szimetrikus19,4V-os 380w-os trafóm van. Szerintetek elég feszültség lesz belőle ha én ezt egyenirányítom, és elegendő a teljesítmény kettő darab TDA2052-es meghajtására. Előre is köszi
Feszültséged kb +-25V lesz ebből a trafóból, ami a hátárértéke az IC-nek, teljesíményben meg bőven bőven elégnek kell lennie ennek a trafónak.
Ha a váltód 19,4V akkor a egyenírányítás után +/- 27V feletti lesz a feszültség. Az IC adatlapja szerint +/-25V DC a MAX. az ideális 2x22V lenne, így nem lesz jó, kivéve a teljesítményét a 380W bőven elég 2x60W-os végnek! Ez milyen trafó, nem bírod át tekercselni?
Vagy építs inkább LM3886 -al végfokkal ahhoz ideális a táp, és minőségre is nagyon jó!
Szia, nem lesz 27 felett, vedd figyelembe hogy két diódán mindig esik 0,7-0,7V. Az 1,4v, meg egy kis üresjárati fesz is lejön, szóval jó lesz az 24- 25-nek is.
Mellesleg pár menetet én is letekernék abból a trafóból.
Szerintem kicsit félreértették a kollegák a problémádat, mert szerintem nem arról írtál, hogy kihajtva puffog-csattog az erősítő, hanem arról, hogy nyugalomban csinálja ezt. Az 1A-es táp valóban kicsi lesz normál üzemre, de azért illene csendben, némán elindulnia erről is, és kis kivezérlésnél normálisan működnie. Főleg, hogy külön-külön működtek az egységek.
Azt nem írtad, hogy ez az 1A-es tápegység hány V-ot ad le. A tápfeszültségellátást úgy kellene kialakítani, hogy a végfok megkapja a tápegységtől a nyerset, majd innen az előfokra minimum egy RC tagos szűréssel (pártíz ohm és pártíz uF), de inkább stabilizátorral megy tovább. Az előfok és a végfok tápfeszültségére is érdemes párszáz nF kerámiakondenzátorokat is tenni, az áramkörhöz minél közelebb, valamint a végfokok mellé érdemes lenne párszáz vagy 1-2 ezer µF elkó is, a rajzon ugyanis semmi ilyesmi nem szerepel. Persze, a földeléssel is el lehet szöszmötölni, ha földhurok alakulna ki, és emiatt zúgna majd az erősítő, de az, hogy az egész ház földponton van, megintcsak biztosan nem okoz gondot. Akkor alakulhat ki földhurok a földelt ház miatt, ha a hálózat védőföldjével is összekötik, és pl. egy PC-t kötnek rá, ami szintén védöföldelt. Kettős szigetelésű dugasztápnál ilyen prbóobléma nem lehet, csak az esetlegesen a készüléken belül kialakuló földhurkokat kell kigyomlálni (csillagpont és hasonlók). A 10k-hoz szerintem egyelőre ne nyúlj, az biztos nem okoz ilyen problémát, a végfok erősítését csökkentetted le kb. a felére így az 5.6k-hoz képest. Majd akkor foglalkozz ezzel az ellenállással, ha a műsorforrásaiddal nem tudod kivezérelni teljesen a végfokot.
Köszönöm én is, de igazából a végfok építő kollégának is küldhetnél valami hasonlót jó kívánságot...
Oda szántam bocs, a végfok gyári MAX-on járatása és egy kicsit többön nem túl jó tanács, ennek működéséhez szerencse kell.
|
Bejelentkezés
Hirdetés |




Vagy belepaszírozom a trafót egy kicsit szétvágva a dobozt, vagy valami más megoldás után kell néznem. Elég ha csak az erősítő és a trafó közé "kifeszítek" egy vaslemezt, vagy teljesen körbe kell tekerni a trafót és még felül is?
csak a falba szerelhető merevebb, nem sodrott ereset ajánlják inkább a neten interconnect kábelnek.








