Fórum témák
» Több friss téma |
Fórum » DCF77 óra Nixie-csövekkel
A töltése könnyen megoldható? Akár külső töltő áramkörrel!
És a védelem hogy ne merítsem túl, mert ahogy tudom az a halála a Li aksinak!?
Szervusz!
Erre gondoltál? A garázsban sajnos nem túl jó a megvilágítás a fotózáshoz.
Erre nem gondol az ember, rá se mer gondolni... Vagy álmodozik róla... :szeret:
Iiigeeen errreee
Látom van ott még ahonnan ezek jönnek. Ha minden jól megy az IN-18-as foglalatok már úton vannak hozzád
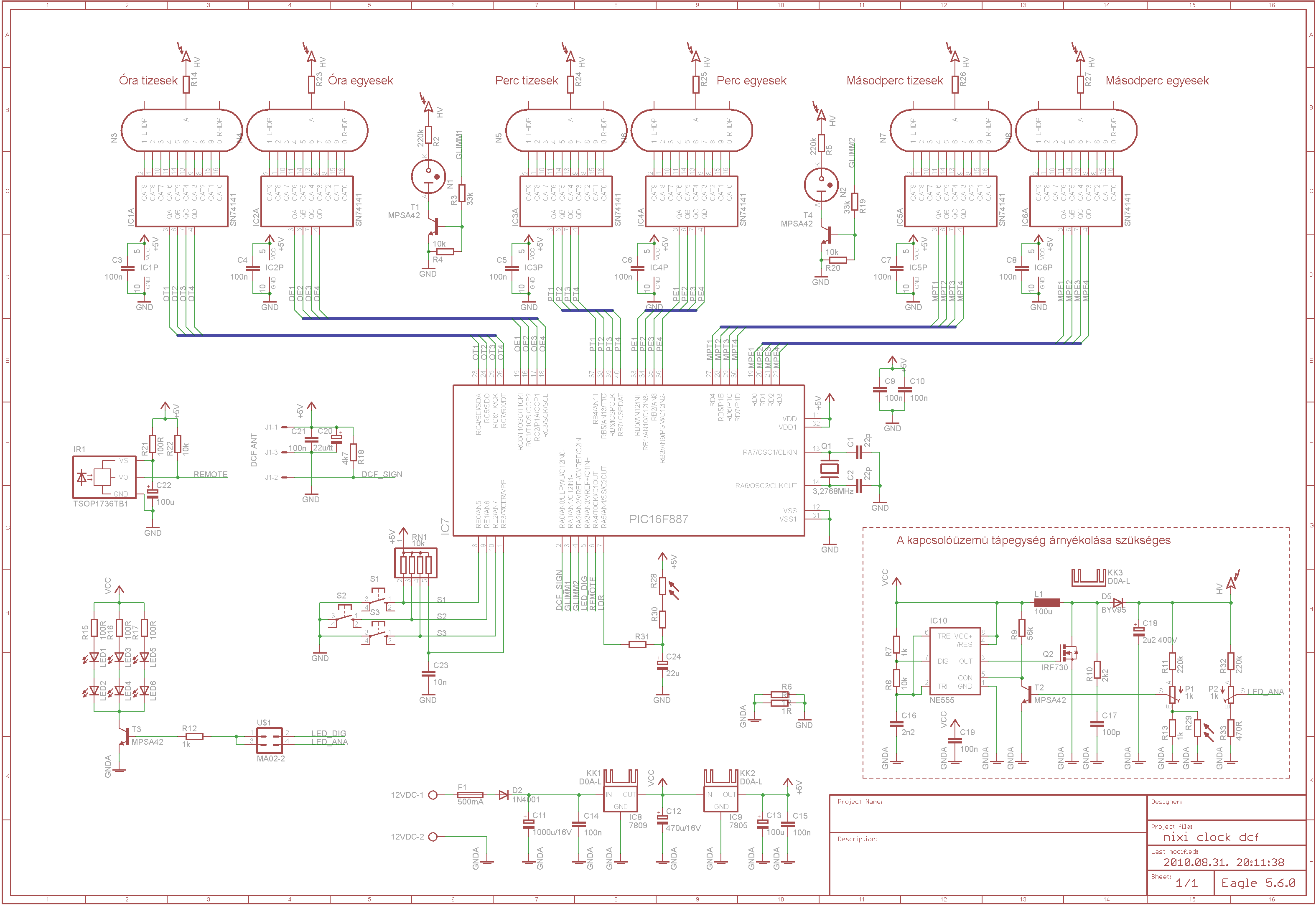
Kezd végleges lenni a kapcsolás... Akkor lehet egy-két plusz megjelenítésről szó?
A fényerőszabályzós részt nézd meg, hogy így gondoltad-e. A teljes táprészt AGND-re tettem, a többi minden sima GND-n van, a kettőt majd 2 db 1 ohmos ellenállás köti össze.
Szia!
Nagyon szépen megrajzoltad. Az R28 -cal párhuzamosan tennék még egy ellenállást. A csövek védelmében a T2 bázis és az R11 alsó végpontja közé is lehetne tenni - ha a potenciométer csúszkája nem érintkezik, akkor csökkentené az anódfeszültséget, nem növelné. mint most. P2 csúszkája és a jumper közé is, a LED_DIG -re egy 5.6V -os zéner - jobb a békesség. Lehet, hogy ide inkább hosszabb átkötés kellene a nyomtatáson, nehogy a méréseknél a pic megkapja a 200 V -ot. Ki kellene próbálni a D5 helyén az UF4007 -et (1000V 1A 75 ns), SF28G (600V 2A 35 ns).AGDN és DGND összekötése az 5V -os stabilizátor földpontjánál legyen. Jöhetnek a kijelzési ötletek....
De az általában csak 3,7V a minitronnak kevés lesz
Sorba is lehet kötni kettőt. Az viszont meg már a PIC-nek sok.
Egy próbát azért megér hogy mennyire "muzsikálnak" a szegmensek 3,7V-nál :yes:
Szia!
Egy alacson feszültségről működő step-up konverter IC megoldhatja a problémát...
A régi ptk-1024-ben az akkupakkba tettek egy dc-dc váltót 2 ceruzaaksiról csinált 9V-ot a számológépnek és napokig elment róla. :yes:
Gyönyörű ez a rajz!
Egyetlen apró hibát találtam rajta: a 74141-esek GND pontja az a 12-es láb, és nem a 10-es, ahogy a rajzon van a hidegítőkondiknál. Csak abból tűnt fel, hogy 2db 10-es láb is van, 12-es meg nincs.
Szia,
most hirtelen semmit sem találtam, igaz csak a lomex-nél néztem pedig valami lyesmi lenne az elegáns megoldás. Akár két darab mobil akksi párhuzamos kapcsolása árán is. 4,5V már elég is lenne a 3,7-ből. Tényleg, ha a két akksi vadi új ezért elvileg azonos állapotúak akkor mennyire szeretik ha párhuzamosítják őket? Vagy B tervnek 9V-os tölthető elem és low dropoutos stab IC 5V-ra. Kvázi tálcán kínálod a megoldást. Már csak találnom kell valahol ilyet. Szerinted 7447-ből kapható smd változat? Azért ma kigyújtok egy szegmenst egy feltöltött mobil akksival, bár a 7447 nem tudom hogy elmenne-e ilyen kis feszről. Megnéztem..., nem megy el róla
Szia!
Gondoltam körülnézek kicsit a témában. 7447-ből sajnos nem találtam SMD-t. Viszont találtam ilyen 7 szegmenses SMD dekódert: 4543 MC14543B. Amelyik boltot ajánlottam a múltkor, ott ez is kapható. Az adatlapja itt van. Nem olvastam el szóról szóra, de első pillantásra megfelelőnek tűnik annak ellenére is, hogy eredetileg LCD-k meghajtására tervezték. Szerintem nézd meg.
Azt írja "Maximum Continuous Output
Drive Current (Source or Sink) = 10mA per output. Szerintem ez jó hír tekintve a minitron szegmensenkénti 8mA-es fogyasztását 5V-on. Ráadásul 3V-tól már "beindul" a dekóder. Műszer hiányában gyorsan lepróbáltam 3,5V-ról (labortáp) a biztonság kedvéért 50ohm-os előtéttel agy szegmenst és szerintem bőven elég lesz neki az előtét nélküli 3,7V amit elvileg a mobil akksi produkál. Tehát a dc-dc konvertert lehet hogy el is lehet hagyni. A pic esetleg kap egy 3,6V-os gombelemet.
Igen, ezt láttam én is, ezért mertem ajánlani. Még a vezérlést kell megnézni, mennyire kompatibilis a másikkal, de ha jól láttam, beköthető úgy. Remélem összejön!
Ne aggódj a "pic-es" emberünknél mostanában világít a dolgozószobai lámpa éjszakánként
Ugye tudod kire gondolok... Némi kompromisszummal kezd ott tartani a dolog hogy 1 led, 3 minitron, 1 pic, 1 akksi, +gombok
Tudom kire gondolsz
Rengeteget melózik ezekkel a meglátásom szerint is. Kíváncsi leszek az órádra, ahogy látom egész apró lesz és 12 órás kijelzésű
24-es kijelzésű de csak 3 minitronos. Az első minitront (óra tizese) egy kétszínű led helyettesíti. Ha nem világít 0, ha az egyik szín akkor 1 (tizen...), ha a másik szín akkor 2 (huszon...)
![]() Még így is nagy lesz a "nőies"... CSUKLÓMRA
Az igen! Még ki kell találj valamit arra is, ha mind a 2 szín egyszerre világít!
Én is tervezek valamit IN-17-el, hát abból sem a csövek lesznek a legkisebbek valószínűleg ![]() szerk: ööö legnagyobbak..... megkavarodtam picit
2 szín nem világít egyszerre, energia pazarlás. Még a 6-os 9-es is úgy kell hogy megjelenjen hogy nincs felső illetvea 9-esnél alsó vízszintes vonás. Ez is mínusz 2 szegmens
:yes:
Az viszont meg már vezérlő IC kérdése, hogy hogyan jeleníti meg... Holnap mutatok nem mindennapi VFD csöveket, csak mára már megyek, most sem otthon vagyok. További szép estét!
Vagy a pic-é ha egyben vannak. Egyébként ahogy elnézem a dekóderk zöme is ezt csinálja talán ők is pont takarékosságból.
Ha megtalálom neked azt a fél digitet, elküldöm, hogy ne keljen ledet tenned ilyen helyre. sajna rég nem láttam azt a dobozt amiben volt...
Rendes vagy, de mi az a fél digit? A 3015F-nek van 3015G megfelelője ami +,- és 1 megjelenítésére alkalmas.
|
Bejelentkezés
Hirdetés |







Az R28 -cal párhuzamosan tennék még egy ellenállást. A csövek védelmében a T2 bázis és az R11 alsó végpontja közé is lehetne tenni - ha a potenciométer csúszkája nem érintkezik, akkor csökkentené az anódfeszültséget, nem növelné. mint most. P2 csúszkája és a jumper közé is, a LED_DIG -re egy 5.6V -os zéner - jobb a békesség. Lehet, hogy ide inkább hosszabb átkötés kellene a nyomtatáson, nehogy a méréseknél a pic megkapja a 200 V -ot. Ki kellene próbálni a D5 helyén az
Egyetlen apró hibát találtam rajta: a 74141-esek GND pontja az a 12-es láb, és nem a 10-es, ahogy a rajzon van a hidegítőkondiknál. Csak abból tűnt fel, hogy 2db 10-es láb is van, 12-es meg nincs.






