Fórum témák
» Több friss téma |
Akkor nincs kérdés...20.000-ért veszel egy 5.1-es erősítőt és kész. Olyan lesz amilyen, de 20.000Ft-ba kerül és itt ez a lényeg. Vedd meg amelyik tetszik, és akkor mindketten jól jártok majd. Használtba szerintem kapsz is ennyiért valami csodát. Ennyi.
Szerintem az erősítő mindig és mindig topicba kérdezz.
Egyébként a 345w az összteljesítmény valószínűleg, és ránézésre is egy 5x100w-os erősítenél nem érdemes nagyobbat venni hozzá. Az pedig, ha valós 5x100w, akkor nem olcsó.
Heló.
Az baj lenne ha a 30wattos hiragát 35V helyett 30-31V feszültséggel működtetném?
Nem baj. Enyhe teljesítmény és hőtermelés csökkenéssel jár.
Akkor a 450 wattos trafóm elég lenne hozzá ami 2x24V és 9,37A-os? Így kb mennyi teljesítmény csökkenés lenne?
Szevasztok.
Megépítettem a 30wattos hiragát csak volna vele egy kis gond. Nem tudom beállítani a nyugalmi áramot. Hiába állítgatom a trimmert az áram értéke mindig nulla. Valakinek valami tipp, hogy mi lehet a baj? Kapcsolási rajzot mellékeltem.
Talán rosszul ültetted be az alkatrészeket.
Szerintem azzal a trimmerrel a kimeneti nullapotenciált kell beállítani. Ha nincs hiba abban, amit összeraktál, akkor óvatosan csökkentsd a 47k-os ellenállásokat, azzal nőnie kell a nyugalmi áramnak. Hogy mérted, hogy mennyi a nyugalmi áram?
Alkatrészek biztosan jól vannak. Tranzisztorok is, mert mindegyiknek megnéztem a lábak kivezetéseit.
A táp és az erősítő közé kötöttem sorosan a mérőműszert.
Az ellenállás értékét pedig amit mondtál megváltoztatom és úgy próbálom ki.
Kipróbáltam amit javasoltál és működik. A 47K ellenállás helyett 22K-sak vannak. Így a nyugalmi áramot max. 0.8A tudom beállítani. Mit javasolsz csökkentsem tovább az ellenállásokat vagy a trimmer körül a 442R ellenállásokat cseréljem kisebb értékűre?
Inkább a 442 ohmosokat csökkentsd, de akkor a potit is, arányosan.
Szia!
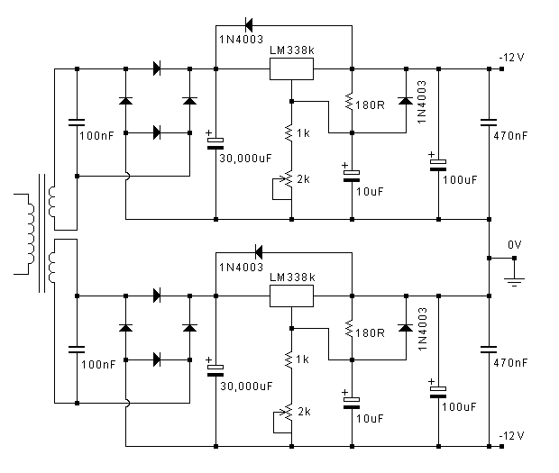
Az általad belinkelt LM338-as stabilizátoros tápnak nincs meg véletlenül a panel rajza? Hálás lennék érte. Hiraga Le Monstre 8W-ost kezdenék építeni. Köszi a segítséget előre is
Én nem feltétlenül raknék neki stabil tápot, A osztályhoz nem igazán szokás. Nézd meg mi van leírva itt a cikkben.
A 8W-os Hiaraga Le Monstre-val kapcsolatosan kérdezném, hogy a cikkben is szereplő két másik heli (T4, és T3) mekkora értékű? Valamint a táppanelen lévő diódák melletti kis kondik pontosan milyenek, és mekkora értékűek.
A diódák melletti kondiknak tegyél be 47nF fólia kondit.
A két jelöletlen helitrimmer meg az általa kiváltott ellenállástól célszerű nagyobbra választani. Vagy ahogy én is tettem, helitrimmer+fix ellenállás. Így a kettő értéke összesen valamivel több legyen mint a helyettesített ellenállás. Nálam ha jól emlékszem 470ohmos a helitrimmer, és mellé még talán 6-800ohm körüli ellenállást tettem, de ez már igazán nem fontos érték, mivel ott a trimmer.
Harpo, én a nyugalmi áramot nem tudom változtatni azokkal az alkatrészekkel csináltam meg ami a kapcsolási rajzban van , vagyis majdnem
eredetiket nem kaptam... Sajnos, bc546 bc557 bd250 bd249 j103 és k246 ezekkel helyettesítettem. és a nyugalmi áram kb 2.5 amper volt. Az 1 kohm-os ellenállásokat cserélem 390 ohm-ra hát ha segit majd. De ez még nics kész, majd csütörtökön kiderül, hogy is alakul az a nyugalmi áram. Amugy szeritned miért nem lehet állítani ?
Mert nem olyan értékű trimmered vagy ellenállásod van ott ahol kell.
Hol állítod a nyugalmit?
1k helyére tegyél 2-500ohm+1-1,5k helitrimmert. Így egész biztos be tudod állítani.
Krell KSA 300S - létezik erről közkézen kapcsolási rajz? Esetleg klón készült belőle? Neten nem nagyon találni semmit erről a típusról. ( KSA 50 -ről igen ) Az ára és a súlya nagyon komoly, szaklapok referenciaként is használták. Kifutott típus, de a használt piaci ára is horror...
300w Class A kép
300I, de hátha jó : Bővebben: Link
Egyébként gyönyörű darab. Gratulálok hozzá. (Irígykedős szmájli)
Ha ezt megépíted, kifűtheted vele az egész házat. Egyébként nem véletlenül olyan magas az ára, ugyanis az ilyen minőségi cuccok válogatott alkatrészekből készülnek.
Ja én azt hittem van már egy ilyene.
Látszik, hogy most iszogatom a kv-m
A fűtés el is kelne, de a födémet meg kellene erősíteni, nehogy leszakadjon. Piszkálja a fantáziámat egy után építés, de annak ellenére, hogy egy 17 éves konstrukció, csak idén futtatták ki. A neten semmiféle dokumentum nem lelhető fel, nagyon vigyáznak rá. Van egy srác, aki felújított egy végfokot ( nem pont ezt a típust ), az oldalán voltak kapcsolási rajzok, de a Krell levetette vele. Restaurálás
Szóval ez a KSA 300s -új ára ca 9000 USD -90kg -300W 8ohm, 1ohmig terhelhető -100V/us slev rate -5kVA trafó -272.000µF puffer -nagyon jó minőségű, válogatott, de standard alkatrészekből épül fel -2+12 NPN & 2+12 PNP tranzisztor a végben fentiek szellemében erősen megkérdőjelezhető az után építés gazdaságossága, létjogosultsága, kivitelezhetősége, realitása. de mégis érdekelne...
Még két tranyót sem könnyű párba válogatni, hát akkor tizenkettőt... Ha ládaszámra vannak alkatrészeid, van időd, türelmed, valamint egy nagyon komoly műszerparkod, láss neki a válogatásnak.
Mivel A-osztályról van szó, a folyamatos magas áramfelvétel miatt a táptrafót sem árt jócskán túlméretezni. Idézet: „erősen megkérdőjelezhető az után építés gazdaságossága, létjogosultsága, kivitelezhetősége, realitása. de mégis érdekelne...” Egyébként sokszor én is hasonlóképpen gondolkodom.
Sziasztok!
Építettem egy saját tervezésű kapcsolást, nagyon elégedett vagyok vele, de nem is ez a lényeg. A kérdésem az lenne, hogy mennyi átlagosan A osztályban a hűtőbordák üzemi hőfoka? Nálam 24 fokos szobában olyan 65 körül mozog.
Ez elsősorban a hűteni kívánt alkatrész hőtűrésétől függ. Egy 175°C-t is elviselő félvezetőeszköz még szépen működik 65 fokon. Bár én nem szeretem, ha egy alkatrészt a hőmérséklete miatt nem tudok megérinteni.
Ez alól természetesen kivételt jelentenek az elektroncsövek.
150 fokos hőtűrésű fetekről van szó, maguk a fet-ek olyan 80 körül lehetnek. Multiméter szenzorral mérve, már amennyire odafértem.
Szervusz!
Akkor a félvezető átmenet legalább 90-110 fok, (a pontos paraméterek hiányában csak saccolás) Az életartama rövidebb lesz, nagyobb a meghibásodás valószínűsége. Ezt a rizikót neked kell mérlegelni, ha nem sokat van bekapcsolva még így is túlélheti a gazdáját. Viszont a FET paraméterei ilyenkor jelentősen megváltoznak! (leginkább a meredekségcsökkenésben nyílvánul meg) |
Bejelentkezés
Hirdetés |






eredetiket nem kaptam... Sajnos,
Látszik, hogy most iszogatom a kv-m 



