Fórum témák
» Több friss téma |
- Ez a felület kizárólag, az elektronikában kezdők kérdéseinek van fenntartva és nem elfelejtve, hogy hobbielektronika a fórumunk!
- Ami tehát azt jelenti, hogy a nagymama bevásárlását nem itt beszéljük meg, ill. ez nem üzenőfal! - Kerülendő az olyan kérdés, amit egy másik meglévő (több mint 17000 van), témában kellene kitárgyalni! - És végül büntetés terhe mellett kerülendő az MSN és egyéb szleng, a magyar helyesírás mellőzése, beleértve a mondateleji nagybetűket is!
Azt szeretném kiprobálni csak nem tudom hány voltról és hogyan üzemelhető be
Hello nem tudod véletlenül hogy tudnám beüzemelni??
Vagy úgy! Hát mindenképpen nézd meg a hátulját,hátha oda van írva.Ha mégsem,pillants rá a trafóra,azon is lehetnek számok.Egyelőre ennyi.
U.I.:Tölts fel élesebb képet! Ha fényképezővel csináltad,keress rajta egy kis piktogarm virágot,az a makorfotózás.
Szia!
Nem volt egyértelmű mit szeretnél, ezért rajzoltam neked, két osztót -20dB és -24dB feszültségosztásra. 600 ohmos lezárók, ha kicsi ez a terhelő ellenállás, arányosan növelheted az értéküket. Nem szabványos értékűek az ellenállások, vagy több darabból rakd össze őket, vagy a szabványos sorból válaszd a hozzá legközelebb eső értéket, ekkor a leosztás kis mértékben változni fog.
A DI-box-ok nem leosztók, vagy szint illesztők, hanem galvanikus leválasztók. A passzívban egy sima 1:1 áttételű, 600 ohm-os (1kHz-en) leválasztó transzformátor van. Ha nem ez kell, hanem szintillesztő, azt Lapose válaszolta meg.
Oh köszönöm ilyesmire amire szükségem lehet van és kell.
Köszönöm a segítséged.
Igen köszönöm a kiegészítést valóban rosszul fogalmaztam csak a példát azért hoztam fel mert sok ilyen készülék képes szintet is illeszteni.
Van itt egy vállalkozó szellemű elektronikában jártas ember, aki némi anyagi ellenszolgáltatás fejében meg tudna valósítani egy kapcsolást?
A lényege a következő lenne: adott egy 12 V-os tekercs amit amit meghatározott számú reed kontakt után kellene meghatározott időre nyitni. Fontos, hogy a nyitást kiváltó reed kontaktok számát egyszerűen változtatni lehessen (pl DIP kapcsolóval).
Plsss ... valaki elkeszitene a nyakrajzat
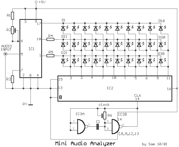
. Nem értem hogy a LED-ek hogy vannak ott osszekotve .. Megkoszonnem ha valaki lenne olyan szives elkesziteni a nyakrajzot .Part List : R1= 1K8Kohm R6= 100Kohm trimmer IC1= LM3915 R2= 100Kohm trimmer C1= 100nF 100V IC2= 4017 R3= 1Kohm D1....10= RED LED IC3= 4011 R4= 100 ohm.....1Kohm D11....20= YELLOW LED R5= 100 ohm.....1Kohm D21....30= GREEN LED
Hello,
Készítettem egy áramkört, amelyben van 2db NYÁKos relé (5V-os),és LCD kijelző is. Ha a reléket meghúzza az áramkör, az LCD kifagy (tudjátok , úgy hogy az inicializálás előtti kockák jelennek meg rajta). Van az áramkörbe az 5V stab előtt 100nF, utána is van egy 100nF, egy 1000µF szűrőkondi is, és a reléknél van dióda 1N4148. Milyen más szűrést lehetne még alkalmazni? Köszi a válaszokat!
A stabIC után ne tegyél elkot, vagy ha teszel, akkor tegyél diódát a bemenet felé visszakötve, mert enélkül könnyen kivégzed a stabIC-t ! Valószínűleg a tápod csuklik össze; mennyire terhelhető a táp, mennyi a tartalék a stabIC előtt (nyers egyenfeszültség), mennyi a relék fogyasztása, és mekkora a puffer a stabIC előtt?
Szia,
az elkó a stab IC előtt van, utána csak 100nf, az előbb rosszul írtam, A nyers egyenfeszültség 9.22V, ezt egy 6V 300mA nyákba ültethető trafó biztosítja a graetz után. A relék egyenként 125ohm osak, tehát 40mA-t vesznek fel egyenként, de egyszerre húzom meg őket,mivel az egyik a 0-át kapcsolja, másik a fázist. Ezen kívül más nagyobb fogyasztó nincs az áramkörben, max az LCD háttérvill, ami kb. 20mA. Szerinted mit tehetnék?
Hello!
A feladat megfogalmazása nem elég pontos. - A tekercsnek nem csak a feszültsége, hanem felvett árama is fontos. (Vagy ez egy relé?)És persze a megtáplálás, amiről működtetni szeretnéd. - Az időzítés nem gond, az egy indítható monostabil multivibrátort is takarhat. De az idő hossza és pontossági igénye nincs megadva. - A Reed kontaktusok rendben vannak, csak milyen logikai kapcsolat van köztük. (ÉS - VAGY-Más kapcsolat) És hogyan akarod hatástalanítani a kapcsolóval? Mit tegyen a kapcsoló. Egyszerűbb lenne, ha a feladatot vázolnád "egyszerű parasztos" módon. Az mindig segít. üdv! proli007
Szia!
Csak azért nem írtam pontosabbat mert, gondoltam, hogy aki ért hozzá az fel tudja mérni, hogy megcsinálná-e vagy sem. A dolog mechanikus része még nem állt össze, ezért a tekercs átamfelvételéről még nincs információm, de remélem holnapra meg tudom mérni. Szóval a tekercs működtetési időtartama még nem ismert (sajnos csak kísérletezéssel lehet megállapítani), de olyan 5-10 mp-re saccolom pontossága nem kritikus. Ezt a logikai kapcsolat dolgot nem értem egészen, de lehet én fogalmaztam érthetően. Szóval adott egy reedcső ami előtt mozog a működtető mágnes és mondjuk minden 8000. reed kapcsolásra kéne működtetni a tekercset mondjik 5 mp-re, aztán előről. A kapcsolóval való hatástalanítást sem értem. Nem hatástalanítani akarom hanem, hogy a két tekercs működtetés között tudjam állítani a szükséges reed kapcsolások számát pl 8000 helyett 10000-ként egy tekecsműködés. Remélem sikerült rendesen leírni mit is szeretnék. Köszi: Pali
A ledek matrixban vannak, vagyis x es y iranyu vonalak racspontjaira vannak kotve. Mintha vizszintes vonalak es magasabban levo fuggoleges vonalak koze merolegesen ledeket tennel.
Nem hiszem, hogy barki elkeszitene neked a nyakrajzot.
Es mikozben a relet mukodteted van-e szamlalasi igeny, tehat az alatt johetnek-e be ujabb impulzusok.
Az impulzusok nem állnak le a tekercs működése alatt, ha ez a kérdés.
Hello!
Így már érthetőbb a feladat. "meghatározott számú reed kontakt után" ezt nem tudtam hova tenni.. Egy PIC-el könnyedén megoldható a feladat. A "Modulrendszerű, grafikus PIC programozás" topikban a szükséges programot 10perc alatt összerakják számodra a kollégák.. De volt már hasonló feladat, valami gépkocsi zsírozása volt a téma. A fékpedál nyomkodását számolta. Külön gond volt, hogy tápfeszültség lekapcsolására ne feledje el, amit addig számolt. Erősen hajaz rá a dolog. (Én nem a "vállalkozó" vagyok, csak segítek tisztázni a dolgot.) üdv! proli007
Sziasztok egy kis segítségre lenne szükségem.Van egy 220v 900w-os fűtő készülékem szétszedtem végül is az egész egy fűtő szál valamikor volt benne valami hő kapcsoló vagy valami de már ezt valaki meg menekítette belőle a fűtő szál műkődik mert kipróbáltam na most ehez keresek valami egyszerűbb megoldást arra hogy mondjuk felfűti a szálat 200-300fokra és lekapcsol és mondjuk vissza hűl 20 30 akkor vissza kapcsoljon ehez kérnék egy kis segítséget hogy lehet nem megoldani esetleg ha van valami rajz.Segítségeteket előre is köszönöm.
Ilyenre gondoltál?
De most gondolkodom lehet hogy nem is így kellene megoldani mert lehet hogy ezzel a módszerrel egyszerűbb lenne mivel hogy ez egy falra szerelhető készülék ahogy látható talán nagyából a képen ezért szerintem az lenne a jó ha nem is a fűtőszálra gondolok mert talán annak nem is lenne értelme ha nem inkább a készülék fűtő felületének hőmérsékletét kellene valahogy meg oldani mondjuk 150fokos a fűtő felület akkor lekapcsol ha 30 alá megy vissza bekapcsol végül is sok nem változott.
Egy vasalóból kimentett bimetállal megoldhatod.
Sziasztok!
Érdeklődnék, hogy mivel tudom helyettesíteni a következő alkatrészt: 3 lába van, kicsit trapéz alakú, hogy jó irányba rakja be az ember, és a következő van ráírva: F 401 ssp2n60b a válaszokat előre is köszi, lehetőleg a Hestore kínálatából mutassatok egy helyettesítőt. Esetleg ezzel ? Ja és érdeklődnék, hogy egy ilyen mitől szállhat el?
Közben kiderült, hogyha minden igaz, akkor egy 600V-os N-Csatornás MOSFET, 2A-es.
Szóval mivel tudnám helyettesíteni, és mi okozhatja ennek a felrobbanását? (nem a feszültség, mert ugye nálunk is a 230V van a lakásban)
Ha flyback tápban volt, akkor inkább ezzel: Bővebben: Link
Üdv!
Egy relét szeretnék kapcsolni +1,5V os feszről. Ez egy projektorba kellene. A gyári tápot ez a 1,5V kapcsolta az izzónak, de LED es re szeretném alakítani és egy relével akarom kapcsolni a LED tápegységét, de csak 1,5V om van, ami állandó, ha megy a projektor. Én egy tranzisztorra gondoltam, amelynek a bázisára előtét ellenállással ráteszem a 1,5V ot és az meg kapcsolja a relét. Ez így működőképes lenne? És ha igen, akkor mekkora ellenállást tegyek elé? Köszönöm a segítéget előre is! Máté.
Még azt mérd meg, hogy teljes terhelésnél mekkora a feszültség a pufferkondin (mennyi marad a 9V-ból, mert az gondolom, az üresjárat volt), illetve milyen stabIC-t használsz? A rendes TO220-as tokozású 1A-est, vagy valami pici TO92-es tokozásút, vagy valami SMD-t?
Esetleg még az LCD-t vezérlő kontrollernél is nézz szét, van-e korrekt Reset áramköre, van-e 100nF a táplábán? (gondolom PIC vagy AVR hajtja a kijelzőt), Más ötletem nincs
Köszi de ez több okból nem nyerő az első és legfontosabb nincs vasalóm így hát a többi gond ezzel nem is lényeges de azért köszi valami mást kéne.
|
Bejelentkezés
Hirdetés |





.. Megkoszonnem ha valaki lenne olyan szives elkesziteni a nyakrajzot .








