Fórum témák
» Több friss téma |
Fórum » PC táp átalakítás
A középső lába az 5 v-ra van kötve.40N03P alatta 238055
Üdv Mindenkinek.
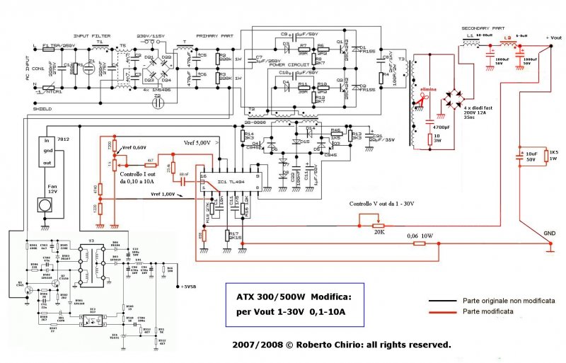
Itt egy átalakított táp. A trafó nem lett áttekerve, 35V mellett 12A tud. Áramgenerátorként is működik 50mA-től 12A ig. Van még benne egy 5V/5A hagyományos táp is. A doboz színterezett, a hűtőrácsok perforált rozsdamentes acélból készültek. Házilag, kézi munkával.
Szia !
Húúú, ez nagyon jól néz ki ! Megosztanád velünk is a rajzát ? KÖSZÖNJÜK előre is ! Üdv.:sector99
Üdv!
Szép munka!!! Csatlakozom sector99-hez.
Szép munka!
Nagyon tuti. Már-már gyanús Hogyan sikerült kipaszírozni 35V-ot a tápegységből áttekerés nélkül?? Kérlek, hogy ezt oszd meg velünk, mert többen is nagyon kíváncsiak vagyunk!
Helló.
Mindnyájan tudjuk, hogy a trafón az 5V 3 szálból áll. Szétbontottam és sorba kötöttem. A közepe maradt földelt, mert schottky graetc nem kapható. És még a 12V-os tekercsek is sorba kötve. Természetesen a diódák is kicserélve. Az előlap a Front designer-rel terveztem, és öntapadós (matricaként) kinyomtattattam. Meg van a hely a 2. pc tápnak is. Eddig a maximális terhelés amit rá kötöttem, 25V-nál 10A. Az áramlimitet egy nyomógomb megnyomásával kiírja.
És még két kép.
A trafót hogy bontottad szét? Szétfőzted...? Csak mert feltűnik, hogy szépen visszaraktad(?) azt a sárga fóliát is rá.
A másik kérdésem meg az, hogy a tekercseket miért daueroztad úgy be? Van valami jelentősége, vagy csak nem akartad; hogy olyan hosszan ott lógjanak?
A trafót nem bontottam szét. A testelést bontottam szét, és mivel nem voltam biztos a sikerben, és ezeknek a szálaknak nagy része a "lábakhoz" kerül a sorba kötés miatt, ezért nem vágtam el. A végén meg csak simán feltekertem, hogy elférjenek.
Köszönjük !!!...
De engem még az is érdekelne, hogy az áram és a feszültség szabályozását hogyan oldottad meg. (azt hiszem egy olasz oldalon csináltak hasonlót de nem tudom hogy hol...)
De as 3,3V fetje.Akkor az is ki.A másik két 3 lábú dióda az egyik a 12V-é a másik az 5V-é?
Továbbra is kérdésem hogy a 2*20N primert és a 2*17N szekunder jó-e?
Nois.Takarítottam a felesleget.Viszont van néhány dolog amit nem tudom hogy kell-e vagy mehet.Csináltam egy pár képet.Ha megmondanátok hogy mi maradjon mert kelleni fog és mi mehet az jó lenne.Pl a bordától a kimenet felé van egy tranyó egy ellenállás azzal mi legyen.Úgy nézem hogy a 3,3V hoz volt.Akkor a borda után van 4 dióda azokkal mi legyen?Van 3 nagyobb ellenállás a mező közepén.Az IC körül mindent meghagytam.Akkor a 3,3V FETje az mehet ki.Viszont van a két 3 lábú dióda(S20C40,F12C20)azokat nagyobbra kell csrélni.De csak a 12V ágban.Az 5-é mehet ki.
Az L3 nál (LsdItt vannak a képek..7.kép )ahol a tekercs volt (+5,-5,+12,-12)Oda gondolom csak a +12 és a -12höz kell.Oda a +5V-ról letekert vezeték jó?Az jó vastag.
Helló.
Igen egy olasz oldalon volt az elve. Itt van.
Igen, erre gondoltam én is. Tehát akkor ez a "gyakorlatban" is működik.
Az áramfigyelő ellenállást miből készítetted, és fizikailag hova van bekötve ?
Kettő darab 0.1 ohm 5W ellenállás párhuzamosan. A panelba forrasztottam be, a GND szigetre. Így az ellenállások másik vége lett a "kimenő" GND.
Üdv!
A 2×17N szekunder az szerintem egy kicsit sok! Ahhoz már 200V -os schottky kell, és talán a skin hatásból eredő veszteség is jelentős lesz.
Akkor mennyi legyen a szekunder a 40 Volthoz??(végre valaki ír.már nem tudom kit csináljak mert a trafó sincs összerakva mert nem tudom hogy jó-e jó is hogy nem rektam össze,amit feleslegnek találtam kiszedtem.)
A 2 szűrő kondi aminek az egyik a +vagy- a másik a test azok hény µF legyen?MErt a + ágban 1000 a - ágban 470µF volt.A gyári +12 os egyenirányító az jó mert 12A és 50V.Viszont a - részt azt az egy dióda egyenirányította a kimenet előtt?Mivel ott csak 1A volt.Oda gondolom kell valami 10-12A.És milyen sima egyenirányító?
2X15 menet bőven elég, takaríts ki minden felesleget a panelról és néhány átkötéssel felépíted ezt csak a kimenetet szimmetrikusra és kész is. Fesz és áramkorlát a trimerekkel beállítható.
Aha.Viszont nekem 2X40V kell.Ami nem kell már kitakarítottam viszont azzal nem vagyok tisztába hogy az IC-s vezérlést hogyan kell visszaéleszteni.Mert ha jól tudom az egyik kis trafóról kapja a kakaót.viszont úgy nem lehet hogy mindent kiszedek a szekunder részről oda bele a trafó(nagy) egyenirányítás puffer és kész.Aztán mikor bedugom akkor megy ha kihúzom akkor kikapcs.Erősítőbe kell.Akkor a 2*15 N elég a 40V-hoz.?Csináltam még képeket hogy most hogy állok.
Ja meg az okés hogy hogyan jön létre a + fesz.De a mínusz feszt a dióda csinálja ami a -12v kimenet előtt van?Gondolom oda is olyan kell ami bírja a 40V-ot és 10A legalább. a 14es fotótól a 18ig vagyok most kész.Szerintetek mit kell még kiszedni? Az már megvan hogy a trafó lábai hova kell menjenek.A fölös egyenirányítók kondik egyéb kiszedve. Szóval úgy nem fog menni ha kiszedem ez egész IC-s részt?Mert nekem nem kell bele készenlét meg védelem stb.Arra jó a biztosíték.
Ejj ejj...
Szerintem a negatív feszültséget még hanyagold. Érd el előbb azt, hogy pozitív 40V -od legyen a GND-hez képest. Túláramvédelemben ne gondolkodj, oda valóban a biztosíték a legjobb (hiszen csimota13 hozzászólásában nem a GND a föld. (Aztán ebből még baj lehet később...)Majd ha már van +40V-od, akkor segítek kitalálgatni; hogyan lehet egy másik PC táppal -40V -ot csinálni (így STABIL lenne mind a kettő tápfesz!) Szerintem egyelőre bőven elég a 470µF puffer! Meg arra hívnám még fel a figyelmedet, hogy talán érdemes lenne a szekunder tekercset 19 -20 -ra tekerni. Amit én szétszedtem trafót, annál úgy volt, hogy a csévetesthez közelebbi szekunder tekercs 20 menet volt, amit meg "először letekersz" az pedig csak 19. (azt is sejtem, hogy miért) Na hát így kb ennyit tudok javasolni , és jó munkát
Az a szekunder gondolom primer akart lenni
De egy táppal nem lehet megcsinálni hogy +-40V legyen?Akkor a bennmarad IC-s résszel ne foglalkozzak?Vagy szedjem ki az egészet?Egyébként erősítőnek kell a táp.A primer az 2*20N.Egyébként én is tapasztaltam olyat hogy az a rész a primerről ami legelőször lejön csak 14N a másik meg huszon valahány N.
na.Lesz valami a dologból de nem jó valami.Bekötöttem a trafót ahova kell beraktam egy 470µF 200V-os kondit rákötöttem a kimenetre egy 12V/20W izzót és a kimenetre a multimétert.Amikor bedugom és a ps on-t a testre kötöm egy pillanatra ad áramot feizzik az izzó és a multi is 20/22V-ig felmengy aztán leold.Mi lehet a hiba?Valamit át kéne kötni az IC-nél?Mert szerintem meg lenne a 40V de így nem lehet lemérni mivel egyből leolt.Terheléssel és anélkül is.
Be kell iktatni a megfelelő visszacsatolást a feszültségre. Az ***Ic **lábára kell ***Vnyi feszültséget juttatni ellenállásosztóval.
Húha.Most az van hogy már a GND-ra kapcsolt PS-ON-nal sem ad feszt.Azt csinálom hogy az IC körül mindent kiszedek és akkor az köré építem vissza ami kell.Van valami rajz hogy melyik lábhoz mi kell.
Igen, így van. Csak tévedésből írtam szekundert. Bocsánat, és köszönöm, hogy kijavítottál
Pár hozzászólással ezelőtt lett linkelve rajz. De mivel azt se tudjuk mi a vezérlőIC így senki nem tud lábszámot se mondani. Az IC táplálását megoldottad erről a várható 40Vos feszültségről, vagy a készenlétiről fut jelenleg, mert ha megkapta a 40Vot, akkor az is tönkre mehetett.
Ha valamit nem tudsz akkor kérdezz, várj választ, ne próbálkozz, mert csak magadnak csinálsz kárt.
TL494 van benne (linkelt képek alapján mondom), aminek nem illik elhaláloznia 40V -tól. Javasolnám hogy a PG részeit távolítsd el, kedves Péter! Vagy csak simán: az IC 4-es kivezetését tedd földre, de a vezetőfóliát vágd el, hogy ami rá kapcsolódik, azt ne földeld le.
Az IC táplálása maradjon csak a készenlétin, pláne a megbuherált "nagy"trafó miatt! Péter régebbi hozzászólására: meg lehet oldani 1db táppal is a +-40V-ot, sőt még át sem kellett volna hozzá tekerni |
Bejelentkezés
Hirdetés |







Csatlakozom sector99-hez.








(Aztán ebből még baj lehet később...)





