Fórum témák
» Több friss téma |
Fórum » DCF77 óra Nixie-csövekkel
Ezt nem mondtam
Nem gondoltam, hogy a tápot nem a modul leírása szerint teszed rá, csak azt gondoltam, hogy a kimenetet nem tudod hogyan kösd be. Elnézést, elnéztem... :no:
Ok-ok semmi gond.
Átvariáltam ahogy mondtad, bekapcsoláskor villant haloványan a LED, és utána 1x azóta nem. Hogy kellene villognia? Mennyi idő után?
Hát most meg kell keresni, hol villog, ott van valamelyest vétel. Ahogy itt is írták. Általában egyet kettőt villan bekapcsoláskor, aztán ha van vétel másodpercenként egyet-egyet villan. Ha noncs vétel nem villog. Ha valami zavarja akkor meg össze-vissza is tud villogni nem egyenletesen. Ha jó így villog.
Köszönöm a segítséged!
Egy elég lehetetlen pozícióba beállítva rendben működik, szinte azonnal elkezd villogni. Néha össze-vissza, aztán elég sokáig rendesen. http://www.vasutbaratzrt.hu/temp/dcfvevo.avi
Egy kérdés még:
Ha távolabb kell vinni az antennát a későbbi órájától, akkor milyen kábellel lehet megoldani? Van valami bevált kábel? Árnyékolt vagy ilyesmi?
Köszi a tanácsot, a lemezlábú foglalatba tényleg jól belemegy a ZM1000 lába. Csináltam egy próbafoglalatot a tüskesor aljzatból, és úgy tűnik ez is elég jól megfogja a csövet. Megmértem a tüskesor egy érintkezőjét, és 0,6mm-es volt mint a ZM1000 lábvastagsága. Elképzelhető, hogy jó lesz ez is foglalat gyanánt. (Lemezelt lábú foglalatom, csak olyan van amit nem egyszerű szétvágni, mert egy darabból van kiöntve az egész, és csak néhány lábat sikerült beletenni, de könnyen belement.)
Kéteres árnyékolt kábellel működik nekem. Előtte utp kábel volt, azzal is működött, de az nagyon merev volt, nehéz volt a vevőt pozícióban tartani, mert elhúzta a nehéz kábel. Tanácsos a ferritantennát és a modult rögzíteni egy dobozba (mint ahogy az én videómon is láttad, az a fekete) mert úgy könnyebb irányba fordítani és nem forog el magától.
Nagyon szívesen!
Jaaaj de jó lenne ebből egy 6db-os csomag... :yes:
150Ft-ért belefér egy kis katódmérgezés
Szerintem ha járatod, be fog indulni.Lehet még tolni neki az áramot 4,5 mA-ig. Én is régóta vadászok rájuk, csak egy hangyányival olcsóbbak mint a z566m.
Hát igen ez a katódmérgezés tipikus tünete. Próbáld meg nagyobb árammal járatni, a névleges árama 4,5mA, de formázás idejére följebb is mehetsz, mint 4,5mA. Addig növeld az áramot amíg a nem látszó terület eltűnik, és azon az áramon járasd 1-2 órát. Aztán ha beindult, akkor leveszed normál áramra, ha még mindíg nem látszik, akkor újra megnöveled az áramot, és megint járatod 1-2 órát. Ezt addig kel ismételni, ameddig a normál áramnál nem tűnik elő a teljes szám, és viszonylag homogén lesz a kijelzés. Jó lesz az, ne aggódj.
Ha tudsz szerezni még 5 ilyen csövet, vagy csak 3-at akkor az óra elejére jó lesz ez a cső ahol csak 0,1,2 a kijelzés.
Nagy szellemek ha találkoznak... Én is ezt írtam...
Igen én meg töröltem... Sajnos ha mennek az effektek az órámban, már nem jó a sánta cső
10 féle ember van, van aki érti a bináris számokat és van aki nem (tudom voltmár...)
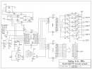
Sziasztok! Elkészült a Mule v2 multiplexelt nixisóra elvi és nyákterve: (minden észrevételt szívesen fogadok)
... és háromféle ember van: aki tud számolni, meg aki nem...
Szia!
A középső panelen a DCF csatlakozónál van egy táp - föld zárlat. A táp és a föld a puffer kondenzátor két kivezetésén ágazzon el, az egyenirányitó és a kondenzátor közötti szakazon ne ágazzon le róla vezeték. A Nixie katódokat vezérlő kimeneteket nem ártana körbevenni egy vékony föld vezetékkel. Hasonlóan az anódokat vezérlő tranzisztokok között is kicsinek tűnik a szigetelés, ami az egymás melleti forrpontok közötti átvezetés után marad.
Elvileg a fullos nixie-óra rajza véglegesedett már, persze ftdi-chipes kommunikációs rész helyett maradhat a Hp41C-féle soros kommunikáció, vagy a kapcs.üzemű táp helyett trafós táp stb, stb.
Szia! Köszi ! A zárlatos részt javítottam. A katódok közötti földvezetékhez tudnál mutatni egy példát? ( A zsúfoltságból eredő dolgokat, az előd órákból örökölte a kapcsolás egy teljesen új tervnél nagyobb lenne a szabadság, de itt a csatlakozók helye a régi kijelzőspanelek miatt kötve van. Próbálok rajta javítani a tranzisztoroknál úgy, hogy a forrpontok alakját és méretét változtatom. A táp leágaztatást, csak átkötésekkel tudnám most megváltoztatni.) A panel tartalmazza régi 3 gombos és a két gombos ébresztős változathoz is a vezetékelést. Egy jumperrel lehet a 3. gombot aktiválni. Értelemszerűen akkor nincs kimenet a buzzerhez. Janocsival készül a prototipus ezzel az összeállítással, hogy egyből le tudjuk tesztelni, ha kész lesz a szoftvere.
Megépítettem a HE-n lévő 1 csöves Órát az overkill tápegységével (gyakorlatilag ez alapján: Bővebben: Link ). Minden tutti, a tápot kivéve. Ugyanis baromira melegszik a FET ismét. Alkatrészekre gondosan ügyeltem, hogy ugyanolyan értékűek kerüljenek be mint az Overkilles cikkben lévőben, sőt még ahova nagyobb teljesítményű alkatrészt javasoltatok oda olyat tettem, de annyira melegszik, hogy gyakorlatilag szétégett, mert saját hibámból nem tettem be biztosítékot. Így miután levettem az áramkorlátos tápról a saját tápjára hagytam éjszakára, és jött a reggel, a világosodás, így ugye egyre több áramot kajált, amit egy pontig bírt is, viszont megsült, de nagyon...
Slussz poén, hogy készült egy újabb overkill óra is, és ott is ugyanez a tünet, tökéletesen ugyanolyan alkatrészekből mint a cikkben, vaiszont a FET annyira melegszik, ! hogy kiolvad a forrasztás!, és gyakorlatilag kiocsúszott a helyéből a FET. Ezen már volt hűtés meg bizti is. Amit még el tudok mondani róla, hogy a fényerőt úgy állítom be, hogy letakarom az LDR-t, és annyi feszt állítok neki, amitől még éppen látszanak a számok. Viszont ha meg világos van akkor ezzel a beállítással baromi sokat fogyaszt már. Van hogy 6-800mA-t is felvesz így 12V-ról. Amikor meg szürkület van vagy sötét, akkor max 2-300mA a fogyasztás. Mit tehetek ez ellen, hogy a FEt-re ne kelljen egy 20kg-os hűtést szerelni? Ez azért is foglalkoztat ennyire, mert Vicsys azt állítja, hogy az övén semmilyen hűtés sincs és tökéletes, nekem meg akárhány példányt megépítettem abból a tápból fűt mint állat. minden alkatrész az előírt típusú és értékű. Nem lehetne valamit módosítani a kapcsolásban, hogy ne ekkora tág határok között állítsa magát? És még egy utolsó gondolat: az az állapot amikor letakart LDR mellett még éppen látszanak a számok majdnem teljesen feltekert poti állásban van. A friss példány overkillben a poti el is halálozott, amit egy kis sercegéssel hallatott. Talán nem túl szerencsés, hogy nagyobb áram folyik rajta, vagy itt is valamit elbaltázhattam? Ha valaki emlékszik a legelső overkillnél is ugyanerre panaszkodtam, ott 84uH induktivitás van bent a 100uH helyett. Azt gondoltam attól melegszik, de nem ez a mostani két tápegység 100uH-vel még sokkal jobban fűt. Az első órán is van kis hűtés és ugyanígy állítottam be mint a mostaniakat, és az tökéletesen megy. Ez utóbbi kettő meg b..szik se menni rendesen. Amíg az áramfelvétel 1-300mA között van addig semmi gond, de ha már erősebb fény vetül rá akkor már baj van és azt hiszi magáról, hogy ő egy kohó és fűteni kell. A felhasznált csövek típusa a legelsőben Z573M a második overkillben Z570M és az egy csövesben meg ismeretlen típusú van, de talán Z570M. Így gondolom az anód ellenállások értéke megegyezhet a Z573M-nél használttal. Nagyon örülnék ha valaki használható jó tanáccsal látna el engem ez ügyben, mert már hamarosan ott fogok tartani, hogy idegesít.
- A nagyfesz táp 5V ról megy?
- Milyen FET van benne? - Milyen induktivitás/fojtó? (mérete/kivitele) - Szkópod van, vagy frekvenciát tudod legalább mérni?
Megépíteném én is az első mule órádat. Az első kérdésem, hogy az ebben a hozzászólásodban levő szoftver a legújabb-e, ill. ez melyiket takarja, a fade-eset, vagy a fade menteset? A másik meg, hogy ez a soft bele megy-e esetleg PIC16F84A-ba? Ilyenből van még 2 darabom itthon, ha nem muszáj, nem vennék másikat.
Üdv, az a fade és számpörgetős változat és ahhoz a nyáktervhez az utolsó verzió, ami elkészült. Beégettem egy 16f84A-ba és elindult vele az óra, dcf-et nem tudtam tesztelni a számok pörgetése effekt nem inult el. A willemben a watchdog és a power up timer opciót ki kellett kapcsolnom különben hibaüzenetet adott. (Nem biztos, hogy ez számít, de mióta a mulenál és a word clocknál is gondot okoztak az égető opciói, inkább előre szólok) Tehát különböző kompatibilitási hibák léptek fel. Majd még megnézem lehet-e vele valamit kezdeni...
Kipróbáltam a mini nixis tápegységet és hogy két legyet üssek egycsapásra elkészítettem belőle egy Pinball clockot (régi flipperkijelzőből óra). Kicsit nagy a fényerő és kicsit melegszik a táp, de ez a kijelző többet is eszik mint egy nixicső garnitúra. Majd csökkentem a feszültséget 150V környékére (egy ellenállással állítható be 50k ohmmal 170V a kimenő)
. Innen jött az ötlet thx Clock-it
Hello!
Nagyfesz táp 5V-ról megy IRF730 a FET, de már próbáltam más típusokkkal is, de sokkal rosszabb eredményt kaptam velük mint ezzel, azokkal gyakorlatilag áramkorlátos tápegység nélkül nem lehetett üzemeltetni. És ilyen induktivitás van benne: Bővebben: Link Szkópom van, de nem tudom mit mérjek rajta. Igazából egy 10MHz-es szkóp van, de lehet rosszul emlékszem és 20MHz-es egy sugaras. Ha leírod mit mérjek meg hogyan akkor megmérem és beszámolok róla.
Ránézésre az az induktivitás igen vékonyka, még a mini tápomban is sokkal izmosabb ferrit van. Azt mindenképpen cserélném legalább egy ilyenre.
Szerintem nincs baj a ferrit méretével, nekem is ilyenek vannak a nagyfesztápokban, és működnek is teljesen jól.
@Hapro: Mondjuk én 9-12 V-ról üzemeltetem őket, én kipróbálnám 5 V-nál többről hajtani... próba cseresznye... hátha.
Az biztos, hogy nekem is 9-12V-ról működik ez a fajta tápegység lehet, hogy 5V bemenővel már túl kell hajtani, hogy meglegyen vagy 170V a nixiknek.
|
Bejelentkezés
Hirdetés |




Nem gondoltam, hogy a tápot nem a modul leírása szerint teszed rá, csak azt gondoltam, hogy a kimenetet nem tudod hogyan kösd be. Elnézést, elnéztem... :no:
30mm-es karaktermagasság, a piros látom lekopott róla.
Szerintem ha járatod, be fog indulni.Lehet még tolni neki az áramot 4,5 mA-ig. Én is régóta vadászok rájuk, csak egy hangyányival olcsóbbak mint a z566m. 







