Fórum témák
» Több friss téma |
Fórum » Csöves erősítő készítése
Ne feledd betartani a fórum viselkedési szabályait, és a topik megmaradásának feltételeit. [link]
A téma átmenetileg fagyasztva lett, hozzászólni nem tudsz!
Én csak azt írtam le, hogy a 3 cső ugyanaz, csak optikailag vannak különbségek, egyébként mind egyforma (a 6S18S-nek egybe anódja van). A 600Ω tejesen jó, de hogy egy 6S33S PP kimenőre hogy kerül 1,2k, vagy minek az oda, arról fogalmam sincs… Talán SE-hez is jó a megfelelő szekunderek bekötésével?
Lényegtelen, 600-650Ω fölé nem mennék PP esetén.
Kedves fórumlakók
Elkészült a 807 SE. Képek csatolva. Még potigomb kell, ami valószínűleg fából lesz és az alját kell megcsinálni. Sokat gondolkodtam az anódlevezetésen. A megoldást 6-os réz csőben találtam meg, melynek a belsejében van vezetve az anódvezeték. Természetesen a cső is földelésre van kötve, hajlékony vezetékkel így elfordítható és cserélhető a 807-es. A cső felfogatását úgy oldottam meg, hogy kb 1,5 cm vastag fa van a lemez alatt melyre passzentos lukat fúrtam, így a cső stabilan áll, nem kellet ragasztani sem. Ha valakinek tetszik meg lehet próbálni. a kis rádiótrafók is egész jó hangot adnak.
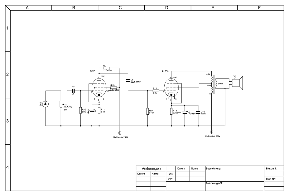
Üdv mindenki, összeraktam a PL508-as egyik oldalát. A jóhír az, hogy szól. A rossz az, hogy nem nagyon, és a végcső anniyra melegszik, hogy a benne lévő fém részek (szerintem az anód) egy idő után vörösen izzik... Gondolom, ez nem jó... valaki megtudná mondani, hogy mi lehet a gond? Köszi.
Nagyon nagy áramot engedsz át az anódon, ezért izzik vörösen, és ezért is melegszik annyira… Ez nagyon de nagyon nem jó, ha nem kötöttél el semmit, tegyél nagyobb katódellenállást!
Szép lett! Szerintem egy réz burkolat a trafóra (vagy csak valami dizájnelem elé) nagyon feldobná, és nagyobb összhangban lenne a réz csövekkel
Abszolút jó gondolat, köszi az ötletet kitalálok valamit.
Üdv, valóban igazad lehet, viszont nekem az a dolog nem stimmel, hogy itt van a táp kapcsolás az erősítőhöz, és az anód tápnak a kimenetére 260 V-ot ír.... megépítettem, és nekem ott 360 V van nem 260... de nem is értem, hogy mitől lenne kevesebb? Szerintem ez lehet a baj, hogy túl nagy a tápfesz...
Igen, a túl nagy tápfesz miatt hajtasz az adott kapcsolással jóval nagyobb áramot a szerencsétlenen, én is így jártam az EL34 PP-nél, az is csak egy százassal sikeredett nagyobbra
Én is ezzel a kapcsolástechnikával építetettem annakidején (két és féléve) a 6C41C SE-t, 6C33C-el is elég sokáig használtam. Jól szóltak. A leírást nem láttam még, rengeteget keresgéltem erről a megoldásról valamit az építés előtt (nem tudtam, hogy ilyen rafinált nevet találtak ki neki), de sosem találtam semmit, így aztán saját kútfőből kellett megoldanom (6E5P-I volt mindig a meghajtó, hogy csak két csöves legyen).
A meghajtásban az Rx ellenállás nagyon ötletes.
Nekem jobban tetszik ez a te megoldásod a réz fékcsövekkel, mint az elektroncsőn azthiszem 811se nél a zuhany felxibilis cső, mert az őrült gagyi benyomást kellt. Ez a réz fékcső jól néz ki, de valami szigetelő anyag , esetleg bevonatos réz fékcső, de ez már megint csak agyalás...
a szerelőlap fényezése mi? grafit szemcsés metál? mert nagyon jó...milyen anyag? vaslemez? alu?
Egy ilyen 6E5P-I párt hozhatnál magaddal, belepróbálhatnánk nálam a sima 6E5P helyére. Igaz valamivel kisebb az erősítése, de ugyanaz a bekötése (szemben a 6E6P-E-vel amiből akad nálam is).
Amikor az első ilyen csöveimet vettem többen lebeszéltek az impulzusüzemüről, hogy nem olyan jó a hangja. Azóta a simából "bespájzoltam", I-s viszont többet már nem akadt a kezembe...
Tegnap megpróbáltam a már jó hangú erősítőn az UL- 33 ill 66 százelékot is , hát igen trioda módhoz közeli NVCS nélküli mély magasátvitel, és mégis nagyobb kivehető P, de túllövés és hosszú lengés jön cserébe a rossz oldalon...fülre a táptól távolabbi leágazásra kötött segédráccsal egész jó volt, de tuti közép kiemeléses más NVCS nélkül füleltem, a táphoz közelebbi leágazásra kötve már tetródásabb hang kell neki mindenképp NVCS mert már nagy a középemelés, de akkor már ha van másik NVCS a hangszóróról a fesz erősítő katódra akkor már tetródának kötöm akkor csak egy könnyen kompenzálható túllövés és nem len 5x még...NVCS elég szoros még, mégis jó hangja van, és igaz még a fűtéseket nem állítottam be és kicsit túl disszipáltatott miunkapontban van 23W össz (de a fűtés is 7V), be kell lőnöma fűtés powert soros 0,33 Ohm tuti kell csövenként 1-1 db...aztán állítom be olyan munkapontba ahol 20W körül disszipál össz.
De ha jól sejtem 305V ról 235 Ohm katódellenállással a 78mA katódáramból 5mA sacc a segédrácson jön be azaz az anód 20W körül van csak amit bírnia is kell...lehet túlfűtés van, lehet ha belövöm a túlfűtést pontos értékre akkor csökken az emmittálás az áramok és a disszipáció is, azaz a 235 Ohm marad alul. 235 Ohm miért? 470/2 De van 510 Ohm is lehet addig növelek 255 Ohmra. Vettem csatolónak WIMA és Pfilips MKP-t, ma meghallgatom talán őket, de veszek ma 2db 1959 es 6p3s-t is arra ias kiváncsi vagyok, a legenda szerint az öregebb a jobb.
Létezik, hogy a 6P3S-E nek rácslevezetőnek nem jó a sima 6P3S nek való 500k Ohm hanem 150kOhm kell?Bővebben: Link
Üdvözletem!
Az lenne a kérdésem,hogy ehhez az erősítőhöz jó lenne-e a PL500-as cső,esetleg PL-36-os?Ha nem,milyen más cső jöhet szóba? Köszönettel:Máté.
Szia! Jó a PL500-as (csereszabatos). A PL36-ossal is lehet próbálkozni, meg kell nézni, hogy mi az eltérés (a bekötésen kívül).
Üdv!
Köszönöm! Mivel ez lenne az első munkám nem igazán tudom milyen eltérést keressek.Nyilván felfedeztem,hogy az fűtőfeszültsége(mármint a PL36-nak) 25V,300mA;a katód áramerőssége 50mA-el kevesebb.Tudnál segíteni milyen módosításokat kell végrehajtani? Máté. U.I.:azóta kaptam egy német rajzotBővebben: Link.Ezt szeretném megépíteni,csak előerősítő nélkül.Kicsit összezavarodtam,nem igazán tudom mit hova.Remélem tudtok segíteni!
Sziasztok.
Azt szeretném kérdezni, hogy kimenőtrafó csévét kézzel akarom most megcsinálni, és hogy nincs-e valakinek, valami ötlete, hogy miből csináljam, mivel bakelitem nincs. Esetleg valami műanyag?
A rézcső szépen fel van polírozva, szidolozva, aztán lakkozva hogy ne mattuljon meg. Most néztem a képeken, meg a valóságban is, hogy a lakk összeugrott rajta, az alsó részen majd le kell szedni és újra fújni. Valószínűleg nem volt teljesen tiszta a felület. Nem tartom fontosnak a rézcső szigetelését, inkább leföldeltem, mert így eredeti állapotban látszik.
Az alaplemez 1mm horganyzott vaslemez, melyre első rétegben gyorsan száradó és horgany lemezre is tapadó fekete festék lett felhordva, második rétegben pedig metálfekete festék. Mindkettő kapható barkács, vagy hobbiboltban. A metálfekete selyem fényt ad és jó ellenálló a felülete.
Hőre lágyuló műanyagot én nem javasolnék, mert bár a kimenő elvileg nem melegszik, akkor sem tartom jó megoldásnak. Szerintem bakelit lemezt be lehet szerezni, azért is jó, mert hasítható, (ha nem textilbakelit), és ezáltal ha vastagabb a kelleténél, egy megmunkálással megformázod, és többfelé tudod hasítani. A bakelit nem lágyul, ha túlmelegszik elszenesedik viszont akkor vezetővé is válhat. De a túlmelegedés szerintem 100 fok felett következhet csak be. A vezeték lakkozás meg max 90 fokot bír.
Ja és még valami törékeny anyag sem jó, mert elég komoly igénybevételnek van kitéve a csévetest főleg belemezelésnél. Strapa anyag kell oda.
Ezt a hasítást nem értem.
Mi textilbakelitből szoktuk csinálni a csévetestet, de őszinten szólva meg nem tudom mondani hogy hol lehet manapség textilbakelit lemezt kapni (különösen nem ipari mennyiségben).
Köszönöm a választ. Akkor megpróbálok szerezni valamilyen bakelitet.
Na közben megtaláltam a forrást és egész emberi kiszerelésben és árakon van textilbakelit. Bővebben: Link
Vastagabb NYÁKlemez a legalkalmasabb erre a célra. Lehet új, vagy bontott, lényeg hogy lemaratod róla a rezet, de lőtte lemosod acetonnal, a szennyeződések miatt. Szuper erős, szigetel is rendesen. Üvegszálas legyen lehetőleg. Két komponensű ragasztóval /uve, vagy eporapid/ A legolcsóbb is jó erre a célra.
A bakelitnek 100 fokon még semmi baja nincs.Ezek az anyagok ma már nem használatosak, felváltotta az üvegszál.
Hogy is magyarázzam el? Mondjuk van 6mm vastag bakelit lapod, de elég lenne 2mm is. A bakelit lemez vastagságát tudod csökkenteni hasítással, mondjuk ahhoz hasonlóan ahogy fát hasít valaki. Tehát ha ügyes vagy a 6 mm.es ből tudsz csinálni, 3 db 2 mm-est, vagy két db 3 mm.est vagy 4 db 1,5 mm es lemezt. Jó éles és erős kés kell hozzá, meg egy kis szerencse, hogy jól hasadjon. Mivel rétegekből van préselve, a technika működik. Persze nem méterszer méteres lemeznél, de 5-10 cm, ig biztosan. Én sokszor dolgoztam ezzel a módszerrel.
Teljesen jó megoldás ez is, nyilván ha valaki ért hozzá
Nem nyalás képpen mondtam! De a kimenőm áránál kérném figyelembe venni :yes:
Ha szabványos méretű a vas, akkor Eximtrade-től lehet rendelni műa. csévéket. weisser
Az már régen rossz ha a huzal, vagy a vas a műa. olvadáspontjáig melegszik
1-1,5mm-es üvegszálas epoxi lap.
Modellezőboltokban A4 méretben is lehet venni. Én is ezt használom. Öntartó/önhordó kivitelt készíts, meghálálja magát. |
Bejelentkezés
Hirdetés |


Lényegtelen, 600-650Ω fölé nem mennék PP esetén.
Elkészült a 807 SE. Képek csatolva. Még potigomb kell, ami valószínűleg fából lesz és az alját kell megcsinálni. Sokat gondolkodtam az anódlevezetésen. A megoldást 6-os réz csőben találtam meg, melynek a belsejében van vezetve az anódvezeték. Természetesen a cső is földelésre van kötve, hajlékony vezetékkel így elfordítható és cserélhető a 807-es. A cső felfogatását úgy oldottam meg, hogy kb 1,5 cm vastag fa van a lemez alatt melyre passzentos lukat fúrtam, így a cső stabilan áll, nem kellet ragasztani sem. Ha valakinek tetszik meg lehet próbálni. a kis rádiótrafók is egész jó hangot adnak. 




