Fórum témák
» Több friss téma |
Fórum » FM rádióvevő TDA7000-rel
Az IC-ben belül van egy varikapos frekvenciakövető részlet, a varikapnak van valamekkora kapacitása, de én nem találtam róla semmilyen adatot. Az biztos, hogy a beépített alkatrészekből elméletileg adódó frekvenciánál lejjebb fog rezegni az oszcillátor emiatt.
Ott pont van. Azaz az L1 és a "0.1" jelölésű kondenzátor is a Vpp-hez kapcsolódik, ami az IC 4-es lába. Érdekes egyébként az a rajz, a kondenzátoroknál a "330" és "100" jelölések pF-ben értendők, de a "0.1"-ek meg µF-ot jelölnek.
A frekvencia számolásod jó, de érdemesebb a hangolási tartomány két végére kiszámolni, mint sávközépre. A hangoló elemmel (forgó, trimmer, varikap) sorosan levő kondival a sávátfogást (min, max frekvencia) tudod beállítani, a mindkettővel párhuzamos trimmerrel pedig a sávközépi frekvenciát. A számoláshoz a kondik megfelelő értékeit vedd figyelembe, a hangolóelemnél a min, és max kapacitás, a trimmerkondenzátor Cmin +Cmax /2 értékét.
Mivel ennek az IC -nek a KF frekvenciája igen alacsony, a koincidencia demodulátor miatt, 76 kHz, így nincs szükség bemeneti sávszűrőre sem, mert a tükörfreki a vételi csatornába esik, és a megfelelő szelektivitásról egy aktív szűrő gondoskodik. A VCO frekvenciáját hangoló belső varikap, csak kb +/- 300 kHz ig hatásos, gyakorlatilag a beállított vételi frekvencián tartja a vevőt, ha van vett jel.
Rendben.
Most azt néztem, hoggy elvileg nem kell nagyon módosítanom a meglevő kapcsolásomon ahhoz, hogy a varicapot be tudjam rakni, ugye? Én csak annyit terveztem, hogy teszek be egy 100k-s potit a varicap feszéhez, 2 db 33k ellenállást és azt a 47nH-s kondit. Ennyi elég lesz ? Egyébként bb105-ös diódát nem találtam HESTORE-on, BBY40-es jó lesz szerintetek? Ahogy néztem az adatlapját elvileg lefedi a szükséges kapacitástartományt, csak nem tudom számít-e még valami, ami lényeges?
A BB105 helyettesítői: BB105 cross reference. Hátha van valamelyik típusból a HE Store-ban.
Jó lesz az is, csak számold hozzá a kiegészítő kapacitásokat. A kapacitás átfogása min 5, ennyi nem is kell a 88.5 - 108 MHz átfogásához.
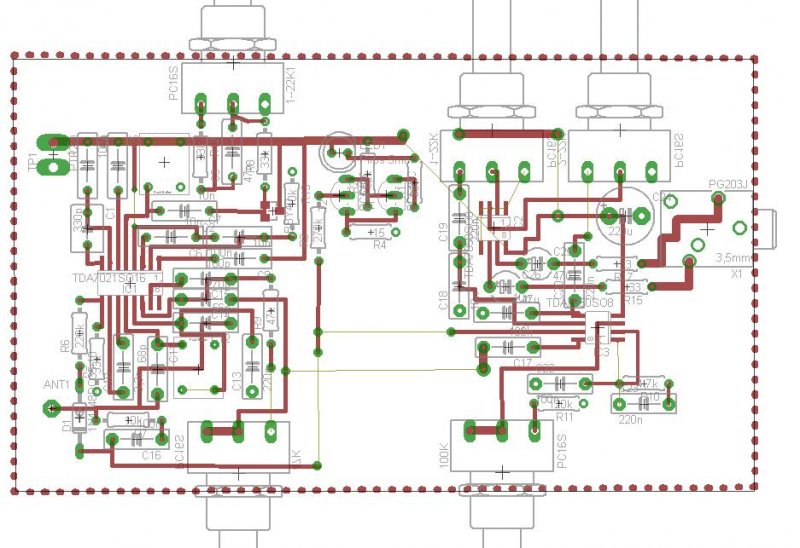
Elkészült a NYÁK tervem a vevőhöz, légyszíves nézzétek meg, hogy megfelelő-e elhelyezésileg, van-e olyan gondja, ami vételi vagy működési problémát okozhat?
(Még nem módosítottam a varicaposra.)
Szia!
Azokat a benyúló földfólia-mezőket szedd ki. A kis fóliaszigetek is csak zavarólag hatnak.
Szia!
Tudsz segíteni abban, hogy hogyan lehet Eagle-ben azokat a felesleges nyúlványokat és szigeteket kiszedni ? Vagy csak simán "radírozzam" ki paintben?
Szerintem az Eagle-ben is van radír, bár én nem ismerem a programot. A Paint-ben viszont biztosan van
Rendben megcsinálom mindjárt. Azon kívül van valami, ami még nem kéne?
Most tervezném a módosítást, viszont 2 dolog nem stimmel. Az egyik, hogy az orosz kapcsoláson nincs megadva a VD1 névtől jobbra levő kondi kapacitásértéke, illetve, hogy mely alkatrészeket cseréljem ki feltétlen a meglevő kapcsolásomból, hogy a varicapos jól működjön.
Mert ahogy látom nem nagyon követi értékileg a gyári kapcsolást és nem szívesen szedném ki az összes alkatrészt, ami nem egyezik.
Megcsináltam közben a szigetek és nyúlványok eltüntetését...
Az orosz verzió beültetési rajza szerint 10nF-os a varikap leválasztókondenzátora. Azok a benyúló földek legyenek összeköttetésbe a nagy "teleföldekkel", legalább az ültetési oldalon, vezetékkel.
Köszönöm a segítséget!
Ez így megfelel, hogy csak a piros téglalapon belüli alkatrészeket cseréltem ki és nem az egészet? (Gyárit az oroszra)
Kékkel pedig az Eagle-s file-ban van jelölve a módosítás.
Ha megnézed a 9. oldalon lévő alkalmazásra szánt kaspcsolást, láthatod, hogy a 39pF kondival sorban lévő forgó szolgál a hangolásra. A tekercs induktivitásának változtathatósága csak az ún. behangoláshoz kell, vagyis hogy a forgókondidhoz igazítsd az oszcillátort. Mint ezen a kapcsoláson szintén látszik, az RF bemeneten fix szűrőkör van, ami nem túl szerencsés, a szép megoldás tényleg az lenne, ha az oszcillátorral együtt hangolod azt is.
Meg kell még jegyeznem, hogy az oszcillátor a vételi frekvenciától 76kHz-cel lejjebb rezeg, tehát ennél az IC-nél 76kHz a KF. Én egyébként egy TDA7088-as alapú kisrádióhoz csináltam diszkrét CMOS IC-kből PLL frekvenciaszintézert nemrég, és szépen működik, viszont elég lomha karakterisztikájú hurokszűrőt igényelt, mivel mind a TDA7088 mind a 7021 rendelkezik egy belső hurokkal, mely az adó közelébe érve ráhúzza az oszcillátort az adóra. Csak mivel a KF a 7088-nál 70kHz (7021-nél 76kHz), folyamatosan egymás ellen dolgozik az IC és a PLL. Nekem egy sample/hold szerű passzív hurokszűrőm van, kimenetén még egy RC aluláteresztővel (6,8k/220n), így már nem veszekednek annyira, viszont a MUTE funkciót ki kellett kapcsolnom, mert különben periodikusan némítgat. Íme egy kis videó róla: Video
Sok türelmed van, diszkrét IC-kből felépíteni egy PLL-t!
Komoly teljesítmény, gratulálok hozzá! Az oszcillátorjel kicsatolását és előosztását mivel oldottad meg?Jobb lenne egyébként az oszcillátort a PLL-lel ott tartani, ahol kell neki rezegnie, 70 vagy 76kHz-cel odébb, akkor nem akarnának az AFC-vel egymás ellen dolgozni. Sajnos ilyen finom, sokdigites felbontáshoz nagyon alacsony frekvenyiás lesz a hibajel, lassú lesz a szabályozás. Én inkább egy olyan megoldást látnék célszerűnek, ami megméri az oszcillátorfrekit, és ez alapján egy D/A-val állítja elő a hangolófeszt - ez gyakorlatilag lehet egy teljes PID szabályozókör, ahol a hibajel a frekvenciák különbségéből áll elő. Persze ehhez biztosan kell már valamilyen programozható intelligencia, én próbáltam ilyen jellegű megoldást PIC-kel. A bemeneten lévő sávszűrő szerintem korrekten meg van tervezve az adatlapban. A hagyományos, szuperheterodin készülékekben a tükörfrekvenciák elnyomása miatt szoktak a keverő bemenetén is hangolt kört alkalmazni, de ezeknél a vevőknél a 70 (76) kHz-es KF miatt tüköradó gyakorlatilag nincs (a vételi freki alatt 140-150kHz-cel lenne). Erre egyrészt nem tudsz elég meredek szűrőt építeni, másrészt a frekvenciák "egész tized" MHz-ekre vannak kiosztva. A bemeneti hangolt körnek talán az intermodulációs zavarérzékenység elnyomása kapcsán lehetne értelme, de erről pucuka sokkal többet tudna mondani.
Az oszcillátor kicsatolását egy 2,2p-s kondival oldottam meg, innen megy egy Fujitsu gyártmányú MB501L kétmódusú osztóra, ami nekem fixen 64-gyel oszt (potom 10Ft-os áron szereztem ennek darabját a Lomex-ből). Ezt követi egy tranzisztor, CMOS jelszintre illesztendő az MB501 kb. 1V-os kimeneti jelét, onnan pedig megy a CD4059 N osztóra. Mivel nem használok nyelőszámlálót (ahhoz kéne még egy lavór IC
), emiatt, hogy 25kHz-es lépésközt tudjak előállítani (minél jobban közelítendő a 70kHz), a referencia frekvencia már-már kritikusan alacsony, 390.625Hz. Bár a lépésköz 25kHz, a frekvencialéptetés négyesével, 100kHz-enként megy (oszcillátor: 87,525, 87,625, stb..) A passzív S/H hurokszűrő után van még egy aluláteresztő, ennek lomhasága, valamint a belső AFC úgy dolgoznak össze, hogy adóra hangolva nem dumál bele egyik sem a vételbe, meglepően zavartalan a rádió hangja (már ami amúgy is kitelik egy TDA7088-tól). Bár az adó 2-300kHz-es körzetében igencsak ráncigálják egymást. Egyébként a hurokszűrőben tantál elkó dolgozik, 1u értékkel, de ezt először fordítva tettem be Megfordítva már sokkal kevésbé zümmög be a referencia, miközben léptetek. A referenciafrekvenciát egy 4MHZ-es kvarcból egy CD4060 és egy 74192 (10-es osztóként használva) állítja elő (jó öreg MEV gyártmány, eszik csak maga vagy 40mA-t..). A PLL IC egy CD4046, D tárolós komparátorát használva. Az alacsony PLL frekvencia ellenére meglepően stabil, hosszútávon (én fél napig próbáltam egy huzamban) is tartja a vételt, bár egy mobiltelefon igencsak meg tudja zavarni, de nem zökkenti ki. A kijelzés multiplex módon történik, nem méri a frekvenciát, hanem csak kijelzi, min kéne a rádiónak lennie. Ez egyelőre a legegyszerűbb megoldás, de végülis nem csal. Azon gondolkodom, hogy NYÁK-ot építek neki, és lesz belőle egy retro-modern asztali rádió órával Viszont jelenlegi állapotában nagyszerű demo anyag lenne elektronika órákon, mindent végig lehet rajta mutogatni.Megj.: ajánlom figyelmébe a dolgot annak a fórumozónak, aki anno szeretett volna régimódibb, diszkrét PLL-t építeni.
Hm, tényleg jól belebonyolódtál
Az MB501L-et ismerem, van pár marékkal nekem is otthon, használom is, csak van vele mindig rengeteg nyűg, mert tapasztalatom szerint szeret gerjedni és nagyon nem mindegy neki a bemeneő jel amplitúdója sem. Frekimérő elé előosztónak beépítve láttam olyat, hogy ha túl kicsi/túl nagy a bemenő jel, akkor a frekimérő a valóságos frekvencia 2-szeresét, háromszorosát mutatta.Le tudod ezt a részt rajzolni, esetleg a fizikai elrendezéséről tudsz fotót feltenni (az oszci kicsatolásától az előosztó TTL-re illesztett kimenetéig)? Én párféleképpen megépítettem már ilyet, de valahogy egyikkel sem voltam igazán megelégedve...
Nekem egyelőre kondis kicsatolás után közvetlenül megy rá az oszcillátor jele az 1. lábra, mert még csak most szereztem be rádiófrekvenciás tranzisztort (BC546 azon a frekvencián már nem akart nekem túl sokat erősíteni, bár pontosan mérni se tudtam, nincs woblerem, csak annyit vettem észre, hogy vele és nélküle is ugyanúgy működött /közös emitteres kapcsolásban, bázisáramos munkapontbeállítással/). Nekem eleinte nem 2-3szorosan bár, de eltért a frekvencia a névlegestől, magyarul rosszul osztott, de mióta hagyom a levegőben lógni a 8. lábat, (előtte a kicsatolókondival azonos értékű, 2,2 pikós volt rajta a föld felé), azóta pontos. A leosztott frekit mérőkártyával mértem, szoftveresen visszaszoroztam, és annyit mutatott, amennyit kellett (92,4MHz vételi frekinél 92,33-at, persze még a PLL előtt, feszültséggel hangolva). Bár lehet a dugdosós panel miatt is rakoncátlankodik.Mindenesetre ha panel lesz neki, beletervezem a kicsatoló tranzisztoros fokozatot is, valamint a kondit a 8. lábra. Otthon meg majd lerajzolom és lefényképezem. Egyébként egy hét alatt állt ez össze.. minden részegységet elég alaposan teszteltem, mielőtt teljesen összeraktam.
Egyébként a TDA7088 esetén ugyebár elég lenne 10kHz-es lépésköz is a pontos frekvencián tartáshoz, ami egy beépített presetelhető nyelőszámlálóval megoldható, ami vezérelné a kétmódusú osztót, hogy épp 62-vel vagy 63-mal osszon, így 10kHz-es hibajel mellett megoldható lenne 10kHz-enkénti léptetés, viszont ahhoz be kéne építeni még egy 4059-et, kapuzni, valamint 10kHz-es referenciajelhez átalakítani az oszcillátort.. áá.. nyűg, plusz egy lavór IC
Jelenlegi megoldás tökéletesen kielégítő eredményt ad a megépítendő retromodern asztali rádiómhoz Ha mégis 10k-t akarok lépni, rendelek inkáb LMX IC-t.
Ugyan ez itt OFF, de ha már retro rádió, akkor a vevőt is építhetnéd hagyományos szuperheterodin módon, nem egy cél-IC felhasználásával. Ha megvan a PLL, akkor már nem olyan nagy művészet egy oszcillátort építeni mellé meg egy keverőfokozatot és KF/demodulátort. Igaz, akkor meg azt kellene megoldani, hogy a kijelzésnél a KF értékét le kellene vonni a frekvenciából, lehet, ehhez megint egy "lavór IC" kellene
[OFF]Jelenleg egyébként mikrokontroller vezérli
Egyébként én is gondolkodtam ezen, csak sajnos megfelelő műsszerrel nem rendelkezem, amivel be tudnám hangolni a rezgőköröket. Ezért is tettem hozzá, hogy retro-modern Egyébként a konyhában akarom vele leváltani anyukám rádióját vele, ami gyakran elhangolódik. Szóval helyet kapott ebben azért egy kicsit az ésszerűség is.. bár így is kicsit túlzásnak tűnik ez a sok IC, pláne, ha ezt egy LMX-vel és egy 18 lábú uC-vel bőven meg lehetne oldani. Csak hát ilyen IC-ket kaptam épp párat, és emiatt jutott ez eszembe.Egyébként a PLL-lel egy ideje már foglalkozom, projektmunkán belül kellett készítenem egy frekvenciaszorzót, mely 50Hz körül ingadozó frekvenciát szoroz fel meghatározott értékkel. Az szintén CD4059+CD4046-tal lett megoldva, uC-vel, I2C kommunikációval, referencia-kiesés esetén utolsó érték megtartásával, generálásával.. Ez is adta az ihletet ehhez a rádióhoz.. 7088 alapú kisrádióm meg van itthon tucat.
Én legutoljára a csatolt kapcsolást építettem meg egy nyers paneldarabra, légszerelten. A bemenet F csatlakozós (sőt, a kimenet is, bár ott már nincs illesztett tápvonal), 75 ohmos betáplálással. Ehhez az kellett, hogy az oszcillátor kimenete is 75 ohmra legyen illesztve egy bufferrel. TDA-val is meg fogom próbálni, most csak egy önálló oszcillátorral próbálgattam, így jónak tűnik, ha az oszcillátor jelszintje megfelelő. Az oszcit 50-300MHz-ig hangoltam különböző tekercsekkel, az előosztó mindenhol jól viselkedett.
Sziasztok!
Elkészítettem a már többször emlegetett rádiómat. Most épp a felélesztés fázisánál tartok, ehhez szükségeltetne a segítségetek. Első körben érdemes megemlítenem, hogy miután ellenőriztem a megfelelő vezetést és a rövidzár-mentességet, 2db ceruzaelemről indítva hallható egy állandó (erős) sistergés. A 100k-s, varicap-oldali potmétert állítgatva hallható, ahogy sávváltás történik, és a nagy sistergésben hol erősen, hol gyengén kivehető egy adott műsor hangja. Bár közel sem kész még a berendezés, lenne pár kérdésem: - mire szolgál a 7021-nél levő 47k-s és a 7040-nél levő 100k-s poti ? -75 vagy 50Ohm-os antenna szükséges a bemenetre? -akárhogy hangolok a 100k-s potival a LED fényereje sehogy sem változik, pedig elvileg a jelerősség függvényében kellene azt tennie A jelenlegi kapcsolás úgy néz ki, hogy a 2 oszcillátor mindkét tekercse fix, 56nH-s fojtótekercs.(Az adatlapból vettem az ötletet az értékhez) Elképzelésem az, hogy a zavaró zúgás 2 nagy forrásból származhat: - rossz antennaillesztés (csak egy teleszkóp antenna van ráfogva csavarral az RF bemenetre) -azonos induktivitású tekercsek használata Légyszi segítsetek megtalálni a sistergés okát. (Mellékeltem a felhasznált NYÁK tervet is EAGLE-ből. A valóságban fullground-os, itt azért nem az, mert így talán könnyebben láthatóak az alkatrészek) Adatlap
Szia!
A sistergés teljesen normális jelenség FM-vevőknél. Amíg nincs vétel, nem találsz adóállomást, addig sistereg a rádiód. Ez az ún. FM-zaj.
Elvileg 75 ohm -os antenna kellene, de egy kb 70 cm -es drót megteszi. Viszont ha miközben hangolod, és az állomást gyengén, de mindíg hallod, akkor nem hangolod.
A 7021 -en a 47 kohm -os trimmerrel a magaskiemelést lehet korrigálni a dekóder számára. Az MPX jelben megemeli a 19 kHz -es pilotjel amplitúdóját. Nem deemfázis! A 7040 -en a 100 kohm os trimmerrel a VCO frekvenciáját lehet állítani, a stabil pilotjelre ráállás érdekében. Először a vevőt éleszd, és csak utánna kapcsold össze a dekóderrel.
Hordozható vevőnél nincs olyan hogy 75ohmos illesztett antenna.
Csak egy teleszkóp, vagy egy vékony drótantenna van, ami bőven elegendő a jó minőségű vételhez. Ezek a Tda 7000 Ic-k helyes megépítés esetén, 1-2mikrovolt bemenőjelnél, tiszta hf.jelet adnak ki,szinte bárhol működnek.
Ha csendben maradtál volna, okosabb maradtál volna.
Az áramkör antenna bemenetének impedanciája 75 ohm (katalógusadat). Olyan antennát teszel rá, amilyet akarsz, de ha nem illesztett, az érzékenység romlik. Mivel a fórumtárs kérdezte, hogy milyen impedanciájú antennát kell rákötni, megadtam a választ (katalógus adat), de azt is mondtam, hogy egy megfelelő méretű huzalantenna is megteszi. Az venni kívánt adó közelében valóban elég egy akármilyen antennahelyettesítő, de nem tudni, hogy milyen távolságban lévő adót szeretne venni. Senki nem írta, hogy hordozható készülékről van szó, te miből következtettél erre? Milyen 1-2 uV érzékenységről beszélsz, amikor a katalógusban 11 uV van megadva, másrész honnan tudod, hogy a kihúzható botantennád mekkora antennajelet szolgáltat? Szerinted milyen definíció a "tiszta hf. jel"? Az adatlapon levő érzékenységadat (11 uV) 26 dB jel/zaj viszonyra vonatkozik, ami azért egy kissé messze van a tiszta HF jeltől. |
Bejelentkezés
Hirdetés |









), emiatt, hogy 25kHz-es lépésközt tudjak előállítani (minél jobban közelítendő a 70kHz), a referencia frekvencia már-már kritikusan alacsony, 390.625Hz. Bár a lépésköz 25kHz, a frekvencialéptetés négyesével, 100kHz-enként megy (oszcillátor: 87,525, 87,625, stb..) A passzív S/H hurokszűrő után van még egy aluláteresztő, ennek lomhasága, valamint a belső AFC úgy dolgoznak össze, hogy adóra hangolva nem dumál bele egyik sem a vételbe, meglepően zavartalan a rádió hangja (már ami amúgy is kitelik egy TDA7088-tól). Bár az adó 2-300kHz-es körzetében igencsak ráncigálják egymást. Egyébként a hurokszűrőben tantál elkó dolgozik, 1u értékkel, de ezt először fordítva tettem be
Viszont jelenlegi állapotában nagyszerű demo anyag lenne elektronika órákon, mindent végig lehet rajta mutogatni.






