Fórum témák
» Több friss téma |
Fórum » Villanymotor bekötése
Sziasztok!
Olvasom ezt a forumot és nekem a kondis megoldásokon kívűl nem esett le semmi , érdekes hogy sokan nem gondolnak az inverteres megoldásra ![]() A motoron azért van 380/220V mert gondoltak arra hogy valaki 1fázisú invertert használna akkor be tudja kötni hisz az 1fázisú inverterből csak3x220 nyerhető! Ekkor a motort DELTÁBA kell kötni . Van 3 fázisú inverter de ez 3x380 ról gurul de 3x380 is jön ki belőlle!!! így a motort Csillagba kell kötni. Naszóval ha 1fázisról inverterrel a következő a megfejtés: -zavarszűrő frekiváltó beköt -a motor és a frekiváltó közé árnyékolt vezetéket használj -Motor deltába rakod és Go! Előnyők: Omron vs mini V7 nem drága Könnyen programozható Irányváltás funkció akár külső kijelző is potis fordulat szab felfutás lefutás állítás alacsony fordulat nagy nyomaték Motorvédelem stb. Hát kb ennyi Idézet: „A motoron azért van 380/220V mert gondoltak arra hogy valaki 1fázisú invertert használna akkor be tudja kötni hisz az 1fázisú inverterből csak3x220 nyerhető!” Konkrétan nem ezért van, hanem azért, hogy a motort olyan helyen is lehessen használni, ahol a vonali feszültség a 220V, nem a fázisfeszültség. Régebben volt ilyen rendszer Amerikában (nemtudom, létezik-e még, de jó eséllyel igen), illetve bányákban is ilyen rendszer volt.
Kedves Potyo!
Teljes mértékben osztom véleményed és igazat adok neked ,de a 400/230 még mindíg szabvány és bármikor rendelek 400/230 as motort pl: SEW EURODRIVE ,BONFIGLIOLI stb. üdv: Korben
Üdv uraim némi segítség tehát azt hogy milyen feszültségszintről lehet üzemeltetni egy motort azt kitárgyaltuk de azt nem hogy milyen kötéssel azt is feltüntetik a motorokon deltea/csillag a delta jele egy háromszög a csillag jele egy Y ez már meg is adja a motorok bekötési sorrendjét egy pár villanymotort már láttam 99% csillag volt , tehát ez a jellemző
Egyfázison biztos,hogy csillag mert deltában el sem indulna!
Hová kötnéd a kondit??
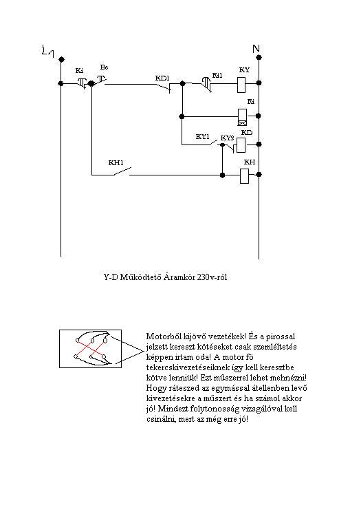
Sziasztok! Ezek elég jó bekötési gondolatok! Működnek is némyelyik! De a 3fázisút nem véletlen 3fázisra tervezték, mert akkor a motor hatásfoka sokkal jobb! Ha 230v-ra van bekötve akkor a teljesítménye felére csökken! Ha huzamosabb ideig akarja valaki használni akkor ezt jobb egy Y-D működtető áramkörrel megoldani! :yes: A rajzon is van egy kis szöveg! Aki kicsit konyít a villanyszereléshez az már érti a rajzot is meg a szöveget
A X-D kapcsolást arra találták ki ,hogy nagyobb teljesítményű motorok indításakor először csillagban felpörög és átkapcsol utánna deltába így az indításhoz szükséges áram jóval kissebb mint ha deltában indulna!Nagyobb motor delta módban olyan áramfelvételt tud produkálni mint ha rövidre lenne zárva a kivezetés!!Így lecsapkod minden biztosítót mert jóval túlterheli a hálózatot!
Hi
Lehet,hogy irtatok róla,nemtom,de ha 3 fázisú motort üzemeltettek(pl. pincében vizszivattyú,nem sűrűn figyeltek itt rá),akkor kössetek be egy motorvédő kapcsolást is! Ennek a hiánya nem gond,kivéve mikor áramszünet van,és nincs meg a 3 fázis,igy amikor pont akkor akar indulni a motor,és mivel egy tekercs hiányzik a 3-ból igy le fog égni A 230V motoroknál értelemszerűen nincs ilyen gond! Tapasztalat
Ha megy a motor és közbe megy el egy fázis akkor is 1-2 másodpercen belül leég a motor, főleg egy szivattyúnál ahol folyamatos a terhelés.
Ez is tapasztalat. Amúgy most vettem egy fáziskimaradás védelmet, 13000Ft volt, de elég sok mindent tudott, figyelte a fázis sorrendet, Asymetriát, alacsony és túl feszt, ezt mind lehetett rajta állítani még azt is hogy ha valami van akkor hány másodperc múlva kapcsoljon, és két váltó érintkezős relé volt benne, tudott párhuzamosan is működni meg külön-külön is. ja meg még a nullát is tudta figyelni.
Erre igen pont jó a hőkioldó amivel sorba van kapcsolva a működtető áramkör! És ha véletlen fáziskimaradás van akkor a hőkioldó egyből lekapcsolja a működtető áramkört amin a 3fázisú motor üzemeltetve van!
Az pont hogy nem jó mert az huzamossabb túl terhelés után kapcsól le, a hővédelembe a motrnak a névleges áramfelvételét szoktuk beállittani, és ha azt huzamossabb ideig lépi túl akkor old ki. A hővédelembe nem tud felmelegedni pillanatok alatt az a kis futőbetét szerüség, ezért nem jó arra a célra, mert ha fázis kimaradás van akkor pillanatok allatt felmegy az áramfelvétel annyira hoyg szénné ég a motor.
Szerintem arra gondolt,hogy egy hőfigyelő alkatrészt a motor tekercsébe,már tekercseléskor elhelyezzünk,és ez figyeli a tekercs
szerintem is jobb az áramfigyelő eszköz idő kell,hogy bemelegedjen a motor,igy meg rögtön felugrik az áramfelvétel,ha a 2 tekercs elektromágnesessége nem tudja megpörgetni a hütőventilátort(a motor tengelyén)
Csak azért, hogy ne rémísztgessük az embereket, egy motor nem 1-2 másodperc alatt ég le. Nekem volt, hogy a mosógépben a szíj feszítésére szolgáló csavar kiesett, bele a motorba, mégpedig úgy, hogy a ventilátort odatámasztotta a tekercshez. A ház másik végében voltam a szobában, és az láttam, hogy az izzó fénye furcsán vibrál. Körbenéztem a házban, hogy milyen nagyobb fogyasztó van bekapcsolva, de csak a mosógépet találtam. A fürdőszobában már érzett is a lakk szaga, gyorsan kikapcsoltam, és belenéztem. A tekercs is megsérült egy kicsit, a vezetékeket a csavar feje megnyomta, de körömlakkal lelakkozva és a csavart kiszedve a motor üzemképes maradt. Utána még 1-2 évig ment a cucc, majd az átrozsdásodott dobból kifolyó vízből a motorra is jutott, és akkor égett le. A vibrálás kezdetétől a kikapcsolásig kb. 1 perc telt el. A motorvédő ettől jóval rövidebb idő alatt reagál a nagyobb áramra, bőven elég az a védelem.
Egy mosógép motor megint más, mert az csak egy fázisú. Annál nincs olyan hogy fázis kimaradás, ha lefogod a motort akkor csak búg meg melegszik. De ha egy 3fázisú motornál elmegy egy fázis akkor 2fázisba megnő az áram felvétele olyan mértékben hogy pillanatok alatt szénné ég a motor, persze terhelés alatt. Ha nincs terhelés akkor 1-2percig elmegy. Talán. És motor tekercseléséből teljes mértékben meg lehet állapítani hogy miért égett le a motor, mert ilyenkor a hat tekercsből(2polusú motor) 2 éppen marad(amelyikről elment a villany).
Miért más? Ugyanúgy nagyobb áramot vesz fel, és ugyanúgy leég, ha hosszabb ideig ebben az állapotban marad. Azt kívántam jelezni, hogy nem 1-2 másodperc alatt ég le egy motor (ha így lenne, akkor az indítás eleve gondot okozna)
Ha egy fázis hiányzik, akkor a háromfázisú motor egyfázisúként viselkedik. Megindulni nem tud, mert nincs forgómező, viszont ha már forog, és nincs rajta nagy terhelés, akkor elmegy az idők végezetéig (legalábbis a csapágy elkopásáig). Vágtam már fát úgy, hogy egy fázis hiányzott, de a motor ment. Csak érezhető volt, hogy nincs meg a kellő kakaó (nem lehetett úgy nyomni, mint ahogy szoktam, de azért nem nevezném gyengének sem). Ha a motor kétpólusú, akkor három tekercs van (fázisonként egy). De szerintem azt nem tekercsnek kellene nevezni, mert a tekercs az az egészet jelenti, és nem azt a részét, ami egy póluspárt gerjeszt. Ja és terheletlenül megindul egy fázisról is, ha az az egy fázis nem a motornál megy el, hanem olyan helyen, hogy a motor harmadik tekercse és a nulla között marad fogyasztó (pl. főbiztosíték kapcsol le). Menet közben ezen a tekercsen megjelenik közel ugyanaz a feszültség, mint a másik kettőn. Régen, amikor még a háromfázisú hálózat sokfelé nem volt elérhető, csináltak olyat, hogy egy (természetesen erre a célra méretezett) háromfázisú motort üzemeltettek az egyfázisú hálózatról, és a többi, kisebb háromfázisú motor számára ez a motor előállította a harmadik fázist. Így csak egyetlen motor egyfázisú indítását kellett megoldani.
Volt olyan élményem mikor egy 56Kw-os szivattyú mellettem éget le, ilyen miatt. És kb 5másodpercig ment a szivattyú, először fura hangja lett utána meg ált mert lenyomta az automatát mert átment zárlatba, pedig olajjal volt feltöltve a motorja, és 150fokos szigetelő anyaggal csináltuk a motorját. Amúgy ez egy EMU zagyszivattyú volt, az egri szennyvíztelepen. olyan mint a képen
A motorvédő termó álltalában megvédi a motot a leégéstől ha megfelelően van persze beállítva a motorhoz
Ha kimarad egy fázis akkor főleg teljesítmény alatt jeletősen megugrik a másik két fázison az áramfelvétel és a hötermó leoldja a motort kb 20-30 másodperc múlva!Ennyi idő alatt egy motor nem mehet tönkre
már nem egy olyanra volt példa hogy fáziskimaradás miatt éget el a motor, és nem kell neki sok idő.
Kedves Zozo1 Én Kővágőszöllősön a megmaradt uránbánya vízkezelőjében dolgozok egy pár Zagyszivatyút már láttam meg vertikálist és Vmsz meg hasonló szörnyeteget és rengeteg Grundfost is de mi csak motorvédőket használunk védelemre Aeg lakatfogóval belemérünk és egy két tizeddel feljebb álítjuk és csók a családnak . A menet közbeni fáziskimaradást is észreveszi mert akkor is levált . Van egy Grundfos Szityónk 30kW 107 méter mélyen egy paraszt pt 100 termo kontroller az oldalán ez a szítyó 107 méterről 80 m3 vizet szállít óránként és amikor üzemi hőfoka eléri a 60-65 C akkor ki szoktuk venni és megpucoljuk a fémtestet a szutytól és soha nem ég le a cuccunk . Tudom javasolni minden motorba a MOTORVÉDŐ kapcsolót és a bordák tisztántartását és a ventilátorának a karbantartását .
Üdv mindenki. Kérdésem volna. Van egy motorom, az adattábláját lásd a képen. Most 230V-ról üzemel, a bekötés.jpg-n látható hogy van bekötve(a vezetékek színe jelen esetben megtévesztő): U1=indító kondi (180mikroF 400V) nyomógombon keresztül, V1=fázis, W1=nulla. A motor nagyon gyengén teljesített(körfűrészt hajt,fordulaton nincs nyomaték), ráadásul elég kevés volt neki az indító kondi, néha el sem indult csak ha kézzel megforgattam, ezért tettem rá U1-V1-re egy üzemi kondit (100mikroF 400V). Igy már erősebb lett a motor fordulaton, és az indítókondival is könnyedén indult(össz 280mikroF indításkor). DE! pár perces, nem erőltetett használat után az üzemi kondi tűzforró lett, mitöbb, majdnem szétdurrant(már sziszegett
Elméreteztem a kondit, vagy más lehet a baj?
ő milyen kondi??? elektrolit???- mert az nem bírja a váltóáramot, kivéve ha szembe van fordítva 2 ugyanakkora szimmetrikusan...
A 180mikro-s már rajta volt a motoron, a 100-ast meg egy másik motorról szedtem le, így azt gondolom mindkettő váltóáramhoz való. Majd világosban csinálok róla képet. Bár a 100-as is csak indítókondi volt a másik motoron. Van különbség indító és állandó üzemű kondi között?
Valószínű sok a kondi értéke 2.2KW 380-as
230-ról szerintem egy 40 mikrós állandót tegyél annak nem szabad már melegedni!A KONDIK 300v-ON FELÜLIEK LEGYENEK!
hali!
ezt nagyon gyorsan felejtsétek el hogy egy ojan motort amin 220/380 van fel tüntetve be köttök 3 fázis deltába mert le ég mint kb 2 perc alatt 400v jutna egy 220v-os tekercsre... akkor lehet egy mocit deltába kötni 3 fázison, ha 380/660 van a tábláján... egyéb esetben csillag kapcsolást kell alkalmazni ha csak egy fázisod van akkor kötheted deltába is mert fázis nulla között 230v van és mivel 220 voltosak a tekercsei igy birni fogja.. indito kondi minden képp kell ha csak egy fázisod van mert nem fog elindulni a motorod... 3 eltol irány helyett egy tépi semmi eltólással, kell egy kondi ami igaz nem is teljes 120fokot de rug rajta 90 fokot hogy eflorduljon. ezért sosem lessz teljes a motorod teljesitméne mert 3 fázis helyett kap 1et, meg egy felet kb(kondi)...a kondi méretezése... én nem szoktam az adatokra hagyatkozni, a lényeg hogy 1kw kb. 24-26 Mf lehetöleg ne nagyon melegedjen ha nem jo a kondi értéke ugy is észre lehet venni ha pl nagy akkor üresjáratban kicsit magasabb sipolos a hangja, ha kicsi akkor pedig morog. de körfürészt egy fázisrol :S elég gyönge lessz. Sok jót !
Kedves Tetye nem monda senki hogy deltában is lehet indítani a motort 220/380 felirattal csak azt hogy lehet üzelemltetni és én köthetem deltában a motort ha azt egy egyfázisú frekvenciaváltóról üzemeltetem a mi a kimeneten 3*230 v ad igaz akkor már mehet deltában is mert a tekercsekre nem kerül 400 v . A motorokat meg eleve úgy tekerik ha engedik a delta használatot akkor az egy kis háromszöggel jelölve van és rajta van a feszültségszint is . De deltában egy kicsit nagyobb motor 2-3 kv 8 -9 Apert is felvesz üzem közben és mivel hogy tudjuk a motorok induláskor pillanatyi indítóáram az üzemi áram 6 szorosa azt a 16 amperos b megszakító nem komázza erre találták ki a c tipusú (loma) motorikus megszakítókat de ezt lakóházakban nem használható inentől fokva kár a gőzért . Remélem nem hagytam kívánnivalót magam után üdv .
csak 1 kérdés a frekiváltórol eddig nem volt szo de most hogy van.. a frekiváltód mihez képet ad 3x230 ha L-L között akkor oké akkor mehet deltában is de ha L-N közt 3x230 akkor az megint 400 L-L közt...és ugy már nem oké gondolom akkor neked fázisok közt mérve van 230ad ugye?
kedves Pizzus itt egy kis segítség ha a motorod még mindig gyárí tekercseléssel van ellátva akkor üzemeltetheted 3*400 v csillag üzemmódban vagy 3*230v Deltában esetleg 230v ról a mellékelt bekötésről akondikról nem nyilatkoznék sok hasznos ötletet olvastam én is megérzés és fülről szoktam megoldani de a feszültségszintre figyelj oda méretezd bőségesen túl .
Kedves Tetye a gyakorlatban a helyzet a következő a egyfázisról háromfázisra fordítkató szerkentyűk motorhoz vannak méretezve ezért a nullát nem nagyon szokták használni és ezért L-L közti fesz szintett adnak meg
Holló
Pizzus kösd a motort deltába!!! A képen csillagba van! 3*220V a bekötési rajzon! A leirt bekötésed szerintem jó. A 180 µF inditásra OK. 45-60 µF kell üzeminek. Karbantarto motor.gif-jét nem értem! |
Bejelentkezés
Hirdetés |




, érdekes hogy sokan nem gondolnak az inverteres megoldásra 
Hová kötnéd a kondit?? 





230-ról

