Fórum témák
» Több friss téma |
Hello!
Mi a kérdés? Bocs nem oltani akarlak de ki tart vissza az építéstől?
Azt hogy nekem nagyobb volt kell nem tudom mit cseréljek. mert ez a kapcsolás 6.3v állít elő.
Helló!
Egy LM2577T-ADJ step-up konverter IC-vel elég könnyen meg lehet csinálni! A kívánt feszültséget pedig a kimeneti ellenállásosztó segítségével tudod beállítani: Uki = 1,23 * (1+R1/R2). Az IC-n kívül kell hozzá egy Schottky-dióda, egy induktivitás, pár ellenállás és pár elektrolit kondenzátor. A kapcsolás az IC adatlapján megtalálható, valamint van hozzá segítség is a méretezéshez! Egy baja van ennek, hogy nagyon drága az IC... Üdv: Jani
Szia.
Step-up konverterrel akkor tudok ilyet csinálni csak méretezni kell ugye? maxim palettáról tudsz ilyet mondani? létszives
Nézz körül itt! Az oldalon tudsz szűrni a neked kellő paraméterek alapján!
Üdv: Jani
Azt hiszem megtaláltam azt ami tuti... Azt hiszem. hHa jól értem a kapcsolást 24v azaz +12 gnd -12 ugye? Max743
Mert ilyen még a boltba is van nálunk.
Valamit nagyon félreértettél! Ez az IC 5V bemenő feszültségből csinál +-12V-ot, vagy +-15V-ot! Szerintem felesleges ilyen bonyolultságút, főleg, ha csak kísérletileg lesz. Egyrészt nem kellenek neked sem a negatív feszültségek, másrészt elég egy kimeneti fesz. is, nem kell kettő! Én ezeket találtam, ami jó lenne neked: MAX608, MAX618, MAX17112, MAX1771.
Jani
Az előbb írtam le... Bemenő feszültségtartomány 4,2V - 6V-ig. Kimenő feszültség vagy +12V és -12V, vagy +15V és -15V! De ezek mind ott vannak az oldalon, amit linkeltél, és még az IC adatlapján is...!
sziasztok!
a következő a gondom. Van egy 12V-os(pc) neonom inverterrel. Szeretném valahogy azt megoldani, hogy egy másik ugyanolyan neon-t mellé köthessek. Viszont annak nincs invertere. Ha simán mellé kötöm, ugyebár mindkettő neon halványan(félig) világít csak. Esetleg az inverterben tudok valami alkatrészt cserélni, hogy orvosoljam a problémát, vagy mindenképpen keresnem kell egy másik invertert?
FONTOS kérdés - bárkihez.
Van egy olcsó - módosított színuszjeles - 12-200 V inverterem. Egy LCD tévét kötöttem rá : hibátlanül megy. a kép tökéletes. Ám amikor egy DVD lejátszót kötök rá (ami 12 voltos, és ugyanazon az akkunk van, amin az inverter), akkor a kép szaggatottan ugrál. Hozzáteszem a 12 voltos DVD lejátszón van saját LCD kijelző, és ott a kép tökéletes, ám az RCA kábelen átvitt videojel az LCD tévén már szaggatottan ugrál. Ki kellene zárnom ezer százalékra a hiba okát, anélkül hogy vásárolnék egy 50 ezer forintos - nem módosított színuszos invertert - . Tehát lehet az inverter az oka, ha egyébként a TV képe nem ugrál (mikor pld. a menüt behívom), de amint video forrást kötök rá, akkor a kép ugrál ? Köszönöm a válaszokat.
Hát az RCA kábel elméletileg árnyékolt de lehget hogy mégse... Akkor az inverter által keltett zavarok a kábelbe belekerülhetnek. Vagy a külső dvd-tápja ne olyna jól szűrt és az nem viseli el az invertert de a tv igen.
Sziasztok!
szeretnék 12v-os autó akku-ról (30-50a) ~230v (min.1a-t) lényegében ha egy 230-12v-os adapter 12v-os részére 12v ~-ot rakunk, a másik oldalon kijön ~230v. Eddig nem is problematika, csak 12v- ból hogy csináljak váltó áramot (50-60 hz)? (a trafó már kész, kibeleztem csak váltó áram kéne!!!) az ilyen ic-k hez, meg ilyenekhez nem nagyon értek, és ha mégis csak ilyennel tudtok megoldást, akkor légyszi, leírást is küldj!!!
Ahogy nézem abból a trafóból te nem nagyon fogsz a 230V-os oldalon 1A-t kiszedni... Látszatra ez valami dugasztáp volt. Ez az írásod alapján 12V/400mA-t tudott. Ha visszaszámolod akkor max. 21 mA fog kijönni a 230V-os oldalon. Másrészről az alapvető inverterek középmegcsapolásos trafókat alkalmaznak. Ez pedig nem olyan. Tudom, hogy ez nem valami építő jellegű hozzászólás, de te az alapokkal sem vagy tisztában... Így pedig elég veszélyes lesz a primer oldalon állni, ha érted miről beszélek :no: Egyébként pedig Google: inverter
Hello!
Nekem egy kisteljesítményű inverterre lenne szükségem, ami 12v-nyi egyenfeszültségből csinál nekem 9v váltót Nem kell neki nagy áramerősséget előállítani. 600mA elég.
A legegyszerűbb szerintem: TDA 2003-as végfok a bemenetre olyan jelalakú generátort kötsz, amilyen kimenő jel kell (színusz, négyszög stb). A hangerőszabályzóval beállítod a kimeneti feszt.
Hello!
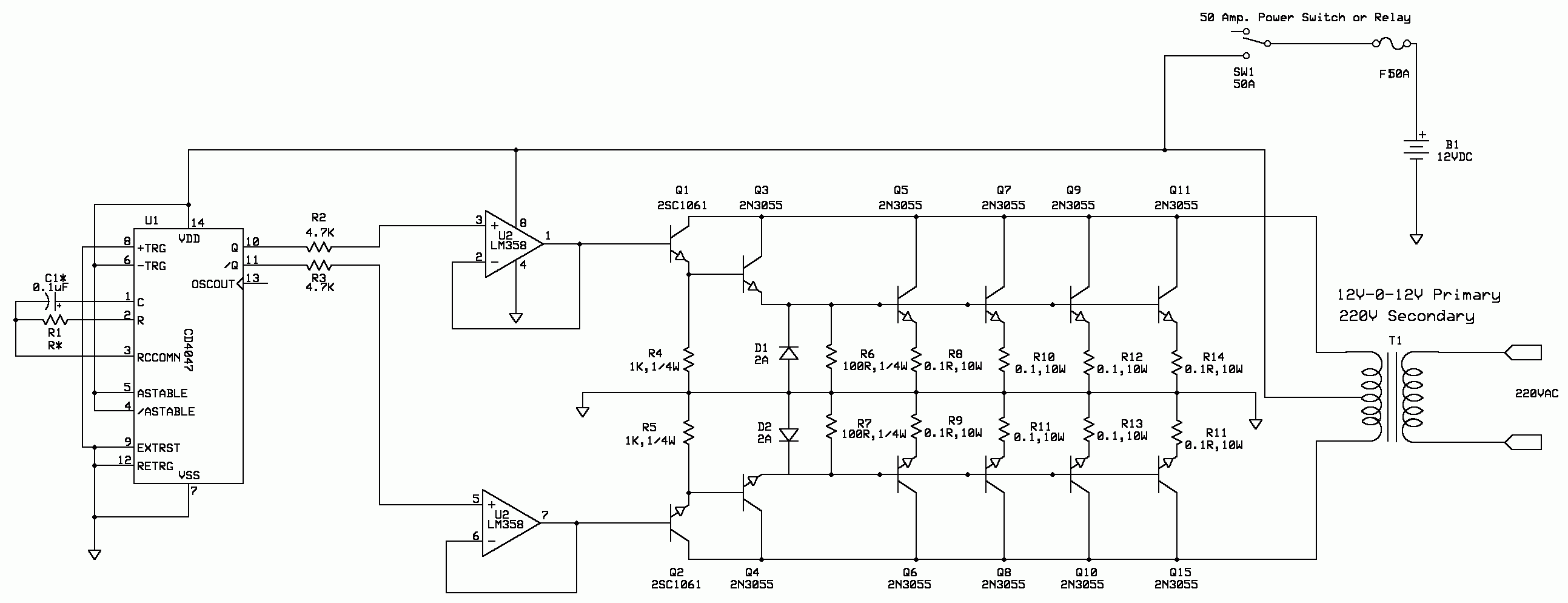
Megépítettem ezt a kapcsolást! Nem működik, a trafó 2x12 V-os de ha ellenállást mérek akkor kb.1-2 ohm eltérés van a két oldal közt, kicseréltem a trafót egy 220/1x24 V -ra (csak ilyet találtam)ekkor kb 60 V-ot ad le! (csak egy oldalra volt kötve) Bármilyen trafót kötök rá minden esetben zúg a trafó de nincs megfelelő teljesítmény! A trafóval lehet a baj?
1 primerű, illetve szekunderű trafóval nem is fog menni.
Mindenképpen dupla kell. Amikor 2x12V-ost használtál, lehet mindegyik tekercs egy irányban volt bekötve. Mindenképpen ellentétesen kell bekötni. Természetesen az ilyen fontos dolgokat nem jelölik a rajzon.
Ha megcserélem a 2 primer kört semmi változás!
A multiméter 17 V-ot mutat viszont ha megfogom a 2 vezetéket megráz, de egy izzó még csak nem is izzik tőle (gondolom a frekvencia miatt mutat keveset a multiméter) viszont lehet azért nem működik mert csak egy akkumlátoros gép akksiáról (2Ah) próbálom "hajtani"?
Szia!
1-2 ohm különbség nem számít,ugyanis egymás tetejére van tekerve a 2db 12v-os tekercs,ezért van néhány méter különbség a tekercsek hossza közt. Két dologra gondolok,az egyik,hogy nem jól kötötted be a trafót,a másik pedig hogy nem jó frekin működik az inverter.Természetesen 50Hz-nek kell lennie. A trafó búgása természetes is lehet,attól függ hogy mennyire lazán készítették a tekercselést,illetve a vasmag is mozoghat ha nincs rendesen összeszorítva.
Hello!
A kapcsolást már átnéztem egy párszor, de nem látok hibát! Amikor lehúzom az akksiról a vezetéket akkor mindig megugrik a feszültség, mert rákötöttem a kimenetre egy glimm lámpát és ekkor mindig felvillan! És nem olyan hangon búg a trafó mint 50 Hz-en szokott!
Szkóppal vagy a multi frekimérőjével mérd meg az IC kimenetén levő jeleket, hogy megvan e az 50Hz.
Az természetes, hogy nem úgy búg a trafó, mert nem szinusz jelet, hanem négyszöget kap. 2*12 V-os helyett meg legalább 2*9 voltosat kellene használni. Egyáltalán mekkora az a trafó? 2x2x3 cm, vagy még kisebb?
![]() Akkoránál lehet Ohm-os eltérés a 12 V-os tekercsek között. Akkora teljesítményűnél, ami ehhez az inverterhez kellene, multiméterrel nem tudod megmérni a 12 V-os tekercsek ellenállását. 50 A-es biztihez. !!! Egy oldalra kötve meg nem működhet, mert az egyenáramtól telítődik a vasmag. Ahhoz másfajta meghajtó áramkör kellene.
6x5x3cm megpróbálok majd másik trafót szerezni!
Nem egy oldalra van kötve a két tekercs!
Függvény generátorral kapcsolgattam 50Hz-es szinusz hullámba az akksit, akkor már a glimm folyamatosan világított de hamarosan megdöglött az inverter, gondolom az IC adta meg magát!
![]() Nem értem az 50 A biztis dolgot!!! Sorry
Hova kötötted a függvénygenerátor jelét? Nincs is helye, hiszen a két LM 358 külön ellenütemű jelet kap. Az inverter négyszögjelűre készült, hiszen astabil multivibrátor (CD4047) nem fog neked szinuszjelet adni.
Egyáltalán mit szeretnél?
Nincs helye, az akkumlátort kapcsolgattam rá egy tranzisztorral mert mikor levettem a vezetéket az akksiról akkor mindig rúgott egy nagyot a kimenő fesz!És kíváncsiságból megpróbáltam kapcsolgatni rá a feszt!
Kicserélem benne az IC-t, ezek szerint a trafó nem jó azért nem működik rendesen? Csak azt szeretném hogy a bemenetre rákössem az akksit és a kimeneten kijöjjön 230V,nem akarom függvénygenerátorral vezérelni, ne érts félre!
Egy schottky dióda a 12v-os ágon megvédi a 4047-et a trafó visszarúgásától !
|
Bejelentkezés
Hirdetés |













