Fórum témák
» Több friss téma |
Fórum » Csöves erősítő készítése
Ne feledd betartani a fórum viselkedési szabályait, és a topik megmaradásának feltételeit. [link]
A téma átmenetileg fagyasztva lett, hozzászólni nem tudsz!
Pontosítok:
6p3s-t hétvégén újra lebontottam ( ) Triódás hanghoz képest már nem volt elég jó, most az eleje megint SRPP, de 0,7mA es 6n9s, aztán az 500nF os csatoló után 100k rácslevezetőt kapott a 6p3s, a tápon csökkentettem, az első graetz utáni 47mikro (+47nF stiro) után 2x100Ohm, az egyik a negatívban a másik a +tápban (soronan 200Ohm, de a hálózati földfelöl zavarokat leszedi az alsó 100Ohm, azaz az első kondi negatív az 7V al felette van a földnek...) aztán a 470 mikro és innét 4mm2 es mazzaggal az 1mikro orosz segédrácskondi aztán 4mm2 en át a földsínre (2cm nyák) (tehát a segédrács 1 mikro fémezett papír negatív fele a tápkondihoz legközelebb van, közelebb mint a végcső Rk Ck tag negatív lába) a végfokcső felől bekötve a föld aztán a földsín srpp (bemenet) felöli vége van csillagpontra földelve.A csillagpont a toroidot lefogó csavaron egy nyák darab amire a fűtésközepelések is fel vannak forrasztva. Már csak az RCA poti első rács dolog földhurok, és zavarmentessége van vissza. Most ahol (az srpp rácslevezető alja, ahol a földsín a csillagpontra van kötve 4mm2 es mazzaggal: nevezzük ezt "krumplinak") oda van az árnyékolt mazzag árnyék beforrasztva és a poti középlábára csak a melegpont megy(illetve jön...de ez magyartalan fogalmazás csak) , a poti hideg (alsó) lába a "krumpli"-rakülön mazzaggal kötve, de a poti két (sztereo jobb bal) lábai össze vannak itt kötve. A potira az RCA tól most úgy megy a jel, hogy a szigetelten szerelt RCA-k hidegpontja a csillagpontra 2mm2 es mazzaggal (nem a "krumplira", a csillagpontra a toroid közepén nyák...) és az RCA-k hideg felén be van kötve az árnyék a poti felső lábára csak a meleg és itt nincs árnyékoló fólia beforrasztva.
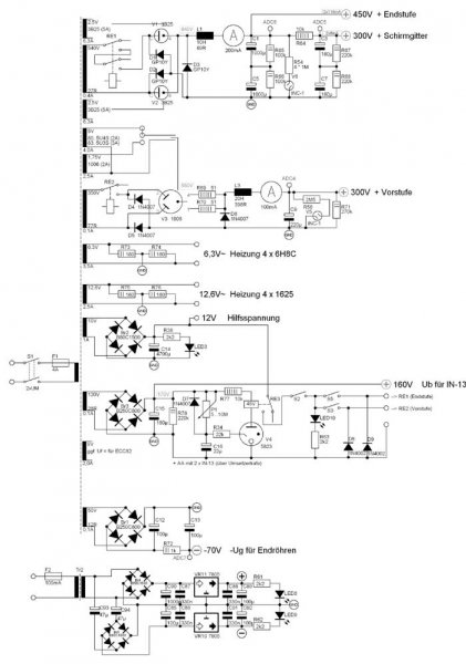
Csak pár kép
Ez a lépcsős elrendezés nagyon ötletes megoldás. A kivitelezése egyszerű, mégis esztétikus. Csak így tovább.
Nem én csináltam csak őtlet egy forúmtagnak
Úraim szerenék nektek felajánlani egy vasmagot ha tetszik űzenjetek
Sziasztok, Rendeltem egy crossovert egy Román oldalról (én is Romániában élek), és miután le jött a cucc akkor utána kaptam egy e-mailt, hogy vásároljak tőlük hangfalt is, és ott azon az oldalon rá leltem egy gyönyörű gépre, mégpedig egy Magnat RV2-es lámpás erősítőre, 2x50W-os az erősitö, és bitang nagy ára van, kb 800.000 forint volna. Egy szóval egy ilyen lámpás erősítőt jobb meg építeni házilag mint meg venni gyárilag, mert rá megy a gatyánk is, de azért kíváncsi volnék a hangjára, hogy egy ilyen drága erősítő hogy is szól. A képek alatt van egy Manual PDF-nevezetű link ott van le írás az erősítő paramétereiről is. Kíváncsi vagyok a véleményetekre.
Bővebben: Link Itt van a leirás is.Bővebben: Link
Engem is érdekelne!
Én ennek a kistesóját hallottam 3 éve és akkor nagyon tetszett!
A fűtést meglehet oldani azzal hogy van egy működő PC tápom(használaton kívüli) és avval?
KT88 PP nek tűnik, és mintha sima ecc83 ak hajtanák, azok a piros kondik wima mkp10 ek lehetnek . szóval egy standard PP erősítő, de gyönyörű szép, épp nem giccsesen csillivilli, de már a maximum látvány. Nagyon szép.
A hangminőség terén a mostani 6pp3s se-m mellé merném tenni. Csak az 5W 50W az nagyon nem mindegy. Lehet nekem is egy PP-t kellene építeni legközelebb.
A fűtést egy egyszerű 18V-os trafóval megoldod (PCL85 estén), feleslegesen ne bonyolítsd!
De ezt nézd, mit találtam Neked, erre licitálhatsz, és a 230V-ot egyenirányítva kapsz 325V-ot, amit ellenállásokkal, fojtótrafóval leejthetsz a megfelelő anódfeszültségre. A 24V-os tekercsre meg mehet a cső fűtése egy ellenálláson keresztül.
Érdekes az elején SRPP 2k2 vel...és alul (1k5+390Ohm)
Lehet alul nekem sem 2k2 és 220 Ohm kellene hanem így:ANN és az SRPP után még egy párhuzamos katódkövető, lehet így kellene meghajtanom e88cc vel 2 párhuzamos 6sz19p-t, vagy 4-4 db ot?
Ezt adjátok össze
Újra van SE erősítőm. Igaz csak egy deszkamodell, trafók tesztelésére. 6550 SE 6E5P-vel meghajtva. Tetróda hajt tetródát.
Ez nem lesz (lehet ) rossz , nincs "felesleges" cső benne , szerintem ez nagy előny .
Hangja mennyire tetszik és mekkora teljesítményt kaptál ?
Szia !
Igazán túl sok mérést nem csináltam annyit néztem meg, szkóppal hogy nem gerjed-e. Ill, volt valami furcsa gerjedés, ha a hangerő potit teljesen letekertem akkor koppant egy hatalmasat, erre nem jöttem rá. hogy mi okozza. Azt a megoldást találtam, hogy a vezérlő rácsra (6e5p) egy 1k-s ellenállással megy a jel. 400 V-os tápról megy Ra= 5,2 k UL 70 mA nyug áram. Teljesítmény azt nem mérem meg de úgy saccra szól akkorát mint az EL84 PP talán nagyobbat is tehát 10W biztos van. Hangra nem rossz olyan van mint az EL84 PP, pedig csak mindenféle ruszki ellenállásokból van összedobva, azon még gondolkodom, hogy csináljak-e belőle csili-vili apmot. Utálok doboz csinálni
Jól mutatnak ezek a 6550-ek
Jónak tartom én is a "kétcsöves felállásokat". (A japán mesterek is erre esküsznek...) A 6E5P sok lehetőséget kínál nagyobb csövek meghajtására, szeretem a hangját. Amennyiben elég nagy a bemenőjeled megpróbálhatnád triódába kötve is, nekem úgy jobban tetszett. A füleserősítőben nálam is produkált a poti teljesen kitekert állásában jeltorzulást a soros 1kohmos ellenállás nélkül. Úgy látszik erre szüksége van ...
Szívemből szóltál
Haladtam kicsit, becsavaroztam a trafókat a 760-as dobozába. Baloldalt a két 120 W-os hálótrafó (az egyik kicsivel erősebb, de a feszültségek egyformák (várható terheléssel is)), a 6P3C-E-k mögött a két TK 157, az előfesz trafója alul van, az nem látszik.
A jó hangú kapcsolásom.
A satirozott VR az nálam Vishay ellenállás. A végén csak azért is betettem a G1 ellenállásokat mindenhová.
Megcsináltam a 150V-os stabilizátort a 6KD6 -jaim Ug2-jére és szerencsére így már sokat javult a helyzet a kezdethez képest. Szerintetek mekkora anódáramot állítsak be? Jelenleg csövenként 50mA van beállítva, -36V előfesszel, de eléggé torzít a végfok. Kis hangerőn minden rendben van vele, de feltekerve tortyog. Mit tudnék még csinálni vele hogy végre jó legyen? Van ötlete valakinek?
Szép! Kicsit talán zsúfoltan vannak a trafók. Nem lesz ebből baj?
Bízom benne hogy jó lesz így, bár a kimenők miatt kicsit aggódok én is (mert csak két cm-re vannak a vasak "futóra" egymás mellett). A hálózatikkal nem hiszem, hogy gond lenne (remélem a csövetet nem szórja meg (nem szórós fajták). A baloldali kimenőt még 5 cm-rel el tudom mozdítani, ha kell. Jobb lett volna elforgatva a kimenőket is, a hálózatikat is (ha gondom lesz, legvégső esetben úgy lesznek), csak így a legkönnyebb szerelni rajtuk. A hálótrafók mellé be tudok tenni egy vastag lágyvas lemezt is esetleg.
Sziasztok! Magnovál foglalata van valakinek? Kellene nekem legalább négy darab. Ha van akkor vagy itt, vagy priviben írjatok. Köszi.
Az EL84PP dobozolásában egy kissé előbbre léptem, kép mellékelve. Remélem tetszik az itt lakóknak
Hogy milyen figyelmetlen vagyok.
Végig azt hittem, hogy PP-ről van szó. Azért irtam, hogy rángatodzik nagyon a G2 áramfelvétele a kivezérlés függvényébe. A Vishayok engem leszivattak, mert a 0.6W-os 10k-ás kétszer is megnyúlt. Vadul kerestem az okát, mitől halkabb az egyik oldal. Aztán utána néztem: A csodás paraméterek között van egy gyenge az impulzus türés. Egyébbként nagyon szupi
Szerezz egy régi csöves rádiót, abban találsz megfelelő hálózatit és talán csöveket, foglalatot is. Kezdésnek, ismerkedésnek tökéletes. Keresd meg Jandark-ot, neki vannak ilyen dolgai, és lehet vele üzletelni, rendes figura.
Idézet: „Egy kezdő számára elég nehézkes út vezet egy csöves építéséig pénz és megfelelő ismerősök nélkül.” Ez azért nem igaz, tranzisztoros erősítőhöz is kell trafó, és a cső nem feltétlenül drágább némely tranyónál, ismerősöknek meg itt van ez a remek topic.
Felteszem a PL82 PP majdnem végleges kapcsolását. Láthatjátok hogy a meghajtó cső változott. Minden észrevételt szívesen fogadok.
Az ECC88 és a PCC88 között van valami különbség (a fűtőfeszt nem számítva)?
|
Bejelentkezés
Hirdetés |


) Triódás hanghoz képest már nem volt elég jó, most az eleje megint SRPP, de 0,7mA es 6n9s, aztán az 500nF os csatoló után 100k rácslevezetőt kapott a 6p3s, a tápon csökkentettem, az első graetz utáni 47mikro (+47nF stiro) után 2x100Ohm, az egyik a negatívban a másik a +tápban (soronan 200Ohm, de a hálózati földfelöl zavarokat leszedi az alsó 100Ohm, azaz az első kondi negatív az 7V al felette van a földnek...) aztán a 470 mikro és innét 4mm2 es mazzaggal az 1mikro orosz segédrácskondi aztán 4mm2 en át a földsínre (2cm nyák) (tehát a segédrács 1 mikro fémezett papír negatív fele a tápkondihoz legközelebb van, közelebb mint a végcső Rk Ck tag negatív lába) a végfokcső felől bekötve a föld aztán a földsín srpp (bemenet) felöli vége van csillagpontra földelve.











