Fórum témák
» Több friss téma |
Na végre haladunk már...
De nem egészen így van, hogy nem értek hozzá, csak Én gyakorlatias vagyok, készítettem már ill. rajzoltam is Nyákot meg be is ültettem a rajz alapján és működik is... :yes: De nem értek a számítgatáshoz meg hogy mit miért és hová kell rakni... ![]() A Napelem méreteiből indultam ki, mert nem akarok nagyot venni rá, mert csúnya lenne és a már nem tudom melyiket is néztem ki, csak annyit tudok, hogy 12 V-ot-os töltésre alkalmas azt írják, de ha megtalálom be Linkelem megint, csak itt úgy kell sietni ezzel a szerkesztés idő korláttal, hogy ne kelljen újabb hozzászólást írnom...
Köszi
Erre gondoltál? A másik esetben meg gyakorlatilag a C1-el párhuzamosan az 5k6 ellenállást?
Ááááá, na végre ezt az oldalt, azaz Linket kerestem már az előző-hozzászólásomban, azaz kérdésemben, de nem találtam meg, olyan nehéz itt nálatok visszakeresnem a saját hozzászólásokat vagy nem tudom, mit csinálok rosszul, de ha csak a Nickre klickelek nem jön be semmi írásom, na mindegy...
![]() Szóval, ezt amit már írtam is előzőleg valahol... " a 9V-os Akkuját egy max. 8cm X 10cm-es SOLAR napelemmel szeretném tölteni napközben, hogy ne keljen minden másnap feltöltenem az akkut." Hát, amit mértem a feltöltött max. Feszültséget az 9,6V volt, mert minden alkalommal megmérem, miután az akksi töltővel feltöltöttem. Az idejét nem tudom, de min. 12h-ig van a töltőben, mivel este beteszem azt és csak reggel veszem ki belőle, így kb. min. ennyi ideig benne van a töltőben, de rá is van írva, ezt is már azt hiszem írtam valahol... ?
Hali
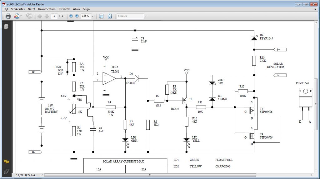
Kb igy. A lekapcsolas a poti kozepallasanal kb14.2 V, a visszakapcsolas kb12.5v. A kondit a poti csuszkara lehet akasztani. Csa Vili
Áááá Köszike a válaszodat
Ez viszont már sok lenne akkor, ha vennék hozzá egy 500mAh-ás Akkut hozzá és azzal használnám valamint ha igen mit kell a napelem és a készülék közé tennem, hogy jól müködjön... ?
A linken szereplő Sh... solarmodulból legalább 2, de inkább 3 db kellene. A napelem és az akku közé kell 1 db dióda. Lítium akku esetén célszerű, ha a töltést az eredeti töltő felügyeli. Biztonságosabb és lényegesen megnöveli az akku élettartamát (esetleg a tied is
).Én inkább ezt ajánlanám: 12V 5W napelem
Üdv... :integet2:
Hát, köszi a válaszodat most olvasom vissza a hozzászólásodat vagy is akadtam bele, mert épp keresem az egyik segítséget adó Linket... ![]() Vagy is inkább a segítő készségedet, de azt hittem, hogy azzal a kisebb méretű solar elemmel is fel tudom tölteni, mivel méret ügyileg, nekem az a méret lett volna jó... Amúgy keresgéltem is az egyik fórumozó társ hozzászólását és a belinkelt IC töltés szabályzó rajzot és alkatrész beültetést, amit azt hittem, hogy jó is lenne, de sajnos azt a "MAX IC 639" számozású IC-t, Én nem találtam sem a Conrad sem a Hestornál ilyen alkatrészt… ? Így sajnos azt sem tudom egyelőre elkészíteni, de egy helyről szeretném megvenni az alkatrészeket is, hogy ne kelljen hatszor postaköltséget fizetnem érte, mivel nem sok alkatrészről van szó… De nálunk ami bolt van ott nem tudják vagy nem akarják beszerezni, mivel utána kellene járniuk és nekik meg van a "beszállítójuk" hivatkozva elhajtják és ennyivel letudják a hozzám hasonló amatőrt, sajnos ez van, ha nem veszem meg a boltot, akkor nem vagy érdekelve a legtöbb kereskedő számára… Bassus kulcs nem találom azt a hozzászólást, és LINKET, amit keresek a 12V-os napelem IC vezérelt töltésszabályzóról...
Ez egy kapcsolóüzemű feszültségcsökkentő áramkör. Ezerféle IC-vel kivitelezhető. Nézz körül itt a fórumon az 555 IC-s kapcsolásoknál, esetleg keress rá 723-as kapcsolásokra. A példaként hozott Max... IC-s töltésszabályzó NEM 12 V-os akkuhoz készült. 1-5 db NiCd akku töltéséhez, ami legfeljebb 7,5-8 V töltőfeszültséget igényel.
12 V-os akku töltéséhez első lépcsőben semmi más nem kell ehhez a napelemhez, mint 1 db dióda. Ha olyan erősen sütne a nap és napokig rajtahagynád az akkut, akkor kell túltöltéskorlátozó, amit szerintem ez a kapcsolás nem tud. De ahhoz is bőven elég egy Zeneres áteresztő stabilizátor, vagy ha nagyon pontosat akarsz, akkor Zener helyett Tl431-gyel. A MAX639-es IC-t nem szívesen kötném rá 12 V napelemre, az adatlapja szerint 4-11,5V között használható.
Üdv...
Szóval akkor, ha jól értelmezem és megveszem azt a 12V-os 85mAh-ás napelemet, amit kinéztem és azzal a 9V-os akkut, ami a készülékben hagyva folyamatos használat mellett hagyva, elég akkor egy Zener Dióda a napelem és a 9V akksi közé biggyesztve... ? :miaz:
Az előbb még 12 V-os töltésszabályzóról volt szó.
Visszanéztem a hozzászólásaidat. Eszerint neked 2 cellából álló 7,2 V-os Li-ion akku töltéséhez kell szabályzó. A Li-ion akkuk töltésére vonatkozó előírások szerint az akku töltésének felső határa 8,2 V, lehetőleg 50 mV-os pontossággal. Ezen a feszültségen a töltőnek ki kell kapcsolnia. Ehhez itt találsz töltőt: Li-ionakkutöltő 7,4Vra A kész töltő elé már nyugodtan elékötheted a napelemed.
Sajnos fonalat vesztettem.
![]() Most már végkép nem tudom, hogy mit és melyiket és miért azt vagy amaz lenne jó... ![]() Az IC-n kívül a feli alkatrészt meg már megvettem... Na, akkor most melyik lenne jó nekem a 9V-os akksi töltésére...? IC-t milyennel tudnám helyettesíteni, ha még is ezt akarom megépíteni… :nemtudom:
Mi lenne, ha odafigyelnél picit arra, amit írunk.
Az akkud 7,2 V-os. A feltálalt oldalon találsz hozzávaló töltőt, amit korábban mutattál, erre nem alkalmas. Hogy azt a kapcsolást milyen IC-vel lehetne erre alkalmassá tenni? Nem tudom. Nem ártana, ha átolvasnád a Li-ion akkuk töltésével foglalkozó összes fórumot, mert ennek az akkunak a töltése nem olyan egyszerű, mint pl. a savasé. Pontosabb, jól megtervezett töltőt kíván. Nem ok nélkül írják oda, hogy "használja a ... gyártó ehhez az akkuhoz készített töltőjét!".MAX639
Köszönöm, de már ezeket Én is láttam, de mivel nem értek hozzá, így nekem nem sok mindent jelentenek az ottani adatok, max. a feszültséget értem, hogy 4 V-nál bekapcsol 11,5 nél ki kapcsol.
De nekem az általam belinkelt töltő vezérlőt itt a fórumon ajánlotta valaki, de nem találom a hozzászólást... :bummafejbe: Végűl is nekem a 9V akku töltését egy folyamatosan töltő napelemmel akartam megoldani, azaz a nappali napos időszakban, de ugy látom, hogy ezt Én nem fogom itt megoldani, mert míg Ti profin magyaráztok, addig Én csak amatőr maradok és úgy sem fogom megérteni, hogy mit miért és hogy mivel melyiket... :szomoru1: IC-t milyen IC -vel helyettesíthetem az általam belinkelt kép esetében a MAX 639 helyett, ha valaki tudna válaszolni, azt még megköszönöm…
Esetedben nem az a lényeg, hogy napelemről töltesz, hanem hogy mit. !!!
A MAX639 IC maximális bemenő feszültsége az adatlap szerint 11,5 V. A 12 V-os napelem feszültsége a napsütés energiája és a leterheltség függvényében akár 17 V-ra is felmehet, ami halálos az adott IC-re.
Ez kell neked: LT1510-Conrad
Bemenet 11-28 V között, 2 db 4,2 V végfeszültségű cella töltésére alkalmas. Kimondottan LiIon akku töltésére készült.
Egyébként egész jó árképzése van a ...-nak.
3 $ = 10 Euro.
Ismételten Köszönöm a segítséged, lenne olyan kérdésem a rajzhoz, hogy a Bemenet rész jelzi ugye a napelem bekötési helyét, de hová kell közbe iktatnom a 9V-os akkut...
Ahol a 4,2V jelölés van 2x feltüntetve... A másik kérdésem, hogy hová kerül bekötésre a készülék, amit működtetek a 9V-os akkuról… ? Az "Out C 22µF kondi" jelölésnél a „TANT” nem tudom mit jelöl... A kondi jelölésnél is csak negatív jelölést látok az „Out C 22uF” -nél kérdem... ![]() Szerk. Most látom, van egy IN jelölés is, na de ide miért nem OUT van írva, nem értem... ?
Igen, köszönöm, és talán ez másoknak is jól jöhet...
A működtetett készüléket az akku lábaira kell kötni. Ha 9 V-os elemről és a 7,...V-os akkuról is hiba nélkül működik, akkor a 8,4 V-os töltőfeszültségen sem fog tönkremenni. A napelemet a "11V to 28V" jelölésre kell kötni.
"ami meg a rendelés szám alatt szerepel a 177377 az nem rendelhető, valamint a az IC láb kiosztás és az IC típusjelzése sem egyezik meg az LT1510 -es IC jelzésével... " Ne tévelyegjél! A Conrad berakott néhány képet illusztrációnak. Minden lineáris IC-nél ezeket a képeket mutatja. Arról meg még nem hallottál, hogy ugyanaz az IC különböző tokban és lábszámmal? LT1510 az SOS elektronic -nál is kapható, de árat csak rákérdezésre adnak meg. A ChipCAD-nél a Microchip több, mint 100-féle LiIon akkutöltő IC-je kapható 111-4300.-Ft között, csak ki kellene keresni a számodra alkalmas változatot. Tápellátással kapcsolatos áramkörök > LiIon töltők De mindent mi végezzünk helyetted?
Kétcellás töltőáramkör Microchip IC-vel:
Példaáramkör Adatlap Paraméterek a rajzon: Bemenő feszültségtartomány 4-16 V. Max. bemenő 18 V. Ezt 12 V-os napelemnél könnyű betartani. Legfeljebb beteszünk elé 1 párhuzamos stabilizátort. Bár a leírás szerint van bemeneti túlfeszültség elleni védelme. Töltőfeszültség 2 cella esetén 8,2; 8,4; 8,7 vagy 8,8 Vra állítható. Töltőáram 130 mA-1100 mA között programozható. Mindezt tudja 1 db 3x3 mm méretű lapocska. 390.-Ft-ért. !!!
Maximális tiszteletem a türelmes erbe-nek
![]() Én cinikusabb vagyok: "Ahol a 4,2V jelölés van 2x feltüntetve... " Mert 2 darab sorba kötött Li-Ion akkut tud tölteni, ahogy a rajz is mutatja. Azaz nem egyet és nem hármat és nem párhuzamosan kötve. "A másik kérdésem, hogy hová kerül bekötésre a készülék, amit működtetek a 9V-os akkuról… ?" Más tészta. Az akku töltés azt jelenti, hogy töltöd az akkut (vagy akkukat) egy töltővel. Az akku töltés ÉS fogyasztó táplálás más történet. Lásd például UPS (Uninterrupted Power Supply=szünetmentes táp ellátás) irodalom. Sokféle verzió-típus létezik. Van olyan IC (direkt nem keresem most elő), amelyik két bemenettel és akár két kimenettel IS rendelkezik, tehát pl napelemmel ÉS/VAGY USB-vel vagy külső táppal képes akkut tölteni ÉS kiadni stabilizált tápfeszültséget. "Az "Out C 22µF kondi" jelölésnél a „TANT” nem tudom mit jelöl... " Tantál kondenzátor. Nem fémréteg, nem fólia, hanem tantál alapú technológiával készült elektrolit kondenzátor. Kis térfogat, nagy kapacitás, jó tranziens szűrő tulajdonságok, drága ár jellemzi. "A kondi jelölésnél is csak negatív jelölést látok az „Out C 22uF” -nél kérdem... " Bár nem írtad le mit kérdezel, én a Cout 22µF-nál a pozitív jelölést látom, ami az elektrolit kondenzátor pozitív lábát jelenti. A fordított bekötés károsíthatja az alkatrészt. Bár létezik váltófeszültségű kapcsolásoknál szembefordított elkó-s megoldás :yes: "Szerk. Most látom, van egy IN jelölés is, na de ide miért nem OUT van írva, nem értem... ?" Amiért a szád IN és a végbeled OUT. Néha a szád is lehet OUT, de az nem üzemszerű működés (pl. köpködés, gyomorrontás..., a másik verzióba bele sem merek gondolni). Továbbá az IN és OUT nézőpont kérdése: az akku kapcsai IN-ek amikor töltöd és OUT-ok amikor a kocsiba rakod feszültségforrásként. Mindenki úgy született, hogy nem ért dolgokhoz, csak a többség tanul, utánaolvas, manapság google-t használ, adatlapokat olvasgat. Képzeld, nem is rég még nem volt internet... Sebészorvos se lehetsz úgy, hogy fórumon kérdezgeted, mi az a szike, dülmirigy, MR, appendicitis... Szerinted mit szól(na) egy sebész, ha az idejét ilyen kérdésekkel rabolnád? Ez is egy szakma, amiket éveken át tanulnak, ezért nem lehet egy pár soros hozzászólásban elmagyarázni, ha nincsenek minimális alapok. Ennek ellenére segítünk, ha nem az egyszeregyet kérdezed.
Sziasztok
Az előttem szóló kérdését folytatva én is kíváncsi lennék kapcsolás adataira különösen arra hogy,mennyi a maximum bemeneti feszültség !Bővebben: Link
Sziasztok!
Tudnátok valami töltésszabályzó kapcsolási rajzot ajánlani ami elbírna 7,5 A-os napelemet? Előre köszönöm a válaszokat!
A DunaSolar DS-40-es napelem maximumbn kb 50 W és 55 V kimeőket ad le.
Én jelenleg a TS2576-os feszültségszabályzót használom (tudom: 3,3V-os) és ezzekkel a fajta szabályzókkal az a gond, hogy 40V a maximális bemenő feszültség. Gondolom, egy tápegységből kiszerelt egyszerű toroidális tekerccsel tudnám felezni az 50 Volt körüli feszültséget ami kijön a napelemből és utána azt be tudnám vezetni a feszültségszabályzóba. Tervem a következő: - Egy PIC mikrovezérlő gondoskodik a bemenő áram szaggatásáról. Itt örülnék annak, ha valaki megmondaná, milyen frekvencia a leghatékonyabb arra, hogy a tekercsen minimális legyen a veszteség. - Egy (vagy ha megvalósítható, akkor több) tekercs készítése. Ha olcsón megoldható, akkor egy kb 10 A-es tekercs. Ha nem, akkor inkább sok pici 3 A körüli tekercs. Ezek mehetnek egymástól függetlenül, vagy összeköthetők párhuzamosan (feltéve, hogy ez nem okoz valamilyen hibás működést) - Végül pedig valami, mint a LM2676 adna stabil 12V kimenetet. Ez 3A terhelést bír és nem melegszik. Ha lehet, akkor három darabnak kötném össze a kimenetét, hogy kapjak 9A/12V kimenetet. És mindezzel a cél az, hogy olyan elektromos berendezések áramellátását biztosítsa, mint router, swich, stb ami 12V-os tartományban üzemel. Ezenkívül még egy szavas meghajtóakksi is rá lenne kötve, hogy ha nem süt a nap, akkor is legyen áram. Van egy B tervem is: Egy PIC mikrovezérlő és a megfelelő FET vagy tranzisztos segítségével PWM-ben szaggatom az 50V körüli napelem kimenetet, mígy egy elfogadhatóbb tartományt kapok (így tekercsre sem lessz szükség) és azt táplálom be a LM2676-ba. Tudom, hogy egyszerűbb venni egy töltésvezérlőt és van is, mindössze az elektronikai ismereteim hiányait szeretném pótolni azzal, hogy magam oldom meg a gondot. Mindkét felvetésemre kérek kritikát és segítséget. Azt hiszem az utóbbi még olcsóbban is megoldható, bár még soha nem csináltam hasonlót. Egyébként PIC18F97J60-al dolgozom, amin van PWM is és ha jól emlékszem 40 Mhz-es a procija, úgyhogy elég gyorsan tud dolgozni, ha áramot kéne megszakítani. Köszönöm előre is az ötleteket.
Köszi szépen, de ez még egy milliméterrel sem vitt közelebb a probléma megoldásához!
Viszont a Microchip fórumon ezt kaptam: "A switching buck regulator will be easier and much more efficient than using a PIC..." A gond az csak az, hogy nem tudom mi az a buck féle regulator. Magyar elnevezése?
Sziasztok!
Esetleg nincs valakinek egy olyan kapcsolási rajza vagy nyákterve ami 48v os 9 amperes napelemhez és egy 12 v os autóaksihoz jó lenne? Előre is köszönöm a segítséget.
Nincs valakinek egy MPPT töltésvezérlő rajza? Mondjuk, nem bánnám, ha PIC-es lenne. Neten már a szemem gúvad, de nem találok. 12V akkuhoz kellene 18-20V panel feszhez 10A körül.
|
Bejelentkezés
Hirdetés |









Bassus kulcs nem találom azt a hozzászólást, és LINKET, amit keresek a 12V-os napelem IC vezérelt töltésszabályzóról...











