Fórum témák
» Több friss téma |
Fórum » Csöves erősítő készítése
Ne feledd betartani a fórum viselkedési szabályait, és a topik megmaradásának feltételeit. [link]
A téma átmenetileg fagyasztva lett, hozzászólni nem tudsz!
Üdv! Ez az csak 100k a hangerő szabályzó. A kimenetén tv kimenő van.
Nagyon szép lett. Ez az első eset nálam, hogy a varázsszem is tetszik, roppant ötletes az elhelyezése, nem furakszik a dolgos "felnőttek" közé.
Bővebben: Link Volt itt már régebben is hasonló .
Köszi. Ez a 3. csöves erősítőm. /GU50SE, G807Se/ Az új varázsszemek meg voltak, így hát beleépítettem. A többi csövesemben már nem igen lesz.
A hangja tetszik mind a három erősítőnek, nem igen tudok dönteni, hogy melyik szól szebben.
Ebben a beállításban nem sok, 6 K kell neki, párszáz ohmmal még több is lehetne. Ha segédrácsot anódfesz környékén fogom meg, akkor jó neki a 4,5 K is valóban, de alacsonyabb segédrácsfesszel észrevehetően szebben szól szerintem.
Idézet: „A hangja tetszik mind a három erősítőnek, nem igen tudok dönteni, hogy melyik szól szebben.” Az idézet első felével egyet értek de a másodikkal nem , egészen biztos hogy a felsorolt 3 darab csövesnek mind más és más a karaktere , az lehetetlen hogy ne lehetne különbözőségeket felfedezni a hangzásukban .
Hoppáka, tényleg, erre nem is emlékszem, pedig biztos láttam akkoriban, és biztosan tetszett is, mert gyönyörű. :yes:
Nem is azt írta, hogy egyformán szól, hanem hogy mindegyik jól szól. Én is gyakran vagyok úgy, hogy nem tudom melyik jobb különböző karakterű erősítőknél, de nem is kell olyankor rangsorolni, mert nem rosszabb, vagy jobb a kérdés.
Azt TUDOM több forrásból, hogy jobban szól kisebb segédráccsal, de NEM ÉRTEM, hogy miért. Ráadásul a méréseknél is az azonos Ug2 változat jött ki jobbnak
Érdekes egy "állat" ez a TK157, visszacsatolás nélkül nagyon ronda 10 K-t produkál, megnéztem másik két "gyárit" is a saját erősítőjében. Ha csak ellenállással csatolok vissza mindegyik pupos ugyanúgy mint az enyémek (nem pont az elején), csak még be is rezeg a púpon (az enyémek nem, viszont kicsit lassúbbak, ezért kondival nem tudom olyan szépre csinálni, igaz jóval kisebb visszacsatolást használok, mint a 057-es). EL 34-el is, és 6P3SZ-E-vel is egyformán viselkedik. Átalakítottam a fázisfordítót is 6N6P-re 36 K-s munkaelenállásokkal dc csatoltan az előtte lévő fokozathoz, hogy feszesebb legyen a meghajtás. 6N6P fázisfordítóval kapásból jobb is lett 100 K-s munkaellenállásokkal is, a dc csatolás miatt nem vettem észre változást (kivéve, hogy kiszórhattam néhány fölösleges alkatrészt). Mégegyszer neki kell ugranom, mert határozottan úgy tűnik, hogy 100 K-s munkaellenállásokkal volt legjobb hangú a fázisfordító (2,1 mA körül ment, most 5 mA körül megy). Még a segédrácsfeszen is bepróbálozom, mert volt egy 220 V-os állás, ahol mintha szintén jobb hang lett volna, mint most a 270 V-al. Amúgy nagyon jó hangja van, SE-hez mérhető középtartománnyal, de gyönyörű a magasa ás mélye is.
Hali tudna valaki ajánlani egy jó oldalt ahogy jó szobai erősítőket lehet találni esetleg rendelni.
Előre is köszönöm üdv!
Na de ettől sehová nem megy a rezonancia.
A Trafó geometriája, (méret, kivitel ) az alkalmazott anyagok dielektrumos állandója, nem fog változni akkor se ha negativ ellenálással hajkurászod se !!! A púp ( kiemelés, a Q-ja) nagysága . Az igen, de nem a rezonanciája. Nem bántani akarlak, csak rávezetni a végig gondolásra Ha a "púpot a nagyobb csillapitással csökkented, kevésbé lesz zavaró. Ergó: jobban fog szólni, és ez a cél
A "dezájn " tetszik .
Hol tudtad a dobozt ilyen facává varázsoltatni ? A levegöségére is gondolok Munkatemető Gratula
Igazad van rosszul fogalmaztam , rezonancia amplitúdója csökken erőteljesen , sokkal laposabb lehet , lesz .
Poénként a teszthez:
Tegnap ( ma) éjjel egerésztem a Yutobon. A Susan Boyle felvételeinél, egy ócska 2x1Wattos dunaparton talált ( szétszedés nélkül, csak a hangszoró membránját kezeltem, lommal Powermax 60/2 Teac ) rácsodálkoztam az azonos nóta, helyszinen készült felvételek, vagy feltölteesk közti különbségek mennyire átjöttek. Probáld meg az erösitöid minösitéséhez. a letöltések száma is kifejezheti a hallgatóság értékiletét. Ez a Paul Potsnál is érdekes. Az éppen futó két tehetségkutató Tv-és müsorokon is azt halom, hogy egyre rosszabb . Nálam a hardver nem változott. Na ez nem jött össze. márminthogy belinkeleltem ide a Yutub cimeket, mert nem engedte elküldeni Halgasd meg ezekkel Ha érdekel elküldöm priviben, vagy mailben
Ez a doboz az első analóg beltérim doboza./UST8008/
A szellőző nyílások gyáriak. Az elő és a hátlapját csináltam én. Gyárilag festett, újrahasznosított vaslemez. Az előlap uverapiddal van ráragasztva az eredeti előlapra. A kifolyt uverapid lecsiszolva, majd festve. A trafótakaró NYÁK lemezből készítve. Volt vele meló, de megérte. Köszi.
Köszi a választ
![]() Én válasznélkül füleltem, de nem is igazán a segrácsfesz abszolút értéke volt hallható, hanem a segrács anódtól mért potenciálkülönbsége...azaz Ug2-Ua. Legalább 50V az a tuti, 30 V nál már elkezd csikorogni, és az érdekes amikor Ug2 simán fel van kötve tápra akkor megint jó volt. hm...de ez nem biztos, csak úgy emlékszem. (emlékeztetőül 6p3s Ug2 kérdésem) Találtam egy orosz adatlapot 6p3s re és ott 280V os táp mellett a G2 simán fel van kötve.
Sikerült beszereznem, néhány 5p3s-s csövet. Szép formájú katonai célra gyártott 5000 üzemórás csövek ennyit tudok róla, meg a műszaki adatait. A neten forog néhány kapcs. rajz. SE erősítőt építenék belőle, de kellene egy kis segítség. Véleményetek szerint 3,5 komh os kimenő megfelelne hozzá? És mennyi lenne a max tápfesz amit még elbír, illetve hifi célra megfelel? Köszi a válaszokat!
Elsőnek kösd le a trafóról a visszacsatolást. Ha úgy nem csinálja, akkor felcserélted a két kimenetet. Kösd vissza fordítva. A kimenet testelését is kösd át.
5p3s? csere 6p3s-re?
![]() Szerintem vagy elirtad, vagy 5C3S azaz egyencső lehet az...nem? foto?
Áthelyezve ide: Transzformátor információ
Kösz! Kipróbálom.
PP kimenőt bontottam egy AEG 782/a ból megmértem a fesz áttétel négyzete 625
Azaz 8Ohmos hangfal esetén Raa 5k, ez ugye pont jó lenne 6p3s PPnek? A baj csak, hogy nekem 4 Ohmos a "jobbik" hangfalam... azaz Raa2k5 lenne, ez menne PPP ben? Egyáltalán jól mértem? A primer két végére 230VAC (középleágazás levegőben, itt ugye 115VAC lehetett akármelyik boldogabbik vége felé autotrafóként) és a szek en mértem feszt... Valyon ezt a kimenőt simán szét tudom fűzni és összeforgatni légrésesre? ŐŐŐ nem is néztem ez lehet nem is EI hanem M vas...megnézem pill... Csak mert légréssel SE ben jó sok helyen elmenne a 2k5...akár 6sz19p nek akár 6p3s-e, nek is... de 6p3s-e PP ben is elvinné talán, vagy nem?
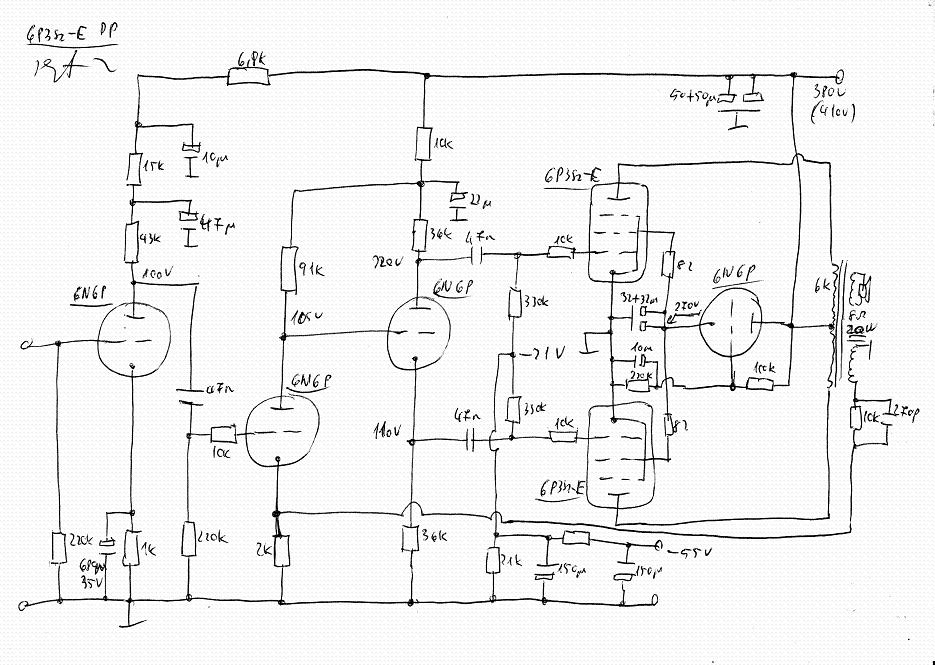
Így néz ki most a PP-m kapcsolása. Értelemszerűen az első fokozat nem feltétlen szükséges (pl. visszacsatolás nélkül semmiképpen nem kell). A fázisfordítóba mehetnek 100 K-s munkaellenállások is, ekkor a katódja 140 V körül lesz, tehát a vele direktcsatolt fokozaton is faragni kell, hogy 133-135 V körül legyen az anódja (kb. 2,4 Kohm-2,7 Kohm katódellenállás, de nem ellenőriztem még). A segédrácsfesz megoldható ellenállással is (Osztóval vagy anélkül. Osztó nélkül kb. 30-36 Kohm/50uF), azonban a jelenlegi megoldás jobb, ide megfelel szinte bármilyen 15 mA körüli cső is, Pl elfkvő EF80 triódának kötve, a feszültség a két elelnállás (100 Kohm/220 Kohm) arányának (értékének) változtatásával állítható a kívánt értékre a segédrácson. A kapcsolást sima 6P3SZ-hez is ajánlom, ugyanígy 270-280 V körüli segédrácsfesszel. A rácselőfesz megoldás miatt feltétlenül válogatott csövek kellenek, vagy csövenként kell beállítani, vagy állíthatóra megcsinálni.
6k Raa...
![]() akkor az én trafóm max 8 Ohmos hangfallal lenne jó. Érdekes, hogy te is pont 6p3s-e PP-t fejlesztesz, ami nekem épp kellene...(ha lenne trafóm)
Kisebb Raa-val is elmegy, ha anódfesz tájékára teszed a segédrácsot, más jellegű lesz a hangja, végülis próbálni kell.
Szia Mester!
Tetszik a kapcsolásod, frankó rendhagyó az Ug2 beállítás Nekem is végre jól megy a 6KD6, a 6E5P meghajtót úgy csináltam meg ahogy mondtad, szkóppal tök jól be tudtam állítani a szimmetriát. Segédrács ellenállásnak most 3k9 van benne és 154V-ot kap fetes-zéneres stabbal, 420V anód mellett, nyugalmi áram 40 mA csövenként. Tisztán kijön belőle az 50W szinusz, 8 Ohm-ra, 60Hz-17 kHz-ig lineáris az átvitele teljes kivezérlésen és szépen is szól. Szerinted lehet még hegyezni rajta? Az előzetes számítások szerint 65W max.-ot is tudhatna elvileg...
Örülök, hogy jól sikerült az erőlködő.
Nem rendhagyó, csak ritka, neked is ezt javasoltam, csak, pentódával. Szerintem az 50 W nagyon tisztességes teljesítmény, nem kéne jobban erőltetni (főleg, ha figyelembe veszem, hogy nemigen van ember, aki füllel különbséget tudna tenni 50 és 65 W között).
Igazából én nem hallottam visítósnak (hangsugárzótól is függ nyílván), a mélye volt "mállósabb", és a közepe "érzelemszegényebb". AZ általam használt beállításban erősen SE felé hajló hangképe van.
|
Bejelentkezés
Hirdetés |












