Fórum témák

» Több friss téma
Fórum » Erősítő mindig és mindig
Mielőtt kérdezel, a következő két dolgot ellenőrizd! I. A helyes tápfeszültségek megléte. II. A kimeneten van-e egyenfeszültség. Élesztés.
Lapozás: OK   662 / 2570
(#) hangszoros válasza janimester hozzászólására (») Dec 12, 2010 /
 
Müködhet a dolog, esetlegesen néhány Led nem fog égni, mert azok se tök egyformák. Én inkább csoprtba szedném mondjuk 10 esével, ennek megfelelő ellenálással
(#) agressiv válasza hangszoros hozzászólására (») Dec 12, 2010 /
 
Csak az a gáz, hogy a simsonban akkor van hat volt, ha egy X teljesítményű izzó van rajta. Terheletlenül lehet akár 100V-is a tekercseken és, ha csak ledd lessz rajta....
(#) didyman válasza agressiv hozzászólására (») Dec 12, 2010 /
 
Ha végtelen a bemeneti ellenállása, akkor hogy tud számítani a csatolókondi értéke? Kezdem úgy érezni, hogy a szakmai hozzáértésed nem kicsit hiányos az alapok területén.
(#) didyman válasza agressiv hozzászólására (») Dec 12, 2010 /
 
"Az biztos, hogy nem a végfokok szedik össze a zajt, mert ha leveszem a vég bemenetéről a műveleti erősítőt és csak lógni hagyom a bemenetet akkor nem tudom úgy megszikráztatni a kislámpát, hogy pattogjon."
Drága kolléga. Ha kiveszi a műveleti erősítőt, mégis mit vár a kapcsolástól, mit csináljon?
(#) agressiv válasza didyman hozzászólására (») Dec 12, 2010 /
 
Éppen az lett volna a lényeg, hogy nem végtelen a bemeneti ellenállása. Látom nem esett lei.
Méghogy az én ismereteim hiányosak, ha valaminek végtelen az ellenállása az szakadás.
(#) didyman válasza agressiv hozzászólására (») Dec 12, 2010 /
 
Ha a brumm földhurok eredménye, azon akármekkora kapacitás sem fog segíteni-a tápkörben...
(#) didyman válasza agressiv hozzászólására (») Dec 12, 2010 /
 
Persze, hogy nem végtelen, 22kOhm, hiszen végig erről beszélünk.
A leesést örülnék, ha hanyagolnád..
(#) agressiv válasza didyman hozzászólására (») Dec 12, 2010 /
 
Ami a bemenetet földre húzza az 22Kohm és utána ott van még az IC ellenállása is...
(#) macera2 válasza janimester hozzászólására (») Dec 12, 2010 /
 
Hi janimester!
Bevallom, hogy régen foglalkoztam LED-ekkel, de akkoriban egy sima LED kb. 1.6 V-nál nyitott ki. A tied valamilyen előtét áramkörrel van összeintegrálva? Kipróbáltad, hogy tényleg 3.6 V a nyitó feszültsége?
(#) Mallar válasza Mayan hozzászólására (») Dec 12, 2010 /
 
Köszi az ötletet, ezesetben két előerősítőt kötök egymás után és lépcsőzetesen erősítem a jelet, ha olyan erősítés szükséges. Nem is gondoltam hogy zajos lesz, pedig nyilvánvaló.
(#) didyman válasza agressiv hozzászólására (») Dec 13, 2010 /
 
Ezt írtad: "ha olyan alacsony az ellenállás mint ezen a TDA-n (22k) akkor hamar elfogy a mély a 470 nanóval". Próbálj meg épkézláb módon fogalmazni.
(#) agressiv válasza didyman hozzászólására (») Dec 13, 2010 /
 
Már a 22k mellett is elég necces az a megoldás, az pedig egyértelmű, hgy az IC-nek is van bemeneti ellenállása ami valószínüleg nem is olyan magas mivel nem véletlenül van földre húzva ilyen alacsony ellenállással.
(#) didyman válasza agressiv hozzászólására (») Dec 13, 2010 /
 
"Már a 22k mellett is elég necces az a megoldás,"
Egy frászt. 15Hz a -3dB-es pont. Mi ezen a necces? Rumplit is át akarsz vinni (igen, pont ezért nem megyünk le DC-ig az átvitellel..), vagy olyan hangfalad/zenéd van, ami 20Hz alatt is hallhatót produkál?

A bemeneti ellenállásnak és a föld felé húzó ellenállásnak mi köze egymáshoz? Műveleti erősítőt nem a bemeneti ellenállása szerint zárunk le. Hogy a konkrét érték mekkora, aról fogalmunk sincs. Ha egy egyszerű FE fokozattal indul, akkor, ott a h11 értéke 50kOhm nagy vonalakban, amit a h21 felszoroz 100-300x-os értékre. Ha áramgenerátorral támogatott differenciálerősítő, akkor rögtön Mohm nagyságrendtől indulunk.
(#) agressiv válasza didyman hozzászólására (») Dec 13, 2010 /
 
Úgy tudom, hogy minél nagyobb a bemeneti ellenállása egy IC-nek annál nagyobb ellenállással szokták földrehúzni a bemenetet, de nem kizárt hogy tévedek.
Abból gondolom azt, hogy bemeneti ellenálása elég alacsony ezeknek a TDA IC-knek mert mint azt már írtam és mutattam is nagyon magas az alsó határfrekvenciájuk a gyári értékek mellett.
(#) didyman válasza agressiv hozzászólására (») Dec 13, 2010 /
 
Lehet, hogy elsiklottam felette, de hol van ábra erről? Én csak valami DAC környékéről láttam beszúrva két, beszédes görbét.
A bemeneti lezárásnak a bias áram (fokozat stabil munkapontja), ofszet áram (fokozat kimenetén 0V kialakulásához szükséges "hibaáram")megoldásában van jelentősége, mely valóban rontja a bemeneti paramétereket, de ennél az IC-nél 100nA nagyságrendű. Viszont, mivel a kimenet felől egy relatív kicsi ellenállás zárja le a másik, neminvertáló bemenetet, így az ofszet minimalizálásához az IC-t muszáj relatív kicsi ellenállással zárni az invertáló bemenetén is.
(#) jenci2007 hozzászólása Dec 13, 2010 /
 
Sziasztok egy kérdésem lenne van egy dvd ből kiszedett 5.1 es vég panelom és kérdésem a végfokjával kapcsolatos 2 db LM1876T vég ic van benne.

ezeket őssze lehetne hidalni ? hogy 2 vég ic egybe szoljon?

Megvan az eredeti trafoja. 65v ot ad le. jah és kb menyi a teljesitménye ilyen trafoval?

kőszi a választ

sűrgős
(#) agressiv válasza didyman hozzászólására (») Dec 13, 2010 /
 
Azok a beszédes görbék a CD lejátszó frekvenciamenetét mutatja. Azt sajnos nemtudom lefényképezni, hogy mennyivel jobb lett a hangja, csak mert lejjebb ment az alsó határfrekvencia.
(#) agressiv hozzászólása Dec 13, 2010 /
 
Érdekelne, hogy van e valakinek tapasztalata a mellékelt erősítővel.

Bővebben: Link
(#) kadarist válasza agressiv hozzászólására (») Dec 13, 2010 /
 
Erről a tápáram-vezérelt erősítőfajtáról már volt szó: Bővebben: Link
(#) janimester válasza didyman hozzászólására (») Dec 13, 2010 /
 
Sziasztok , köszi mindenkinek , összeraktam már nemegy erősítőt meg mindent ,de nem vagyok szakanalfabéta csak egy villanyszerelő , egyébként egy fix akkumlátorról üzemel ami a szimóban van mindentől teljesen függetlenül ,tehát nem kap töltést sem (mert fükasza gyújtás van a gépen). Köszöntem mégegyszer sziasztok.
(#) didyman válasza janimester hozzászólására (») Dec 13, 2010 /
 
Nem is neked írtam.
(#) didyman válasza agressiv hozzászólására (») Dec 13, 2010 /
 
A szubjektív jobb hangot a kondi egyéb erényeinek is köszönhetted, a mély hang átvitele, alsó határfrekvencia objektív dolog. Mindenképpen érdekes volna, ha ezirányban lenne objektív eredmény.
(#) agressiv válasza didyman hozzászólására (») Dec 13, 2010 /
 
Igen a sokkal kellemesebb magasok gondolom azért vanak mert egy 120 éves elkót cseréltem le fóliára, de a mélytartományból nem hiányzik az a kicsi ami mindíg is hiányzott nekem ennél a lejátszónál, az pedig a nagyobb kapacitásnak köszönhető. A mért frekvenciamenet nem elég odbjektív?
(#) agressiv válasza kadarist hozzászólására (») Dec 13, 2010 /
 
Az a baj, hogy ott is csak a működéséről esett szó, de inkább ez érdekelne, hogy milyen a hangja fülre.
A paraméterei jók, de ez nem feltétlenül jelenti azt, hogy kellemes hangja volna.
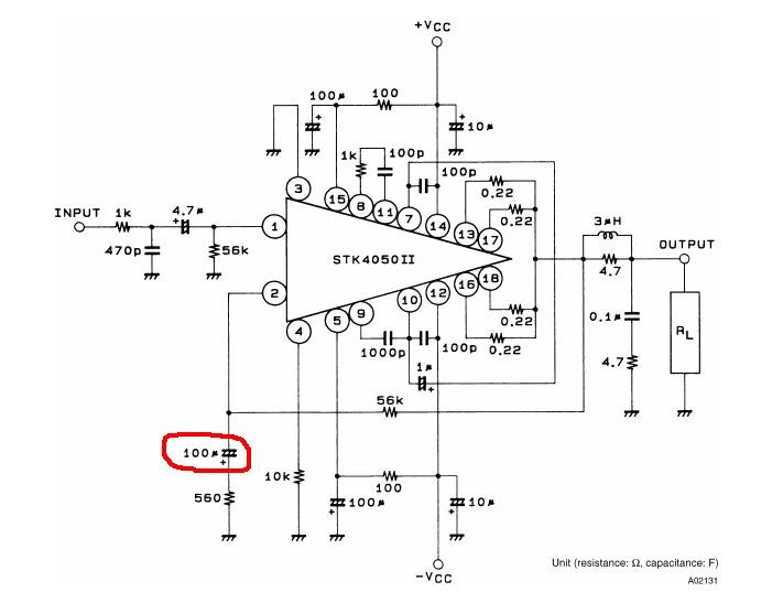
(#) Nagy Tamás hozzászólása Dec 13, 2010 /
 
Szép napot! Elkészült az stk 4050II erősítőm.Minden szép és jó, de ott van a kimeneten 260mV egyen fesz. (rövidre zárt bemenettel) Érdemes ezen rágódni ,vagy ennyivel elmegy?
(#) oibacsi válasza Nagy Tamás hozzászólására (») Dec 13, 2010 /
 
Az nagyon sok, illik 50mV alatt lennie. A visszacsatolásból nem hagytad ki a kondit véletlenül? Legalábbis nálam az lm ic-k kimenő dc-je a tizede lett anno.
(#) Nagy Tamás válasza oibacsi hozzászólására (») Dec 13, 2010 /
 
Benne van minden! A 10es és 7es láb közti 1mikróra gondoltál?
(#) oibacsi válasza Nagy Tamás hozzászólására (») Dec 13, 2010 /
 
Mellékeltem. Bár én oda inkább egy 22µF-os fóliát tennék.

névtelen.JPG
    
(#) Nagy Tamás válasza oibacsi hozzászólására (») Dec 13, 2010 /
 
Az nem lehet gond, hogy a beültetési rajzon fel van cserélve a kondi és az ellenállás sorrendje,és fordítva is lett beforrrasztva. Tehát a testre a kondi megy jelenleg.
(#) Nagy Tamás válasza Nagy Tamás hozzászólására (») Dec 13, 2010 /
 
..Előző hozzászólás első mondata kérdőmondat akart lenni.[OFF]
Következő: »»   662 / 2570
Bejelentkezés

Belépés

Hirdetés
XDT.hu
Az oldalon sütiket használunk a helyes működéshez. Bővebb információt az adatvédelmi szabályzatban olvashatsz. Megértettem