Fórum témák
» Több friss téma |
- Ez a felület kizárólag, az elektronikában kezdők kérdéseinek van fenntartva és nem elfelejtve, hogy hobbielektronika a fórumunk!
- Ami tehát azt jelenti, hogy a nagymama bevásárlását nem itt beszéljük meg, ill. ez nem üzenőfal! - Kerülendő az olyan kérdés, amit egy másik meglévő (több mint 17000 van), témában kellene kitárgyalni! - És végül büntetés terhe mellett kerülendő az MSN és egyéb szleng, a magyar helyesírás mellőzése, beleértve a mondateleji nagybetűket is!
Bocsi a kapcsrajzot papíron kaptam(ma ez már ritka
)És nem működik a scannrem.A rajzot meg még régebben csináltam és nem írtam rá a neveket
Itt vannak.Mikor elkezdtem áttervezni több alkatrész is feleslegessé vált de nem tudom mit hagyhatok ki .Kérlek tervezd át, painttel is jó ha lehúzod ami nem kell.Köszi.
Szijasztok az lenne a kérdésem hogy a TDA7294 s ic-t letudom valahogy mérni hogy jo e vagy sem?
A rajzok nem ugyanazok!És nektek kéne berajzolni painttel mert én nem tudom hogy mit lehet elhagyni.
Sziasztok!
230V AC kapcsolásban láttam az alábbi ellenállás jelölést: R1 180E. Meg tudnátok mondani, mit jelent az E-betű?
Sziasztok!
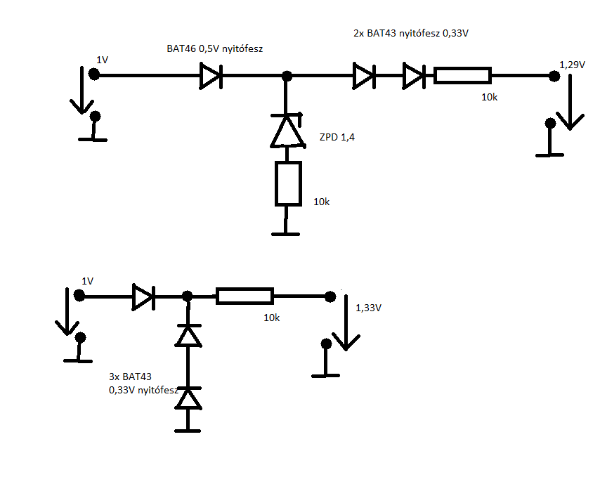
1 voltos feszültséget szeretnék megemelni 1,25V fölé. MAX856 DC-DC konverter (LBI) komparátor bemenetére kötném. A komparátor kimenete open drain-es (LBO), így a DC-DC outputjával sorosan kötött fet gate-jét lehúzná, ha az akku(NiMh) az egészségtelen 1V alatti tartományba merülne. Kérdésem, hogy a csatolt elképzelésem (2 különböző) jó-e? Gyanítom hogy a csak diódás nem működik, de a zeneresben reménykedek
Na de kisebb feszültségből hogyan csinálsz nagyobbat váltakozóáramú átalakítás nélkül?
udv!
Egy szamitogep rtapban talaltam egy kis nyakot amin van par alkatresz 2 tranzisztor es egy termisztor nevu zold kis valami.ebbe a nyakba volt beleforrasztva a hutoventillator kabelei. Es a zold kis termisztor az egyik hutobordara votl rodzitve. En ugy gondoltam h ez egy hokapcsolo szeru valami de kiprobaltam az erositom hutoventillatoran es nem mukodott. hiaba forrosodott fel a hutoborda , nem forgott gyorsabban a ventillator. Mi lehet a gond? Valaki tudna segiteni nekem?
Szia! Kellene néhány kép róla, ha lehetséges. Amúgy ilyenekkel én is babráltam, mikor sok szétszedni való tápom volt. Viszont nem biztos, hogy működni fog a dolog, mert lehetséges, hogy amit kivettél, az csak maga a hőfokfigyelő áramkör, a komparátor rész lehet, hogy a fő nyákon van, egyéb dolgokkal összeoperálva.
Üdv
Szia mindenki!
Nemrég kibányásztam csomó 1985 ös hondából fordulatszám mérőket, ezek tartalmazznak egy bizonyos T2295A nevezetű hoszúkás (ic-t). Kérdésem hogy létezik e hozzá lábkiosztás. Szeretnék vele kísérletezni. Az órának 3 kivezetése van, gondolom egy fix táp mellett impulzusok sokaságát dolgozza fel a mutató folytonos forgatására.Válaszokat tippeket előre köszönöm!
szia!
na itt van nehany kep rola. sajna mar a fopanel nincs meg mert kidobtam. de gondoltam h ez meg hasznomra valhat.
Sziasztok!
Egy kis segítségre lenne szükségem. A helyzet a következő: Van egy fix amplitúdójú szinusz jelem, példa kedvéért legyen 1V-os, ezt szeretném erősíteni (csillapítani) pl: 0,5V és 3V között egy DA konverter 0 - 5V-os egyenfeszültség kimenetével, tehát egy egyenfeszültség vezérelt erősítő kellene nekem. Előre is köszi a segítséget!
Sziasztok megköszönném ha valaki tudna segíteni a fentebb feltett kérdésemre.Ez a baj itt a kezdő kérdésekben már többször tapasztaltam hogyha azonnal nem kapsz választ akkor nem is fogsz
Bővebben: Link
Nem, nem frekvencia-fesz konverter kell nekem! Nekem kapcsolás kellene amivel egy szinuszjel amplitúdóját tudom egyenfeszültséggel változtatni.
Rögtön az ugrott be, hogy készítesz egy ellenállás osztót aminek az egyik tagja egy LDR. Azt meg tudod világítani egy leddel amit a D/A kimenete hajt meg. A led fényerejét be tudod lőni az előtét ellenállással. Ami jó benne, hogy kvázi leválasztott lesz a rendszer.
Frappáns..... esetleg valami jó ötlet még?
Szia
1.: BC182 10k jobb felső 220R nem kell. Az 555 3-as lába a kimenet. A 220R maradhat előtétnek. A 3 lábú led helyett simát teszel és működik. 2.: Mindent meghagysz ugyanúgy csak a ledet cseréled.
Köszi azért kérdeztem mert mjd szeretném megcsinálni smd be és szeretném elkerülni a tranzisztort.Mindjárt próbálok képet csonálni a kapcsrajzról.
-Ja még annyit hogy azt szeretném megoldani hogy a villanások közti időt 3s-től 0.1 s ig lehessen változtatni a felvillanás ideje pedig kb 0.2s legyen. köszi
Köszi.
![]() A vezetősávot átvezetem a led alatt és akkor csak 1 sávot kell majd áthidalni az smd vel
Ugyanezt eljátszhatod egy műveleti erősítővel is, ahol az erősítést beállító ellenállások egyike lesz az LDR. Ha nem akarsz LDR-t használni, megpróbálhatsz egy ellenállással párhuzamosan kötött fet-et is használni aminek a gate-jét vezérled a D/A kimenetével.
Egy feszültség vezérelt poti?
Konkrétan erre gondolok: http://www.analog.com/static/imported-files/data_sheets/SSM2018T.pdf
akkor, diódával nem lehet elemelni a földtől és nagyobb potenciólra hozni?
Szia
Van az 555-ös kapcsolásoknak topic ott szinte már minden kérdés felmerült ezzel kapcsolatban. Van a segédprogramok között egy kis progi amivel tudsz számolni frekvenciát és kitöltési tényezőt. Üdv
Oké.
Sziasztok!
Azt szeretném kérdezni, hogy egy olyan RGB LED elé, amiben benne van a "villogtató" elektronika, hogyan kell áramkorlátozást számítani, hiszen állandóan változik a rajta átfolyó áram. Az adatlap szerint 4.5V - 5V (Typ) - 6V-ot lehet ráküldeni. Akkor csak ennyi? Mondjuk kimértem 3.6V-on (igaz, hogy nem pont ilyent, de nagy különbség nem lehet) és volt olyan pillanat a kék LED legfényesebb állapotánál amikor majdnem 40 mA-t vett fel. Nyilván nem lehet a 20 mA-t megcélozni (bár a boltos ezt mondta), mert valamennyit felvesz a benne rejlő IC, meg a tranyók is, de azért ha van valakinek jártassága a dologban, kérem válaszoljon. Üdv: wallair
naplopo.hu-n néztem a napsugárzási méréseket és egy téli napsütéses napon (mint ma délelőtt) ~4kWh/m2*nap energia érkezik a földre. Azt szeretném kiszámolni, hogy egy kis méretű napelemmel mekkora teljesítményt tudok hasznosítani. A napelem 1,5V kimeneti feszültségű és 430mA max kimeneti áramú (nem találtam hozzá adatlapot(típusa:1sc1 hestore-ról), de ez gondolom inkább az üresjárási feszültsége és rövidzárási árama), teljesítménye 0,45W. A napelem mérete 60x198 [mm], hasznos felületnek 55x195 [mm]-ből számolva 0,0107m2, jelöljül An-el (napelem felülete).
Ez az 1 m2 93,24-ed része, azaz 42,9Wh/An*nap. Ennek a napelem kb 20%-át tudja hasznosítani ami 8,58Wh/An*nap. Itt akadtam meg. Hogyan számoljam ki, hogy ez mekkora áramot jelent?
Sziasztok! Nekem van egy olyan elképzelésem, hogyha egy 555-ös ic-vel 50Hz-en járatok egy vasmagvas trafócskát kb 2A-el, így megközelítőleg 20-25W-ot kapok 220V-on. Ez pont elég a telefonom töltéséhez. Csak ezzel az a baj , hogy ez egyenáram szaggatva... bár szerintem a töltőknek működnie kell, mert egyenárammal működnek a telefontöltők(legalább is az újabbak) ez az elképzelésem működhet?
Hali találtam 100nF-ost!
És 10 000µF ost raktam igen! Szépen kaptam is +-33 Voltot! |
Bejelentkezés
Hirdetés |




)És nem működik a scannrem.A rajzot meg még régebben csináltam és nem írtam rá a neveket













