Fórum témák
» Több friss téma |
Hello
Na próbálkoztam az építéssel, de nem nagyon sikerült. Tudnál benne nekem segíteni, hogy melyik kimenetre milyen feszültséget kellene kötnöm?
Sziasztok!
Kérdésem a következő: Szeretnék egy hőmérőt építeni, ICL7107-tel és LM35-el. Konkrétabban LM35DZ -vel, amivel összesen annyi csak a bajom, hogy az adatlap szerint az csak 0-100°C között mér. Nekem viszont jó lenne ha pár minusz fokot is mérne (külső hőmérséklet: ~ -15°C-ig). Vajon attól hogy ezt írja, tud odáig mérni, vagy megoldható-e nullpont eltolással (LM35-höz egyoldalas táphoz ajánlja)? Sajnos nincs kedvem LM35C-t venni, több mint 1000Ft-ért, annyit nem ér.
Hello!
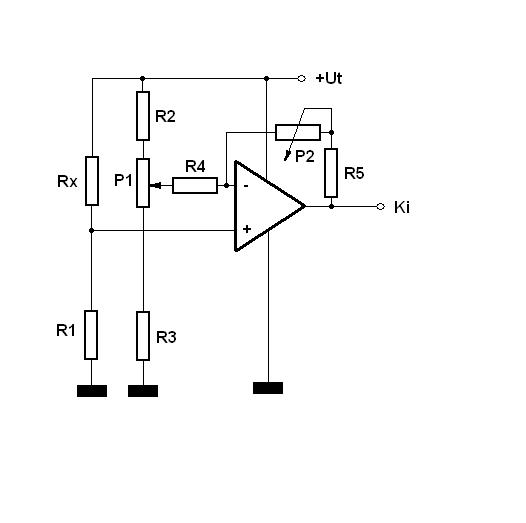
Nos, átrajzoltam a katalógus első alapkapcsolását. A potival beállíthatod, hogy pont 12V-ra jelezzen az utolsó Led. üdv! proli007
Nagyon köszönöm a segítségedet
Sziasztok! Szeretnék építeni egy 2 szegmenses led kijelzős hőmérőt, de nincs rajzom. Aki csinálna nekem egy rajzot , vagy valahonnan kerítene egyet nagyon megköszönném. Ha lehetséges, akkor olyat amin nem kell IC-t "égetni"
Előre is nagyon köszi!
Sziasztok!
ICL 7107 -es IC vel akarok hőmérőt csinálni kéne valami kapcsolási rajz itt már olvasgattam de nem nagyon jöttek be Talán olyat szertnék ami ezzel az IC vel meg+ az LM35 el működne köszönöm előre is a válaszokat!
Hello!
Csak egy mV-mérőt kell készítened, a 7107-ből, mert az LM 35 10mV/°C feszültséget ad ki magából. Adatlapja.. A 7107-hez, pedig külön topik van.. üdv! proli007
A következő problémám van:
Egy hőmérsékletérzékelővel meg szeretnék hajtani egy LED-es kivezérlésmérőt egy tranzisztoros erősítőkapcsoláson keresztül. A kivezérlésmérő része meg van, működik is, csak a hőszenzor erősítő áramkörét nem tudom jól beállítani hogy a jó tartományban adja le a feszültséget. a kivezérlésmérő bemeneti feszültségei: 0,68 V a minimális érték 4,08 V a maximális érték a hőszenzor erősítőkörét úgy kéne beállítani, hogy 19 és 35 celzsius fok között adja le a minimális (0,68 volt) és a maximális feszültséget (4,08 volt). 10,4 K ohm 19 fokon 0,68 V 8,6 K ohm 35 fokon 4,08 V Előre is kösz a segítséget.
A következő problémám van:
Egy hőmérsékletérzékelővel meg szeretnék hajtani egy LED-es kivezérlésmérőt egy tranzisztoros erősítőkapcsoláson keresztül. A kivezérlésmérő része meg van, működik is, csak a hőszenzor erősítő áramkörét nem tudom jól beállítani hogy a jó tartományban adja le a feszültséget. a kivezérlésmérő bemeneti feszültségei: 0,68 V a minimális érték 4,08 V a maximális érték a hőszenzor erősítőkörét úgy kéne beállítani, hogy 19 és 35 celzsius fok között adja le a minimális (0,68 volt) és a maximális feszültséget (4,08 volt). 10,4 K ohm 19 fokon 0,68 V 8,6 K ohm 35 fokon 4,08 V Előre is kösz a segítséget.
Egy kapcsit jó lenne ha feltennél.... :eek2:
Először is Üdv!
Ehhez a feladathon nem lesz egyszerű csak tranzisztorból egy illesztést csinálni. Legegyszerűbben műveleti erősítővel kell egy szinteltolást végezni és utána felerősíteni a megfelelő szintre a jelet. Viszont, ha a kivezérlés jelződ LM39xx IC vel van szerelve, akkor egyszerű a dolgod, mert akkor csak a felső és az alsó referencia pontját kell hozzáigazítani az NTC-hez.
Ezt leírnád pontosabban is, hogy hogy nézne ki a kapcsolás, mert még eléggé kezdő vagyok ebben.
Lusta vagyok kétismeretlenes egyenletet megoldani,az is lehet túl extrém értékek jönnének ki,de ha járható akkor egy jól méretezett negatív táp ,meg egy jó plusz táp esetén egy egy alsó ill felső ellenllással az ellenállás osztópontján a kívánt feszültség szint lehet.A soros ellenállásnak meg a tápnak akkorának kell lennie amin 1,888888 mA változás történik a hőelem két értéke között Így az áramváltozás ismeretében van egy egyenleted amiben a kapocsfeszültség ,meg a soros ellenállások összege ismeretlen. a feszültség változás is ismert (3,4V) ezzel is fel lehet írni egy egyenletet mint feszültségosztó.Igy talán megkapod a szükséges feszültség és soros ellenállás értékét.Ha ezeket tudod ,az áramok ismeretében ki lehet számolni a kivezérlés jelző testjéhez képest hol kell lennie a negatív tápnak.
Szia! A soros ellenállás a feszültséggel valóban függvényt alkot. Pl. 10k-ra választva 71,6V adódik. A két megadott értéknél: 38,5 illetve 35,1V lesz a rajta eső feszültség. Ezt kell +/- táppal a helyére illeszteni.
Hali!
Azt le tudnád írni, hogy milyen alkatrészekkel építetted a "kivezérlésjelződet"? Hátha jobban tudnának segíteni az itt lévők. Köszönettel: Zsolt.
led-ekből, bc 182-es tranyó, trimmerek
mellkelem a képet és a file-t is
Szia! A ledes kijelző kapcsolási rajza lenne érdekes, vagy valami információ a felépítéséről.
A hőszenzor ellenállás változását a mellékelt vázlat tudná az általad kívánt feszültségre konvertálni.
Szia!
Ezt nézd meg,biztos segít. http://www.hobbielektronika.hu/kapcsolasok/index.php?sf=LED-es%20h%...E9r%F5
Sziasztok!
Annyiban szeretnék segítséget kérni hogy vásárolnék a hestore.hu-ról egy hőmérő kitet pontosan ezt: Bővebben: Link Annyiban kérném a segítséget hogy ezt meglehet úgy építeni hogy egy kis elleneállású hajlékony vezetéket használva az si-dióda kb mintegy 2 méterrel távolabb lenne magától készüléktől? Autóba szeretném beépíteni hogy a motorba beáramló levegő hőmérsékletét mérje! Az si-dióda a lémennyiségmérő után a levegőcsőbe kerülne a készülék pedig a műszerfalba! A konkrét kérdés hogy feltétlen muszáj a nyákra forrasztani az si-diódát vagy használhatok hozzá vezetéket? Azért használok kitet mert buta vagyok az ilyesmihez hogy egyedül beszerezzek hozzá mindent! Előre is köszönöm a segítséget!
Szia! Nyugodtan tehetsz bele vezetéket. Esetleg zavart szed össze, ami a panelen kondenzátorral kiszűrhető. Lehet tartalmaz is ilyet a kit, ha nem, pár száz nF-os értékű megfelelő erre a célra.
Köszönöm szépen a segítséget! Ha esetleg nem lenne erre a célra szolgáló kondi a kitben akkor hová tudnám azt a nyákon beforrasztani? A kép az összeszerelt kitről ITT Található ITT pedig a kithez tartozó pdf dokumentummal ami tartalmazza a kapcsolási rajzot és a nyáktervet is! sajnos lengyel a dokumentum de a lényeg rajta van!
Előre is köszönöm!
Az "AB" csatlakozási pontra, a vezetékkel párhuzamosan mehet a kondenzátor. A kit ilyen jellegű szűrést nem tartalmaz a doksi szerint. Csak akkor alkalmazandó, ha beépítve a kijelzés ugrál.
Köszönöm szépen! Így már tökéletesen elboldogulok! Fizukor megrendelem a kitet és miután megépítettem kipróbálom beszerelés előtt valami módon hogy szükséges-e kondi vagy sem! Ha szükséges akkor beteszek egy kb 500 nF-os értékű kondit! Szerintem az elegendő lesz!
Köszönöm még egyszer a segítséget!
Az esetleges zavar szűrésére alkalmazhatok 470 nF / 63V RM5-ös fóliakondenzátort? Per pill csak ez van itthon!
Előre is köszönöm!
Sziasztok! Elég kezdő vagyok de szeretnék építeni egy ledes hőmérőt ami 12v-ról megy és 40-130 fokig mér. Az lenne a kérdés hogy ezen mit kéne változtatni?
|
Bejelentkezés
Hirdetés |






Előre is nagyon köszi!








