Fórum témák
» Több friss téma |
- Ez a felület kizárólag, az elektronikában kezdők kérdéseinek van fenntartva és nem elfelejtve, hogy hobbielektronika a fórumunk!
- Ami tehát azt jelenti, hogy a nagymama bevásárlását nem itt beszéljük meg, ill. ez nem üzenőfal! - Kerülendő az olyan kérdés, amit egy másik meglévő (több mint 17000 van), témában kellene kitárgyalni! - És végül büntetés terhe mellett kerülendő az MSN és egyéb szleng, a magyar helyesírás mellőzése, beleértve a mondateleji nagybetűket is!
VAn olyan rész ahova elég de van ahova 5W-os kell.
Igen azt tudom.hogy a végtranyókhoz mindég kellenek nagyobb teljesítményű ellenállások is.
De ezektől eltekintve elegendő a 0,25W általában, ugye?
12V-ról szeretnéd táplálni az erősítőd?
Nem.A trafót úgy tekerném meg hogy a szekunderen 28V legyen.A primeren ott 12V van.És a 28V egyenirányítva meg pufferelve lenne 40V.
Ha pl a primer 200N akkor aszeunder 2x 466 N. HA 200N a primer akkor aszekunderon 1V az 16,6N. CSak mivel az erősítő 100W-os így kicsivel több kell neki int 100W.A DC forrás az bírja de azt nem tudom hogy a trafó mekkora legyen.KEll a 100W meg egy kicsi hogy átmenjen a teljesítmény vagy elég az 50W-os is.
Na, hát végső soron 12V-ról szeretnéd táplálni. Keress valami normális invertert, mert ez nem egy korrekt kapcsolás. Legjobb lenne egy PC-tápot átalakítani.
Próbáltam már PC tápot de kudarcba fullatd.És már nincs több tápom.
Viszont van 12VDC-m sok-sok amperral és gondoltam abból kihozni a 40V-ot.
A-a .Egy pc táp.De 600W-ot ad le a 4db 12V-os ágon összesen.
Jó, de a 100nF-os kondiknak is csinálj helyet, közvetlenül az IC lábainál.
Ez mi lesz ?
Esetleg tudsz egy olyan rajzot ami 12VDC-ből csinál nekem +-40V-ot.Az se baj ha előbb AC-t aztán egyen+puffer és úgylesz DC.
A bemenő cca. 7-tizenegynéhány V-ból csinál 5V-ot.
Miért kell közv az ic lába mellé?Így jobb?
A nagyfrekvenciás gerjedésgátló kondenzátorok úgy fejtik ki a legnagyobb hatékonysággal a hatásukat, ha minél közelebb helyezzük el az IC kivezetéseihez. Érdemes a 78xx lábait is a lehető legjobban lerövidíteni. Érdemes oda kerámiakondenzátorokat tenni a kis induktivitásuk és kis nagyfrekvenciás ellenállásuk miatt.
Aham mostmár értem.
Ennél közelebb már nem lehet
:
Na, rossz helyre írtam. Ez neked szól: Bővebben: Link
Senki többet harmadszor?
A többi a tiéd jani
Sziasztok!
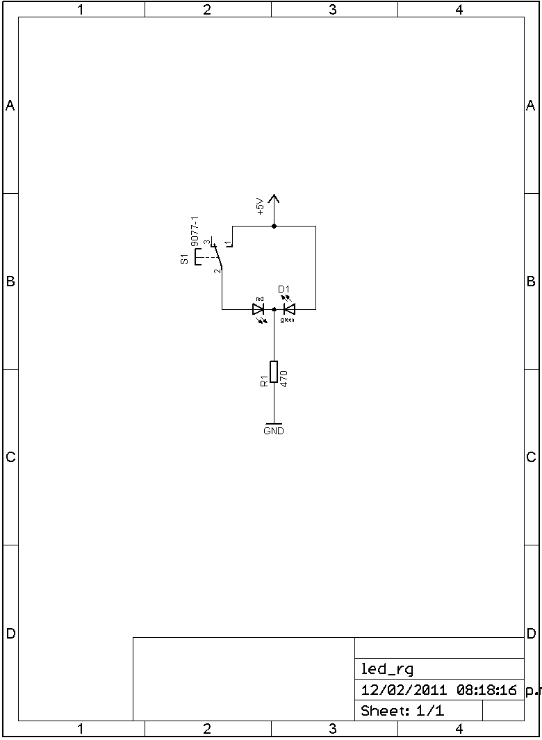
Adott egy duo LED (zöld/piros) közös katód. Amit szeretnék: Alapból zölden világítson (ez ok). Ha a piros oldal anódja feszültséget kap akkor a zöld lekapcsoljon és kezdjen el pirosan világítani. Na ez nem akar menni. Hogyan kell ezt megvalósítani?
Használj LOGIKÁ-t. Egy inverter megteszi. Alapból a baloldali LED működik, mikor feszültséget raksz a bemenetre, átvált a jobboldalira.
Ó, köszike Zsombi, nagyon ari vagy !
Ezen én is gondolkodtam, de én tranzisztoros megoldásnak jobban örülnék.
Szinte megoldhatatlan probléma, lévén a tranzisztor is egy inverter
Hali
Egy ilyen "bonyolult" kapcsolas szerintem megoldja a problemat. |
Bejelentkezés
Hirdetés |






: 




