Fórum témák
» Több friss téma |
Nem is azt mondtam hogy a megoldás a rossz csak nekem nincs hozzá megfelelő anyagom és nekem nem jön össze.
Ha az IC-t közvetlenül a bordára rakod, és az egész bordát próbálod elszigetelni a környezetétől, akkor nem kell hűtőtönk. Csak az a baj, lényegesen nehezebb feladat egy nagy bordát megbízhatóan elszigetelni, mint kialakítani azt a bizonyos "hűtőtönköt.
Éppen ezért praktikus ennek használata, mert a borda így lehet a GND-n, de mégis van egy "kisebb fémtömb", ami gyorsan tud hőt elvonni az IC-ből.
Én maradok a borda elszigetelés a doboztól.
Bassmester az általad készített nyákban kicseréltem a kis 560nf kondikat és nagyobbra fúrtam kicsit a lyukat és tettem bele egy 330nf és egy 220nf kondit majd leteszteltem és tökéletesen működik leadja a max teljesítményt nem úgy mint azokkal a mini kondikkal. Szóval köszönöm szépen a segítséget elsősorban neked valamint a többieknek is akik erre a kondira gyanakodtak!
Na akkor vééégre jó lett
Grat! Szívesen mindent
Üdv!
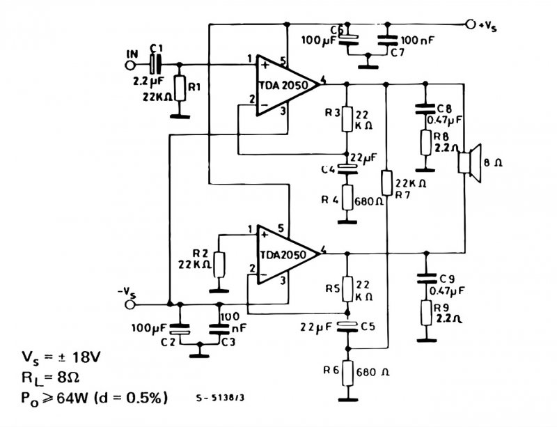
Nézegettem ezt a tda-t... amiről itt szó vala... Én 16-18 voltal tudnám hajtani a kapcsolást 4ohm-os hangszórokkal. Szerintetek az milyen teljesítményre képes ilyen paraméterekkel? Köszi!
16-18V -ra egy TDA 2050 híd is bőven elég (sokkal olcsóbb), nem kell nagyobb.
A 7294-nek csak akkor lenne valami értelme, ha nagyobb teljesítmény igényed lenne, de ahhoz nagyobb tápfesz is kell. Szimpla, vagy +/-18V -od van?
Bassmester! Kérlek oszd meg a tanulságot, Zosi-nak az erősítőjében melyik kapacitás volt azaz 560 nanós ami képes volt tipusa, vagy értéke miatt elnémítani a szerkezetet?
Zosi nemrégen felrakott egy fotót a panelról, azon látható hogy a két (mellesleg kerámia) csatolókondi rendellenesen pici méretű. Még nem tisztázódott az értékük, de nagyon valószínűnek tartom, hogy 560pF-osok voltak benne 560nF helyett, tehát az előírt érték ezred része.
Íme a kép.
Nem tudom lehet egy haverom nézte el mert tőle kaptam mert az itteni boltokban nem kaptam még ilyet sem szerintem nf de lehet pf nem tudom nem mértem ki de tény hogy ő volt a hibás mert most beletettem Bassmester javaslatára egy nagyobbat vagyis 2 nagyot mert egyben nem volt 560nf ezért lett most benne 220nf meg egy 330nf így ugye 550nf lett benne de így tökéletesen működik leadja a max teljesítményt azelőtt azzal a pici kondival azzal is működött csak kb. 20w-nál hangosabb nem volt.
Szia!
Szimpla 16 (+/-) VDC van. /12VAC + diódahíd+ 2X10 000 µF kondi/ Illetve a TDA2050-hez nincs nyáktarvem, meg kapcsolási rajzom.
Kössz! Én sajnos leragadtam annál az információnál, hogy külön hűtőbordán működött, sőt még a közösön is egy kicsit.
Mi lett azzal szép hűtőbordával, egyben maradt?
Na most akkor szimpla táp (+, GND) vagy szimmetrikus (+, GND, -) ? Még mindig nem egyértelmű. Kapcsolási rajzot mellékeltem, nyákot pedig lehet tervezni a Sprint Layout-tal. Én is úgy szoktam :yes:
Továbbá le lehet tölteni a TDA 2050 gyári PDF-jét. Persze csinálhatsz 7294-et is, de az alacsony tápfesz miatt abból se nagyon fog több kijönni.
Szia!
Szimpla táp. Ez mellett kiszámoltam egyenlettel, hogy a 7294-ből 16VDC-vel ki lehet szedni 55W-ot.
Valami hiba lesz a számítással, mert visszafelé számítva 16V 55W-ból 0,58 ohmos hangszóró jön ki.
aránypárral számoltam, 4 ohmra.
ha 29VDC vel 100W, akkor 100 osztva29-el X 16 = 55
7294-nél szerintem hanyagoljad a szimpla tápot.
Szimpla 16V-ból pedig egy híd sem fog kinyögni 55W-ot 4 Ohm-ra :no:
Ez így elviekben sem stimmel...
Próbáld úgy, hogy a tápfeszütség négyzetét oszd el a hangszóróimpedancia nyolcszorosával, ez adja az elméleti maximálisan kivehető teljesítményt.
A tda 7294 nem műkődik szimpla tápal.A számitásod nem jó.16V legfelyeb 3-7W-ot érsz el,atól fűg hány ohm-os hangszórót használsz,hidalva tőbb.Itt egy táblázat kb menyit érsz el milyen tápfeszel.
Köszi!
Akkor valamit nem értek. Nekem van egy TDA2005R Hídban. 16VDC-vel. Úgy árulják, hogy 2X20W RMS
Ez tda1562Q.Eleve hidalva van és H osztályu erősitő :yes:
Igen mert ha hidalva van akkor dupla tápfeszel számolod.Igy elvileg kijőn 20W 4ohm-on.Szóval 16Vx2=32V.Igy számolva igen
Ebben integrált tápfesz emelő van
Egyébkét jó megoldás alacsony tápfeszre.
sziasztok.! Nekem kellene TDA7294 es erositorol par diagramm. Pl frekvenciakarakterisztika, erosites, trozitas,... Ami csak van. Suliba kellene, en viszont meg eleg kezdo vagyok ehhez. Letszi segitsetek.
Írd ba a gugliba és kattints datasheetre, mindent meg fogsz találni.
|
Bejelentkezés
Hirdetés |











