Fórum témák
» Több friss téma |
Fórum » Csöves erősítő készítése
Ne feledd betartani a fórum viselkedési szabályait, és a topik megmaradásának feltételeit. [link]
A téma átmenetileg fagyasztva lett, hozzászólni nem tudsz!
Szia!
Köszi szépen, így már könnyebb lesz elindulnom.
Kinek hogy tetszik a prototípus? Előfesznek lehetne szó esetleg 6D22S-ekről és a meghajtónak valami kis egyencsőről, de egyelőre eleget zabál a nagy rendszer is, így ezek most félvezetőseknek vannak feltüntetve (szerintem azok is lesznek)… Ennek így elvileg bombabiztosan menni kéne
Ja, és majdnem elfelejtettem: egyetlen anódkör és egyetlen fűtőkör lesz a két oldalnak (kivéve a GM70 fűtésének)!
Jobban jársz, ha a légrést határoló felületeket sík-nak és párhuzamosnak veszed, és akkor az erővonalhossz a légrésben a légrés nagysága lesz (pl 0,5 mm légrésnél, az erővonalhossz a légrésben 0,5 mm).
Ugyan ezt nem kérdezted, de gyanítom, hogy inkább ez érdekel, a vasban a közepes erővonalhossz, a vasmag geometriai középvonalára számított hosszúság (a vas belső felén mért hosszúsághoz hozzáadódik a külső hosszúság és osztjuk 2-vel (ez nagyjából a közepes erővonalhosszt adja, különféle trafószámításoknál lehet erre szükség).
A 6E5P -s meghajtás egyedül szerintem nem fogja tudni a GM70 képességeit kiaknázni 350 V-ról (sem teljesítményben, sem minőségben (tetródás kötés)). Minél nagyobb lesz a GM70 anódfesze, annál nagyobb lesz a rácselőfesze is, és minél nagyobb a rácselőfesz, annál nagyobb meghajtófesz is kell. Ha a GM 70 1300 V-ról megy, nem hinném hogy jó választás egy 6E5P, úgy gondolom több fokozatú, összetettebb meghajtással jobb lenne, de nem szeretnélek lebeszélni, ezt is érdemes megpróbálni, de legyen hely az átalakításnak is a dobozban.
Na igen, ez csak egy falemezen lesz először, mert gondolom egy komplett kapcsoláson is lenne mit korrigálni, nemhogy ezen… A 6SN7 jutott még eszembe meghajtónak, de sokat kell még ezzel kísérletezni
Szerintem eleve ezzel kéne kezdenem
Köszi szépen!
Ez 6SZ33C-hez mennyire feküdne vajon. Ilyesmi meghajtást akarok még kipróbálni fél 6C33C-es verzióban E182CC-vel (Valvo vagy Philips SQ-val).
Az 1300 V-os anódfeszhez nem ragaszkodnék ezzel a meghajtással sem, szerintem akkor már valamilyen it. trafós dolgot kell előhúzni...
Majd meglátjuk… Nem a jövő hétre kell
Ha lesz egy alapom, mindenképpen megosztom veletek!
Nem tudjátok, hogy a TV-ben a PCL85 mekkora Ra-ra dolgozott? Esetleg PP-ben (triódásan) mekkora Raa-t szeret?
A közepes erővonalhosszt a vasban, tudom, hogyan lehet meghatározni, viszont hogy a légrésben hogyan azt nem... De akkor a képletben ahol a légrés közepes erővonalhosszát kérik, ott írjam be magát a légrést??
Milyen berendezésre vonatkozik a képlet, és hogy néz ki (a képlet) ? Szándékosan légréses trafónál akkora az erővonalhossz a légrésben, mint a légrés (még a vas széli kidudorodással sem szokás korrigálni, legalábbis én nem tudok róla). A tompa illesztésből eredő (nem szándékos) légrést nem szoktuk figyelembe venni (ez teljes pontossággal talán ki sem számolható, de ismerni kell a felületek domborzati viszonyait hozzá, ami alapján a síkfelülethez viszonyítva számolható a két felület távolsága.
Nemigen tudom miről van szó, várd meg hátha valami trafós ember válaszol (pl. Mayky), nálam a légrés akkora, amekkorrát csinálok, vagy nem értem a kérdést....
Igazán én sem tudom, miről van szó. Milyen képlet? A képletekben általában a magával a légréssel szoktunk számolni. De nekem jól bevált az OPT_DA progi. Az is magára a légrés nagyságára kíváncsi. (gap) Ja és szerintem kimenő trafót a tekercseléssel lehet tervezni
A PL508-ashoz számolgatok, kimenő adatokat, hogy mik jönnek, ki. Mert van itt egy nagyobb vas, és gondolkozom, hogy megtekerem, és kipróbálom, hogy mit csinál vele az erősítő, hátha nem torzít ennyire mint most. Viszont ha beírok, mondjuk 0,1mm es légrést, akkor 3267 menet jön ki 5,2k Ra-ra 30Hz-es alsóhatár frekvenciával... kicsit sokallom... Egyébként az elektroncső.hu-s kimenőszámításos képlettel számoltam.
Mekkora az a nagyobb vas? Hány W-ot tervezel ?
Az erősítő 4W os elméletileg, a nagyobb vas pedig 7.2cm2, jelenleg egy 5cm2 es van bent, de a méyleknél nagyon torzít... Én arra alsóhatárfrekvenciának 64Hz-et számoltam, ami szerintem elég sok... ezzel a nagyobbal pedig 30,5-öt.
Hát én nem sokat vacakolnék vele. A primer úgy 2000 menet körül, ahogy épp kijönnek a sorok, a szekunder pedig 75-77 menet olyan vastagságú huzallal amivel teljes sor jön ki.
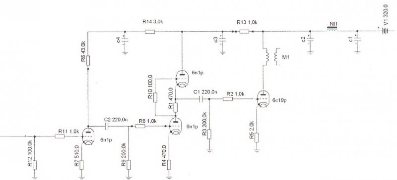
Sziasztok.Megpróbáltam lerajzolni a jelenlegi kapcsolásomat.Sajnos a tina rajzoló még nekem újj igy nem tudtam jpg-be elmenteni csak kinyomtatni és beszkénelni,de remélem látható.Ebben a felállitásban most nagyon jól működik.Valamit változtatnátok rajta?Esetleg érdemes volna dc csatoltan megoldani az előfokot vagy nagy falat eggy kezdőnek?Ugyanezzel a meghajtással próbáltam a gu 50-et triódában a 3,5 láb az anódra kötve habár az sm 65-ös kimenő kicsi hozzá elképesztően jó szól.320 voltról megy.Mekkora illesztés kellene a 3c19p-hez és a gu 50 hez triódába kötve?Nem a hangerő a lényeg csak szépen szóljon.
Teljesen jók az ottani képletek is.
Kimenőtrafót sokféleképpen lehet méretezni, amentén a logika mentén, amelyik képletet használtad a 3200 menet teljesen jó érték 30 Hz alsó frekire 7,2 cm2-re 4W-ra, és nagyon jó trafó készíthető, de a réteges felépítésre oda kell figyelni (nagy primer induktivitású trafót több részre osztva kell elkészíteni, mint egy kisebb induktivitásút). Mivel a sok menet miatt nagyobb lesz az egyenáram okozta gerjesztés, nem biztos hogy elég lesz a 0,1 mm-es légrés. (A cikkben egyébként nincsen külön említve átlagos erővonalhossz a légrésben, csak a vassal együtt. A légrés okozta átlagos erővonalhossz változás kisebb, mint az átlagos erővonalhossz számolásákor keletkezett hiba, a légrésben állandónak veszi az erővonalhosszt, hiszen síknak elfogadott párhuzamos felületek között van).
Köszi mindenkinek a válaszokat, áttekerem a trafót. Milyen átmérővel, mekkora menetszámot ajánlotok rá?
Mondjuk 2200-2400 menet 0,15-0,17-es huzalból. Egysz. szig.
Sziasztok!
Igazából még soha nem volt dolgom csövekkel, de már olvasgatok róluk. Itt találtam egy egyszerű kapcsolást, megjegyzem, hogy ami a legjobban tetszik az a kis anódfeszültség. Most jön a kezdők szokásos kérdése: ha nincs ilyen csövem, akkor mivel tudom helyettesíteni? EBF89, EL84, EF89, ECC83, ECH81 és EBF89 vannak itthon. Ha jól tudom a PL504 pentóda, amiből az enyémek között si van. Végső soron a lényeg a kis anódfeszültség volna, s ha egy hangot is ki tudok majd az "installációból" csikarni, az nekem már gyereknap!
Szia!
Ezek közül semmivel. Ez egy "speciális" kapcsolás. Ilyen alacsony anódfeszültséggel a felsoroltak nem működnek. Ami használható az az ECC83, de ennek 250V kell és az EL84, aminek szintén ennyi legalább. Amúgy a PL504-es kapcsolás működőképes, ismerősöm összerakta és ment. Javaslatom: PCL86, de nem kell ám ilyet keresni, mivel ez egy ecc83+el84. Keresni kéne kimenőt és valami tápot. Ezek régi rádiókból bonthatók (a felsoroltak nem ennek részei véletlenül?), abban van hálózati trafó és valamilyen kimenő is. PL504 régi TV-kben volt. Nem tudom, hogy pl500-al lehetne-e helyettesíteni, de az biztosan kisebb (tudású) cső.
Köszönöm válaszod!
Igen, régi rádió részei voltak a csövek, sajnos a többi alkatrésze már nincs meg. Azt hiszem nekem is kerítenem kell majd valahonnan egy ilyen PL csövet. A nagy anódfeszektől még félek. :eeknoes:
Nem kell attól félni, csak nem kell hülyeségeket csinálni. Akkor nem bánt.
Hidd el, hogy szerintem nem több munka összehozni egy "rendes" csövest. Kimenő úgy is kell, bár talán megteszi egy átlemezelt hálózati is. Szóval PL cső keresése mellett én prioritásba tenném egy régi rádió guberálását. Sokkal több használható alkatrész lenne benne.
Értettem, köszönöm a segítségeteket!
Idézet: „...nem kell hülyeségeket csinálni. Akkor nem bánt.” Fogadom!
Rednben, természetesen osztom a primert... még nemtudom hány részre tlalán 3 vagy 4re... Megpróbálok minél előbb nekilátni, kíváncsi vagyok az eredményre :yes: Köszi.
Hogyan lehet kiszámolni egy cső Ra és Raa-ját, az adatlapban található értékekből? Lenne több cső is, amivel szívesen próbálkoznék SE-ben, PP-ben, amikor időm engedi, de nem tudok, mert nincs az adatlapokban Ra, érték, anélkül meg mit sem ér az egész.
|
Bejelentkezés
Hirdetés |


Ja, és majdnem elfelejtettem: egyetlen anódkör és egyetlen fűtőkör lesz a két oldalnak (kivéve a GM70 fűtésének)! 

Köszi szépen! 
Most jön a kezdők szokásos kérdése: ha nincs ilyen csövem, akkor mivel tudom helyettesíteni?
EBF89, EL84, EF89, ECC83, ECH81 és EBF89 vannak itthon. Ha jól tudom a PL504 pentóda, amiből az enyémek között si van. Végső soron a lényeg a kis anódfeszültség volna, s ha egy hangot is ki tudok majd az "installációból" csikarni, az nekem már gyereknap!
