Fórum témák
» Több friss téma |
Köszönöm! 2X 50 000 µF re gondoltam. Az elég , nem?
Ez az áram a tápot terheli, nem folyik át IC-n. Simán elolvad a biztosíték. A sípoló hang mitől keletkezhetett?
Nem a hálózati áram ment át az ic-n hanem a földelésnek nem tetszett a -tápfesz. Egyen feszültségől volt a sipíkolós sípolós hang.
A 300-as trafóhoz, szerintem a fele is elég, de mindenképpen a két diódás tápot csináld az egy szekunderes trafódhoz. Azzal legalább meglesz a kb +/-16V-od. Graetz-cel és kondis osztóval csak a felét kapnád. A végfok ezt jobban fogja rángatni mint egy "rendes" +/- tápot, bármennyi puffert is raksz rá nem lesz annyira terhelhető és az erősítő hajlamosabb lesz vele a búgásra. Én előfokokhoz szoktam csak használni, oda tökéletes, hajszál pontos a szimmetriája.
Köszi!
Legjobban a TDA2050-es tetszik. Ahhoz 16VDC +/0/- táp kell. Azt szeretném meghajtani.
Az szerintem is jó erre az alacsony tápfeszre és a 300-as trafó is bőven elegendő lenne egy sztereó hídhoz.
Köszönöm!
4X32W-os erölködőt építenék ( 4 db TDA2050 végfok)
Ahhoz pont jó lesz a 2050. Olcsó, egyszerű és még jól is szól.
Pazarlás is lett volna ilyen "takaréktápra" 7294-et kötni
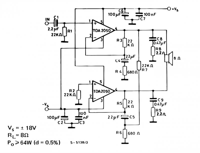
Nem találtam sztereo hídkapocsolást a TDA2050-hez.
sziasztok itt ahídkapcs tda2050-hez
Szia! Hídban nagyobb a teljesítménye? És mekkora?
szia a képen minden szerepel 64watt 8 ohm +-18volt
Fogalmam sincs de szerintem 4 ohm -on nem terhelhető az már sok neki.
5A a maximális kimenő árama az icének, tehát elvileg 4 Ohm-on is kivehető belőle a 64W, 4A kimenőáram mellett.
Jő hűtő kell neki.
Helo erősitő hajtására nem jo mert ha azt akarnád akor pakolhatnád kondikal de a szubszűrőhöz tokéletes
Sziasztok tudom ez nem ide tartozik de nekem nagyon teccik és gondoltam meg osztom veletek !
Szimpla 12 volt elég neki és szubszűrővel együtt van nagyon jokis cucc ! Ha valakinek még teccik akor jó épitést ez megolgy a szimpla táp problémát !!! Itt egy pár link !!! http://www.youtube.com/watch?v=FIsJ-Qzc_30 http://www.youtube.com/watch?v=XIHuQrnw-8o
Ennek van saját topikja.
A TDA 7294-hez pedig nem való sem szimpla táp, sem 12V.
Bocsi nem tudtam hogy van saját topikja
Hát a 7294-nek nem is teccik se a szimpla táp se a 12v ! Azért gondoltam hogy be dobom ezt mert egy ideje szol a vita a szimpla dupla tápos megoldások-rol. És szerintem ez egy jo megoldás akinek nincs dupla tápja .
Oké értem a szándékodat, de már sajnos egy egész oldalon csak a 7294 "alternatíváiról" folyik az ötletelés egy szimpla táp probléma miatt, melyek egyike sincs partiban a 7294-gyel. Ha valaki idetéved, azt hiheti hogy rossz helyen jár...
Aha értem mégegyszer bocsi
Sziasztok!
Amit, most megosztok veletek ezzel a TDA-val kapcsoaltban, nem életbevágóan fontos és nem kimondottan az erősítőhöz kapcsolodik, de akit érdekel nézze meg a belinkelt videomat. Nemrég találtam egyik vidómegosztó portálon. Lényegében egy TDA 7294 tönkremenetele látható rajt vidón rögzítve. A hibajelenséget sokféle dolog előidézheti, jó kérdés, hogy az illetőnek hogy sikerült véghezvinni, de elég látványosra sikeredett... TDA 7294
Sziasztok!
Az ic hővédelme kb hány foknál kezd el beleszólni a normális működésbe? Ez azért lenne fontos hogy kb mekkora hőfokra állítsam a ventilátor szabályzót!
Milyen a venti szabályzód? Fokozatmentes, vagy ki-be kapcsolgatós? A hővédelem szempontjából az IC belső hőmérséklete a mérvadó. Az a lényeg hogy minél gyorsabban leadja a keletkező hőt, tehát a tok hűtőzászlóján nem lehet közvetlenül szigetelőlap, mert úgy nem lesz jó, bármilyen hűtőt is raksz rá.
A legjobb a fokozatmentes ventiszabályzó, az enyémet úgy állítottam be, hogy már hidegen is lassan forog és ahogy melegszik, úgy gyorsul.
Eme "látványosság" könnyen előidézhető pl fordított táppal. Kérdezd csak meg Zosi kollégát, neki még frissek a tapasztalatai.
Szia!
Itt a fórumon találtam egy kapcsolást nem fokozatmentes hanem ki-be kapcsolgatós!
Ez így ebben a formában használhatatlan, a hővédelem című topikban le van írva, mit kell módosítani rajta. Nálam ez kapcsolgatja a kocsiban a hűtőventit, mert egy vagyon bele a gyári gomba.
Ezt én is megerősíthetem. Ha elvégzed a módosításokat tökéletesen jól müködik. Én is erősítőben használom. Be tudod állítani szintén az alkatrészek cseréjével a hiszterézis értékét: tehát mondjuk beállíthatod pl. 75 fokon kapcsoljon be, 50 fokon pedig ki.
Minek ezt ennyire megbonyolítani
Ha erősítő hűtőbordájára szánod, akkor csináld meg azt amit mellékeltem. Fokozatmentes és nagyon szépen teszi a dolgát :yes:
Szia!
Mik azok az alkatrészek amiket pontosan ki kell cserélni? Bassmester:: Köszi szépen a mellékletedet de mivel már megépítettem a panelt és csak pár alkatrészt kell kicserélni ahhoz hogy tökéletesen működjön akkor azért nem építenék más áramkört! |
Bejelentkezés
Hirdetés |





Köszönöm! 4 ohmon?
