Fórum témák
» Több friss téma |
Mielőtt kérdezel, a következő két dolgot ellenőrizd!
I. A helyes tápfeszültségek megléte.
II. A kimeneten van-e egyenfeszültség.
Élesztés.
A kérdés, hogy mit szeretnél?
1. Olyan készüléket amelyik a lehető legegyszerűbben, és optimálisan oldja meg a szintillesztés szabályozás problémáját? 2. Olyat ami tele van csicsákkal, kapcsolókkal tolantyúkkal, tekerentyűkkel, hogy jó bonyinak lássék. Az ezt "mind ÉN csináltam" érzés miatt. Alapelv: " A szép berendezés tele van gombokkal lámpákkal, az okos berendezésen, egy sincs!"
Szerintem egy előerősítő attól h VU meter-es kivez jelzőt és, esetlegesen egy kiegészítő áramkört kap a szintillesztő mellé, amiben helyet foglal egy vu-driver meghajtás az nem feltétlen jent túlbonyolítottságot, Én magam is a tiszta letisztult forma híve vagyok, csak annyi csicsával szeretném majd felruházni aminek hasznát is veszem.
Amit szeretnék, az tág fogalom, amit meg is tudok ebből majd valósítani itthoni célszárszámokkal az viszont a valóság lesz, úgyhogy igyekszem majd a lehető legesztétikusabbá tenni, az egyszerűsége mellett Az idézetet még sosem halottam de pofás nagyon
Sziasztok!
a segítségeteket szeretném kérni. Videoton ra6363-as erősítőmet Pioneer sa-540-re szeretném cserélni. Rs85-ös akai lemezjátszómhoz mlenne kpmoaptibilis a pioneer? Mennyire lenne gond az, hogy a 2x25 W-os vidi hangfalait a 2x30 W-os erősítővel használnám? Csak mert az új erősítő annyit tudna. Meg szabad venni ezt a készüléket? A főbb műszaki adatok: 2 x 30W (8 Ohm) frekvenciaátvitel (phono): 20 Hz - 20 KHz +-5 dB frekvenciaátvitel (line): 20 Hz - 40 KHz +1-3 dB harmónikus torzítás (20Hz-20KHz): 0,05 % jel/zaj arány (phono): 69 dB jel/zaj arány (line): 85 dB Kaphatók még hozzá alkattrész, ha elromlik bármi? Előre is köszönöm. Üdv!
Szia
miért ne lenne szabad?-Ha az erősítő nagyobb teljesítményü mint a hangládáid,nem kell koppra tekerni a potmétert Amugy emlékeim szerint diszkrét elemekből áll a cucc,ergo az alkatrészek utánpótlása nem tünik kivitelezhetetlennek..
Nem a kivezérlésjelző az ami miatt írtam, hanem a hangszínszabályzós rész. Amit saraha belinkelt, jól megoldja az illesztést, és a szabályzási feladatokat. Oda mást nem érdemes berakni. A berendezések hibáit nem oldja meg a h.színszabályzó. Esetenként lehet hasznos az akusztika miatt nagyobb térben pár dB szabályozhatóság, de alapvetően a készüléklánc a meghatározó. Ha azoknál nem stimmel valami, akkor azt nincs az az EQ ami odavarázsolja. Rontani viszont könnyen lehet vele. Nekem is volt fiatalon parametrikus digit EQ-m, építettem girátoros 10sávost, meg effektprocis bigyuleszeket, de ma már csak nevetek ezeken a "sós sópótló sókon".
Az egyik HI-Fi magazin közepén volt egy ilyen rajz, mindenféle csicsa-micsa - phono1, phono2, székelyphono, gombok, tekerentyűk tömkelege.
Sziasztok, elkészült a VUmeterem a készülő PA300-hoz. Nagyon jó lett, teljesen jól működik. Az egyikröl csatolok is egy képet.
A kérdésem az lenne ha a bemeneti jelet megosztom és az egyik fele megy az erősítő felé a másik pedig a VUmeter felé az jár e valamilyen hangminőségbeli csökkenéssel?
Szép müszer
A meghajtóárakör proli Mester müve netán?
Igen ezt csináltam meg.:
http://www.hobbielektronika.hu/kapcsolasok/analog_kivezerlesmero_ol...3.html Ez a műszer. Ebayes. http://cgi.ebay.com/2-pcs-new-VU-meter-attractive-warm-back-light-/...f41151 Akkor mit javasoltok? A bemenő jelet meg lehet csapolni a Vu meter számára?
Sziasztok!
Első erősítőmet szándékozom megépíteni nemsokára, ebből kifolyólag nem vagyok még túlságosan jártas e-téren. Éppen ezért egy nem túl bonyolult (remélem) TDA-s végfok a cél. Sok mindennek utána néztem már, de szeretnék valamit kérdezni. A bemenő jel RCA csatlakozói általában olyanok, hogy hozzáérnek az erősítő fém dobozához, ezáltal galvanikus kapcsolatba kerülnek a jelfölddel. Ez okozhat bármiféle zavarokat, zajokat egyes esetekben? Ha igen akkor, hogyan lehetne szigetelten beszerelni őket, vagy más módon kivédeni a problémát? üdv. Dávid
Okozhat problémát, de nekem például csak olyan aljzatom van ami szigetel. Szóval ilyet kell beépíteni.
Nálam például nem okoz problémát, ha lehúzom a forrást a végfokomról, nem hallani semmiféle zajt, brummot, pedig ez csak végfok, nincs a dobozban semmi más.
Köszönöm mindkettőtöknek a gyors válaszokat!
Szigeteltet fogok beépíteni akkor, így a legegyszerűbb! Csak eddig nem láttam még olyat. üdv!
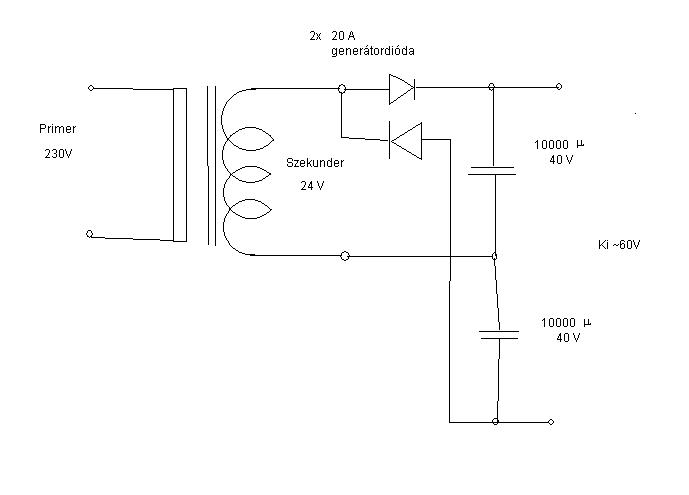
Feszültség növelő áramkör:
Ezzel lehetne erősítőt táplálni?
78L15 mindössze 0.1A-re terhelhető, így ebben a felállásban ez a kapcsolás nem jó erősítőhöz.
Ez varikap-hangolású rádiók hangolófeszültségének előállítására való áramkör, erősítőkhöz alkalmatlan.
Légyeg: van 12VAC ebből nekem 20VDC kellene 4A.
Erre az áramra már komolyabb, induktivitást (tekercset) tartalmazó DC-DC konverter kellene.
Szia!
Hol találok ilyesmi kapcsilási rajzot?
Talátam egy ilyet is:
Csak 20V jó? Építsd meg ezt: Bővebben: Link Ezzel kb. 25V-od lesz, sok puffer kell hozzá, kivehető áramot csak a trafó és a dióda szabja meg.
Max 25VDC kellene, az a max amit a tda2050 elbír..., de nem kell GND a kapcsoláshoz.
Trafó adatai: 12VAC 300Watt 25 Amper.
Valamit nagyon elnéztél, mert +-25V-ról megy maximum, ami 50V, és igenis kell neki kettős táp gnd-vel együtt. Bár mehet szimpla tápról is, de ha duplán használod, akkor megoldódik a feszültség probléma.
Szia!
Nem néztem el, a TDA2050V-t lehet hajtani Single Supply-val is, az adatlapja szerint.
Akkor még mindig nem érted... szerintem olvasd el párszor a hsz-emet. Valóban lehet, de ha túl nagy a fesz, konkrétan semmi értelme mert csak kinyírod, pláne ha ott a kettős táp...
Sziasztok.
Kezdőként sikerült építenem egy erősítőt tda 7294-el (5x100, 1x200. lényegében 6 erősítő egy dobozban). Analóg, ami a dvd-n teljesen jó. A hangerőt is a lejátszón állítom. A problémám az, hogy pc-re (sztereo) hogyan tudom bekötni. A fórumokat nézegettem, de nem találtam megoldást. És a hangerőre sem. Az 5.1 et hogyan tudom egy hangerőpotival állítani? Előre is elnézést, ha én voltam figyelmetlen a fórumban, és köszönöm a válaszokat is.
Tudna akkor valaki segíteni ebben?:
http://www.hobbielektronika.hu/forum/topic_hsz_925087.html#925087 |
Bejelentkezés
Hirdetés |




Amugy emlékeim szerint diszkrét elemekből áll a cucc,ergo az alkatrészek utánpótlása nem tünik kivitelezhetetlennek..









