Fórum témák
» Több friss téma |
Fórum » Inverteres hegesztőtrafó
Köszönöm szépen! Már csak az a gond, hogy nem tudom honnan beszerezni, ugyanis a Lomexban csak 95C fokos van
Így nem tudom hogy honnan fogok szerezni
Pár oldallal előrébb van kapcs.rajz lehet csinálni és nagyon érdemes minden érzékeny pontra tenni.
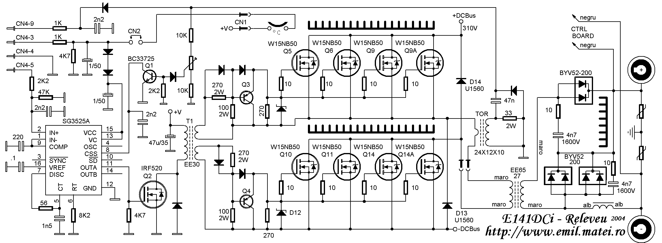
Szia! Olvastam hogy FET-tel építetted meg a saját gépedet. Én is FET el szeretném építeni. Megtaláltam a rajzot ami alapján te módosítottad az IGBT-st. Én is ezt a módosítást alkalmaznám. Ahogy nézegettem a képeit a gépednek, láttam hogy valami nagyfesz kondik vannak a feles panelen, azok mik? Ugyanis a rajzon nem látom őket! Valamint a Tp1 trafótól mekkora vezetékkel lehet bekötni a panelt? Gondoltam rá, hogy rátervezem a vezérlő panelra a módosítást, de akkor meg a meghajtó FET-eket kell vezetékezni. Mennyire jó ötlet ez? Máshogy nem igazán lehet megoldani
Valamint a FET ekkel párhuzamos védődiódáknak mi a típusuk? Előre is köszönöm!
Megnéztem, egyből csak hunyorgok..
Valamint jóval többe kerül minden ott mint a Lomexben.
Szia,
a mellékelt rajzon a Q1 bázisában levő dióda fordítva van berajzolva...
Erdgab egy féloldallaf föjebb leírta hová hanyas kell
Szia! Köszönöm! De én ebből a rajzból csak a T1 és a TOR trafók közötti részt fogom hasznosítani.
Szerintem a nagyfeszkondi az a maciban is lévő 2,2µF-os kondi lehet. A védődiódáknak meg szerintem megintcsak a maciban lévőket használhatod.
Sziasztok! Unalmamban mondom megtekerem a fojtót. De előtte megnézem hogy milyen huzal van a célra. Találtam jópár méter 0.42-est. Gondolom ez jó lenne a főtrafó primerjének. Szekundernek és a fojtónak találtam 0.98mm-es drótot.. Aztán elkezdtem olvasgatni, hogy mi is lenne a jó. Olvastam olyat is hogy a primernek és a szekundernek egyforma vastag drótból kell készülnie, csak több szálból. Valamint olyat is hogy nem kel feltétlenül egyformának lennie
Az kivitelezhető hogy a főtrafó primerét megtekerem 0.42-es drótból (fogalmam sincs hogy hány szálól). A szekundert pedig 0.98mm es drótból (itt sem tudom hogy hány szál kéne). A fojtó készülhetne ugyan olyan sodratból mint a főtrafó szekundere? Valaki tudna segíteni abban hogy hány szállal kéne tekernem az adott vastagságú huzalból? Előre is köszönöm!
Szerintem használható eltérő vastagságú huzalból, csak arra kell figyelni, hogy a huzal össz keresztmetszete egyezzen a megadott által. Tehát kiszámolod, hogy az eredetileg megadott X szál Y vastagságú huzal össz keresztmetszete(vagy lehet már tudod is mennyinek kellene lenni) és akkor így már tudsz számolni a meglévő huzalodból, hogy hány szál adja ki a kívánt keresztmetszetet.
A fojtó is tekerhető a szekundernek szánt sodratból, ha elfér a fojtónak szánt magon.
A kondenzátorok 4,7nf 2000v kondik a "Maci "kapcsolásban ott vannak a rajzon,egy diódáva és egy 47 ohm ellenállással vannak összekötve.A nagy kondi pedig egy 2,2uf 400v,ez a tápon van.A diodák a típusa APT15ds60.Ezt a trafó vezetékes kérdést nem igazán értem,az én meghajtó trafómon a vezeték a csévetest csatlakozóira van forrasztva és be van ültetve a panelba.
Szia! Rendben, kiszámolnám, de kéne egy képlet. Úgy kell számolni, hogy kiszámolom 1 huzal szélességét és annyi huzalt veszek míg el nem értem a megfelelő keresztmetszetet?
Nem a szélességét, hanem a keresztmetszetét kell kiszámolni a huzalnak. A többi stimmel.
Én mikor csináltam a tekercseléshez szükséges vezetékeket:
Tp 2 trafó E65 ferrit I-20menet 28db 0.39 huzal II- 6 menet 5.5 sodrot vezeték A sodrot vezeték villanyszerelői vezetékből készült amihez 5 szálat letisztítottam a külső szigeteléstől és így lett 5.5mm vastagég meg aztán szigeteltem.
A keresztmetszet = r2π
azaz "r "a négyzeten szorozva Pi -vel; ahol az "r" a huzalátmérő fele a Pi pedig 3,14 .
Bocsi, azt szerettem volna írni, csak annyi dolog jár a fejemben...
Egyik gyári gépben, egyenirányítás után egy relét működtet, egy másik gépben pedig egy visszacsatolás a primerteljesítmény kapcsolók vezérlőpaneljára. Ennek a funkcióját még nem sikerült pontosan kiderítenem.
Kipróbáltam a számolást. Találtam oylan adatot hogy 0,38mm-es huzalból kell 30szál, ami 2,6955mm2. Kiszámoltam kijött 23,77mm2-re. A többi a túlméretezés? Hány %-al kell túlméretezni?
Köszi!
:smoke:
Bocsáss meg,de Te most ugratod a népet (?) ,mert nemrég azt írtad,hogy nem vagy már kezdő,a kérdéseid nem ezt mutatják.Azért egy huzal keresztmetszetét illene tudni kiszámolni még egy kezdőnek is,főleg,ha egy ilyen gép építésére vállalkozik.Csak megjegyezném,hogy a számolásodra egy hatalmas egyest kaptál.
Én miért ugratnám a népet? Nem vagyok kezdő, de ilyenekkel sosem foglalkoztam. Számolni meg úgy számoltam ahogy mondták..
Idézet: Ha te hegesztő invertert építesz, az azt jelenti hogy értened kell az űrtechnikához is? „mert nemrég azt írtad,hogy nem vagy már kezdő,a kérdéseid nem ezt mutatják” Idézet: „A keresztmetszet = r2π azaz "r "a négyzeten szorozva Pi -vel; ahol az "r" a huzalátmérő fele a Pi pedig 3,14” Erre a válaszod. Idézet: „Kipróbáltam a számolást. Találtam oylan adatot hogy 0,38mm-es huzalból kell 30szál, ami 2,6955mm2. Kiszámoltam kijött 23,77mm2-re.” Szerinted,mit kellett volna mondanom?
Bocsi,de nekem a 30 szál 0,38-as huzal 3,402mm2 keresztmetszetre jött ki. Pedig kétféleképpen is kiszámoltam.
Bocsi!
De multkor én is írtam,hogy azért gáz, ha valaki nem ismeri fel a rajzon az elemeket- és tessék a terület számítás is vita része (-Már, ha mondjuk hegesztő invertert akar építeni-, csak kell valami prehisztorikus ismeretszint,hogy neki fogjunk)
Ja és még egy gondolat!
Hol vagyunk azon az elmélkedéstől, hogy FET vs. IGBT?, ha r2xpi az hieroglifa? S félek, hogy ez nem ugratás!
Kedves Zoli!
Előre bocsátom, egyáltalán nem áll szándékomban,hogy maceráljalak,de a kör területének kiszámítása az általános iskola 5.-6. osztályában volt tananyag. Az adatlapodat elnézve nem tűnsz annyira fiatalnak,hogy ez -korodnál fogva- gondot kellene hogy okozzon. Azt írod,nem vagy kezdő, én elhiszem neked, de az efféle tudás nem csak az űrtechnikához szükséges,hanem a mindennapi élethez is különösen abban az esetben ha az elektronok kergetésére akarod adni a fejedet. Tanulni sohasem késő. :nezze:
Zoli ... kitagadlak a "családi körömből " ha szégyent hozol ránk . :emptybottle:
|
Bejelentkezés
Hirdetés |




Így nem tudom hogy honnan fogok szerezni
Akkor ebből hány darabot kell építeni? Mert gondolom nem elég csak a bordára..
Valamint jóval többe kerül minden ott mint a Lomexben.
Az kivitelezhető hogy a főtrafó primerét megtekerem 0.42-es drótból (fogalmam sincs hogy hány szálól). A szekundert pedig 0.98mm es drótból (itt sem tudom hogy hány szál kéne). A fojtó készülhetne ugyan olyan sodratból mint a főtrafó szekundere? Valaki tudna segíteni abban hogy hány szállal kéne tekernem az adott vastagságú huzalból? Előre is köszönöm!
:smoke:
(-Már, ha mondjuk hegesztő invertert akar építeni-, csak kell valami prehisztorikus ismeretszint,hogy neki fogjunk)
