Fórum témák

» Több friss téma
Fórum » Kapcsolóüzemű (PWM) végfok építése
Lapozás: OK   43 / 240
(#) Suncorgo válasza Bassmester hozzászólására (») Feb 22, 2011 /
 
Ez jó ötlet. Eszembe nem jutott volna így hirtelen
(#) lorylaci válasza Suncorgo hozzászólására (») Feb 22, 2011 /
 
Gate töltés valamint a dióda töltés elsősorban.
A gate-et a kapcsolási frekvencia periódusidejénél lérdemes két nagyságrendddel gyorsabban átkapcsolni. Az IRFP250N-nél ez 123nC, ezt az IR2110 leggyorsabban 62ns alatt tudja átkapcsolni (de valójában sokkal lassabban) a 200kHz periódusideje 5us.
Az AN-1070 IR adatlap szerint dióda a veszteség: 1/2*K*Qrr*Vbus*fsw, ahol K egy együtthető, ami a hőmérséklet és áramváltozás sebességét veszi figyelembe. Ez a veszteség lényegében állandóan van, mondjuk lehet csökkenteni. 200kHz-en becslés alapján IRFP250N-nél P=34W, míg IRFB4227 esetében P=11W.
Valamint azt is fiegyelmbe kell venni, hogy az IRFP250N magas gate töltés melett nagy rdsonnal rendelkezik, ráadásul a TO247 toknak sokkal nagyobb parazita induktivitása van.
Trafó telejsítményének becslése alapján: Ptrans=4*Ae^2*fsw (ahol A cm^2-ben f khz-ben), 100kHz-en 1,8kW átvihető félhidas tápban. De amúgy kisebb táp bőven elég, cimopata készített nekem 800W-os tápot, az túláramvédett, jól bepufffereled és bőven elég, ha csak nem torz kását akarsz kinyerni a végfokból.
2kW-ra még nem feltlen kell párhuzamosan, mindez attól függ, hogy foylamatos vagy szakaszos terhelést kell bírnia.
Ha véged egyáltalán nem hajtod torzításba, ergó szép 12dB crest factorú jelet szedsz ki, akkor a 2kW csúcstelejsítményből már csak 250W átlagos teljesítmény lesz... (sok kondi, túláramvédelem és pacsi)
(#) Suncorgo válasza Ge Lee hozzászólására (») Feb 22, 2011 /
 
Adj már hozzá egy linket légyszi, az utolsó 3 oldalt a "Kapcsolóüzemű táp 230V-ra" topikba végigolvastam de nem találtam.
(#) Suncorgo válasza lorylaci hozzászólására (») Feb 22, 2011 /
 
Idézet:
„Az IRFP250N-nél ez 123nC”

Én mindíg csak a "Gate-to-Source Charge" értéket néztem mert ugye a Gate és a Source között dolgozik a meghajtó.(szerintem)
Idézet:
„ezt az IR2110 leggyorsabban 62ns alatt tudja átkapcsolni”

Ezt hogy számoltad?
(#) lorylaci válasza Suncorgo hozzászólására (») Feb 22, 2011 /
 
De attól még a többi "kondenzátor" ott van és fel kell tölteni, ráaádsul ez a töltés hőfüggő, ahogy melegszik nő.

Hogyan számoltam ki?
I=Q/t => t=Q/I
Persze ez becslés, mert mint kondenzátor a gate nem lineáris, valamint a töltése sem lineáris. Általában ennél lassabb a kapcsolás. Egy kis időbe tellik míg az IR2110 kimeneti árama felfut a 2A-re, szóval addig nem tölt annyival, de persze ha úgy nézed mint kondenzátort, akkor a töltőáram felfut, stagnál, utána csökken. Valamint ott vannak még a gate ellenállások, a gate belső ellenállása (amit nem is mindig közölnek).

Lényeg, hogy inkább használj kevés, modern FETet, mint szenvedj a régi (bár olcsó és könnyen beszerezhető) FETekkel. Egy IRFB4227 bár 3-4x annyiba kerül, helyettesít is 3-4 db IRFP250N, ráadásul ennyi IRFP250N összes gate és dióda töltése már többször annyi... (oda külön totem-pole kell minden fet elé, vagy zetexes meghajtó vagy...)
(#) Suncorgo válasza lorylaci hozzászólására (») Feb 22, 2011 /
 
Értelek...

Közbe felrakom a mostani kapcsolás állását:

ClassD.pdf
    
(#) Suncorgo válasza lorylaci hozzászólására (») Feb 23, 2011 /
 
I=Q/t

Tényeg.... Pedig valamikor régen nekem is tanították elektró órán.
(#) Ge Lee válasza Suncorgo hozzászólására (») Feb 23, 2011 /
 
Ha a 30-as méret van beállítva akkor a 144. oldalon van a rajz és a 143. oldalon van róla kép.
(#) Suncorgo válasza Ge Lee hozzászólására (») Feb 23, 2011 /
 
Egy hasonlót én is csináltam annó. Csak nem transzformátor volt a meghajtás hanem IR2110. Azt tudom hogy nagyon sokat küzködtem a működés közbeni kihúzás bedugással (pl mint ha elmenne a 230 és visszajönne effekt) és ott valamiért mindíg elszálltak a fetjeim, ráadásul áramkorlát is és bekapcsolás is CD4013al volt megoldva csak valamiért az is a bekapcsolásnál megint lekapcsolt.... Mind egy majd nekiugrok még 1x. Ezt nem illett ide írni, be is fejezem mert a moderátor letépi az arcom....

A cél most a végfok. Lassan elkezdem a tápját is.
(#) Suncorgo válasza Ge Lee hozzászólására (») Feb 23, 2011 /
 
ha fenn áll még a végfokoddal a problémád akkor meg kellene nézni a kimeneti jel egy periódusán hogy: ugye a kimeneti szinusz hullámod felső (pozitív) oldala rendben van. Meg kellene nézni a fetek Gate-jén a vezérléstől jövő jeket hogy ugyanakkora kimeneti csúcsfeszültségnél a 4szög jel ugyanannyi idejű-e (vagyis hogy meg egyezik e a vezérlő jel ideje, kitöltése a vele ellentétes kimeneti jelnél és csúcsfeszültségnél.)

Remélem érthető voltam...
(#) Ge Lee válasza Suncorgo hozzászólására (») Feb 23, 2011 /
 
Ha az lenne a gond akkor egyáltalán nem lehetne kivezérelni, de ezt csak adott áram/teljesítmény fölé nem lehet. Egy biztos, megnéztem szkóppal a feteknél és az IR-nél is a tápot, áll mint a cövek és nem is zajosodik amikor vág, tehát nem táp probléma. A visszacsatolt jelben viszont ilyenkor előjön egy többtíz megás tüskesor.

kidobom.jpg
    
(#) cimopata válasza Ge Lee hozzászólására (») Feb 23, 2011 /
 
A másik csatornán pedig mérd mellette a -Ut-t.

Biztosan az árammal van összefüggésben ez a torzítás dolog.
(#) lorylaci válasza Ge Lee hozzászólására (») Feb 23, 2011 /
 
Két dolgot tudok még elképzelni:
- a visszacsatolásnál a negatív oldali jel eléri a komparátor tápfeszének határait (bár ez feszültségfüggő, és nem kimeneti áram függő)

- a másik dolog a FET. Valami baja van az egyik fetnek, mondjuk van egy nagy ellenállás a sourcnél, ha az átfolyó áram elér egy bizonyos értéekt, akkor az ott eső feszültségtől a gate -source feszültség már nem lesz elég a FET kinyitásához. Egy FETcsere érdemes lenne, vlaamint szkóppal meg kéne figyleni az alsó fet maghajtását
(#) Ge Lee válasza lorylaci hozzászólására (») Feb 23, 2011 /
 
Csereberéltem már a feteket is nem az a gond. Viszont próbaképp tettem egy 68pF-ot a + bemenetre, nem történt semmi. Tettem rá egy 1nF-ot és láss csodát megjavult. Illetve csak jobb lett. Most már 8 ohmon is ki lehet hajtani teljesen, de 6 ohmon már újra megbolondul. Mintha valami kegyetlenül zavarná a bemenetet, olyankor 100ns körüli tüskesor jön elő a bemeneten a semmiből, jó nagy amplitúdóval. Elvileg holnap megjönnek a fetek, szerintem azokkal még rosszabb lesz a helyzet. Ki kéne próbálnom külső segédtáppal, vagy kétoldalas teleföldes nyákkal.
(#) pimi9 válasza Ge Lee hozzászólására (») Feb 23, 2011 /
 
Sztem inkább a visszacsatolása nem stimmel lorylacinak.
R9-nek sokkal de sokkal kisebb értékűnek kéne lennie.
(#) lorylaci válasza Ge Lee hozzászólására (») Feb 23, 2011 /
 
Hát akkor valami marha nagy zavarod van, esetleg nem raksz fel a nyákoldalról egy fényképet?
Nekem eddig nem volt problémám az egyoldalas nyákkkal, így nem láttam értelmét a kétoldalasra való áttéréssel.
Tettem fel kapcsolási képet, nem a legszebb, van tullövés, de szerintem tök normális. Bemenetnél 22k 470r 1n párosítással zajproblémám sem volt, szkópon semmilyen vészes tüskét nem láttam.
(#) Ge Lee válasza pimi9 hozzászólására (») Feb 23, 2011 /
 
Ezen én már kezdetben változtattam, a 10k-t 1k-ra cseréltem.
(#) Ge Lee válasza lorylaci hozzászólására (») Feb 23, 2011 /
 
A nyákom majdnem ugyanaz mint a tiéd, az alkatrészeken toltam picit ide-oda, a visszacsatoló tagokat megfordítottam (pont azért hogy elkerüljem amit végül is nem sikerült), hogy a nagyobb jelszint ne menjen hátra a bemenet közelébe (a rajzodon ez jól is van de a nyákon pont fordítva), és amennyire lehetett növeltem a földfólia méretét. Majd csinálok képet a kapcsolójelről is, az tökéletes, 1,5-2V körüli kis túlbillenés van a négyszög sarkain. Az FDP-vel majd biztos nagyobb lesz. A zaja nem olyan vészes de a QUAD-omé azért jóval kisebb.
(#) pimi9 válasza Ge Lee hozzászólására (») Feb 23, 2011 /
 
És mik a vcs-d pontos adatai? Meg változtattál még valami mást a kapcsoláson?
(#) Ge Lee válasza pimi9 hozzászólására (») Feb 23, 2011 /
 
Igen, nagyobb kondi kellett (220pF-al kb. 280kHz, 330pF-al 250kHz lett ha jól emlékszem), és a 820 ohmot 680-ra cseréltem. Aztán tettem még sorba vele egy 100µF-ot hogy ne legyen DC a kimeneten (előtte 370mV volt most kb. 9mV), de ettől teljesen független a rossz működés mert megnéztem ezt is.
(#) ethosz2 válasza Ge Lee hozzászólására (») Feb 23, 2011 /
 
Hát az biztos. Tőbe kell hidegíteni és vagy egy 47pF-os G-D közé tett kondival kezdve a próbát, lassítani a kapcsoláson. Ha jó a nyák, elvileg terheletlenül nem lesz berezgés rajta, ha nagyon nem mész le a dt-vel.(Az enyémben még 40ns dt mellett első ránézésre ideális a négyszög, egy nagyon pici horpadás van csak az elején).

Nálam a rossz nyákon régebben terhelve 30V-os lecsengő tullövés keletkezett a hosszú tápfóliák miatt. Ha már 20V alatt vagy a berezgéssel, akkor jónak tekinthető.

A zaj az gáz. Nálam pl diszkrét bemeneti fokozattal is totál csönd van, szerintem simán 100dB feletti lehet a jel-zaj viszony.
(#) pimi9 válasza Ge Lee hozzászólására (») Feb 23, 2011 /
 
Hopsz.

Na, az úton kéne elindulnod, hogy miért egy biz. fesz. érték körül áll le.
A gondot a komparátor körül kell keresni.
Kéne mérni egy kicsit a komparátor bemenetein hibás működés, ill. a hibás működés elött egy kicsivel.
Ezt csak úgy tudod megcsinálni, hogy ha DC vezérelhetővé teszed a végfokot.
(#) pimi9 válasza Ge Lee hozzászólására (») Feb 23, 2011 /
 
Illetve kéne az is, hogy mekkora fesz.-el vezérled.
(22k 330p 1k 680ohm a vcs?)

Ha lorylacinak működik, és neked nem, és ha te csak a vcs-n módosítottál, akkor ott lesz a hiba is.
(#) Ge Lee válasza pimi9 hozzászólására (») Feb 24, 2011 /
 
Nem. Amint az a képeken is látszott kisebb terhelésre de még 16 ohmra is kivezérelhető teljesen. A baj akkor kezdődik ha nagyobb áram folyik a kimeneten.

A vcs-t próba képpen visszaalakítottam a Lacié szerint, de attól sem javult meg.
(#) Ge Lee válasza ethosz2 hozzászólására (») Feb 24, 2011 /
 
Hasonló tranyós fokozatom gondolkodom mint a tiéd, elhagyva a 311-et. Nem osztod meg velünk a rajzát?
(#) pimi9 válasza Ge Lee hozzászólására (») Feb 24, 2011 /
 
Nem biztos, hogy a nagyobb kimenő áram okozza a gondot.
Inkább azzal lehet a probléma, hogy kisebb terhelő impedanciával csökken a vivőfreki maradék a szűrőn.
Ennek lehet a következménye, hogy a komparátor egy instabil működési helyzetbe kerül.
Nagyon előnytelen a bekötése igazából. És ilyen táppal negatív feszre elég könnyen ki is tud akadni, ahogy az adatlapot nézem.
Van kb. három lehetőséged:
- Vcs visszaállítása eredetire.
- Az invertáló bemenetre vezetni a bemenő jelet, a nem invertáló bemenetet földelni.
- Más felépítésű komparátor fokozat.
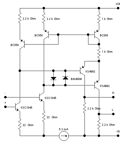
(#) ethosz2 válasza Ge Lee hozzászólására (») Feb 24, 2011 /
 
Itt a bemeneti fokozatom. Az eleje még lineáris üzemben működik. Majd az egész kapcsolást is megrajzolom. Tranyókat lehet helyettesíteni. A hátsó kettő a differenciál fokozatban (ez a comparátor) pl: BF423 lehet. Bemenetre minél nagyobb B-jú tipust ajánlok: BC546B, 2SC2240BL, stb.
(#) Ge Lee válasza pimi9 hozzászólására (») Feb 24, 2011 /
 
Meglett a hiba.
Benéztem a hidegítő kondikat a berakáskor és 1u-t tettem a 100n helyett. Tettem egy egy 100n-t a fetek lábához, most már 6 ohmon is ki lehet hajtani tápig. Mondjuk az alsó ág így is előbb kezd el szőrösödni, ennek már lehet a komparátor is az oka, hidegítem majd azt is amennyire lehet. Ez az ethosz féle bemenő fokozat lesz talán a tuti megoldás.

Egyébként mekkora kondikkal érdemes hidegíteni? Jó a 100n vagy jobb lenne kisebb pl. 10-20nF ? Az a baj hogy SMD kerámiában többnyire csak 50V-os van, alig találtam nagyobbat, nekem legalább 63 de inkább 100V-os kell.

Így néz ki a jelem

277kHz.jpg
    
(#) ethosz2 válasza Ge Lee hozzászólására (») Feb 24, 2011 /
 
Az enyémben 4db 1µF/50V XR7-es kerámia kondi van egy fet lábánál+4,7u MKP+100uF. Ez már elég neki, az biztos. SMD kondik egyébként vannak 100V-osban is.
(#) Ge Lee válasza ethosz2 hozzászólására (») Feb 24, 2011 /
 
Köszi a rajzot! Nekem a diszkrétben a lábas tranyók elég sok zajt szedtek össze, nálad ez nem okozott gondot? Nem lenne jobb SMD-ből megcsinálni a nyák alsó oldalára?
Következő: »»   43 / 240
Bejelentkezés

Belépés

Hirdetés
XDT.hu
Az oldalon sütiket használunk a helyes működéshez. Bővebb információt az adatvédelmi szabályzatban olvashatsz. Megértettem