Fórum témák
» Több friss téma |
Fórum » Kapcsolóüzemű (PWM) végfok építése
Miután 2 oldalas lett a nyákom, már nem okozott gondot. Egyébként a nyák fóliái ugyanúgy szednek össze mindent, mint a lábak.
SMD tranyókból elég szűk a választék. BF423-nak például hol van SMD-tokos változatára magyar beszerzési forrás? A disszipációt sem bírnák nagy tápfeszültségeknél (+-80-90V) a komparátor és az áramgenerátor fokozatban.
Én is örülök, hogy meglett a probléma.
Én a lomexban vettem rakat 330nF 100v-os SMD kerámia kondit 1812 tokban. Most hogy az újabb verziót SMD-ben csináltam nagyrészt, elkezdtem hajlani a diszkrét bemenő fokozat felé...
Azt ugyan még nem láttam működés közben, de szerintem jobb lesz mint a 311-el. Ez a negatív oldali kiakadása nekem nem szimpatikus. A módosításaimmal végülis nem lett rossz, kb. 85%-ig el lehet vele menni komolyabb hiba nélkül, de szép jellel is kb. 65%-ig. Most már zaja is kisebb van.
Megjött a cucc, tettem bele 1-1 100nF X7R-t az csodát művelt vele, most már nem akar bohóckodni. A túllövésem viszont jóval nagyobb lett, de még ez sem vészes. Holnap talán belerakom a feteket is.
Sziasztok!
Látom került fel egy csomó új kapcsolás, mióta nem volt időm a topicot olvasgatni. A kérdésem még mindig ugyanaz. Van-e kis teljesítményű, kisméretű, kevés alkatérszből álló ClassD végfokrajza, ami nagyon jó hangot produkál. Icipici dobozba akarom beleépíteni, ami miatt a B osztályú végfokozat ugyebár kizárt. Tudom, nehéz eset vagyok.
Igen, van, ha 1W RMS elég. Ha nem, akkor 15W-ra ott van az MP7720 IC. Marha egyszerű, nagyon jó minőségű, és nagyon olcsó is. Mindössze 8 lába van, ezért könnyű szerelni is. Szerintem ezt neked találták ki. Ennél optimálisabb megoldást nem hiszem, hogy fogsz találni....
Köszi szépen, ez tényleg egyszerű és tetszetős. Már csak árat kéne találnom hozzá, hogy honnan tudom megrendelni. Ez legalább tényleg kisméretű.
Remélem nem 2000Ft az IC darabja.
Nemrég a ChipCad-nél volt.
http://www2.chipcad.hu/www/arak.aspx?group=0105
Most már csak fojtó kell bele mert ez nem ide való, nem kicsit fűt.
+/- 57V táppal jött le a kb. 140W 8 ohmra. Ahogy néztem el lehetne menni 65-70V-ig is, az legyen mondjuk 180W körül, hidalva meg nagyjából 4x annyi és ehhez még elég a 150V-os FET.
Én IRF540N-el teszteltem teljes híddal 80V tápfesz mellett. 4ohmra 220W fikerült kihúznom belőle. Szerintem még az enyémnél még lehetett volna növelni a bemenő jel amplitúdóját, de ahhoz kellett volna egy előerősítő. Ennyit birt a laptopom kimenete.
Ott már erősen négyszögjel lehetett a szinusz helyett, mert 4 ohmra a 220W-hoz közel 84 V tápfesz szükséges. És akkor 100 % felett van a modulációs mélység. Valamit nagyon elmérhettél.
Ha a 80 V nem csökken le, akkor 150 W körüli teljesítményre lehet számítani, de már ez is 85% feletti modulációs mélységet igényel.
Teljes hídban?
Teljes hídban 80V tápfesszel 4Ohmba 800W az elméleti maximum... Pnévlmax=U^2/(2*Rload) Szóval valószínű, hogy nem vezérelte ki teljesen, biztos többet tud az...
Hm... teljes híd? Elnéztem, elnézést.
Semmi gond. Igen... Teljes hidam van, de ott a kapcsolásom pár hsz-el visszább ha láttad
Pontosabban itt: ClassD
Lenne 1 kérdésem.... Itt láttam oldalt a HESTORE hirdetését:
BIG GUN 320/640W Most mi micsoda? Úgy értem a 320W az effektív a 640 meg a csúcsteljesítmény?
Ez nem pont ide való.
320W/640W ??? amire éppen gondoltak, megszorozták néhány pofafaktorral... Keress hőlimitált teljesítményt (szétégés nélkül fogadható maximális átlagos teljesítmény,), valmaint keresd meg az xmax-ot és akkor ki tudott számolni a kilengés limitált teljesítményt a mélyhangoknál. Ez a két adat megmond mindent...
Ennyire nem lényeg.... Szóval itt is van csalás. Akkor ha véletlenül rendelnék is ilyet akkor addig húznám neki a hangerőt míg nem kezd kopogni a tekercs a mágnessel és egy kicsit visszább ugye hogy hosszú életű maradjon
A kimeneti 30uH-s tekercs elé be lehetne tervezni védelemnek egy áramváltót? Mennyire szólna bele a szűrő működésébe?
Nagyon nagy méret jönne ki, nagy menetszám kell, hogy átvigye a 30 Hz-et is. Egyébként, alig szólna bele, jelentéktelen.
Talán a söntös védelem a legegyszerűbb csak az a baj hogy tönkreteszi amiért küzdöttünk. Jóval nagyobb lesz a nyák, több lesz a szórt induktivitás és kapacitás ami hatással lehet a végfok stabilitására is.
Értem. Szerinted hogyan lehetne megoldani egy olyan védelmet ami az IR2110 sd kivezetésével operál? Esetleg egy 0,1-0,5 Ohm-os sönt a kimenetre, vagy az egyik source alá?
Valahogy így, csak az 555-el az IR SD lábát kell izgatni. Pimi kitalált egy olyat ahol a fetek gate feszültsége van figyelve de az nekem sem a tinában sem a multisimben nem működött.
Én is az áramvátlós védelmet próbálom meg.
Katt: A fetek árama felbontható egy egyenáramú+alacsony frekvenciás és egy váltóáramú (nagyfrekvenciás) kompenesre. Mind az egyenáramú, mind a váltóáramú komponens arányos az eredeti árammal (amennyiben csak az alacsony frekvenciás komponens lenne arányos, akkor kellene baromi nagy áramváltó). Ha az áramváltód úgy tervezed, hogy csak a nagyfrekvenciás komponenst vigye át, úgy a szekunder oldali söntön egy, az árammal arányos jelet mérsz. Ekkor elég egy nagyon kicsi porvasmag és a nagy söntök helyett a szekunder oldalra elég pici sönt.
Próbáld ki... nekem nagyon zűrösnek tűnik.
Én inkább abból indulnék ki, hogy a kimeneti fojtótekercsen átfolyik az áram. Ezt kellene valahogyan érzékelni. Mondjuk, azt tudjuk, hogyha egy tekercsen eső feszültséget megintegrálunk, akkor annak a tekercsnek az áramát kapjuk. Onnan már egyszerű a helyzet. Ebben a topicban eléggé kiveséztük a problémát és működik is. http://www.hobbielektronika.hu/forum/topic_8538.html?pcount=30&pg=1...%3E%3E
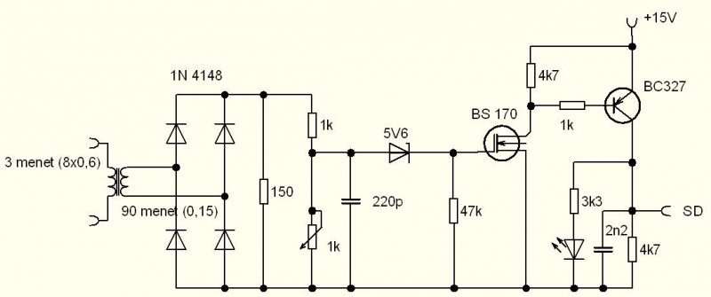
Tápegységhez ilyet (melléklet) használok, pici sárga gyűrűmaggal és szépen beállítható rajta a maximum kimenőáram. Ampermérővel rövidre zárva a tápot, kb 0,8-1A áramot tart vele a táp, mert gyorsan ki-be kapcsolgat. Szerinted jó lenne ez végfokhoz is?
Tehát a kimenő tekercset kéne áramváltó primer tekercsként is használni? Ha rátekernék még pluszban egy-kétszáz menet vékony drótot, az nem zavarna be semmit?
Valószínűeg igen, én ennél egyszerűbbet használok. Az áramváltó szekudere egyenriányítás után egy tranzistorra megy, ami rákapcsolj a Vn+12-t az SD-re.
Ma szórakoztam az új modulommal, csak sajnos az egyik tranzisztort elrontotam a nyákon, rossz bekötést rajzoltam be, így kiment pár alkatrész... Most kiszedtem ami gyanús, aztán lépésenként nézegetem, (pedig ki szerettem volna ma próbálni)
Próbáltam én is egyszerűbben, de nem akart elég meredeken átbillenni.
Mit újítottál a modulodon az eredetihez képest? |
Bejelentkezés
Hirdetés |





Tudom, nehéz eset vagyok.
Remélem nem 2000Ft az IC darabja.








