Fórum témák
» Több friss téma |
Fórum » Motorgyújtás
Nem fejtem meg a paneltervet, amit az említett hozzászólásban csatoltál, csak annyit mondok, hogy az ebben a hozzászólásban linkelt rajz úgy jó, ahogy van. A hálózati trafó a gyengéje, de lehet találni hozzá megfelelőt (műanyag nem jó). Ha csak az inverter kell belőle, akkor C3, C6, R5-7, D5, Ti elhagyható (minden más marad).
Működőképesnek látszik. A gnd-k rendben (már amennyire ki tudtam venni a képen). Látom trafóról akarod próbálni. A kimenetet le kell terhelni a próba idejére egy olyan ellenállással amin 300V környékén folyik vagy 10mA áram, különben a négyszögvezérlés miatt a feszültség tüskék tönkre teszik a multimétered.
Nem rokonszenvezek a kapcsolással, mert rossz hatásfokú, nagy méretű, és a tirisztor gyújtási idejére az 555 működését le kellene tiltani, ami itt nem valósul meg.
mex, Krisz03 koszi a segitseget.
mex ha ez nagy meretu, es rossz hatasfoku, mit ajanlanal?
UC 3845, vagy hasonló flyback megfelelne. Egy 20-as E-E magon át lehet vinni a szükséges 10-15 W teljesítményt.
Vagy nézd meg a gulyi88 kivitelét. Az már "erőmű".
Erőmű
,hát ja.Ezzel kezdtem a pályafutásomat a kapcsüzem világában, nem működött minden verzió, de nem is volt szkópom hozzá, ezért kellet ilyen egyszerű működési elvű szerkezet. Felteszem egy pakkba, mert van már mindenféle verzió meg nyák, ez működött/müködik is egykét embernél (teliföldes nyákot használtam). A legújabb verzió az már Flyback nekem is, kisebb olcsóbb, de nincs kipróbálva még (se műszer, se idő). programok: SPL5, Eagle4.11
Na igen, ez már más tészta, ez tényleg fullos
én azt hiszem maradok az én verziómnál, nekem nem kell ilyen komoly dolog a JAWA 21-be (Pionír) A gyári kalapácsos gyújtásánál csak jobb lesz
Szia! Nagyon szépen köszönöm a segítségedet!
Szerencsére sikerült megoldani a problémát , a "lendkerék alatti tekercs" volt menetzárlatos. Tudnál adni elérhetőséget? Kereshetnélek ha máskor is van ilyen jellegű problémám? Köszi még egyszer!
sziasztok! volna egy elég komoly problémám!
Vásároltunk egy peugeot speedfight 1 robogot ami gyári immos, és csak egy fekete kulcsot kaptunk hozzá, a probléma a kovetkező:a motor nemment 45-50km-nél gyorsabban ezért vettunk egy masik cdi ami egy honda dio-hoz valo de elvileg ehez is jo ax18 tipus ,viszont ezzel nemindult el a motor ezért visszaraktuk a gyari cdit de sekép sehang , semmit nemcsinal, muszerfalon van egy led de nemvillog tök halott az egész , ha valaki tudja hogy mi a megoldas vagy,hogy mit kéne venni vagy bármi ötletnek nagyon őrülnék! válaszokat elöre is köszönöm!
Sziasztok! Baj van! Megépítettem ezt a gyújtást a Babettámhoz, de meg se nyekken, semmi szikra nincs. Az XXXX egyenlore rovidzár volt és 470 Ohm, egyikkel se ment. Rovidzár nincs sehol. Ha kell kép tudok feltenni.
Mi lehet a baj? Mekkora legyen az XXXX?
Itt van pár kép a példányról.
mex, úgy tudom te tervezted, valami otlet esetleg hogy miért nem mehet?
Szerintem méricskélni kellene. A jeladó vezetékét le kell kötni, majd rárúgsz a motorra, és megméred, hogy hány voltra töltődött a gyújtókondenzátor. Ha 100V alatt van a feszültség, akkor valószínűleg a gerjesztőtekercs menetzárlatos.Feltételezem, hogy a jeladó jó. Esetleg tirisztorcsere is szóba jöhet, érzékenyebb tipusra, mint például a TIC 106, de legjobb a 2P4M.
Hogy teljes legyen a lista én is ajánlanék még egy- két típust: Például a C106M-et. Nem kell összekeverni a TIC106m-el mert annál kb. ötször érzékenyebb. a 2P4M olcsó helyettesítője. Főleg Olasz gyújtásokban találkoztam vele. Van még X0405MF típus, amit főleg modellrepülők inverteres gyújtásaiba tesznek. Ez nagyon érzékeny tirisztor csak az a baj, hogy nem lehet kapni (legalábbis én nem nagyon találkoztam még vele a boltokban). Üdv nyemi.
A gerjesztotekercs szerintem nem zárlatos, mivel megy a motor a ´fekete doboz´-zal ( gyári elektronika), ha ezt kicserélem az általam építettre, akkor pedig semmi reakció. Megtekerem a fotengelyt, és még ha megfogom a gyertyát sem érzek semmi szikrát.
Az XXXX ellenállással mit állítok, mekkora legyen, rovidre zárhatom? Ha a 22uf-ot kicserélném kisebbre, annak van valami jelentosége? Nem tudom mi lehet a baja...az számít hogy milyen varisztor van benne?
C106M nincs de TIC126M-re ki tudnám cserélni, ha az jobb.
Szia accaboj olvasom hogy elszált a tirisztorod a Babettádon? Szerintem nem kellet volna megépiteni ezt a kapcsolást amit te csináltál mert felesleges, elég egy TIC106M egy 1µF kondi és egy dióda, és készen is van. Nekem is elszált még valaha a tirisztorom és ez a 3 alkatrészből épitettem egy újat azóta hibátlan és pöccre indult, még be is olvasztottam olyan volt mint a gyári.
(Sajna azóta már eladtam Babettát)
Elvileg be kellene gyújtani a BT 151-el is. A TIC 126 gate árama sem kisebb, de egy próbát megér.
Szia! Nem szállt el a gyári, hibátlanul mukodik, csak amit építettem, na az nem megy. És nem tudom hogy miért nem...
Na igen, az is egy megoldás, pár alkatrész lett volna az egész, igaz ez sem egy agyonbonyolított áramkor, de mégsem megy
Nem okoz gondot. Az viszont igen, ha a zener fordítva van kötve.
Igy már értem azt hittem hogy a régi elszált és azért akarsz újat épiten. Csak még azt nem értem hogyha a régi jó akkor ezt miért épitetted? Én ha gyújtást csinálok mindig a legegyszerűbb megoldást választom a babetta karakterisztikájút vagy ha kalapács van akkor a tranyós-vagy ott is a tirisztor.
Idézet: „babetta karakterisztikájút” Milyen ez a karakterisztika?
Hát a hagyományos 3 alkatrész és ezt alakitom motrtipushoz nekem van jawa pionyir arra is átterveztem (az originál gyújtás kalapácsos volt) mai napig azt használom, terveztem már rá cz175 motorkára is , függ attól hogy milyen módon kel neki ellátni a nagyfeszkót és a jeladót. Most tervezek egy tirisztoros gyújtást de olyat ami HALL jeladóval működik és akku nélküli motorba.
Jaaaa. Úgy értettem, hogy ismered a babetta fordulatszámtól függő előgyújtásigényét.
A karakterisztika kifejezést ilyen esetekre használjuk, nem a gyújtási rendszer meghatározására.
Én magát a kapcsolást ritka mikor én tervezem, én inkább csak szeretem kiegészieteni-leegyszerűsiteni, áttervezni a kapcsolást és a többi mechanikai dolgot tervezem hozzá a jeladót a nagyfeszültségű tekercset, és magát az egész elhelyezést a motorban-motron.
A leegyszerűsítést csak akkor ajánlatos alkalmazni, ha teljesen tisztában vagy a kapcsolás működésével, az alkatrészek tűrésével, (gondolok itt a háromalkatrészes gyújtásra, ahol a tirisztor gate negatív irányú igénybevételnek is ki van téve).
Hát a gate lábra csak a jeladó megy akkor mehet oda negativ fesz ha zárlatos vagy leégett a jeladó, ha átüt, nem?
Akkor valami nem stimmel... Egy dióda kell a kondi elé, hogy ne tudjon a gerjesztőtekercsen át kisülni, ezen kivül van maga a kondi, és a harmadik a tirisztor. A jeladó és a tirisztor gate közé is kellene még egy dióda, így megakadályozná, hogy a jeladó negatív irányú feszültsége rákerüljön. De ez már négy alkatrész.
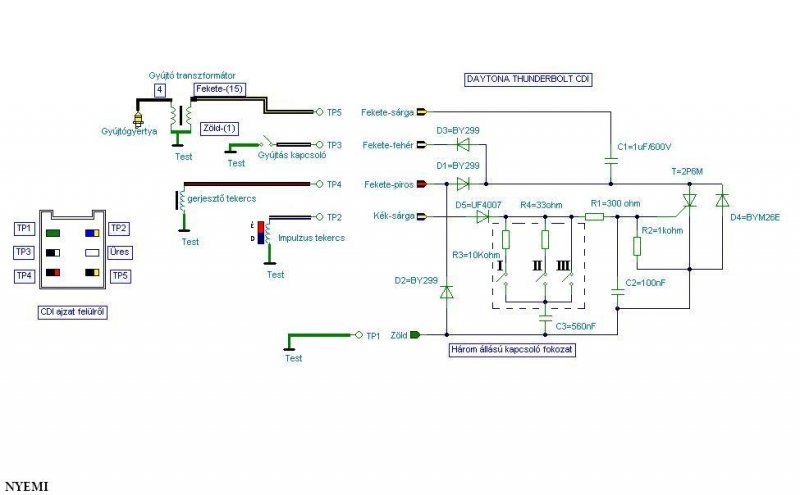
Szia Demcar. Látom Hondád van . Ha AC-CDI-s van hozzá egy pár kapcsolásom a kísérletezéshez.Íme az egyik. Üdv nyemi.
Hát lehet hogy kel oda dióda védelem érdekében, de nekem még az originál kapcsolásban sincs, gondolom ismered a babetta kapcsolását.
Igen Hondás vagyok.
Tennék fel róla képet is csak valahogy nemsikerül. Nekem kicsit másféle a gyújtás egység, de köszi a kapcsolást. |
Bejelentkezés
Hirdetés |




,hát ja.










