Fórum témák
» Több friss téma |
Mielőtt kérdezel, a következő két dolgot ellenőrizd!
I. A helyes tápfeszültségek megléte.
II. A kimeneten van-e egyenfeszültség.
Élesztés.
Idézet: „Izlések és pofonok... Én a szaggató, dübörgő hangerőt szeretem, amikor nem csak hallom, hanem érzem is a zenét.” Persze-persze, izlesek es pofonok. Nem mondom en se ellenkezem, ha nem csak hallom hanem erzem is a zenet (foleg a melyeket) de az en ertekrendemben mindennek megvan a sajat helye. Ez a falakat dongeto basszus a bulikra, koncertekre valo, otthon nem igazan komalom ezt a dolgot ... na es persze az sem mindegy milyen zenet hallgat az ember ![]() Egyebkent pedig ahogy irtam megfelelo hangszoro-lada kombinacioval 100W-bol is ki lehet hozni olyat, hogy rendesen erezd a zenet .... csak nem a Puskas stadionban
Szevasz!
Csak annyit kell módosítani, hogy van két MJ15003 és két MJ 15004 párhuzamosan kötve 0,27Ohm/5W-os emitterellenállatokkal. Na tehát a 2Ohm-hoz 4-4 ilyen végtranyót kell párhuzamosan kötnöd 4-4 0,27Ohm-os emitterellenállással a 2-2 végtranyó+2-2 ellenállat helyett. A hűtőborda ekkora teljesítménynél már marha nagy kell, hogy legyen, vagy Lomexban, stb veszel egy darab húzott bordát kb 12-15cm hosszút (8-10cm széles) kb egy ezres az ára+ veszel egy frankó kiszajú ventillátort (ezt láttam a minap 500Ft-ért) és ezt ráfekteted a bordára. A levegőt ez átnyomja a bordák között és a két szélen fúj ki. Nagyon hatékonyan hűt, de meg ne álljon a ventillátor. Vagy raksz egy 80C-os hőbiztosítékot is a bordára, vagy elektronikus hővédelmet, ami lekapcsolja az erősítőt, ha túlmelegszik. Ventillátoros hűtéssel úgysem lessz soha 80C-meleg se. Ja és ez tényleg le fogja adni a 600W-ot. Tehát a méjnyomóknak a 300W-ot el kell tudni viselniük. Itt jegyzem meg, hogy ez színuszos teljesítmény, ha túlvezérled az erősítőt, akkor közel 1000W os kakaó jön ki, ami 500W a hangszóróidra és erre még nem fog lekapcsolni a védelem!!!! Ha netán csökkenteni akarod a teljesítményt, akkor azt a tápfesz csökkentésével tudod megtenni és az 5,6K-s ellenállást, ami a 24V-os Z-dióda áramát adja, is csökkenteni kell +-50V-os tápfesz alatt.Természetesen egy sima egyszerű koppanásgátló-hangszóróvédőt össze lehet dobni 300Ft-ból, ezért ezt ne spórold ki a subládából, mert gondolom a hangszórók drágábbak 300Ft-nál.
Mi a búbánat van!
Már megint megszüntették az st151 topicot! Most mi a halálért kell szórakozni! Kezd kilenni a ... ezzel a fórummal. Lehet, hogy sok a tahó a terminálon, de ilyen moderátori "terror" soha nem volt ott.
sixtek!
Nem tudom, hogy olvastad e, amit írtam, de később leesett, hogy a te erősítőd feszültségerősítése kisebb, ezért két 270Ohm-os emitterellenállat és egy 270pF-os visszacsatoló kondi lenne korrekt a kísérlethez. (Bocs, de sajnos nem figyeltem kellőképpen oda.)
Höhö! Én tudom hol van! Megették!! Valaki azt halotta hogy
egyen irányítót, és +ette! :yes: Nyáhááhháááá!!
köszi megvan és működik , csak a trafóval volt egy kis gondom de már megoldottam
Üdv
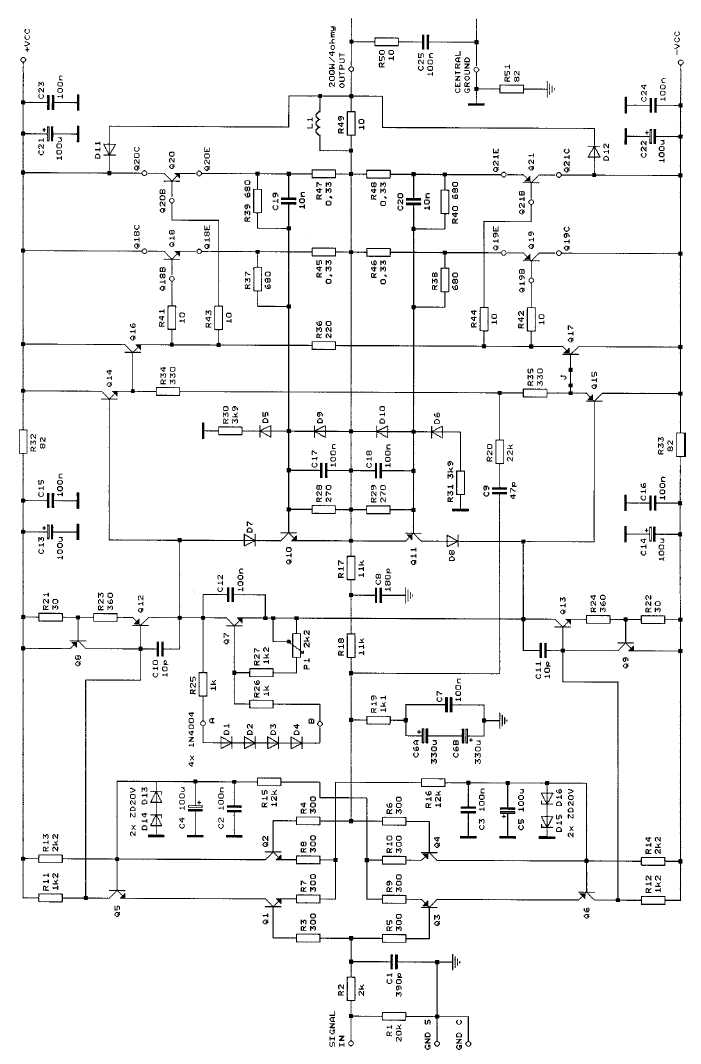
Na van itt egy kapcsolás persze erősítő mert én is megszállott vaok és véleményt szeretnék kérni a kapcsolásról. 200w 4ohm-on ezt tényleg leadja-e meg nincs odaírva hogy mennyi legyen a tápfesz és hogy érdemes-e vele küszködni vagy ezkből az alkatrészekből ki lehet valami jobbat erősísebbet hozni. Ha jó a kapcsolás és a vélemények is jók akko ebbe a hónapba megépítem és majd veszek hozzá trafót is. Na nem írok többet itt a kapcsolás meg az alkatrész leírás de nekem van hozzá nyák is majd ha kell azt is felteszem.
Megvan hol a kapcsolát találtam . Csak az a baj hogy nem magyar ha jól sejtem orosz. Hátha ki tud valaki bogarászni belőle valamit
[off]Hát ez éppen nem orosz....Hanem szlovák. A főoldalon kint van egy link ami egy szlovák oldalra hivatkozik. Ráadásul a szavakból és a betűkből is észak-európai nyelvre lehet következtetni.
Az oroszok egyébként cirill betükkel írnak: использования google переводчик -- use google translator Angolból fordítattam
Há akko nem jól sejtettem
Attól még a cucc az jó?
hali,
új vagyok még a témában, de eléggé érdekelnek az erősítők. kell valami speciális szerszám/eszköz erősítőépítéshez? melyik erősítőket ajánljátok kezdésnek megépíteni? TDA 2030? köszi.
Szia idavid,
Sztem a TDA2030 pont jo kezdesnek. Specialis szerszam/eszkoz nem kell, csak a szokasos dolgok amik barmilyen egyszeru aramkor epiteshez szuksegesek. Ami a muszereket illeti, egy szimpla multimeter azert alap dolog, ha meg nincs de szeretnel aramkoroket epitgetni, akkor erdemes beszerezni egyet. A tobbi pedig majd jon idovel. Ha nem akarsz bajlodni NYAK gyartassal, akkor egysegcsomag formajaban is meg tudod venni a TDA2030-at. Na, sok sikert
nyák gyártással szeretek szórakozni.
multiméter akad, szokásos dolgok akadnak.. hát akkor elsőnekl egyen a TDA2030.köszi
Nekem a 7375 volt az első. Bár még mindig az
Egyszerű, szobában bőven elegendő teljesítményt tud.
Én egy stk ic-vel kezdtem ami 4ohmon 2x70w, 8ohmon 2x50w tud!
És azóta is a mélyládámat hajtja gondnélkül!
A tda 2030 meglepően nagyot szólt a 2003 után. Most én is építettemőle egy stereo-t osztálykirándulásra beletettem egy kis dobozba és mind a két oldal pöcre indult ahhoz képest elég jó de egy tranzisztorost utol se ér de elsőnek jó lesz. Nekem az első erősítőmbe egy tda 2003 volt az keresztbe szétnyílt a második már ment
Meg most nem rég csináltam egy quadot az most itt van a szekrényen. A következő projektem pedig az előző oldalon lenne ha valaki szólna is hozzá valami
Szerintem kezd ezzel TDA7375 leiras + nyak itt
Egyszerubb, full vedelemmel, meg miegymas... egy szo mint szaz jobbbbb!
Látom itt egy két embernek gondja van a trafo méretezésel. A tarofó teljesitményét 1,5x re szokás méretezni az erősítőhöz képest.
Tehát erösítő Pki*1,5=Tarfó szekunder teljesitményel*20%=trafó primer teljesitménye. Persze ez lemezelt EI magnál ha toroid akkor kisebb a veszteség. Itt egy általam irt kis progi. Trafó méretezésre. Dos os. De szerintem tök jól sikerült. No nem akarom magam dicsérni.
no de mivel azért ellenálások is kellenek egy erősítőbe itt egy szintén általam irt szin dekodoló progi bár tudom a neten rengeteg található de azé itt az enyém is.
A többit megértettem csak azt a 20%-ot nem. Akko nem elég 1,5-el megszorozni?
Sziasztok!
Tudna valaki ajánlani nekem egy erősítő-kapcsolást, ami egy MP3 lejátszó hangját erősítené fel egy 10w 8 ohm-os hangszóróhoz és a hangszóró külön áramforrásról(csak akkumulátorral ne lenne megoldva,de végesetben az is jó, inkább lehet akár 230V is) működne,szóval nem merítené az MP3-at! Köszi
pl.tda 2030-cal próbáld meg!legallább marad erőtartalék az icben,mert ez 18wattos.van külön topikja,keresd meg!Jó építést,ha megfelel!
az a 20% a primer oldali vesztesége. tehát egy 100W trrafóbol ez mindig a primer oldal, abol csak 80W ott tudunk ki szedni. Ezért kell a tervezésnél arra figyelni hogy a szekunder adatait figyelembe véve a primert nagyobra kell méretezni 20% -kal. De persze ez a veszteség mindig számolunk automatikussan mert a képlet amivel ki számoljuk a szükséges adatokat az tartalmaza a veszteséget, csak ép mikor megveszük a vasmagot akkor kell figyelembe venni
Az 1,5 tel való szorzás az még mindig csak a szekundere vonatkozik mert ugye az erősítőnek van zenei teljesitménye is, meg nem akkora teljesitményt vesz fel mint amenyit lead.
Sziasztok!
Megépítettem ennek az erősítőnek az előerősítő modulját, nagyon jól végzi is a dolgát, viszont felmerült vele kapcsolatben egy kicsi gondom is. Belehallatszik, ha felkapcsolom a lámpát, vagy ha forgatom a bemeneti jack dugót a számítógében. Ennek a nagy érzékenység miatt így kell lennie, vagy lehet ellene valamit tenni? Üdv, Tom
Használj az erősitődőn EMI Filtert!
Ez egy hálózati szűrő egység. Hqvideoba biztos kapsz. Üdv.: Müszi
Ez amolyan hálózati zavarszűrő-féle? Van itthan belőle bőven, majd kipróbálom, de nagyon valószínűnek tartom nem ez a dolog nyitja. Ugyanis azóta tovább próbálgattam, és az is hallatszik, ha mozgatom a bemeneti kábelt, illetve ha megfogom az előerősítő elé tett poti fém házát ami egyik lábára sincs kötve annak. A legidegesítőbb viszont mind közül, hogy az is hallatszik, amikor a poti csuszkája leugrik a poti bevezetéseként ott lévő fém darabról és rámegy az ellenállásként funkcionáló szénrétegre. Természetesen nem trimmer potit használok csak megpróbáltam szemléletesen elmagyarárni. Valaki találkozott már ezzel a helyzettel?
Üdv, Tom
Müszinek igaza van, EMI filtert oda!
Bővebben: Link |
Bejelentkezés
Hirdetés |





Tehát a méjnyomóknak a 300W-ot el kell tudni viselniük. Itt jegyzem meg, hogy ez színuszos teljesítmény, ha túlvezérled az erősítőt, akkor közel 1000W os kakaó jön ki, ami 500W a hangszóróidra és erre még nem fog lekapcsolni a védelem!!!! Ha netán csökkenteni akarod a teljesítményt, akkor azt a tápfesz csökkentésével tudod megtenni és az 5,6K-s ellenállást, ami a 24V-os Z-dióda áramát adja, is csökkenteni kell +-50V-os tápfesz alatt.






