Fórum témák
» Több friss téma |
Mielőtt kérdezel, a következő két dolgot ellenőrizd!
I. A helyes tápfeszültségek megléte.
II. A kimeneten van-e egyenfeszültség.
Élesztés.
üdv
Elég ha vagy az egyiken vagy a másik ellenáláson állitod be a nyugalmiáramot kb 28 voltra,nekem a nyugalmiáram 120mA körül van beállitva,és subb ládához használom már egy éve hibátlanul.A hütés langyos bemeneti jel nélkül is,de nem melegedik.A hütés legyen jó nagy méretes,a pa300 egy megbizható végfok,nagyonsokat épitettek belöle a közeli ismeröseim is,ha jólvan összerakva nemlehet vele gond.
Ez szerintem elég hűtésnek. A két oldal nyugalmi árama nem akar összejönni.
Nálad mind a 2 oldalon egyforma a nyugalmi áram?
üdv
Nem egyforma,ha az egyiken + on 120mA akkor a másikon 100 körül van,de ez normális szerintem.Ha szépen szól,nincs semmijen egyenfeszültség a kimeneten akkor szerintem rendben van,ha kicsit melegedik a hütés az nemgond.
A hütésre még egy ventilátor sem fog megártani,a rendesen döngetödik a cucc,akkor tud füteni 300 watt azért az már disszipál is.
Valamit még elfelejtettem megemliteni,a + oldalon mindig jóval nagyobb a nyugalmiáram,mivel abban az ágban van a hangszóróvédelem,meg a hövédelem is.Nemszabad erröl elfelejtkezni,ha közvetlen a táp és a végfok panelja között méred az áramot akkor csak a minusz ágban tedd ezt,ott semmi nemzavar be.
Ok ezt értem csak azt nem hogy a + ágban miért 0,6 mA a nyugalmi a - ban meg miért 120 mA?
Szerintem akkor valami ott nemkap áramellátást,valahol érintkezési hiba van.Amúgy szól rendesen?
Olyan kérdésem lenne, hogy építettem egy TDA7294 icvel erősítőt ami szimetrikus +-35V-ot kér és egy szimetrikus +-12V-osal le tudom-e tesztelni? Csak anyit, Hogy megy-e? Hogy potyára ne tekerjek
Szia.
Igen ki mert az adatlapja szerint +-10minimummal már indítható. Jó munkát vele. Üdv
Köszi mostmár megyek iszok egy sőrt huzos hetem volt majd holnap letesztelem
Nekem nem indult el +,-25 alatt. Érdekes, a híd meg elindult 14 körül. Ez biztos a némítás miatt.
Úgy tűnik, fel kellene élesztenem egy sztereo Quad 405-öst, amit még én építettem meg vagy 20 évvel ezelőtt. A végekben BD245/246 vagy BD249/250 párok vannak (majd akkor derül ki, ha szétbontom a bordát, mert takarásban vannak), és az idők folyamán az egyik oldalt sajnos szétbulizta az öcsém. A végfokok +/-42V-ról mennek (szkóppal mérve olyan 75W/8 ohm volt anno).
A kérdésem az lenne, hogy milyen, manapság beszerezhető végtranzisztorokkal érdemes pótolni az eldurrantakat (a BD-kről nem túl sok jót hallottam mostanában)? Természetesen ha lehetőségem van rá, akkor a most még jó oldalon is cserélném őket, hogy egyforma legyen a két csatorna. Ez elsősorban ár kérdése lesz. Szóval Ti milyen tranyókat tennétek erre a helyre?
Abban az esetben ha csak +- 42 volt van egész nyugodtan visszateheted a BD249 -et a meghajtásba pedig a 242C-ét
viszont ha az anyagiak nem számítanak akkor tehetsz bele drágább tranzisztorokat is . Bővebben: Link
Egyetértek, hiba lenne a JÓ BD249C-ket elhanyagolni.
Igen, rég volt már, hogy Quad-dal foglalkoztam, hirtelen nem is emlékeztem, hogy kvázikomplementer a vége. Szóval csak NPN tranyóból kell a nagy. A többi van otthon, ha kell. A ma kapható BD249-ekről csak rosszat olvastam, de személyes tapasztalatom nincs, ezért is kérdeztem rá. Ha cserélni kell a véget, akkor - ha egy mód van rá - a párjába is ugyanolyan tranzisztorokat tennék. Ha most BD249C-k vannak benne (csak tippelek, mert könnyen lehet, hogy inkább 245C-k, azoknak "jobban tetszett" annak idején a hangja), akkor nem tudom, mennyire jó ötlet ma kapható 249C-kkel javítani a rossz oldalt.
A következő típusokkal milyen tapasztalatok vannak Quad405-ben (az MJL-ről sok jót olvastam én is): TIP35C, BD745B, 2SC5200?
Bármelyik lehet jó választás !
Az igazság az hogy anno rengeteg erősítőt gyártottam és szinte mindenféle tranzisztort használtam de akkor még nem igazán érdekelt a minőségi tényező . Java részt ezek az erősítők olyan ipari felhasználásra menetek , koncert , disco stb .. így inkább a hangerő volt a domináló . Amikor meg már a minőséggel is kellett foglalkoznom már a véleményem más irányba tevődött . Nekem a quad -ba az MJ15003 az ami eddig a legszebb hangzást hozta , de ez csak egy személyes vélemény ezért nem mérvadó .
Én mindenbe 2SC5200-t rakok és komplementerét, ha kell. Ezekkel a tranyókkal nincs gond.
Köszönöm a segítséget, a rövid hétvégén nekiesek az erősítőnek.
Nagyon örülök, h újra látom ezt a kapcsolást régebben sokszor megépítettem, és egy nagyon jól kiforrot kapcsolás, bárkinek ajánlani tudom, hogy nyugodtan fogjon bele.
Sziasztok.
A segitségeteket szeretném kérni. Adott egy STK 4162II végfokom. Ami egy Sony LBT_- N400 hifiből szereltemki. Tápot szeretnék hozzá épiteni hogy végen tudjam használni. a végfokot. Megvan a saját trafoja is. Valami jó bekőtést ha tudnátok rolla csatolni. Lehetőleg ha lehet képel. kőszi előre is .
Szimpla tápról megy vagy kettős tápról?
Hét erre lehet nemtudok választ adni
De Elmagyarázom hogy is van a hifiben. Tehát van a trafo az belemeny a hifi nyákban ami egyben van az egész aztán meg a hifi nyákbol a végfokba és a nyákon van az egyen írányito mef a nagyobb kondenzátorok.ezeket kiforrasztottam hogy a trafohoz kűlőn.váltoáramot tudjak majd csinálni belőlle.
Bocs de nem nagyon vágom ezt hogy szimpla vagy nem.
Elmagyaráznád hogy hogy menne akkor ? .Mert ezekhez a apcsolási rajzokhoz nem értek egyáltalán. n erre a kapcsolásra gondoltam. pl. fogom a trafoját leváltom egyen irányitoval kodival és azt rá a végfok panelra persze a hejre +45v ra. kérlek segits. ha nem jó
Sziasztok! Nekem egy 8-10Wkörüli NPN tranyós kvázikomplementer végfok rajzára lenne szükségem, eléggé fura alkalmazásra kellene a végfok, végiglapoztam mind a 792 oldalt, de nem találtam ilyet, ha mégis van akkor sorry
Előre is köszönöm
Ja és ha a végfokba használhatóak volnának BD235-ös tranyók végként az maga lenne a mámor
(van belőlük vagy 50db)
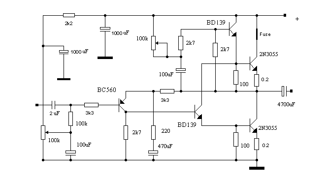
Szia.
Próbáld meg ezt megcsinálni., aszimetrikus táp kell neki, 40-max45v-ig jók a munkapontok ahogy számolom, itt már olyan 20w környékén jön ki. A kicsatoló kondi értéke lehet 6800µF is.! Bemenetre meg jobb lenne a 2U2 wima műanyag kondi. Jó építgetést!
Köszi szépen ezt tökéletes lessz, a végén a 2N3055 helyére bemennek a BD 235-ök, kevesebb tápot kap és már jó is lessz, a WIMA kondis tanácsodat megfogadom
Összedobódott próbapanelon a végfok, és 20V-ról BD235 tranyókkal 8 Ohm terhelésen 11,36V váltót produkál 1kHz-el mérve, 540 mA-es nyugalmi árammal, szkópon nem látható torzítás. Még 1x THX!
|
Bejelentkezés
Hirdetés |





Előre is köszönöm
(van belőlük vagy 50db) 




