Fórum témák
» Több friss téma |
Fórum » Kapcsolóüzemű táp autóba Hi-Fi-hez
Van 3db bojler fűtőszálam, 24ohm/db, 8ohmra és olyan 3000-3500W jó lesz...
![]() Üdv Inhouse
Az a baj, hogy az változtatja az ellenállását, és induktív is.
Az egyik cimborám kantál huzalból csinált műterhelést, na az valamivel jobb, mert egy gránit lapra tekerte föl, és az induktív hajlama nem olyan zavaró. Viszont marha nagy. Én azon gondolkoztam, hogy vennék 10W-os ellenállásokat, és abból építenék egy nagy füzért. Sajna az is induktív, de egy 10-esből kijönne egy tisztességes készlet.
Vakerán bevásároltam...
68 ohm 100w és ebből van 30db, 400Ft/db.
Hú))nekem egy fél nap lenne ennyit leírnom,nem igazán tudok gyors gépelni)Szóval próbálok válaszolni minden feltett kérdésre.
Idézet: „Mekkora az a trafó, amit oda terveztél?” Természetesen 2 max 4 irfz44 est szándékozok használni még csak.Mint írtam eddig nem igazán volt szerencsém ezekkel a kapcs tápokkal.Remélem tényleg az volt a baj mint részleteztem az előző oldalon már.A trafó egy 12 220-as inverterből van ami gyári volt.http://www.argep.hu/popup.asp?pid=97763181&pnr=10001&foto=1Bővebben: Link[/url 400/800W -os hát ha fele igaz akkor már jó szerintem. Idézet: „Mekkora teljesítményt vársz a kimeneten?” Mint mindenki a maximálisat szeretném valójában mikor elkezdtem ezt ugy terveztem hogy minimum 125/150w jó lenne .Mivel jelenleg is van egy inverter illetve erősitő a kocsinban amit én csináltam de nagyon gyenge a teljesitménye.Egy Stk4161 és fég fokot hajt meg .De az igazi zene i élmény elmaradt gyenge táp miatt.Abban 4db fazék vas mag van.De ez nem is lényeg. Idézet: „Milyen frekin fog menni a táp?” Az inverterben amiben a trafó volt 42khz ment azt megnéztem a szkópon .gondolom az lehet az ideális.Ott a primer 2 x 3menet 3 x 0,6 vagy 0,8 huzallal volt tekerve.Én egy izzót szoktam 80V tenni és ahol legerősebben világit és az üresjárati áram felvétel is jó ott hagyom frekit eddig egyszer értem el azt hogy nem eset a feszültség 80 volt alá .Van még egy gyári autós erősítőből kiszedet szürke szinü kb 5-6cm átmérőjű gyürü mag az azthiszem 4 x 150W os volt . Más adatokat nem tudok a gyűrű magról. E z a kettő az amivel kisírletezni szoktam. Többit amit írtál azt áttanulmányozom.Lehet hogy rosszul értelmeztem azért rákérdezek még egyszer hogy az ic nek a + tápja és a remote nem lehet ugyanaz mert igy zavar lehet az ic indulásakor? Idézet: A fetteknek meg az icének természetesen külön pluszt illetve negatívot szoktam vinni az akkumulátorról .„Az a táp a fej egység remote kimenete lesz?” Az egészet tényleg csak hobbi ból csinálom valójában Most is vehettem volna egy 1000w autós erősítőt de nem vettem mert szerintem azt is szétszedtem volna Ha kell holnap lemérem a két trafót.Valamivel nagyobb mint amit a PC-ben használnak.De Al meg egyébb adatokat nem tudok.
Azok a 10W-osak nem huzalból vannak tekerve?
A hangszóró tekercse is... Nem feltétlenül hangerősítőhöz kell, most épp a 24V/3A PC táp modhoz kellett volna, mert a 10W-os ellenállások melegedtek mint a fene. Azért az már elég durva, mikor 3000W-nyi bojler fűtőszál annyira felmelegszik, hogy durván megváltozik az ellenállása...nem szólva róla, hogy olajba mártható... Üdv Inhouse Idézet: „„A fetek előtt van egy dióda, és egy zéner sorban. A túl fesz tüskék miatt nem ártana betenni.” Az rendbe is van hogy hasznos de csak akkor ha van a fet előtt fet lezáró tranzisztor mert ha nincs akkor nem valószinü hogy jó ötlet mivel az sg3525 ben lévő tranzisztorra lenne vissza vezetve.Igy a tranzisztornak két szerepe van egy lezárja a fetet másik a trafó nemkivánt impulzusainak visszacsatolása.Tehát szerintem eggyüt alkalmazható csak.A két ic meghajtó része között az a különbség hogy míg a sg3525 lezárja a fetet addig a tl494 csak nyitja ezért kell a fet lezáró ellenállás is . De javits ki ha tévedek
Szerintem jobb vizbe mártani mivel jobb a hővezetése mint az olajnak illetve a vizet mégis csak könnyebb visszahüteni mint az olajat meg olcsóbb is) És mivel Az olaj magasabb hőfokon for igy a fütőszálla is magasabb hőfokot érhet el igy jobban vátozhat az ellenálása is
Azért az megkérdezném ,hogy az sg3525 nél a feszültség szabályzás úgy jön e létre ,hogy megszakítja a fet vezérlést vagy pedig len, Impulzus szélességet is rövidebbre veszi?Vagy ezt esetleg a tl494 tudja?Mikor én próbáltam az sg áramkört akkor kb 200hz en impulzus csomagokat küldött, kapcsolta ki be a fetteket De inpulzus szélesség változást én nem tapasztaltam.Vagy ez esetleg a 4n25 nek a lassúsága véget történik?
A TRfó méret 40x35x11 EI Belső méret 11x12mm Gyűrű mag 50x34x15mm
A trafódat méricskéld le, meg a toroidjaidat is. Találd ki mekkora teljesítményre van szükség. 2-2 fettel már meg lehet csinálni egy komoly tápot egy erősítőhöz. különben az IRF3205 is pont olyan paraméterekkel bír, mint az IRFP064, csak az TO220-as, és olcsóbb is.
Idézet: „az ic nek a + tápja és a remote nem lehet ugyanaz mert igy zavar lehet az ic indulásakor?” Mondtam, hogy láttam már olyan gagyi erősítőt, ahol így volt meg oldva, de nem egészséges. A fejegységek között van sok, aminek áramkorlátos a remote kimenete. Ne arról akarjuk vezérelni a tápot. Inkább az a remote fesz kapcsoljon egy tranyóval tisztességes áramot az ic számára. Idézet: „A fetteknek meg az icének természetesen külön pluszt illetve negatívot szoktam vinni az akkumulátorról .” Tiszta sor. Idézet: „Azok a 10W-osak nem huzalból vannak tekerve?” Az igaz, de mit tehetünk. Ez az olcsó. Én is azért vennék rengeteg 10 ohmos ellenállást, hogy össze tudjak legózni belőle mindenféle értéket, hogy a kapcsitápokat ki tudjam velük próbálni. Ha izzót használok, akkor hamar ki fárasztom a tápot. Volt ilyen.
Azt mértem le A Trafó méret 40x35x11 EI Belső méret 11x12mm Toroid 50x34x15mm
Ami a huzalt illeti sajnos csak 0,6mm-es és 0,1mm-essel rendelkezem vagy talán még 1mm van itthon.Ezzel kellene valami intelligens trafót méretezni.Ami teljesitményt illeti 4xfet ből amit ki lehetne hozni.. Idézet: „Azért az megkérdezném ,hogy az sg3525 nél a feszültség szabályzás úgy jön e létre ,hogy megszakítja a fet vezérlést vagy pedig len, Impulzus szélességet is rövidebbre veszi?Vagy ezt esetleg a tl494 tudja?” Az impulzusok szélességét csökkenti, ha meg van a kimeneten a beállított feszültség. A te tápod kapcsolási rajzán azt vettem észre, hogy nincs a 4N25 4-es, és 5-ös lábával sorban egy ellenállás. Nem tudom kell-e. Úgy próbáld ki a tápot először, hogy a 4N25 4-es 5-ös lábát ki forrasztod, és ne teszel helyette egy potit. akkor nem magát fogja szabályozni, hanem te a potival. Az, hogy így el indítja, aztán le állítja, ez nem túl jó így. A kimenetedre tettél valami terhelést?(lehet, hogy a tüskék csinálnak pillanatnyi fesz ugrást, amitől azonnal nagy gázzal vissza szabályoz a vissza csatolás.) Mindegy a potival próbáld ki, hogy tutin működik-e. A TL494 is tudja ezt.
irf1324
Nem rossz Fet! a 24V miatt vigyázni kell rá. 300W? nem rossz, Hol veszed annyiért?
Azt nézem, hogy kb. egyforma lehet a két mag keresztmetszete. az inverteres trafóra azt írtad, hogy 2X3 menet volt a primér tekercse Az ezen a frekin nekem ekkora magnál kicsit kevésnek tűnik. Vagy nagyon jó a trafó, viszont akkor mehettek volna frekiben följebb.
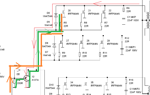
Mindegy. ezt le kellene tisztázni, hogy az biztos, hogy 42KHz-en ment-e, és a 2X3 menet is annyi volt? Ha igen, akkor értelemszerűen maradhat a primer 2X3 menet. 42KHz-hez tök jó a 0,6-os huzal. 0,14T indukcióval szaámolva nekem kijött primer menetszámnak 2X5 menet. A szekunder feszt nem írtad, de ha jól értem, akkor 2X40V lesz. Ezt be lehet lőni a primer-szekunder menetszám arányával. rá kell hagyni, hogy ha beterheled, akkor is tudja azt a feszt, amit szeretnél. Az akksi feszültsége terhelés alatt mondjuk be esik 12V-ig, akkor 2.4V lesz 1 menet. Akkor 2X22 menet lehet a szekunder tekercs. Az 2X52,8V ebből le jön a max kitöltési tényező miatt 6-8%, mert ugye az ic holt időt hagy a két impulzus között, hogy a mag le tudjon mágneseződni. az akkor 48,5V lesz, ebből a graetz el fog vinni 1 dióda nyitó feszültségnyit, kb 1V Akkor lesz 47.5V. Ebből tud majd vissza venni a fesz stabilizátoros vissza csatolás,, és he meg terheled, akkor a trafón eső feszültséget is vissza tudja majd szabályozni a vissza csatolás. Egy 1.2cm2 keresztmetszetű mag 250Wot kell, hogy tudjon. Ezzel akkor a primer tekercs legyen 2X11 szál 0,6mm átmérőjű huzal, a két tekercshez. A szekunder meg legyen 2X3 szál 0.6mm átmérőjű huzal, a két szekunder tekercshez. Remélem rá is fér. Tekercselésnél vegyesen tekerd föl a primer, és szekunder tekercseket, mert minél jobb lesz az illesztés, annál nagyobb lesz az át vihető teljesítmény. Szerintem ennyi menet lehet el se fér az E I magon. Lehet inkább a toroidon kellene próbálkozni. 4 fethez jó lesz. Az SG3525 is vígan elviszi így, ahogy a nyákterveden van. nem kell a gate meghajtásba semmi amiről tegnap írtam.
Összezavarodtam) Akkor a 2x11szál primért a toroidra érted igaz?Nem sok az ? Nem tudom tényleg csak érdeklődök De akkor mennyi menet?
Az EI re meg vagy maradjon meg a 2x3menet vagy 2x5 ahogy te is számoltad? A fetet pontosan bruttó 975 ft ért vettem most néztem meg az árát
2 primer tekercs van ugyi. Azok 5-5 menetesek legyenek, és 11-11 szál 0.6-os huzalból tekerd meg.
2 szekunder tekercsed lesz, azok meg 22-22 menetesek legyenek, 3-3 szál 0,6-os huzalból. Mivel a toroidod és az EI magod keresztmetszete közel egyforma, mind a kettőre jó ez a kiszámolt menetszám. 4A/mm2 áramsűrűséggel számoltam. Ennél nem szoktam többel számolni, mert nem jó ha melegszik majd. EI trafód: Nekem gyanús hogy az nem 42KHz volt, vagy nem 2X3 menet. Ekkora gerjesztéssel már telítésbe szoktak menni a magok! Csekkold le megint szerintem. Ha bírja a 3 menetet, akkor kiszámolom neked úgy is. Idézet: „A fetet pontosan bruttó 975 ft ért vettem most néztem meg az árát” Úgy már nem is olcsó
A 42khz a feten mértem Most ha azt duplázni kell mivel a két fet kapcsol ellenütemben akkor 84khz?Gondolom a vezérlő icn kondenzátornál ott tuti 84khz lehetet nem?vagy hogy is?)
Köszi a segitséget holnap neki is kezdek
Anno én is ilyen zöld mázas kerámiacsöves, talán 25W-os ellenállásokból csináltam egy 4ohmosat. Szépen élére állítottam őket és 1,5mm2-es tömör rézdróttal a legrövidebben összekötöttem őket. Majd megnézem, az értékre nem emlékszem pontosan, 6-8 darabból van...
Üdv Inhouse
Többféle műterhelést készítettem (melóból kifolyólag is) a legutóbbi nagyon kicsi, 300 db 1,2KOhmos 2W-os ellenállás párhuzamosan, köztük a levegőt ventilátor keringteti.
Az most nekem is jól jönne)mert semmim nincs amivel le tudnám próbázni.
Jól megy a táp egység köszi .Volt egy két hiba amit elkövettem okozott is fej törést
10 lábat + ra tettem nem negatívra.Így ment az oszcillátor csak a kimeneten nem volt semmi)Meg smd 1n kondi szívatot picit megfeszítettem a panelt állandóan ingázott a frekvencia .S mikor újra leforrasztottam már mindent ,nem maradt más gondoltam kicserélem az 1n kondit forrasztáskor a fém lap ott maradt a nyákon .De bele került egy órába mire ráleltem hibára. Ami tl431 illeti nagyon jól működik 80khz -en pld impulzus hossz 5,4 MikroSzekundum lenne addig atl431 -gyel csak 900ns Hosszú az impulzus magyarán terheléstől függően szabályozza az impulzus hosszt is.Bár nekem csak 10p kondim volt bele azzal is müködik.Kíváncsiságból betettem egy 4,7 n akkor hintázott a tápfesz így maradt a 10p. közbe rájöttem miért van 47mf kondi a kapcs rajzba igy a két másodperc késéssel indítja a fet meghajtó lábakat magyarán 0-1v késleltet csak az oszci megy 1-3V között míg feltöltődik a kondi vátoztatható az impulzus hossz. Ha a 47mf kondival párhuzamosan kötünk egy 15k ellenállást és egy 50 k potit így 0-100% ban szabályoz ható az impulzus szélesség.Így szabályoz ható a két fet átkapcsolási ideje .Így be lehet állítani a lassabb feteket is mivel nem nyitnak egymásra. Idézet: „1-3V között míg feltöltődik a kondi vátoztatható az impulzus hossz.” impulzus széllesség.
Tudsz jelalakokat fényképezni?
Fényképezd le a kész produkciót. Hagy lássuk milyen lett. ![]() Nem nagyon értem amit mondasz. Miért 80KHz lett a freki? Azt a trafót tekerted meg, amit számoltam? Azt látom, hogy a fesz vissza csatolás a kitöltési tényezőt az egyhatodára csökkenti. Mi újság van full terhelésnél? Milyen a jelalak? Meddig szélesedik a kitöltési tényező? Tüskék hogy állnak? Idézet: „0-100% ban szabályoz ható az impulzus szélesség.Így szabályoz ható a két fet átkapcsolási ideje .Így be lehet állítani a lassabb feteket is mivel nem nyitnak egymásra. ” Nem a fetek lassúsága miatt kell a holt idő (Dead Time), hanem, hogy a trafó le tudjon mágneseződni. Különben ha szabályozott a tápod, akkor nem annyira szükséges ezzel játszani, mert a fesz vissza csatolás miatt sose engedi a tápot max kitöltéssel menni. Akkor lenne érdemes ezzel foglalkozni, ha nincs vissza csatolás, ott számít, hogy az egyen irányítás után minél rövidebb ideig forduljon elő, hogy a puffer kondi ne kapjon utánpótlást. Akkor stabilabb lesz a kimenő fesz. Vagy ha fojtót használsz, akkor is az a jobb, ha rövidebb időt kell ki pótolni.
Jel alakot persze ,mivel számítógépes az oszci.Csak nem valami jó pillanat képet csinál vagy nem jó formátumban mentem az is lehet de még dolgozok rajta)Kinevettem
zn4416 milyen problémái vannak müterheléssel közben meg én sem tudom mivel terhelni.Egyenlőre még szereznem kell valamit.Van viszont egy gond nem teljesen szimetrikus a táp fesz kimeneten 35v és 45v ha a fojtót kiiktatom 39,5V és 40,5V nem igazán értem a jelenséget.fojtó pc tápból kiszedet kb 15 - 15 menet tekerve magra persze tudom nem ide van méretezve de nem is tudom hogy kellene méretezni..?A 47mf os dolgot csak érdekesség képen mondtam hogy tudjatok róla ,ilyet is lehet csinálni Nekem maradt simán a 47mf.Ha jól tudom a mag lemágnesezési ideje az mikor ,tekercs megkapja az impulzus s a tekercsen leeső feszültség ?? vagy az hogy leesett a feszültség nem azt jelenti hogy a mag le is mágneseződ öt??szeretném tudni ha erre tudnál válaszolni jó lenne.Pontosan hogy is van ez.Vagy esetleg a szekunderen leeső vesz jelenti ezt ? jó lenne tisztán látni jelenséget)A menet szám annyiban változott primer 4-4menet 0,6huzal 4-4 szállA szek 20-20 menet 0,6huzal 2-2 száll.
Freki az maradt 42khz- en csak ép 80khz volt mikor mértem .De arányaiba közel azonos 42khz is.
Mivel nem terheled a tápod, így a szekunder oldalon lévő tüskék különbözőképpen töltik fel a kondikat. Az is segíthet, ha a kimenetekkel párhuzamosan be forrasztasz egy-egy 5W-os ellenállást, mondjuk 2-5Kohm értékek között. Ez meg adja az alap terhelést a tápnak, és nem szaladgál el a fesz egy kis tüskétől.
A kérdésedet nem értem. Nem sikerült túl Magyarosra A hiszterézisre talán itt találsz megoldást. Bővebben: Link |
Bejelentkezés
Hirdetés |








Volt ilyen.





