Fórum témák
» Több friss téma |
Ez a 220V-os motor biztosan egyenáramot igényel?
Nem is fogsz, mert ez a DC motorok fordulatszám szabályzásáról szóló topic. Szerintem neked frekvencia váltó kell.
ebben nem vagyok biztos...es most nem is tudom megnézni..de a napokba kiderítem
Lehet hogy váltó áram kell neki.. anyagforgatásra szolgál 1 nagy orosz gépcsodában ![]() lassítani kellene ...
Így van, először tájékozódni kell és utána értekezni a lehetőségekről.
Szia!
Az iparban a 220V-os DC motorok vezérlése leggyakrabban még mindig tirisztoros áramirányítokkal történik. Ez nem PWM vezérlés, de ha ilyen kellene, akkor lehet, hogy tudok segíteni.
De ha váltóáramú akkor csakis frekvencia váltóval tudom lassítani??
De sztem DC mert arra emlékszem hogy nagy transzformátorral van táplálva, és csomó kondenzátor is van még a tetején, ha váltóáramú lenne akkor direktbe kapná az áramot...sztem Maradjunk annál hogy DC!
Igen..sztem az kell! és a segítség is kell
Jó lenne tudni végre, hogy milyen motorod van. Ha már nem tudod megállapítani, legalább egy fénykép a motorról, vagy (és) adattábla
Az előbb írtam hogy nincs a közelembe a motor.....
De biztos vagyok benn hogy DC!
Van rajta kommutátor, és 2 (vagy 4) db kefe?
És mitől vagy biztos benne hogy DC?
2 kefés
Van 1 papírom ahová felírtam hogy egyenáramú.. És ha jól emlékszem a váltóáramú motrokon nincs kefe..
Íme egy DC szabályzó.
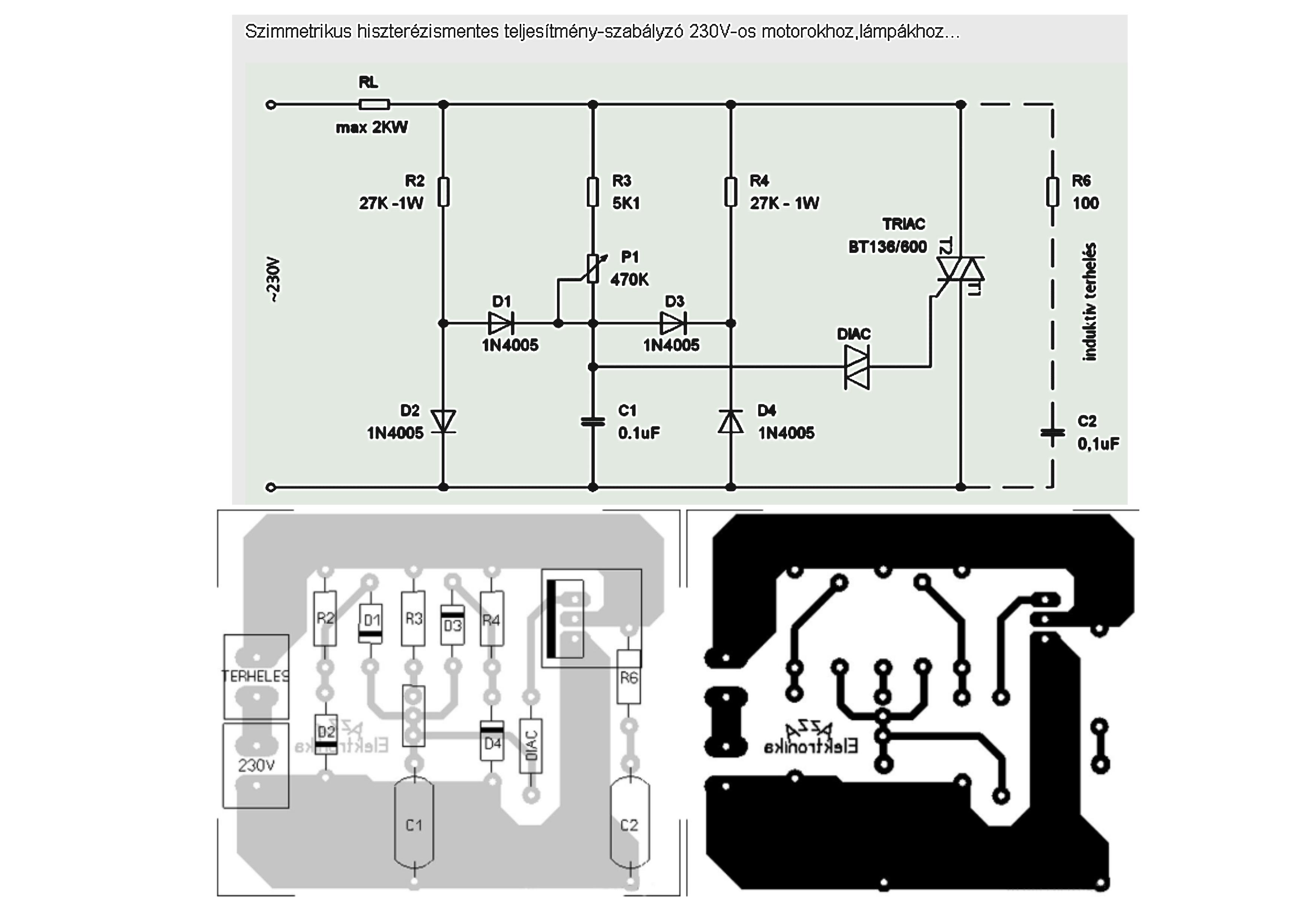
Akkor a becsületes neve egyfázisú váltóáramú univerzális soros motor. (ha váltóáramról, trafóról van táplálva) Elvileg megy egyenárammal is, csak egy kicsit más kefeszög állítás kell hozzá. Jól lehet szabályozni PWM -el is, de sokkal egyszerűbb egy triakos fázishasításos szabályzó. (ez is egyfajta a PWM szabályzó)
Ez meg egy háromfázisú, hátha kell valakinek.
kösz pucuka..de kellene rajz,séma,kapcsolás valami kézzel fogható, vagy akármi ..szöveggel nem tudom szabályozni..
az infók jók valószínű de ez nem elég.. Bocs ha megsértelek de valami konkrétumot várok...ha azt is kérhetek... Kösssz
Azt a triakosat már ecseteltük az elején.
Nagyon jó. Csakhogy ez háromfázisú szinkron, és asszinkron motor vezérléséhez jó, és nem DC motorhoz. Ezekből a keverésekből van a baj, elég zavaró.
De ha fázishasítós változat kellene,akkor meg ez is jó lesz valamire.
Ez csak 1 fázisból csinál hármat, szabályzás nélkül.
Ahogy kadarist írja. találsz fázishasításos triakos kapcsolást bőven akár a fórumon is. meglehetősen egyszerű kapcsolás, még a zavarvédelemmel együtt is. Nézz körül példának okáért a cikkek között.
Na ja, de nem mindenkinek van otthon 3 fázisa, bevezettetni meg elég sokba kerül. Mondjuk egy motor miatt nem is érné meg.
Igen, de ez a kapcsolás nem a témába vág. És még azt is tegyük hozzá, hogy ez 3x230V-ot állít elő és nem 3x400V-ot, de egyébként egy nagyon hasznoz dolog. Egy magyar származású mérnök publikálta, aki az IR-nél dolgozik.
Üdv!
Van egy 90VDC motrom. Mi kell ahhoz, hogy tudjam szabályozni a fordulatát? köszi.sun
Szia!
Ezen az oldalon találsz egy jó kapcsolást "2kW DC motor controller" címmel.
Ebből a topicból küldtek ide...
Most akkor tudna valaki segíteni? 220 Voltos 3,7 Kw egyenáramú motorhoz kell fordulat szabályzó.PWM es és lehetőleg ne Pic es mert nincs Pic programozóm... Valaki???
Igen, jó helyen vagy, de az a kapcsolás odaát volt. Nézd meg te is az egyel előbb belinkelt 2kW-os szabályzót.
Nézd meg a motorod adattábláját vagy a gépszörny leírását, hátha meglátod a teljesítményadatot. Ha tanár lennék, akkor azt mondanám:
Édes fiam jövő órára tessék készülni. Egyes, leülhetsz. |
Bejelentkezés
Hirdetés |








