Fórum témák

» Több friss téma
Fórum » Elektromos vízkőmentesítő
 
Témaindító: onorbert, idő: Jan 12, 2006
Témakörök:
Lapozás: OK   2 / 28
(#) gulyi88 válasza Tom Lord hozzászólására (») Aug 11, 2006 /
 
az arra próbáltam rávilágítani hogy
mivel láttam a végeredményt ezért és is a laikusok táborához csatlakozom....
azaz szem nem valószinűű hogy műxik a cucc...

az anódrúd ami egy összetett anyag azzt biztos műxiki mert a vízkő rendesen felzabálta,
maradt egy letört csonk belőle hát elég szépen szétmarta a vízkavics ...

szal elég hihetetlen történet ez a 2 tekercses vízkőbontó vagy mi a szösz..

ennyi
(#) PCB válasza gulyi88 hozzászólására (») Aug 11, 2006 /
 
Szia !

Tisztázzunk valamit:

1, Ez az áramkör nem kémiailag bontja a vizkövet mint az anódrud.

2, az áramkör egy egyszerú rezgőkör 1-től 5KHz -ig
(vagy ahogy beállítod).

3, Nem eszi meg a vizkövet, csak rezgeti a csövet, így a vizkő töredéke tud csak a cső falán(tartály) falán megülni.

4, ugyan azt a vizköves vizet iszod meg mint eddig.

5, Ez nem csoda, egyszerű elektronika.

6 anyagok tisztítására is használnak hasonló elven múködő cuccot, csak az jelentősen nagyobb, és magasabb frekin működik.

7, két lógó vezeték........ ezt meg nem kommentálom ezen az oldalon, talán valami szakács fórumon
(#) pbalazs válasza gulyi88 hozzászólására (») Aug 11, 2006 /
 
Kicsit OT, de ...

Idézet:
„az anódrúd ami egy összetett anyag”


Elég sok magnézium van benne. Na, ki emlékszik még az általános iskolai kémiaórákra?
(#) gulyi88 válasza PCB hozzászólására (») Aug 11, 2006 /
 
naaa azéé nem kell egyből OFF nyugi

szted én nem vágom hogy az a ..sz@r.. cucc nem kémiailag bontja a vizet
csak ÁLLÍTÓLAG szétrombolja kisebb darabokra.. hehe hogyne loool Isten is van csak még senkisem látta ez ugyan olyan
de ha valaki látta Istent, vagy vágja ennek a cuccnak az elvét és be is tudja bizonyítani az ne habozzon írja le!!!

ui: ami nincs az nem lehet van (anódrúd...)
csá
(#) gulyi88 válasza PCB hozzászólására (») Aug 11, 2006 /
 
ja igen csőrezgetés

felteszem egy helyre a házban avagy a vízóraaknában és az egész házban műxik
sőtt még a szomszédnál is hat nem??? áhh

ha mágneses hatással rezgeti a csövet akkor felejtős... mostanség rezet haszálnak inkább
(#) PCB válasza gulyi88 hozzászólására (») Aug 11, 2006 / 1
 
Idézet:
„szted én nem vágom hogy az a .... cucc nem kémiailag bontja a vizet”
(#) gulyi88 válasza PCB hozzászólására (») Aug 12, 2006 /
 
legyen csak vízköves ki a rákot érdekel

ennyi hawer

(de azt azé díjjaznám ha elmesélnéd h mégis hogy buzerálja azt a csövet mikor van rajta 2 LÓGÓ vezeték ---> egy mA nem folyik át rajta
főleg ha műanyag a vízcső akkor aztán mit rezget mivel loool
amúgymeg tvshopba úgy adták elő hogy szétmorzsolja a kalcium molekuláit....)
(#) Moderátor hozzászólása gulyi88 hozzászólására (») Aug 12, 2006
 
Uraim!

Kéretik normális hangnemben vitázni!

Köszönettel:

a fórumozók és
vicsys
(#) isamisa válasza gulyi88 hozzászólására (») Aug 16, 2006 /
 
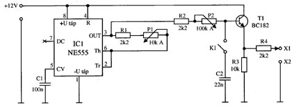
Én egy sráctól kértem egy kapcsolást aki ugy csinálta meg hogy egy fetet rakot a kimenetre és szinte ugyan az a kapcsolás, csak ö a kimenetet összekötötte(rövidrezárta magyarul) az övén aszem 1A-áram is folyt.

Meg csinálták már ezt sokan és akármilyen hülyén néz ki a kapcsolás müködik. De nem szabad csodákat várni töle. A Tanárom szerint ( épületgépésznek talulok) van értelme ezekenek a kütyüknek, de a végeredmény nem csak ettől fog fügenni. Ugyanis nem mindegy az sem hogy kinél milyen fajta a viz, milyen az összetétele, mennyi negativ, pozitiv ion, ásványi anyag van benne. Mert van amikor egy meghatározott viz összetételllel semmit sem tud tenni. És mint már fentebb irta valaki nem szétrombolja a vizkövet csak egy kicsit átalakítja hogy ne tudjon olyan könnyen kiválnii.

Akik megcsinálták azoknak már 2 éve megy folyamatosan és az az eredménye hogy a vizkö ugyan ugy kivállik de csak fele annyi mint eddig. És azt is könnyen le lehet törölni nem kell anyi surolószer...
Én leteszem mellette a voksomat, nem sokat veszitek vele ha összedobok eggyet.

Ami mindenképpen igaz: boltban 12eFt-ért nem fogok venni.... Ha valami hülyeség hát akkor ez.

Az ezermestereshez most csináltam én is meg egy nyákot, későn olvastam el ezt a topicot. na mindegy...

Isa
(#) bbatka válasza isamisa hozzászólására (») Aug 16, 2006 /
 
Na ennek a változatnak már én is láttom értelmét. Főleg ha lehet állítani a frekvenciáját. Gondolom a részecskék saját rezonanciafrekvenciáján a legjobb hatásfokú.
(#) isamisa válasza bbatka hozzászólására (») Aug 16, 2006 /
 
Megkeresem és majd berakom, most nem tudom hol van, lehet a másik gépemen:

-Hány méter vezeték legyen feltekerve? Illetve akkor hány menet legyen?



MINÉL TÖBB MENET, ANNÁL NAGYOBB A MÁGNESES TÉR, ANNÁL JOBB A HATÁSFOKA. ÉN MOST KB 20CM-ES CSŐRÉSZRE TEKERTEM FEL, 2 RÉTEGBEN A DRÓTOT...HA JOBBAN HOZZÁFÉRTEM VOLNA A CSŐHÖZ, 3 RÉTEGBEN IS FELTEKERTEM VOLNA...



-Mik a tapasztalatok mostmár így hosszabb távon? Érezhetően jobb lett?

NEM LEFUTOTT LEMEZ, ÉN MÉG HASZNÁLOM. NEM MONDOM HOGY NINCS VÍZKŐ, DE KEVESEBB VAN ÉS KÖNYEBB LEPUCOLNI SZERINTEM…



-És a fetnek mindegy hogy milyen legyen?



HASZNÁLHATSZ AKÁR IRFZ44-ET IS. ÉN ELŐSZÖR NEM TO-220 TOKOZÁSÚ FETET HASZNÁLTAM (LÁTHATOD A NYÁKON IS), DE MOST ÁTTÉRTE TO-220-RA, MERT RÁ KELLETT TENNEM EGY HŰTŐBOTDÁRA…MELEGEDETT.

NEKEM KB 2A FOLYIK ÁT CSÚCSBAN A TEKERCSEN…ÁRAMKORLÁTOZÓKÉNT SORBA KELLETT KÖTNÖM EGY 12V 60W-OS AUTÓ IZZÓT IS…ÍGY IS KB 2A A CSÚCSÁRAM… J AZ EGÉSZ ELEKTRONIKA NEKEM 5V-RÓL ÜZEMEL.


Ezt kaptam e-mailban, én kérdeztem...
(#) László zs hozzászólása Jún 24, 2007 /
 
Most találtam, talán a legrégebbi típus.
(#) isamisa válasza László zs hozzászólására (») Jún 26, 2007 /
 
Kicsit el vagy tévedve
Ez a kép alapján tökéletesen látszik hogy egy ősi átfolyós vízmelegítő

Király amúgy, őrizd meg. Bár én be nem dugnám a konektroba
(#) Dr.Megavolt hozzászólása Jún 26, 2007 /
 
Az a cucc tenleg egy kicsit eletveszelyes,meg nem vennem
es itt egy vizkomentesito...
(#) isamisa válasza Dr.Megavolt hozzászólására (») Jún 26, 2007 /
 
Azt már nem igen tudod megvenni, lévén több mint 30 éve nem gyártanak ilyet. Ha nem több....

Azt a rajzot meg már feltettük. Jobbat is. El kell olvasni a topicot.
(#) lgyk válasza isamisa hozzászólására (») Jún 26, 2007 /
 
"Jobbat is."

Működőképesebbet kétlem.
(#) isamisa válasza lgyk hozzászólására (») Jún 26, 2007 /
 
Ezek az egyszerübb rajzok lehet nem tudnak olyan nagy hatást kiváltani. De a folyamatra már ipari színtü termékskála van...

Láttam annak a szkópképét és elárulom nem evett többet az se mint ezek itt. De müködött! És nem is rosszul.

Nem érdemes leszólni a hatásoságát mert van olyan terület ahol nagyon nagy szükség van egy ilyen szerkezetre. Gondoljatok csak bele egy gözkazánházba milyen fontos lehet. Persze csak az tud belegondolni aki tudja hogy az micsoda...
(#) lgyk válasza isamisa hozzászólására (») Jún 26, 2007 /
 
"Nem érdemes leszólni a hatásoságát mert van olyan terület ahol nagyon nagy szükség van egy ilyen szerkezetre. Gondoljatok csak bele egy gözkazánházba milyen fontos lehet. Persze csak az tud belegondolni aki tudja hogy az micsoda..."

Hát, a vízkő valóban probléma a kazánoknál, de nem aludnék nyugodtan egy olyan kazán mellett, amiben egy ilyen kütyü "garantálja" a vízkőmentességet.

Talán nem véletlen, hogy ipari környezetben nem használják.

"De a folyamatra már ipari színtü termékskála van..."

A nemiszervnövelőknek is igen széles termékpalettája van, mondhatni ipari szintű. Szóval marketing szempontból legalább működőképes a dolog.

Bővebben: Link

Bővebben: Link
(#) lgyk válasza lgyk hozzászólására (») Jún 26, 2007 /
 
(#) isamisa válasza lgyk hozzászólására (») Jún 26, 2007 /
 
Érdekes doksi.
Köszi szépen. Majd átolvasom részletesen.

Mindenesetre amit én ismerek az egy húsüzemben dolgozik, és valóban kellett neki egy kis igazítás hogy rendesen müködjön. De a független labor eredményeit nem lehet megmásítani.( hogy menyi vízkö maradtt, ílletve milyen fajta vízkő, nem tudom tudod e hogyan mérik a vízkö mibenlétét...én tanulom, és tanultam is róla sokat) Szal.... mindenki azt hisz amit akar.

Ezek pedig eleve otthoni felhasználásra vannak kitalálva. Ott pedig nem kell olyan minőségű mentesítés.
(#) dpeti válasza isamisa hozzászólására (») Jún 26, 2007 /
 
hol lehet megnézni azokat a független laboreredményeket?
érdekelne, valaki küldjön linket plz
(#) lgyk válasza isamisa hozzászólására (») Jún 26, 2007 / 1
 
Hátkéremszépen, a vízkő nem más, mint kál-ci-jum!!!

A független labor eredményei pl. amit az USA hadsereg mérnökei lemértek. Elég megbízható mérési eredményeik vannak, még brizáns robbanóanyagok bomlástermékeinek térbeli szóródását is mérték, szóval nem kispályás Teszkógazdaságos műszereik és mérnökeik vannak.

A vízkő a változó vízkeménységet alkotó Ca- és Mg-hidrogén-karbonátból hevítés hatására keletkező CaCO3 ill. MgCO3. Persze ez nem egészen pontos, mert a változó keménység nem csak a karbonátkeménységből áll, de az esetek többségében megállja a helyét.

Kazántápvíz esetén nem kívánatos a vízkőképződés mellett fellépő enyhén korrozív CO2 fejlődése sem. Kazánoknál jelentős problémát okoz az állandó keménységet alkotó gipsz is, ami szintén kiválhat. A kazánkő keménységét elsősorban a gipsz- és szilikáttartalom határozza meg (keménység nő), valamint a hidratált vas-oxiddal együttes leválás (lazítja a kazánkő szerkezetét).

Kazánkő feloldása inhibitorral kevert savakkal történik.

A levált csapadék szerkezetét Threshold-effektussal lehet megváltoztatni, aminek a lényege, hogy megfelelő adalékok (pl. foszfonsav) hatására a kicsapódás késik, valamint a csapadék kristályos helyett amorf lesz, ami nem képez kazánkövet.

Preventív jelleggel lehet a kazántápvizet lágyítani ioncserélő gyantákkal, desztillációval vagy egyéb vegyi eljárásokkal (pl. mészszódás eljárás).

A vízkő mibenlétéről ennyit. Hogy mérik? Nyilván gravimetrikusan.

Elektromos/mágneses tér hatására az oldatokban legjobb tudomásom szerint nem jön létre olyan változás, ami a hatás megszűnése után tartósan fennmarad. Víznél kimutattak klaszterekbe rendeződést, de ez röviddel az elektromos tér lekapcsolása után megszűnt (termodinamikailag instabil a rendezett szerkezet, ennek ellenére a bioenergetikusok lelkesen fogyasztják a klaszterizált vizeket).

Azt meg végképp nem tudom megérteni, hogy egy ilyen szerkezet képes lenne a vízkőnek "megmondani", hogy a kiválás helyén milyen kristálymódosulatban csapódjon ki. Olyanban fog kicsapódni, ami az adott körülmények között a legstabilabb!

Elvileg.

Gyakorlatilag pedig nagyon sok negatív tapasztalat van különböző fórumokon ezekről a "vízlágyítókról".

"Ezek pedig eleve otthoni felhasználásra vannak kitalálva. Ott pedig nem kell olyan minőségű mentesítés."

Megfelelően adagolt vízlágyítókkal (vagy ioncserélő gyantával, esetleg RO-módszerrel) bőven elegendő a háztartási víz lágyítása.

Az ivóvizet pedig kifejezetten egészségtelen lágyítani (Ca és Mg-hiányos táplálkozás esetén főleg). Desztillált tisztaságú víz tartós fogyasztása vízmérgezést okozhat (alacsony ionkoncentráció, felborul az ionháztartás)!
(#) dpeti válasza lgyk hozzászólására (») Jún 26, 2007 / 1
 
"Az ivóvizet pedig kifejezetten egészségtelen lágyítani (Ca és Mg-hiányos táplálkozás esetén főleg). Desztillált tisztaságú víz tartós fogyasztása vízmérgezést okozhat (alacsony ionkoncentráció, felborul az ionháztartás)!"

kieg:

gondolom az emberek nagyrészének ismerős az ozmózis nevű folyamat:
kisebb sűrűségű helyről áramlik a cucc a nagyobb sűrűségű felé, hogy a végén azonos legyen a sűrűség mindkét oldalon, namost
ha a vízből hiányoznak ezek az ásványi anyagok, akkor a sejten kívüli víz hígabb lesz, mint belül, azaz a sejtek felpuffadnak, majd szétrobbannak...
röviden ennyi
ezért nem szabad desztillált vizet sem inni
(#) isamisa válasza lgyk hozzászólására (») Jún 26, 2007 /
 
Na kéremszépen ez egy korrekt leírás Amit leírtál az így van valóban.

Örülök, hogy vannak ilyen tudású emberek a fórumon!

Azthiszem ezzel szépen eloszlattad a kételyeket. Muszály vagyok meghajolni és megváltoztatni a véleményem. A többiek pedig eldönthetik kell e nekik vagy sem...
(#) titi hozzászólása Jún 26, 2007 /
 
Nemtudom, mennyire megbízható egy elektromos vízlágyító?
De a munkahelyemen van "ipari" kivitelü.
Egy párásító készüléknek kellene lágyvizet előállítania, de nem igazán sikerült neki! Pedig a párásító nem sok vizet igényel. (most nem részletezném, hogy mi a célja)
A lényeg: ez a vízlágyító tartalmaz aktív szenes szűrőt is, a méretei kb 15*25*10 cm.
Hangsúlyozom, naponta max 2-3 litert kellene előállítania.
Természetesen nem vált be. A párásító figyeli a vízkeménységet, és ha túl kemény neki, nem megy.
Most ott tart a dolog, hogy rá fogják kötni a másik ipari vízlágyítóra, ami kicsit másképp működik. (Ez a palackozó gép számára, ill. a hozzá kapcsolódó technológia számára állít elő lágyvizet)
Ez egy kicsit másképp is működik: a vízlágyításhoz tablettát használ (úgy kell elképzelni mint a calgon)
Teszem hozzá többet eszik mint a mosógép, igaz több vizet is állít elő.
Egyébként a méreteit tekintve kb 5* akkora mint a fent említett, és egyben ez is szűri a vizet.
Csak ennyit akartam hozzáfűzni.
(Ha lesz kedvem, lehet csinálok pár képet a két eszközről.)
(#) szeles hozzászólása Jún 27, 2007 /
 
Talán kezdjük az elején:
Egy kisérlet eredménye akkor "eredmény", ha van párhuzamos kisérlet, vagyis jelen esetben ugyanolyan vízzel ugyanolyan másik cső ugyanott. Ilyen méréseket sokan végeztek, de műszerrel kimutatható különbséget csak "független" kutatóknak sikerült találniuk. Kitől , mitől függetlenek? Elsősorban a tényektől.
Miért állítják mégis hogy jó?
Erre szabadjon egy példát mondanom: Az orvosok nagyon jól ismerik a jelenséget, hogy új gyógyszer kipróbálásánál ha tudja a beteg hogy kapja, akkor gyógyul, ha nem tudja, nem gyógyul. Ezért az összes beteg úgy tudja hogy kapja, de csak a fele kapja, mert a másik fele "hideg vizet" kap gyógyszer helyett. Ha egyformán gyógyulnak, akkor a szer hatástalan, ha jobban gyógyul aki tényleg kapja, mint aki csak hiszi hogy kapja, akkor hatásos.
Ha két csövet egymás mellé teszel - vele és nélküle - és egy idő után az is meg tudja mondani, hogy melyiken volt tekercs, aki egyébként nem tudta, akkor a szerkezet (itt úgy kell írni hogy cuccos?? ) hatásos, egyébként nem.
Hát ez az, amit még nem sikerült elérni csak az ún. "független szakértők" állítják.
(#) yyy hozzászólása Jún 27, 2007 /
 
én nem értek a vizmolekulák lelkivilágához, viszont a vizkövet utálom állandoan reszelni a csapokrol. de az elektronikához azért konyitok valamit. megnéztem a kapcsolásokat és ugy néz ki hogy néhány Khz váltoárammal meg lehet változtatni a molekulák hozzáállását. de azt már nem hiszem hogy egy fél colos vascsövön keresztül néhány menet drot statikus töltése bármit is csinálna. lehet hogy müködik az egész de akkor nem valoszinü hogy nyitott lenne a drotok vége.
(#) titi válasza titi hozzászólására (») Jún 27, 2007 /
 
Csináltam pár képet.
A nagyobbik a működő, a kissebbik az, ami nem vált be.
(Sajna doksinak nem volt időm utánnanézni.)
(#) lgyk válasza titi hozzászólására (») Jún 27, 2007 /
 
A kisebbik (7-8-11-es kép) egy fordított ozmózis elvén működő membrános vízlágyító. Elvileg működnie kellene, csak lassú.

Ez első talán egy gyantás ioncserélő, kation- és anioncserélő oszloppal.
(#) zsoltee82 hozzászólása Jún 29, 2007 /
 
Sziasztok!
Engem is érdekel ez a téma, főleg hogy most már az elektronikai háttere is ismert a dolognak és kapcsolási rajzok is vannak hozzá. Így aztán fillérekből is meg lehet építeni ezt a világszabadalmat
Nálunk otthon (2 szintes családi ház) már elég vízkövesek lehetnek az acélcsövek, mert vagy 20-30 éve építették azokat, ráadásul az akkori "szakik" 1/2"-lal álltak be a lakásba, de a kerti csaphoz azért elvitték a 3/4-est. (elég hülyén is nézett ki a wc-öblítőszelep, amihez meg ugye fel kellett bővíteni 3/4-re)
Szóval van vízkő bőven! Namármost kíváncsi lennék én is eme remek készülék hatékonyságának. Utána is néztem a neten egy-két ilyet forgalmazónak. Le is írták a teljes kémiai reakciót ami nekem nem erősségem de azért a lényeget értem. Viszont felmerült bennem pár kérdés, amit itt még nem nagyon láttam tárgyalni:

1: Ez a bc182 tranzisztorral meghajtott hiper mágneses teret előállító csodakapcsolás megegyezik (vagy legalább hasonló) mint amit hirdetnek a nagy forgalmazók az ilyen kisebb családi házakhoz? pl: flodravin. Mert akkor ennél maradnék és nem "fetelném meg" egy nagyobb teljesítményűre.

2: Egy valamit senki nem vetett fel, a térfogatáramot. Azért csak nem mindegy hogy időegység alatt mekkora vízmennyiséget "bombáz meg" ez a masina.

3: Pont ennél a flodravinnál olvastam a kémiai folyamatról és egyvalamin megakadtam:
"A kezelt víz oxigénfelvevő képessége megnövekedik, ezáltal a vízrendszerben levő levegő oxigénjét felveszi és a ferrocsövek belső falán korróziógátló felület alakul ki (Fe2-ből Fe3 lesz). Mivel a Flodravin hatására oxigénnel telítődik a víz, az aerobaktériumok aktivitása fokozódik viszont az oxigént nem igénylő baktériumok, több mint 80%-ben elpusztulnak ."
Szóval ez odaszorozhat a legionella baktériumnak, ami ugye főleg zuhanyozáskor, vagy forró víz engedésekor a levegőbe és utána a tüdőbe juthat. Isa te lehet hogy többet tudsz nálam erről a témáról, engem nem érdekelt ez amikor szó esett róla még anno a főiskolán. De a volt főiskolai tanárunk, SZiSa biztos regéket tudna erről mesélni (ugyanis ő fejlesztette ki és szabadalmaztatta a hiper-szuper legionellaölő készüléket)

És plusz egy érdekesség ami eszembe jutott még:
Ez a kütyü bombázza a vizet és idővel a meglévő csőfalra lerakódott vízkőréteget is feloldja. Namármost ez lehet hogy veszélyes az olyan csövek esetében, ahol már csak a vízkő tartja egyben a csövet (régi acélcsövek esetén pl.), merthogy kívülről meg a rozsda bombázta szét a csövet. Nemdebár előfordulhat az hogy egy idő után már semmi nem áll a víz útjába és gejzír fakad a falból? Vagy túl pesszimista lennék?
Következő: »»   2 / 28
Bejelentkezés

Belépés

Hirdetés
XDT.hu
Az oldalon sütiket használunk a helyes működéshez. Bővebb információt az adatvédelmi szabályzatban olvashatsz. Megértettem