Fórum témák

» Több friss téma
Fórum » VF2 végerősítő
 
Témaindító: proksa1, idő: Feb 7, 2007
Lapozás: OK   75 / 171
(#) Davidd hozzászólása Ápr 9, 2011 /
 
Sziasztok.Enis szeretnek epiteni egy stereo vf2 ot de az a baj hogy se a +/-30 as sem a +/-40 valtozat nem jo mert egyeniranyitva +/-33 voltom van .. valamek a ketto kozul el tudna vele menii szepen...es hany wattot lehet beloluk kihozni? Elesztesnel feltetlen kel szkop? mert ilyen meromuszerekbol csak egy sima digitalis multimeterem van..
(#) SALáta válasza Alkotó hozzászólására (») Ápr 9, 2011 /
 
A ti utcátok se semmi, főleg mikor ellepjük a műv házat és még 3 utcával arrébb is azok parkolnak.
(#) banyaiakos válasza Davidd hozzászólására (») Ápr 10, 2011 /
 
A 30voltos nagyon jó lesz neked. Úgyis esni fog valamennyit a fesz.
(#) Davidd hozzászólása Ápr 10, 2011 /
 
Koszonom.. es kb hany wattot szedek ki belole 8 ohm on?
(#) Davidd hozzászólása Ápr 10, 2011 /
 
Mert van ket db 200w os hangfalam azt szeretnem meghajtani min 100 w al a mostani trafot amit irtam lead +/-33 es +/-22 voltot ebbol nem lehet valahogy +/-55 voltot kihozni ? vagy muszaly attekerni de hat az meg kicsit nem lenne jo mert sokat kell varjak mire apukam attekerne.Az a +/-56v os vf2 lead 100w os 8 ohmra?
Valaszt elore koszonom
(#) banyaiakos válasza Davidd hozzászólására (») Ápr 11, 2011 /
 
Visszaolvasol pár oldalt, találsz egy pdf fájlt. Benne lesznek a teljesítménygrafikonok.
(#) Max78 hozzászólása Ápr 14, 2011 /
 
Sziasztok!
Lelkes, de tudatlan utánépítőként kérném a segítségeteket. A VF2-es erősítőt szeretném megépíteni sztereó változatban 8 ohm-os hangfalakhoz. Az erősítőbe szeretnék védelmi áramkört is, ehhez kellene a szakértők segítsége (nyákterv, alkatrészlista, beültetési terv, stb.). A táppal kapcsolatban is lenne kérdésem: Az "eredeti" terv szerint szimmetrikus 30V kell, de én Király Tibor oldalán azt olvastam, hogy 80 Watt-os erősítő táplálásához, 8 ohm-os hangfalak meghajtásához 40 V-t kell. A mellékelt terven szereplő kapcsolás jó a 40 V-os verzióhoz? A transzformátoroknak milyen paraméterünek kell lenni, A 2*24V 300VA-es toroid trafóból 2 db jó lesz?
Segítségeteket előre is köszönöm.
(#) tibike89 válasza Max78 hozzászólására (») Ápr 14, 2011 /
 
Ha jól megnézed, a VF2 ismertetőjében, Király Tibor honlapján van egy 40 voltos verzió is.Az még többet is tud,100 W-t.Persze rakhatsz rá 30 voltos tápot is.Legfeljebb halkabban fog szólni.A te trafód (24X1.4) kb 33-34 voltot biztosít majd,egyenirányítás és pufferelés után.Az így nyerhető teljesítmény kb 68 W.Ha mindenképp 80 W-t akarsz,akkor a trafó szekunder tekercseit,feljebb kell tekercselni,hogy kb 28-29 voltot adjanak le.A 300VA szerintem elegendő a két oldalnak ,ha nem járatod őket tartósan a csúcson.Hangfalvédőt itt találsz :Bővebben: Link, de a gugli is a barátod .Ja és a mellékelt tápkapcsolás jó.
(#) Max78 hozzászólása Ápr 18, 2011 /
 
Köszönöm a segítséget!
A tápegység még nincs meg, ezen is gondolkodtam, de mivel a +-30V-os verzió mellett döntöttem a 2*22V-os trafó elég lenne (300Watt). A trafó kötelező, hogy toroid legyen? A védelmi körrel pedig teljesen összegabajodtam. A bőség zavarában nem tudom melyiket, hogyan és miért???
(#) Ge Lee válasza Max78 hozzászólására (») Ápr 18, 2011 /
 
Teljesen mindegy milyen a trafó, használhatsz olyat ami neked tetszik, vagy amilyen éppen van.
Védeni két dolgot kell ill. érdemes. A feteket és a hangszórót. A védelmi áramköröket ennek függvényében kell kialakítani vagy mellőzni.
(#) Max78 hozzászólása Ápr 18, 2011 /
 
Köszi!
Kicsit amatör vagyok! Tehát egy védelmi kapcsolást nem igen tudok magamtól összerakni. Ha esetleg valakinek lenne kapcsolási terve ehhez az erősítőhöz azt megköszönném!
(#) Ge Lee válasza Max78 hozzászólására (») Ápr 18, 2011 /
 
Vissza kell egy kicsit olvasni.
(#) Max78 hozzászólása Ápr 19, 2011 /
 
Sziasztok!
Ha nem gond akkor zavarnálak még Titeket, egy-két buta kérdéssel. "Megépítettem" a VF2 KDaudiós változatát. A táppal kacsolatban az lenne a kérdésem, hogy a -+40V-os tápegység megépítéséhez milyen diódákat használjak, és a trafó kiválasztásánál mire figyeljek.
Segítőkészségeteket előre is köszönöm.
(#) Max78 hozzászólása Ápr 19, 2011 /
 
Csatolt állománnyal talán érthetőbb leszek.
(#) Bassmester válasza Alkotó hozzászólására (») Ápr 19, 2011 /
 
Hali!

A sztereó vf2 nyákod megvan valahol LAY-ban?
(#) Max78 hozzászólása Ápr 19, 2011 /
 
Ha nem gond én csatolom
(#) Alkotó válasza Bassmester hozzászólására (») Ápr 19, 2011 /
 
Igen, megvan, de én szerkeszthető munkafájlokat nem adok ki. Csak képként, pl. pdf-ben tudom elküldeni.
(#) Bassmester válasza Alkotó hozzászólására (») Ápr 19, 2011 /
 
Erre gondoltam.
Nem is kell hogy szerkeszthető legyen, csak tudjam kinyomtatni a Sprint-tel.
(#) Alkotó válasza Bassmester hozzászólására (») Ápr 19, 2011 /
 
Én is erre gondoltam, de nem tudod SprintLayout-tal nyomtatni, hiszen akkor már szerkeszteni is tudnád.
A pdf-et is lehet nyomtatni, sőt gyakorlatilag semmilyen minőségromlást nem hordoz magában. Ebben tudok segíteni. Ha így is érdekel, akkor mond meg melyik oldali nézet kell, illetve normál vagy inverz képet akarsz használni.
(#) Bassmester válasza Alkotó hozzászólására (») Ápr 19, 2011 /
 
Köszi, ne fáradj vele. Nekem a Sprint a lényeg, ezért inkább tervezek egyet tetszésem szerint.
(#) mrex válasza Bassmester hozzászólására (») Ápr 19, 2011 /
 
Alárakod a beültetési oldal felől a képet bmp-ként a méretarányt meg a raszter szerint beállítod aztán rárajzolsz
(#) Bassmester válasza mrex hozzászólására (») Ápr 19, 2011 /
 
Köszönöm a segítő szándékodat, de hamarosan elkészülök a saját LAY -al. Ez alapján tervezek, remélem hogy jó lesz...
(#) mrex válasza Bassmester hozzászólására (») Ápr 19, 2011 /
 
Dupla fettel csináld! Ha strapára kell
Az enyém BD241-242 höz van kitalálva

Dupla VF2.LAY
    
(#) Bassmester válasza mrex hozzászólására (») Ápr 19, 2011 /
 
Ez most kivételesen nem strapára kell, hanem az asztalomon álló monitor hangfalaimhoz. Eddig egy STK 496-ot használtam, de sosem tetszett az agyonszínezett hangja és ráadásul el is romlott. Vannak 7294-es (hidalt) végfokaim is, de azok most a zenekarban húzzák az igát.
Szerinted jó lenne ebbe a vf2-be az IRF 640/9640 páros? Vagy van még itthon IRF 540N, ahhoz vegyek inkább 9540-eket?
(#) mrex válasza Bassmester hozzászólására (») Ápr 20, 2011 /
 
Ahogy az adatlpot nézem akkor igen. Nálam 240/9240 és 540/9540 es van mert olyan fet volt a boltban.Bár ez már nem Vf hanem Conductor Kd-mester nyomán.
Annyira nem drága hogy ne lehessen vele kísérletezni.
Sőt szinte kívánja a kísérletezést.
Ha van Multisim kéznél vagy bármelyik más szimulátor.
Nagyon ki lehet vele kísérletezni az optimális beállításokat.Legalábbis az építés előszobájában.
Aztán lehet halgatni méregetni hasonlitgatni.Annyi biztos,hogy nálam mikrofonokkal igen jól teljesít.
Próba szerencse.Több kapcsolást nézz át, és több konstrukcióból össze lehet ollózni egy sajátotAnnyit hogy Tl071 valamivel jobb mély Ne5534 élesebb,tisztább énekhang.
(#) Bassmester válasza mrex hozzászólására (») Ápr 20, 2011 /
 
Oké, köszi a sok jó tanácsot
Akkor kipróbálom először IRF 640-nel. Szimpla műveletiből OPA 134-eim vannak, az lesz benne. Nekem elég lesz 50W is az asztalomra, ezért TO-220 tokozású fetekre terveztem a nyákot, +/-40V ról fog menni. Van még esetleg valami általad ismert trükkje ennek a dolognak? Gondolom ennél nem kell a fetekre ragasztani a diódát... ugye?
(#) bigbrother válasza Bassmester hozzászólására (») Ápr 23, 2011 /
 
Ennél az áramkörnél lényegében a BD 139 -cel oldotta meg a hővédelmet diódák helyett.
Az eredeti VF- nél is meg lehet úszni a diódaragasztgatást, ha BD tranyókat használsz dióda helyett, akkor rá lehet csavarozni őket a fet hűtőzászlójára természetesen "fejjel lefelé". Ha jól emlékszem a B-E diódáját használják. A topikban találsz erre vonatkozó infót, ha visszaolvasol...
(#) punkkazy válasza Bassmester hozzászólására (») Ápr 23, 2011 /
 
A VF6 leírásában van egy kapcsolás a BD tranyók használatával. Az alapján adaptálható más VF szériás erősítőhöz.
(#) Max78 hozzászólása Máj 1, 2011 /
 
Sziasztok!
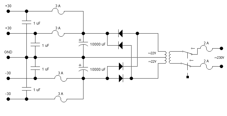
Vf2 építésére adtam a fejem. A táp szimetrikus +-40 Voltos lesz egy +-29Voltos kb 350Wattos toroid trafóról táplálva. A táphoz csináltam egy nyáktervet Eagelben, de mivel ezt sohasem tanultam így megkérnélek titeket, hogy nézzétek át és az esetleges hibákat, javítanivalókat jelezzétek. Előre is köszönöm.
(#) storm válasza Max78 hozzászólására (») Máj 1, 2011 /
 
ÉS a GND pont hol maradt?
Következő: »»   75 / 171
Bejelentkezés

Belépés

Hirdetés
XDT.hu
Az oldalon sütiket használunk a helyes működéshez. Bővebb információt az adatvédelmi szabályzatban olvashatsz. Megértettem