Fórum témák
» Több friss téma |
Szia!
Ezt a TIM ügyet inkább egy másik topicban folytassuk.
Rendben, köszi. Melyikben?
Elméleti elektronika?
Szervusz!
Kiírtam a részleteket ide, ahova köbzoli is javasolta: Bővebben: Link Várom a fejleményeket. Üdv.
Gyönyörűek azok a kivezérlésjelzők avval a kék háttérvilágítással!!
Csak még egy-két észrevétel... Ha jól látom, a hangfal-kimeneteken nincsenek rajta a 2,2 nF-os kapacok: C1501, C1502, C2501 és C2502 - ezek a hangfal-vezetékekről visszajövő esetleges zavarokat, tüskéket eszik meg rögtön a kicsatlakozásnál (mondjuk, szerintem szerencsésebb lett volna gyárilag egy-egy RC-taggal megoldani, pl. 4,7 ohm + 10 nF, de mindegy), valamint, érdekes, de a rajz nem jelzi, itt-ott a földvezetékek és a szasszi-föld közt van egy-egy, ha jól emlékszem, 10 nF-os kis kapac is, mint pl. a hangfal-kijáratok föld-vezetékeinél is és pl. az előfok bejáratánál, a balansz-szabályozó konzolára, valamint a DIN-bejáratoknál is... Ha érdekel, hétfőn megnézem majd, hogy pontosan hol és mennyi....
Találtam a neten egy állítólag jó minőségű, kiszajú előfok-kapcsolást - ezt
- Ez nagyon szimpatikus, mivel kevés az alkatrész és a FET-nek, ha jól sejtem nagyon jó tulajdonságai vannak zaj és karakterisztika szempontjából. Egy Orion SE 260 erősítő előfoka helyett menne, íme a rajz róla, hogy ne kelljen keresni, tehát a balansz utáni 3 tranzisztoros fokozatot helyettesíteném vele. Egyáltalán, az lenne a kérdésem, hogy ez az előfok jobb-e, mint az eredeti orionos, tehát a zaja tényleg alacsonyabb-e, alacsony lehet-e a THD-ja (ezekről a szűkszavú leírás hallgat)... Átalakítottam némiképp, a csatolt kép szerint, ugyanis nekem nem kell megohmos bemeneti impedancia és a FET-es résznek adtam egy plusz RC-szűrést és nem kell, csak kb. 6x-os erősítés, amit a 15 kohm-mal és a FET source-ellenállásával állítottam be és a kimenet viszont keményebb kell, hogy legyen, tehát az eredeti 1 kohm helyett csak 220 Ω-ot tettem bele, mert a hangszín-áramkört is meg kell hajtania, valamint nem kell 450 kHz-es átvitel, elég csak kb. 80 kHz-ig (-3 dB), de ezt a 47 pF-ot csak meghasaltam. Kérdés, hogy jó-e ez így, nem szúrtam-e el valamit és hogy ez tényleg jó lenne-e az eredeti, 3 tranzisztoros fokozat helyett? - Ha nem tudná a tranyó kihajtani a két következő fokozatot, akkor esetleg tartsam meg az eredeti emitterkövetőt? Minden észrevételt és segítséget köszi.
Begyömöszöltem az új előfokot a helyére, amelyről korábban már írtam, amelynek az alapja ez a kapcsolás:
http://electroschematics.com/440/low-noise-preamplifier/ - de kicsit át kellett szabni, hogy jó legyen az SE 260-ba, távtartókkal és a lehető legkevesebb pusztítással; az eredeti előfok majdnem minden alkatrésze benne hagyható. (Igen, nálam fontos szempont az esetleges eredeti állapot lehető legkönnyebb visszaállátása...) Az árnyékolólemezt ugyanúgy rá lehet húzni, mint eddig és rá is kell, mert különben kicsi zúgás van, amelyet a trafó szórása okoz. A legjobb lenne ezt a trafót beletenni egy kalickába, ugyanis ha ráfekszem a 91 vagy 93 dB érzékenységű, 4 ohmos hangfalaimra, akkor egy kis zörgő zúgás még mindig van, amely az eredeti előfokával is megvan... Továbbra is csak azt tudom mondani, hogy hangja összehasonlíthatatlanul jobb, mint az eredeti előfokának és a mérési parái is hasonlók, illetve: bizonyosak jobbak, de gyorsan hozzáteszem, amit ugyan mindenki tud, hogy ezek a mérések és adatok nincsenek összefüggésben a hangminőséggel.... - Az átvitele pár Hz-től 150 kHz-ig, (az eredeti előfok "csak" 100 kHz-ig vitt át), a torzítását meg sem tudom mérni - csak 0,1 %-ig tudok biztonságosan mérni, a kimenete elegendően kemény és a bemenete elegendőel lágy, a zaja nagyon kevés, füllel hallhatóan is kevesebb a szalonnasütés, mint az eredeti előfokával. A képeket és a rajzot csatolom, amelyen a lényeg rajta van. Viszont, továbbra sem tudom vagy inkább nem értem, hogy miért van az, hogy ennek az előfoknak sokkal szebb, korrektebb hangja van, mint az eredetijének, amelyet a Hifi magazinosok is észre vettek, mikor annak is minden mérési parája kitűnő. Ha erre tud valaki valami meggyőző magyarázatot adni, akkor nagyon köszi. Még beleraktam egy hihetetlenül egyszerű lágyindító áramkört, mert kissé meguntam, hogy a C10-es automatát néha leverdeste....
Sorry, most látom, hogy sajnos, hiba csúszott be a kis előfok rajzába. Kíváncsi vagyok, észre veszi-e valaki. Szerencsére, csak rajz-hiba történt, az áramkört nem hibásan építettem meg. Nem nagyon egyszerű, de nem is túl bonyolult rájönni, hogy mi a hiba; hogy rá lehessen jönni, össze kell vetni az eredeti előfok rajzával...
Talán utoljára: Orion SE 260 - módosított előfok. Alaposabban átmértem és mindent végigpróbáltam, ezért néhány dolgot kijavítottam. Pl. rájöttem, hogy a hangszínszabályzó fokozat kissé beterhel, ugyanis, ha a direkt kimenetről mérek és a mély és a magas potikat max-ra kitekerem, bizony beleszólnak a 20 kHz-es és az 50 Hz-es négyszögekbe, a 20 kHz-esek felfutó élének a tetejét a magas poti legömbölyíti, az 50 Hz-esnek pedig a mély poti kis tetőesést csinál. A szintén kiszajú BC549-es emitterkövető beépítésével a probléma megszűnt létezni, de csak a hangszín-fokozatnak van rá szüksége. Ellenőriztem, hogy a hangszín-kimenetről milyen a zaj, nem erősebb, mint a direktről, tehát minden renden. A FET-eket próbáltam hidegítő spray-vel és hajszárítóval kicsalogatni a munkapontjukból; a hidegítőre nem reagáltak, a hajszárítóra azonban egy kicsit igen, ezért inkább javaslom a 18 - 22 V közti tápfesz értéket és nem a korábban javasolt source-ellenállás-érték variálását, mégpedig azért is, mert 18 - 22 V esetén a FET-eket kevésbé vagy egyáltalán nem kell válogatni, valamint az előfokban a kivezérlési tartalék is több lesz. A magasabb tápfeszt a hangszínszabályozó fokozat is röhögve elviseli, sőt, akár a 30 V-ot is, de akkor már egy kicsit nő a zaj, tehát ésszerű inkább a megadott határokon belül maradni. Az a lényeg, hogy a BC559C kollektora és emitter közt biztonsággal legyen 2 V vagy annál több, hogy ne történjen határolás. A hangjáról továbbra is csak a legjobbakat tudom mondani, nem kellenek percek sem, hogy meg lehessen különböztetni az eredeti készülék hangját a módosított készülékétől; nincs verseny a két hangkép közt, a FET-es előfokkal testesebb, informatívabb, teresebb, lényegesen nívósabb hangot kapunk. (Persze, ehhez azért a korábban leírt módosítások is jelentősen hozzájárultak, különösen a kondi-cserék....) Tehát ajánlom mindenkinek, aki berhelés, belezés nélkül szeretne az Orion SE260-asától egy minőségi ugrást felfelé. A lágy-indítót is átrajzoltam egy kicsit, hogy jobban érthető legyen. Ami még hátra van és azt hiszem, nagyon szükséges még: a trafót be fogom burkolni egy Faraday-kalickába, de úgy, hogy tudjon szellőzni, így remélhetőleg mindenfajta szórásból eredő brumm megszűnik és semmi nem marad belőle, még ha ráfekszem a hangszórókra, akkor sem....
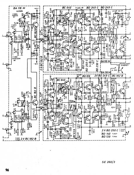
Csak néhány kép, mivel nem várt akadályok miatt némileg változtatni kellett ezt-azt, pl. a trafó szórásának a csökkentése érdekében forgatni kellett, ami a hosszabbított vezetékekből is látszik. Ezzel a brumm-mentesítéssel vért izzadtam, de megérte, ugyanis a direkt-fokozatból hallgatva az égvilágon minden brumm megszűnt, ugyanis a balansz csúszkájáról árnyékolt vezetékkel egyenesen a hangszín-kapcsolóra kerül a jel, tehát semmi sincs útjában.... Az árnyékolólemez nem kell, eredetileg sem sokat segített, ugyanis csak csökkentette a brummot, de teljesen nem szüntette meg, sőt a jelenlegi helyzetben még zavart is okoz, mert a bemeneti és a kimeneti vezetékeket egymáshoz nyomja, ami zavart okoz, magyarán brummot csinál - furcsa, de tényleg így van. A képen látszik is, hogy jó messzire kellett vezetni a trafótól az összes árnyékolt vezetéket. A hangszín-fokozat használatakor egy kis brummogás még maradt, de nem számottevő, ezen már az árnyékolólemez sem segít; és összességében véve ez a tényleg nagyon kicsi brumm már lényegesen kevesebb, mint ami eredetileg volt. (Mellesleg engem a hangszín-fokozat egyáltalán nem érdekel, nem használom, valamint látszanak a képen a korábbi, kevésbé sikeres átalakítások nyomai is...) Talán hozna a helyzeten, ha a trafó primer oldali nyugalmi árama kevesebb lenne, ugyanis egy trafó-gyártó szakember elmondta, hogy egy jó, 300 VA-es toroid esetén kb. 10 mA nyugalmi áram a megengedett, én pedig 25 mA-t mértem és TRMS műszerrel is megmértem... (De most új trafót tekerni vagy ezt áttekertetni?? - Na, ne már.....A vas-kalickát is elvetettem, még azzal is vesződni??....) Ugyanezen ok miatt, illetve ezzel összefüggésben, a FET-es előfok is kikerült a hangerőszabályozó közvetlen közelébe, hogy a trafó ne szórja, valamint, a kapcsolási rajzban nem is szereplő, a hangerőszabályzó alsó és felső megcsapolásain lévő 1,5 kohmos ellenállásokat is eltávolítottam, amelyek, ha jól sejtem, eredetileg a balansz-szabályzó 20 kohmos ellenállása miatt kellettek (ha mégsem, aki jobban tudja, javítson ki), és mostanra már feleslegessé váltak, sőt, egyenesen károssá is, mert a potméter kezdett úgy viselkedni, mint egy rossz kapacitív osztó, ugyanis alacsony hangerőn túllövést csinált, amely már 30-40 kHz-es négyszögeknél is látható volt. - Ezt különben már észrevettem korábban is és több eredeti példányon is, de nem foglalkoztam vele. Az eredeti előfokban benne is van egy 1 kohmos ellenállás a balansz után, nálam pedig az előfok becsatoló ellenállása 2,2 kohm és nincs becsatoló-kondi, ugyanis a FET gate-ja egy 270 kohmmal le van húzva a földre. A képeken látszik még a HFM1 RIAA, ami nagyon jó választás volt, szép hangja van, akárcsak a FET-es előfoknak, amely minden vonatkozásban jobb, szebb hangú és kevesebb zajú, mint az eredeti előfokja. A mérések szerint a hangfal-kimeneteken pár száz mikrovoltnyi zajt mértem, ami egyáltalán nem rossz érték! Látszanak még az új áramkörök táplálásához kialakított zeneres-ellenállásos körök is. - Akinek lenne konkrét érdeklődése az átalakítások iránt, tudok adni részletes útmutatást.
Gratulálok az átalakításhoz, nekem nagyon tetszik!
Jövőhónapban én is nekiállok az átalakításnak mert a RIAA korrektor hangjával nagyon elégedetlen vagyok Ha megtennéd, hogy az előfokod rajzát illetve nyákrajzát belinkelnéd megköszönném Ha van alkatrészjegyzéked az se lenne rossz. RIAA korrektornak én egy LT1028-as ic-vel építettet szeretnék betenni hiraga módosítással és stabilizált táppal.
A RIAA korrektort nem ártott volna külön fém árnyékoló dobozba tenni szerintem. Én is megépítettem az erősítőmbe, de külön kapott egy házat, 0,5 mm -es horganyzott lemezből.
Szervusz, köszi szépen! :--))
Sajnos, nekem nincs NYÁK-rajzom, mert mint ahogy a képen is látszik, egy próba-panelre építettem fel az egész előfokot, viszont beszkennelem és elküldöm az egész kapcsrajzot, amelyen a FET-es előfok is részletesen rajta van, még magyarázó szöveggel is. (Nagyon ritkán csinálok NYÁK-ot, lehet, hogy ez rendetlenség, de nekem gyorsabb....) Az a lényeg, hogy az előfokon a FET és a tranyó közelében lévő alkatrészek egészen közel legyenek, hogy ezzel is a zavarvédettséget biztosítani lehessen. (Az enyém tényleg egy kísérleti darab, ezt még próba-panelen is ügyesebben meg lehet csinálni, csak eredetileg még csatolókondi és más egyéb alkatrészek is ott voltak, amelyek helyeket foglaltak....) Ha minden jól megy, holnap mindent elküldök ide, még a földelések pontos leírása is rajta van. Ha kérdés lenne, jelezd majd. Még annyit, hogy a hálózati trafóját kicseréltem, ha nem titok: fleta nevű felhasználó készített egy olyat, amit szerettem volna, egy 250 VA-es új trafót, amelynek lényegesen kisebb a szórása, amit úgy ért el, hogy a primer oldali nyugalmi áram 12 mA és be lett tekerve védőfóliákkal, valamint a primer és a szekunder közt szintén beépített egy védő-fóliát vagy végtelenített menet-sort (már nem emlékszem), amelyet le is lehet testelni. Így a kritikus hangszín fokozatban, ha teljesen nem is, de már csak akkor lehet hallani valami kevés brummot, ha ráfekszem a hangfalra. Persze, ezt a trafót is forgatni kell, ki kell kísérletezni (a precízebbek szerint inkább mérni :--)) hogy mikor a legcsendesebb... A direkt fokozatban továbbra sincs semmi brumm. Az árnyékoló lemez is visszakerült a potis panelra.
Üdv!
Lehet, hogy nem írtam, de lesz neki, csak még nem jutottam odáig, hogy megcsináljam. Szerencsére így is teljesen csendes, de azért nem fog neki ártani egy doboz.......
A MOD a mellékletekben: a teljes eredeti rajzba minent bejelöltem, ami módosítani való . Még csak annyit, hogy a kis FET-es előfokot teljesen a rajz szerinti elrendezésben érdemes megcsinálni a próba-panelra vagy NYÁK-ra nyomtatni; átkötés semelyik esetben sehol sem szükséges. Én úgy csináltam a próba panelen, hogy a föld-vezeték a szimmetriatengely és a tápfeszt vittem körbe. A hangerő-poti környékén sok volt a gyári rajzhiba... Ha nem látszanának a részletek, mailben el tudom küldeni az egészet. (A mail-em publikus.)
Köszönöm a rajzokat!
Az eredeti kapcsolási rajzok megvannak, így könnyebb lesz az után építés. Jövőhónapban meg is csinálom a RIAA-val együtt, nagyon kíváncsi vagyok a hangjára Nekem egyébként nincs halható brumja csak a RIAA korrektora zajos piszkosul és elég gyenge az erősítése is. Viszont nagyon kíváncsi vagyok a módodra mert ez az erősítő megérdemli a javítást. Így is kiemelkedik a kommerszből és a két ugyancsak feljavított HS 501-esemmel gyönyörű a hangja :yes:
Szervusz!
A kis FET-es előfokkal és az elvégzett módosításokkal jól észlelhetően jobb lesz a hangja, teltebb és a sávszélek is jobban a helyükre kerülnek. A rajzban nincs benne, de a hosszú szövegelésben benne van, hogy az összes kék elkót ki kell cserélni; bármilyen, a legközelebbi boltban kapható elkókkal már javul a hangja. Esetleg a csatolókon és a táp-kondikon érdemes gondolkodni, hogy jobb minőségűek legyenek.... Az eredeti RIAA-ja tényleg nem egy high-end, de annyira nem vészes. Kérdés: ha a bemenetre rákötsz egy lemezjátszót vagy egyszerűen rövidre zárod, akkor is nagyon zajos marad? A uA739-eseknek üresben van egy jellegzetes sisegős zajuk... - Különben a RIAA mindig egy kicsit zajosabb, mint egy nagyszintű, ugyanis általában kb. még 100x-os erősítést igényel, mint amaz. Nagyobb erősítés - nagyobb zaj. Az én HFM1-em sem túl nagy erősítésű. Ha még brumm is van, külön öröm, ugyanis az SE 260-ra nem csináltak külön testelő-csavart, így ha mégis szükséges, mert a lemezjátszónak van ilyen kivezetése, akkor azt a csatlakozóhoz legközelebb eső csavarra kell kötni. Még valami: nagyon becsapós az a dolog, hogy a hangerőszabályzót egy átlagos vagy kicsit átlag alatti jelszintű bemeneti forrás esetén nagyon fel kell tekerni, ez amiatt van, hogy a hangerőszabályzón az alsó és a felső megcsapolásra rá van téve két-két 1,5 kohmos ellenállás, amelyet a rajz nem is jelöl. - Igazából nem jöttem rá, hogy ezt mi célból tették rá, csak találgatni tudok, hogy a balanszot jobban kihajtsa vagy pedig, hogy kis hangerőn finomabban lehessen szabályozni a hangerőt.... - Tehát sok értelme nincs, minden esetre ez is egy torzítást okozó dolog, mert szkóppal megnézve, a hangerőszabályzó pont a kis hangerőn kb. úgy viselkedik, mint egy elromlott kapacitív osztó: a négyszögjelnek túllövése van..... Szerintem akár még bármilyen MOD előtt le is lehet venni ezeket az ellenállásokat. Ha van kedved, írj majd a Te RIAA-dról is mert érdekel, a Hiraga-féle MOD-dal. A HS 501 MOD is nagyon érdekelne; általában minden érdekel, ami MOD. Én nemrég egy HS 40-est módosítgattam, igaz, mérőprogramok és mérőmikrofon nélkül, a lehető legegyszerűbben, csak a váltóját: íme - Kaptam érte Shalafi66 fórumtárstól bőven, de nem hagytam magam.... :--))) (Ő az, akit mindenhol figyelmeztetnek és kitiltanak, stb., nem lényeg...), de aki ezeket a HS 40-eseket hallotta, mindenki elismerte, hogy szépen szólnak. Ha van kedved, nézd meg a linket, a 2011. február 14-től látható a végleges változat, addig csak a "fejlődést" lehet látni, ami annyira nem érdekes..... Üdv.
Szia!
Igen igazad van a RIAA korrektorral kapcsolatban, állandó sistergő zaja van. Ezt valószínűleg az új korrektor megszünteti. Az IC legalábbis ezt ígéri ![]() Ha nem késő akkor hétvégén leírom az összes MOD-ot amit idáig megcsináltam. Addig itt egy fénykép a hangfalról. Üdv.
Klassz! Jól néz ki az a magas az 501-ben! :--))) Rendben, persze, hogy nem késő, várom a MOd-okat.
Üdv.
Inkább érdekesen...
Most sikerült végigolvasnom a retronomos cikkeket
![]() Nem igazán értem Shalafi Úrat Szerintem a zenehallgatásnál szubjektívebb dolog kevés van a világon. Két egyforma fűl nem létezik és hiába szimulálunk csodálatos dolgokat, lehet, hogy meghalgatva nem fog tetszeni. Ráadásul nekem rohadtul nem szimpatikus leszólni másokat, még akkor sem ha nagy tudású valaki! A kioktató hangnemtől pedig feláll a hátamon a szőr Én igenis hiszek abban, hogyha leül egy baráti kör vaktesztre és kihoznak, egy akár filléres hangfalat győztesnek, akkor abban van valami! Nekem például mondhat bárki bármit a HS 501-eseimet nem cserélném el semmire. Igaz vannak hibái, amiket igyekeztem kijavítani ( főleg a csipogó és a hangváltó volt kifogásolható ) de a baráti köröm imádja a hangjukat. Természetesen HS 260-asal meghajtva!
Részvétem a cikkekhez....
Talán kicsit vagy nagyon, de sokat dumáltam.... (Szóban nem szokásom, csak inkább írásban.....) Shalafira vonatkozóan: elismerem, hogy megfelelő mérési eljárásokkal sokkal jobb eredménnyel lehetett volna elérni a HS 40-esek MOD-jára vonatkozóan; a mérések vonatkozásában mindenképp és még talán hangminőségi oldalról is. - Ezt nem is titkoltam, ott is leírtam. De az, hogy ez a váltó elektromosan rossz, elhibázott, azt soha nem fogom neki aláírni, mert ebben nincs igaza, mint ahogy azt sem, hogy a váltó rossz és elhibázott. Az, hogy mennyire jó szakember, nem tudom, bizonyos dolgokat hallottam, hogy ügyesen megold, pl. hangszóró-javítást és még azt írta valaki, hogy szubot is tud építeni, ha akar, de olyan nagy és átütő dolgokról nem tudok.... A meghallgatás pedig a legfontosabb. Valamint az én fülem leginkább élő koncerteken szocializálódott, épp ma este is ott voltam... Érdekes, hogy hamar abba is hagyta a vitát (vagy inkább veszekedést), az utolsó szót is nekem hagyta, ami nem szokása, pedig a java csak most jött volna.... (Mindegy, már eddig is túl sokat foglalkoztam vele.......) Engem érdekelne az 501-esek hangja, ha gondolod, valamikor csinálhatunk egy tesztet, akár az én HS 40-eseimmel együtt is és a MOD-olt SE 260-assal is.... Priviben meg is beszélhetjük valamikorra... Üdv.
Benne vagyok
![]() Csak annyi időt kérek, hogy a RIAA korrektort előbb meg és beépítsem, aztán jöhet a próba. Mellékelem a rajzot, amit szeretnék megcsinálni!
Persze, rendben.
Jééé, ez ilyen kis egyszerű? - Nagyon kíváncsi leszek majd a hangára és nagyon szeretem az egyszerű kapcsolásokat. Nem kell ezzel egyetérteni mindenkinek, de én leginkább a minél kevesebb alkatrész híve vagyok és pedig leginkább hangminőségi okok miatt. (Pl. JLH-végfok stb....)
Most néztem át ennek az LT1028-nak az adatait: íme - Nagyon jó adatokat olvasgattam róla. Hajrá! :--)) Még lehet, hogy én is megcsinálom az egyik SE 260-ba.....
Az ára is "jó"
|
Bejelentkezés
Hirdetés |





























