Fórum témák
» Több friss téma |
Fórum » Tranzisztorok helyettesítése
Köszönöm a tanácsot, holnap elmegyek veszek egy olyan tranzisztort amit írtál.
Közben kicsit kísérletezgettem, az egyetlen ami említésre méltó az ASZ15, avval éppen hogy, de megvan mind a 30V, és terhelhető is. De ez a TO3 tokozás nem az igazi, valami kisebbet megpróbálok majd odarakni.
Sziasztok!! Megszeretném kérdezni hogy ebbe az erősítőbe a TIP142 és a TIP147 helyet tehetnék e be BDW83D és BDW84D?
HEllo.2SC144
2SA144 2SC114 tranyókat a bc széri valamelyik darabjábal nem lehet helyettesíteni?
2sc144->BC302
2sc114->2N2222 talán,de várd meg míg valaki megerősíti. A lábkiosztásra figyelni kell.
Köszi.A BC302 lábkiosztása ugyan az?Vagy arra is keressek rá inkább.
Öö lehet én értem félre(több mint valószínű)de a C144 és az A144 között nem csak annyi a különbség hogy az egyik PNP a másik meg NPN?Én így értelmezem.Mert az említett két helyettesítő azokNPN-ek.
Az sa144-re én nem találtam semmit.Lehet,hogy azok komplementer párok(sc144-sa144)...amúgy sc az npn,sa meg pnp.
JA értem tudtam én hogy nálam van a hiba.Akkor a C jelű a NPN akkor az megvan és akkor még kell egy PNP.Azt majd megmondom hogy PNP legyen és 50V meg 2-300mA.A lábkiosztást meg megnéztem itthon hogy meyik hiva apanelon meg fel van tüntetve hogy hova kell a EBC.
Szia!
Nem esetleg 2SC1140 és 2SA1141-ről van szó? Már csak azért kérdezem, mert a 2SA144 egy ősrégi germániumtranzisztor Bővebben: Link
Sajnos nem tudom mivel a tranyóra annyi van írva hogy C144 meg C114 meg A144..De találtam egy oldalt ahol ugya ilyet mutatnak képen.Ez nem az de ilyenek.
MEgvanez az.
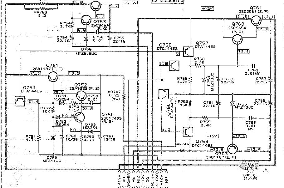
Vigyázz, mert nem biztos, hogy sima tranzisztorokat rejtenek ezek a tokok, hanem digitális tranzisztorokat.
A betűk elé nem 2S kell, hanem DT, a DTC144- DTA144-re keress rá.
Na akkor már nem tudom it vegyek.Ezek a tranyók egy hifonek a feszültség "készítőjében" vannak.23VDC megy a panelba és +-12V,+10V és +5,6V-ot csinál belőle.Persze zenerek meg nagyobb tranyók segítségével.
Akkor milyen néven keressem?
A jó *************-be.Most ugrott be hogy a kapcsolási rajzon fel van tüntetve a típus.Szerintem ezek a lapus tranyók a rajzban nem körrel ahnem négyzettel vannak jelőlve.És *****eg tényleg.
Halál pontosanilyen..És tényleg digitális.Kössz a figyelmeztetést.
Ugye milyen jó rendesen megnézni a kapcsolási rajzot? :yes:
Kadarist!
Ma végre volt időm, beépítettem a 2SA78 helyett a BC640-et. A 30V megvan, de most meg nem tudom letekerni úgy 0-ra, hogy a 30V megmaradjon!* Mi a fenét tud ez a 2SA78? Nem lehet esetleg valamilyen darlington-párral helyettesíteni? *3 potméterrel lehet a tápot kalibrálni, egyel a 30Vot, egyel a 0Vot lehet beállítani, egy pedig a túláramvédelem szabályzója Idézet: Ezt hogy kell érteni? A germánium tranyónak kicsi a maradékfeszültsége, ezért lehetnek anomáliák a szilíciumnál. „de most meg nem tudom letekerni úgy 0-ra, hogy a 30V megmaradjon!”
A 2sa 78 helyett a 2sa 1015 ami megfelelő lehet.
Ez már sajnos sehol nem kapható (még direkt helyettesítő sem), mert ez egy régi germánium tranzisztor.
Egy kis kitartás és böngészés. Japán oldalon találtam mint a 2sa78 helyettesítőjét. De a te dolgod. Tegyél be akkor AC 128-AT Ha germániumot akarsz.
A táp kalibrálása 2 potméterrel történik. Először is fel kell tekerni minden kapcsolót a legnagyobb állásra (tehát 30Vig) beállítani egy potméterrel a 30V-ot. Utána minden kapcsolót letekerni "0" állásra, és egy másik potméterrel azt állítani be, hogy a "0" valóban 0V legyen.
És itt jön a baj, hogy a 30Vot még be tudom állítani, de ehhez már nem tudom úgy beállítani a másik potit, hogy 0V feszültség jöjjön ki a tápból... Ujfalusi: Köszönöm a tanácsot, a Konthába elvileg van olyan tranzisztor, megpróbálom avval (12 Magyar Forint
Azt már előttem próbálta valaki; nem vált be. 30V helyett kemény 17 jött ki :no:
Jobban megnézve, valóban jó lenne az AC, ki lehetne próbálni. A nulla volt mennyivel tér el a nullától?
Az a baj, hogy a 2SA1015 csk 150mA-es, a 2SA78 pedig 500mA-es, úgyhogy nem kellene erőltetni ezt a típust.
Köszönöm szépen a tanácsokat, nyert a 2SA1015. A 30 az 30V, a 0 az 0V. Megmértem, akárhogyan terheltem a tápot nem folyt több a tranzisztoron 60mAnél, azt meg bírnia kell a 2SA1015nek. Most valami a másik oldalon nem jó (2V jön ki 30 helyett.... de ez már az én problémám. Valószínüleg rosszul kötöttem be valamelyik forgókapcsolót. A fene egye meg a kettős tápegységeket, az egyik oldal sose jó...
Érdekes tranzisztor ez a 2SA78. Néztem a katalógust, VEBO = -2V.
Azért -2V, mert PNP felépítésű. Ha NPN lenne, akkor 2V lenne odaírva.
|
Bejelentkezés
Hirdetés |









