Fórum témák

» Több friss téma
Fórum » Végfokozat TDA2030-40-50-el
 
Témaindító: sasorr, idő: Jan 16, 2006
Témakörök:
Lapozás: OK   48 / 274
(#) Müszi hozzászólása Jún 28, 2007 /
 
Sziasztok!
Van egy kapcsolás a BSS-en, és ezt szeretném megépíteni szubnak.
Szerintetek jó lenne e ez a kapcsolás? Mekkora legyen a trafó?
A kondi kerámia legyen, ami a tranyók bázisa között van??
Elsősorban véleményket szeretnék kérni.
EElőre is köszönöm:Müszi
(#) isamisa válasza Müszi hozzászólására (») Jún 28, 2007 /
 
Ez visszalépés lenne a VF3-után!

Lehetőleg ne használj oda kerámiát. Inkább müanyag dielektromos kondit...

40*2=80
80*1,5=120

120Watt-os trafó kb.
(#) Müszi válasza isamisa hozzászólására (») Jún 28, 2007 /
 
A VF3 mintha nem bírná annyira el a szubot, sokat füt.
(#) Peti_85 válasza Müszi hozzászólására (») Jún 28, 2007 /
 
Akkor talán építs meg a VF nem tudom melyiket... ami 50 Wattot tud!
Úgyis van már biztos annyi feted!!!
(#) Müszi válasza Peti_85 hozzászólására (») Jún 28, 2007 /
 
akkor ne ezt a változatot építsem meg?
(#) Kallai Csaba hozzászólása Jún 28, 2007 /
 
De nem szimmetrikus táp kell vagy igen ?De ako hova jön a test ezt már nem értem
(#) Peti_85 válasza Müszi hozzászólására (») Jún 28, 2007 /
 
Hát én személy szerint még nem próbáltam ezt a tranyós hibrid végfokot, de ki lehet próbálni, nem szólok bele, ami olcsóbban kijön...

Kallai Csaba!

Mihez kérdezed a tápot? TDA-hoz? Mert ahhoz nem szimmetrikus kell, illetve, ha azt a változatot építed meg, ami a pdf-ben van! Ahhoz csak szimplán kell a +!!!
(#) Experimental hozzászólása Jún 30, 2007 /
 
Ha már idekeveredtem megosztanám énis személyes tapasztalataimat a 2030al kapcsolatban. Kb 5 évvel ezelőtt építettem meg a sima 14Wos ecccerű változatot ami a mai napig megvan és jól működik, és ahhoz képest, hogy 14 w ot tud elvileg szóval ehhez képest olyan nagyot nem lehet csalódni benne teljesítmény téren, torzítás már más téma , én annakidején a 20centis somogyi hangszórót lengettem meg ugy vele , hogy majdnem kiszakadt a pille (persze csillapítás nélkül), szóval szerintem az árához képest egész jókis cucc.
Rá egy évre megépítettem a tranyos változtatot, éshát hogyismondjam....
Szóval ha az ember ugy indul neki hogy ez majd 40w ot fog tudni akkor elég nagyot lehet csalódni (leglábbis én nagyot csalódtam) ez egyéni vélemény.Mert szegényke olyan erőtlennek, és esetlen hangúnak tűnt, hogy a próba után 30 percel bontásra is került
Nem azt mondom, hogy ne építsetek ilyet, csak mérlegeljétek hogy mire is lesz képes....
(#) csonthulye hozzászólása Júl 1, 2007 /
 
Hello!
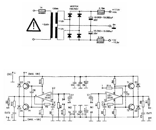
A mellékletben feltettem a TDA2030-as kapcsolási rajzát. A képen látható táp nincs stabilizálva csak szűrve. Nem kellene azt azért stabilizálni?

2030.JPG
    
(#) Müszi válasza csonthulye hozzászólására (») Júl 1, 2007 /
 
Nemkell stabilizálni!
(#) csonthulye hozzászólása Júl 1, 2007 /
 
Na ennek nagyon örülök. Még valami. A kimeneteken látható 3,15A-os biztositékok. Nem nagyok azok egy kicsit oda? (Most lehet nagy hüyeséget kérdeztem...)
(#) Müszi válasza csonthulye hozzászólására (») Júl 1, 2007 /
 
Ne rakj a kimenetre biztit!
Ez pont olyan mintha egy izzó lenneott ergo a kimeneti teljesítményt korlátozza
(#) csonthulye hozzászólása Júl 1, 2007 /
 
Ok majd kiprobalom nelküle. Köszi!
(#) Peti_85 válasza Müszi hozzászólására (») Júl 1, 2007 /
 
Hát azért a biztosíték, azért nem korlátoz! :no:
Az akkor hasznos, ha egy bazi nagy trafóval hajtod meg a kis TDA-kat, és a trafó rá tudna überelni az IC-kre! A trafódtól függ, hogy kell e , és hogy mekkora kell!
:yes:
(#) csonthulye hozzászólása Júl 1, 2007 /
 
Én egy 120W-os toroid trfóról fogom üzemeltetni. 100-os az ajánlott azthiszem.
(#) Doky586 válasza csonthulye hozzászólására (») Júl 2, 2007 /
 
Csak jótanács: A tápágba se rakjál biztit !! (a trafó után)
Ha valamiért kiolvadna valamelyik bizti, azonnal kimenne a féloldali tápfesz a hangfalra, és megölné azt..
Ugyanez vonatkozik a "próbapaneles" kipróbáláshoz:
a +- tápot egyszerre kell ráadni...
(#) csonthulye hozzászólása Júl 2, 2007 /
 
De akkor hova érdemes rakni ami megvédi az egész erősitőt. Csak a trafó primér oldali tekercsére?
És ha mindenhova rakok biztositékot, úgy ahogy a rajzon van az nem jó? Akkor a hangfal védett lesz teljesen.
(#) tomi-lee válasza csonthulye hozzászólására (») Júl 2, 2007 /
 
Hali! Szerintem ha az erősítő föld pontjára rakod a biztit (ami a +- tápról jön) akkor jólesz. Az egész erősítő áramfelvételének kb. 2x-ese legyen a bizti. De nem vagyok benne biztos. Azért ha nem igaz akkor valaki cáfoljon meg. Csak hozzáfűzném hogy nekem a tranzisztoros változattal van egy 4.1 es erősítőm nekem oda elég 2 db 63VA os trafó és én a tápfesz ágakba raktam a biztit. Mindenhova 4A. Az biztos nem vágja le ha kicsit megugrik a teljesítmény. Ha meg rövidzáras lesz a tranyó akkor meg biztos ugrik a bizti.
Az elszálló hangfalak ellen ott van a kimeneti dc figyelő és bekapcsolási késleltető. Nem rossz dolog. A kezdetekkor soxor megmentette a hangfalaimat.
A bizti ügyében szerintem legjobb ha úgy csinálod ahogy én. De lehet hogy meg leszek cáfolva.
(#) tomi-lee hozzászólása Júl 2, 2007 /
 
Jah és attól függetlenül hogy a tranzisztorok alig melegednek (nekem csak langyosak lettek max teljesítményen is) kell rá a borda. Egyszer nekem előfordult hogy elszállt az egyik tranyó. Annyira felmelegedett hogy megolvad az ón alatta. Ennek mondjuk nem tudom az okát. A párja is megkepta a magáét de ő túlélte.
(#) (Felhasználó 4615) hozzászólása Júl 2, 2007 /
 
Hali!

Építettem egy ilyen NORD ELEKTRONIK által gyártott ne078 modellszámú panelt és az lenne a kérdésem hogy a tranzisztorokat ami : BDX53C és BDX54C lehet e helyettesíteni nagyobb teljesítményű tranyókkal gondolok ezalatt pl : BDW83C és BDW84C -re.

Olvatam hogy elég nagy teljesítményt lehet kihozni ilyen végfokból de ezek a tranyók amik gyárilag voltak a kittben nemhiszem hogy azt adnák amit én szeretnék.
A nyákon fel van tüntetve a nagyobb tranzisztorok rajza meg a furatkialakítás is olyan h kétféle méretű tranyót lehet rátenni csak igazán sehol nem találtam meg hogy mi az a tranzisztorpár amit tehetnék bele az eredetik helyett

A 7250-es tda nál a fennt említett BDW tokozásút használtam elég kellemesen szól és mivel voltak problémáim a selejtes tranzisztorokkal ennél az erősítőnél így több párt vettem DBW tranyókból. :S a 7250 TDA megy már hónapok óta a TDA2030 ra meg remélem használni tudom a megmaradt BDW tranyópárokat.

Egyszóval ha lehetséges a bdx54c helyettesítése bdw84c re a párjukkal természetesen akkor véleményeteket várom valamint ha más már próbálta akkor tapasztalatait is megoszthatná velem.

Köszike. :yes:

ui.: ha véletlen valaki írta volna már az elmúlt 95 oldalban a kérdésemre a választ akkor bocsika de forrasztgatni jobban szeretek mint olvasni

cv.jpg
    
(#) szabi83 válasza (Felhasználó 4615) hozzászólására (») Júl 2, 2007 /
 
kapcsi

Bővebben: Link

üdv

sztem jó lesz.
(#) (Felhasználó 4615) válasza szabi83 hozzászólására (») Júl 2, 2007 /
 
Hali!

Akkor tehát azt mondod nyugisan kicserélhetem a tranyókat nagyobb teljesítményűekre?
(#) szabi83 válasza (Felhasználó 4615) hozzászólására (») Júl 2, 2007 /
 
igen, bár nem lesz sztem jobb hangja, max jobban fűt, amugy nekem is tda7250-em van +-45V-ról.. tip147/142

(#) (Felhasználó 4615) válasza szabi83 hozzászólására (») Júl 2, 2007 /
 
TIP142/147 jobb mint a BDW84C/83C tda7250hez?
(#) szabi83 válasza (Felhasználó 4615) hozzászólására (») Júl 2, 2007 /
 
nem tudom, nem hallottam bdw-kkel..

milyen nyák alapján csináltad meg? kit?

üdv
(#) (Felhasználó 4615) válasza szabi83 hozzászólására (») Júl 2, 2007 /
 
Kitt alapján csináltam meg. Eredetileg tip-esek voltak benne de elfüstöltek aztán ezeket kaptam mint helyettesítőket. Most két 25 centis mélyet erősít kevlar SAL 120W ezek sajni nem bírják azt amit az erősítő lead. Nem tom 30 centis mélyekkel megbírkózna e de visszatérve valahogy mintha a tip-esekkel nagyobbat szólt volna ezért kérdeztem bdw-ket próbáltad e már. dehát lehet csak én véltem különbséget :S mert hát mégiscsak helyettesítők vannak benne elméletileg ugyanazt kéne tudniuk. Tény hogy a BDW többet disszipál el 25 wattal. Még igazán ki sem tudtam próbálni mit bír mert nincsen akkora hangfalam
(#) szabi83 válasza (Felhasználó 4615) hozzászólására (») Júl 2, 2007 /
 
Én négy darab sal ahx2030-at (készítek másik hangfalat..), bár ugye sok mindent tanul az ember, ha "minden" érdekli, és utána olvas!!

pl:
Bővebben: Link


üdv
(#) fazksg hozzászólása Júl 4, 2007 /
 
Üdv! Én is megépítettem a Rádiótechnika évkönyvben szereplő Urbán-féle tda2030-assal üzemelő erősítőt. Az ott található nyákrajzot használtam, az ottani kapcsolást, igyekeztem betartani az utasításokat, mégis vannak problémák. Az áramkör tesztelését úgy végeztem, hogy árnyékolt vezetékkel egy rádiósmagnóhoz kötöttem a bemenetet, egy 12 voltos akksiról kapta a tápot, és egy 20 wattos hi-fi hangfal ment a kimenetre. Árnyékolni ezt a tesztverziót nem tudtam (még). A probléma: az egyik csatorna nem vesz fel semmi áramot, ha tápfeszt adok rá, az ic kimenetén (ahol féltápfesznek kéne lennie tudomásom szerint) a teljes tápfeszültséget mértem. Átnéztem a nyákot, hibát, szakadást, rövidzárat nem találtam. A másik csatorna működk, megvan a féltápfesz, 40 miliamper körüli áramot vesz fel, de iszonyú hangos zajok jönnek a hangszóróból, mikor tesztelem. Ha jelet adok a bemenetre, akkor szól a zene (szép halkan), egy bizonyos hangerő felett viszont torzítani kezd, ez alatt pedig a zaj szinte elnyomja a zenét (a torzítás oka talán lehet a nagy bemenő jelszint, a kicsi maximális hangerőé pedig az alacsony tápfeszültség). Nagyobb tápfeszültséggel nem mertem kipróbálni, féltem a hangfalat az esetlegesen még erősebb zajoktól. A hibakeresésben szeretném a segítségeteket kérni, mert lelkes amatőr vagyok (elektronikai képzettség nélkül), azaz hogy hogyan lehetne a zajt megszüntetni, illetve a másik csatornát életre kelteni.
(#) cooler15 hozzászólása Júl 4, 2007 /
 
sziasztok...
csánáltam új panelt a tda2030-as erősítőmnek...
újra összeraktam, és megmértem a 4-es lábon a feszt. a tápfesz. fele volt...tehát akkor gondolom nagy gond már nem lehet...
de mégis mert nem megy... rákapcsoltam a bemenő jelet, és a hangfalat... adtam neki tápot... egy kis hangerőt...de semmmii...
majd tovább tekertem a hangerőt de semmi...
utána megmértem egyesével a diódákat, de mind2 jó...
kivettem a tda-t és beraktam helyette egy másikat... mert szerencsére 2 volt itthon... de akkor is ugyanez volt tapasztalható...
nem értem mi lehet a rossz..segítsetek plíz...ha tudtok..
köszi
(#) Peti_85 hozzászólása Júl 4, 2007 /
 
fazksg !

Amelyik szól, annál lehet, hogy nagyon nagy neki a jel és azért torzít! Próbáld egyszerűen lehalkítani a rádiót.
És szerintem nézd át a nyákot rendesen, hogy jók e a forrasztások! Mert egy ksi kontakthiba miatt is lehet baj!
Ha végülis az egyik már megszólalt - ha nem is szépen - akkor a másik is fog! CSak nézz át mindent, meg hát tudod!!! a képeket szeretjük ám nézegetni! Mutasd meg mit csináltál, hátha úgy többet látunk!

cooler15 !

Nálad is elmnodanám, hogy mindent nézz át! Kondik polaritása, forrasztások! Mindent, mert hát biztos valami piti hiba van a dologban! Olyan nincs hogy 2-ből egy IC sem működik!
És persze, neked is mondom, hogy mutass képet!

Üdv.: Peti
Következő: »»   48 / 274
Bejelentkezés

Belépés

Hirdetés
XDT.hu
Az oldalon sütiket használunk a helyes működéshez. Bővebb információt az adatvédelmi szabályzatban olvashatsz. Megértettem