Fórum témák

» Több friss téma
Fórum » Spektrum-analizátor
 
Témaindító: (Felhasználó 518), idő: Okt 26, 2005
Lapozás: OK   14 / 21
(#) hulk00 hozzászólása Jan 26, 2011 /
 
Hello.
Meg lenne gy kerdesem.
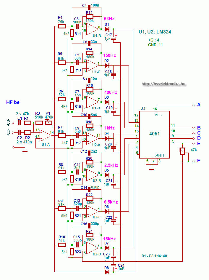
A mellekelt rajzon az U1-A vegzi az erositest igaz? Nos nekem csak az U2 Kellene, abbol is csak a C es D.
Szoval Megeleht csinalni, hogy U1-A helyett U2-A lessz, U1-B-t kihagyom es csak az U1-C es U1-D-t hasznalom.
Nekem arra kellene ez, hogy laptoprol kapcsolgassak 2 relet. Ha valakinek van egyszerubb otlete erre,azt megkoszonnem.
Elore is kosz.
(#) proli007 válasza hulk00 hozzászólására (») Jan 26, 2011 /
 
Hello!
Ki lehet hagyni az első erősítő fokozatot, de mivel a szűrő erősítése 0dB, és a dióda nyitásához minimum 600mV szükséges, nem biztos, hogy a laptop meg fogja hajtani kellő jellel a szűrőt.
üdv! proli007
(#) hulk00 hozzászólása Jan 26, 2011 /
 
Az erösitö fokozat maradna, csak Második Ic 12,13,14 lábára kötném, az első ic-t elhagynám és a másodikból a 2,5 kHz részt. Ez lehetséges?
(#) proli007 válasza hulk00 hozzászólására (») Jan 26, 2011 /
 
Hello!
pld. az LM 324 IC-ben 4 műveleti erősítő, avagy négy egyenértékű fokozat van. Így bármelyiket használhatod bármelyik fokozathoz, csak a lábak jelölése (+ - kimmet) azonos helyen legyen.
De miért nem rajzoltad már le, mit szeretnél? (Mert nincs mivel.. De a paint-ba is radírozhatsz, kopizhatsz.. ha ez van.)
üdv! proli007
(#) hair.menik válasza hulk00 hozzászólására (») Feb 9, 2011 /
 
segitséget szeretnék kérni,és egyben ,,elfoglaltságot" adni valakinek...saját célra az üzletem kirakatába szeretnék csináltatni 2m széles és 50cm magas eqalézert,ami 5db 40cm széles oszlopokból volna összerakva,piros szinű ledekkel ami ütemre ,,mozogna" ....a mellékelt fotó az irányadás. valaki aki tud nekem egy ilyet összehozni?várom a leheséges megoldásokat.
(#) klemo86 hozzászólása Feb 9, 2011 /
 
Az equalizer egy grafikus hangszínszabályzó… A spektrum-analizátorhoz (többsávos kivezérlés-jelző) egy tipp nagyobb kivitelben:
(#) kowi hozzászólása Feb 25, 2011 /
 
Sziasztok.
ami a HE oldalán van spektrumanalizátor van benne egy 2,7uH/0,23A -os induktivitás csak ilyet nem kapok...mit lehet helyette berakni?
(#) proli007 válasza kowi hozzászólására (») Feb 26, 2011 /
 
Hello!
Bármi tekercset. De ha semmit nem raksz be, csak egy derótot, szerintem akkor is jó lesz.
üdv! proli007
(#) kowi válasza proli007 hozzászólására (») Márc 4, 2011 /
 
köszönöm
(#) Bari- hozzászólása Ápr 4, 2011 /
 
Sziasztok

Attila86 kapcsolása alapján szeretnék építeni egy 20 csatornás spektrum analizátort. Végigolvastam a témát de nem találtam a kérdésemre választ.
20 csatorna esetén milyen frekvenciákra számoljam ki a az alkatrészeket? (a képlet megvan, sőt valahol találtam egy kis progit is amivel lehet számoltatni, de inkább visszaellenőrzésre jó). Vannak esetleg jól bevált értékek amit 20 csatornára alkalmazni lehet? Találtam egy 31 csatornásról képet de számomra elég elborult értékek vannak rajta.
Előre is köszönöm a segítséget.

Bari
(#) klemo86 válasza Bari- hozzászólására (») Ápr 4, 2011 / 1
 
Keress 20 sávosról képet, vagy egy equalizerről
Ha bonyolultnak tűnik, itt az enyém:
32Hz: 22nF
48Hz: 15nF
64Hz: 10nF
96Hz: 6,8nF
125Hz: 4,7nF
188Hz: 3,9nF
250Hz: 2,7nF
375Hz: 1,8nF
500Hz: 1,2nF
750Hz: 820pF
1kHz: 680pF
1,5kHz: 470pF
2kHz: 330pF
3kHz: 220pF
4kHz: 150pF
6kHz: 120pF
8kHz: 82pF
12kHz: 47pF
16kHz: 39pF
20kHz: 22pF
A szűrő összes R tagja '124' és '105' jelzésű.
20k helyett 18-ra is méretezheted…
(#) Bari- válasza klemo86 hozzászólására (») Ápr 4, 2011 /
 
Köszönöm szépen :worship:, a Tiéd tökéletesen megfelel
(#) klemo86 válasza Bari- hozzászólására (») Ápr 4, 2011 /
 
Akkor jó
(#) steelbird válasza Bari- hozzászólására (») Ápr 5, 2011 /
 
Ez a kép, amit találtál, ez szoftverből van, nem pedig egy megépített vas, azért vannak rajta ilyen értékek.
(#) klemo86 válasza steelbird hozzászólására (») Ápr 5, 2011 /
 
A gyári nagyokon is ezek vannak
(#) steelbird válasza klemo86 hozzászólására (») Ápr 5, 2011 /
 
Hmm... De a kép attól függetlenül egy DirectX -es plugin kezelőfelülete.
(#) klemo86 válasza steelbird hozzászólására (») Ápr 6, 2011 /
 
Az lényegtelen, ugyanis nem hasra ütött értékek vannak ezeken sem, többet hasonlítottam már gyárihoz Érdemes lenne mérésekkel is…
(#) Bari- hozzászólása Ápr 11, 2011 /
 
Sziasztok

Újabb kérdésem lenne az Attila86 féle spektrum analizátorral kapcsolatban, aki megépítette már tudna mondani egy nagyjábóli maximum áramfelvételt? átlagos áramfelvétel is jöhet, mért érték érdekelne.
Előre is köszönöm.

Bari
(#) Mybuster hozzászólása Ápr 30, 2011 /
 
Hi all Spektrum Analizátort szeretnék építeni itt találtam egy kapcsolási rajzot elmagyaráznátok nekem hogy működik mert nem nagyon értem és mennyire jó ez a rajz ? Köszönöm !Bővebben: Link
(#) szaky27 válasza klemo86 hozzászólására (») Máj 28, 2011 /
 
Helló

Régebben megépítettem Attila86 spektrum analizátorát ami kifogástalanul működik azóta is. Topikot olvassa sokan akarták kibővíteni és én is kedvet kaptam hozzá. Én egy 10 soros és 20 oszloposra gondoltam. Ha a te analizátorod kész van és működik is esetleg vmi dokumentációt tennél fel róla hogy után lehessen építeni természetesen ha publikus és ha nem nagy kérés. Meg pár képet is tehetnél fel mert kíváncsi vagyok hogy hogy néz ki.

A segítséget előre is köszönöm!

üdv
szaky27
(#) Bari- válasza szaky27 hozzászólására (») Máj 28, 2011 /
 
Szia

Olvastam te megépítetted Attila86 féle spektrum analizátort, megtennéd hogy megírod az áramfelvételét? Előre is köszönöm.

Bari
(#) klemo86 válasza Bari- hozzászólására (») Máj 29, 2011 /
 
Az összes IC áramfelvételét számold egy oszlopnyi LED-del! Ugyanis az MPX üzemmód miatt csak egy oszlop világíthat egy időben
(#) klemo86 válasza szaky27 hozzászólására (») Máj 29, 2011 /
 
Akkor csak annyi a dolgod, hogy megépíted mégegyszer ugyanazt A szűrőket kell kicsit átméretezni, ezt néhány hozzászólással ezelőtt részletesen leírtam… Csak ennyi az egész. (Link)
(#) Bari- válasza klemo86 hozzászólására (») Máj 29, 2011 /
 
Ha lehet én mért adatot szeretnék, az mindig biztosabb mint számolgatni

Bari
(#) szaky27 válasza Bari- hozzászólására (») Máj 29, 2011 /
 
Mért adattal nem tudok szolgálni mert nem itthon van hanem az albimba, de nem "eszik" sokat. Én most a számítógépem usbjéről hajtom. Amivel jelenleg annyi gondom van hogy ha hangosítok a hangfalon idegesítő sípolás hallatszik.
(#) szaky27 válasza klemo86 hozzászólására (») Máj 29, 2011 /
 
Köszi a választ. Ne haragudj de most kérdeznék pár alap kérdést. Először is a meglévő panelon is átkell variálnom a szűrőket gondolom és az ellenállások azok maradhatnak? A másik hogy azt hogy tudnám megoldani hogy közös tápról és egy jack bemenettel menjen mindkettő? ÉS még annyi hogy az ellenállás értékeket hogy tudom kiszámolni az új frekikhez?
Meg a meglévőnél annyi kis gondom azért van hogy a legfelső sor sose világít, pedig az összes poti maxon van, igaz ettől még működik csak azért jó lenne a felsőket is tudnám hajtani. Erre a hibára van vmi ötleted?
(#) klemo86 válasza szaky27 hozzászólására (») Máj 29, 2011 /
 
Természetesen a meglévő bemenetet és az eddigi tizesedet használd, csak az audio spektrumot nem tízfelé, hanem húszfelé kell bontani. A beszúrt hozzászólásban leírtam, hogy én milyen értékeket használtam a szűrőben…
(#) szaky27 válasza klemo86 hozzászólására (») Máj 29, 2011 /
 
A régi kijelző helyett szeretnék újat mert az elég csúnyán néz ki, abból csak az alkatrészeket emelném át az újba. Ekkor 2szer megépítem az attila86 félét ahogy mondtad. Az első panelon a frekik 32Hz-750Hz ig a másikon 1kHz-20kHz ig ha jól gondolom. A kondik értékét azt látom meg azt is hogy az "a szűrő összes R tagja 124 és 105 jelzésű" na nekem ezzel van gondom hogy 124 meg a 105 milyen értéket takar mert ezzel így még nem találkoztam. Meg a közös táp, jack bemenetet nem értettem elsőre meg. Az egyikre bekötöm normálisan a másikra meg esetleg vezetékezzem át mert a közzétett tervhez nem akarok hozzá nyúlni.(egyszer átrajzoltam és nem működött) Ez a vezetékezés meg lehet elég "gány" megoldás meg jelerősséget is lehet vesztenék, v. rosszul gondolom? Sajnálom hogy ilyeneket kérdezek de nem ezen téren nem vagyok olyan jó. linkelek egy videót hogy nagyjából mit szeretnék Bővebben: Link
(#) klemo86 válasza szaky27 hozzászólására (») Máj 29, 2011 /
 
A két ellenállás 1M és 120k, az 1Megával csatol vissza. A jelet csak rákötöd a másik felére is, és annyi… Az enyém most így néz ki, miután a második emeletet is megkapta
(3 piros van a tetején, a többi zöld.)
(#) szaky27 válasza klemo86 hozzászólására (») Máj 29, 2011 /
 
Gratulálok ez nagyon jól nézki!
Esetleg a paneltervét megosztod mert akkor biztos után építeném.
Ezt nagy fényerejű ledekből is meglehetne építeni?
Következő: »»   14 / 21
Bejelentkezés

Belépés

Hirdetés
XDT.hu
Az oldalon sütiket használunk a helyes működéshez. Bővebb információt az adatvédelmi szabályzatban olvashatsz. Megértettem