Fórum témák
» Több friss téma |
Fórum » Villanymotor bekötése
Kedves Fórumozók!
Segítségeteket szeretném kérni: Van egy gépház, ahol két 11kW-os motor 20éves, meglévő-megmaradó, és az erősámú szekrényt cserélni kellett. A csere óta a motorok csillagból deltába való kapcsolásakor a hőkioldók leoldanak, a csere előtt jók voltak. Gépész vagyok, a villanyszerelő, a megrendelő, és a tervező sem érti, ugyanakkor a megoldás a miénk, mindenki hárít. Mivel a bekötések ellenőrizve lettek motorokon és szekrényben is, továbbá kicsi az esély, hogy mindkét motor delta tekercse egyszerre adja meg magát, nekem egy olyan amatőr gondolatom volt, hogy esetleg lassú a mágneskapcsoló, vagy időkapcsoló, és összeérnek a fázisok (bocs a kifejezésért: fázispukkanás hangja van). Az időkapcsolón a kapcsolás idejét lehet állítani, de a váltás idejét hogy 0,5 vagy 0,25mp stb legyen azt nem. (az volt a feltételezésem hogy túl lassú) Van esetleg olyan aki járt már így, vagy tudna javasolni megoldást, diagnosztikai eljárást? A szekrénygyártó azt mondja, kössük át a régi motorokat az új motorok bekötéseire (mert abból is van kettő) és ha ott is leold, akkor motor, ha nem, akkor szekrényhiba. De azok a motorok teljesen más gyártmányúak és 7.5kWos gépek, vagyis nem lenne “almát az almával” összehasonlítás. Előre is köszönöm segítségetek!
Szia!
Szerintem a motor tekercskivezetései nem stimmelnek a bekötéssel a szekrénybe. A "fázispukkanás"-t emiatt hallod, nem az időrelé váltás miatt. Újra kell kezdeni és jó lesz. Ki kell mérni a tekercseket a motoron, hogy ki kivel van aztán mehet a bekötés. Biztos nem ment tönkre mindkét motor, egyszerűen csak a tekercskivezetések nincsenek jól bekötve.
Szia! Szerintem a csillag-delta kapcsolásban kell keresni a hibát. Ha
Idézet: ez a helyzet akkor eleve hibás volt az eredeti kapcsolás, ha pedig új akkor pedig rosszul van bekötve a kapcsolási sorrend. A csillagpont elkötő kapcsolónak a kiesett állapota (amit az időrelé VMZ vagy FIR relé kapcsol) engedélyezheti a delta kapcsoló meghúzását, nem a relék, mágneskapcsolók gyorsasága kell, hogy eldöntse a kapcsolás menetét. Ez a "retesz" fontos része ennek a kapcsolásnak. „bocs a kifejezésért: fázispukkanás hangja van”
Szia! Most, hogy olvasom az okfejtésedet ez is nagyon valószínű, sőtt nagyon is oda kell figyelni a tekercskivezetések helyes bekötésére, mert ebből kifolyólag is nagyon hasonló tüneteket okoz a túláram ami a hőkioldókat működésbe hozzák. Ebben csak az a fura, hogy egyszerre két motort is hibásan kötöttek volna be? Semmi sincs kizárva.
Nagyon köszönöm a válaszokat!
Ha jól értem így vagy úgy, de elkötésnek kell lennie. Hogy miért lehet mindkettő elkötve: szerintem az egyszerű emberi hiba. Bekötik az egyiket, utána pedig: “hogy volt a másik?”, lemásolják. Most azon gondolkodom, hogy én mint lelkes amatőr hogyan tudok ennek utánaellenőrizni, mert a szekrénygyártó és a villanyszerelő cég is helyesnek véli a munkáját. Elektromos tervet, csomópontokat tudok olvasni-értelmezni, a mérés mikéntje volna kérdés számomra, mit mérjek milyen beállítás mellett? Előre is köszönöm segítségetek!
Ha új a csillag-delta kapcsoló szekrény, tehát az egész, villamos kapcsolókkal együtt akkor az elkötés talán ott keresendő, hogy a régi motorok kapocslécének a kivezetései az újhoz képest hová lettek bekötve. A csillagpont elkötésig minden jónak mondható, hiszen felpörögnek a motorok de az átkapcsoláskor a delta tekercskivezetések nem stimmelhetnek a régihez képest. A régi motoroknál nem biztos, hogy ugyanaz a betűjelzési sorrend mint a mostani motoroknál. Talán elsőnek ezt lehetne megnézni ez nem kerül nagy munkába és árammentesen mérés nélkül is leellenőrizhető, hogy van e eltérés a régi és új között.
Első nekifutásra szerintem tegyél fel egy képet a kapcsolási rajz Y/D részéről és egy másikat a motor kapocsdeklijéről, hogy van bekötve... aztán lehet mérni a 3 mágneskapcsoló vezetékezését a sorkapocsra, majd a motor tekercskivezetéseket.
Sajnos régen, de még idén is jártam úgy hogy elkötve volt a tekercskivezetés és ugyanez a jelenség fogadott, mint amiket leírtál. A megoldást az jelentette, hogy megvolt a mágneskapcsolók kivezetése és utána szépen bekötve a motor, ahogy a tekercskivezetések adták.
Szia!
Igen igazad van Neked is, mert ha más séma alapján alakították ki a Y/D kivezetéseket, akkor bizony ugyanez a helyzet. Nyilván akkor is a tekercsek kivezetései nem stimmelnek, de az a kapcsolás kialakítása miatt. Én konkrétan mindig úgy alakítom ki a sorkapocs kivezetést, hogy a betűrendet kövesse, az egyszerűsített bekötés miatt... U1-V1-W1-U2-V2-W2 így megkönnyítve mindenkinek a motor bekötését, ha más kötné be.
Szia!
Csatoltam képet a motorok tekercselkötéséről a dekniben. Kösd ki az egyik sort és először ezt ellenőrizd egy szakadásvizsgálóval - áramtalanítva. De ez elvileg rendben kell, hogy legyen, főleg gyári tekercselés esetén. Utána a három kikötött vezetéket hajtsd el úgy, hogy ne érjen semmihez, de tudd, hogy hova voltak bekötve. Kapcsold be a motort és várd meg, míg átkapcsol deltába, persze menni nem fog! Ekkor mérj feszültséget - kétpólusú feszültségkeresővel - a szabad kábelvég és azon pont között, ahonnan kikötötted. Itt nem szabad feszültséget mérned, mert mindkét ponton azonos fázisnak kell lennie. Mindhárom ponton ellenőrizd! Ha rendben van, akkor a motor bekötése jó. Akkor valószínű a kapcsolószekrényben lesz a hiba. De gondolom nem a hőkioldó, hanem a kismegszakító old le nem?
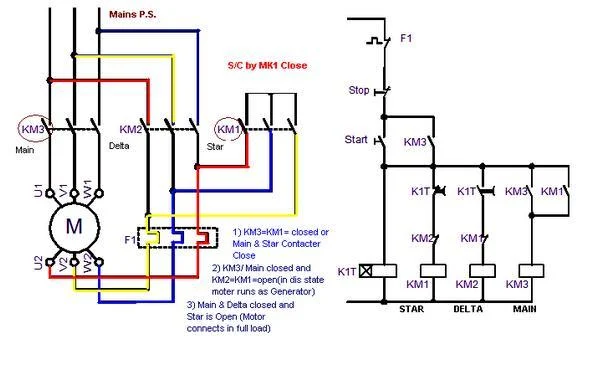
EZ egy jó rajz a csillag-delta kapcsoláshoz, ebben benne vannak azok a reteszelések amik biztosítják ill. kiküszöbölik a relék/mágneskapcsolók kapcsolási "gyorsaságából-lomhaságából" adódó hibákat. Ezen az oldalon található kapcsolás kissé elhanyagolt reteszeléssel van megáldva. Ennél a kapcsolásnál ha letelik a késleltetési idő a delta kapcsoló meg tud húzni de lehet, hogy a csillagpont elkötő még nem engedett el kellő képpen és kész a zárlat. Nincs reteszelve, nincs leellenőrizve, hogy a csillagpont elkötő nyitott állapotban legyen és csak annak kiesve zárója engedélyezze a delta meghúzását.
Kedves Fórumozók!
Köszönöm a válaszokat! Elnézést, hogy csak most reagálok. Sajnos csak addig jutottam, hogy lefotóztam a bekötéseket és a tervrészletet, illetve a mágneskapcsolókat. Azt gondolom ez a diagnosztika meg fogja haladni az én szabadidőmet. Mindenesetre csatolom a tervrészletet és az egyebeket, hátha valami típikus hibalehetőség eszetekbe jut. Ami még hozzátartozik: az új tervek szerint az egyik motor hidegtartalék, de úgy, hogy át kell kötni a szekrényben, ha indítani kell. Vagyis a bekötésük a szekrényben közös. Előre is köszönöm segítségetek!
A kapcsolási rajznak kellene még az a része is, amit a VIM által linkelt rajzon a jobb oldalon lehet látni:
VIM linkelt rajza
Megvan, csatoltam
Köszönöm!
Szia! Szerintem a rajz szerinti vezérlés jó. Azt volna jó tudni, hogy a "problémás rész" az hogyan is zajlik le. Mit csinál a motor a kapcsolás váltásakor? Ha a csillag üzem zavartalan és csak a delta váltásnál oldanak le az automaták vagy a hővédelem akkor a csillagpont elkötő kapcsoló fázissorrendnél lehet kötési hiba, hogy a forgásirány nem egyezik deltában a csillaggal.
Szia!
köszönöm a választ! Csillag üzemben jól működik, deltába váltáskor van a pukkanás. Csillagban annyira jó, hogy most ideiglenesen 0-24ben üzemelnek. (ki lett kötve a deltába kapcsolás) "csillagpont elkötő kapcsoló fázissorrendnél lehet kötési hiba, hogy a forgásirány nem egyezik deltában a csillaggal." Ezt a terven be tudod jelölni? Vagy leírni, hogy melyikeket kellene ellenőrizni? Nem tudom melyik az elkötő kapcsoló..
Szia! Pár hozzászólással feljebb leírtam, hogyan mérj. A motornál kösd ki az egyik sort, pl: U1, V1, W1-et. Indítsd a motort, várd meg míg deltába kapcsol és mér feszültséget a kikötött vezeték és a felette lévő párja között. Pl: U1 és W2 között. Itt ugyanannak a fázisnak kell lennie, 0V-ot kell mérned. Mindháromnál mérj, ha 0V, akkor jó a bekötés. De nem hinném, hogy itt a hiba, nagyon amatőr hiba lenne. Milyen hamar pörögnek fel a motorok? Hány másodperc-fél perc? Lakatfogóval kéne mérni áramot induláskor! Ha hosszú idő, míg elérik a fordulatot, akkor gyanús, hogy induláskor túlterhelik a motorvédőt és az a váltás pillanatában leold. Lehet megoldás lenne a motorvédőt áttenni a delta mágneskapcsoló ágába, így indításkor nem aktív. Ekkor viszont kell egy kismegszakító a helyére, ha most nincs.
A hozzászólás módosítva: Aug 22, 2021
Hello! A helyes és hibás bekötést itt láthatod, ha ez lenne a gond..
Kissé rosszul fogalmaztam ezzel a "csillagpont elkötő kapcsoló fázissorrendnél" leírással, mert végülis a delta üzemmel van a probléma. A két üzem közötti fázissorrendben gondolom én, hogy eltérés lehet és ez a delta kapcsoló utáni kötési pontoknál (az "-X11" 47-48-49) lehet. Ott nem mindegy, hogy a csillagpont elkötő melyik sorrendet köti rövidre (így volna helyes a megfogalmazás) lehet, hogy a 49-47-48 lenne a jó, ha pedig így felfut a motor de a forgásirány nem stimmelne akkor a betápláló oldalon kell két fázist felcserélni.
Azt azért jó tudni, hogy egy delta motor nem szeret huzamos ideig csillagban üzemelni, persze ez terhelésfüggő, de ha csillagban nem képes felpörögni, akkor túl fog terhelődni.....
Érdekes megállapítás. "
Csillagban annyira jó,..." Tehát felpörög, üzemszerűen működik.
Köszönöm az észrevételt!
Ehhez én nem tudok hozzászólni, én csak arra reagálva mondtam, hogy a csillagüzemmel nincs probléma. Meglévő-megmaradó 20 éves szivattyú, így legalább is garanciát nem kell rá vállalnunk. A mai napon azonban ennek a motornak a helyére beköttettem egy új 7.5kW-ost. Annak nincsen gondja a csillag-delta váltással. Két dolgot tudok elképzelni: 1. igenis mindkét régi motor rossz 2. kisebb teljesítménynél nem olyan lomhák a kapcsolások.. már ha létezik ilyen jelenség
1. nem hinném, hogy ez a gond.
2, ez már lehetséges. egy 35kW-os ventilátornál kb 5mp átváltási idő adódott, ha ennél többre állítottam az időrelét, az általad leírt jelenséget tapasztaltam tehát az átváltási idő függ a motor teljesítménytől, és a terheléstől is.
Laikusként kérdezem:
Van átváltási idő és kapcsolási idő.?. A mi időkapcsolónkon az átváltási időt tudom állítani, ami max 12mp. Erre van beállítva. De a kapcsolásnak az ideje itt nem állítható, tehát hogy az átkapcsolásnak mennyi legyen az ideje pl 0,5mp. Azt mondod, hogy ha simán a váltási időt rövidebbre veszem, az is segíthet?
igen, a csillag-delta átváltási idővel kell kísérletezni. Az említett esetben is túl hosszú volt az idő, és akkor mindig leoldott.
Lehet, hogy már késő a hozzászólásom. A 2-es képen lévő motorba víz juthatott. Ezért ellenőrizném a tekercsek egymás közti és a tekercsek föld közötti ellenállását. A legjobb lenne nagyfeszültségű szigetelés vizsgálóval.
Ha egy pici átvezetés van, az új motorvédő már nem tolerálja a veszteséget. Friss tapasztalat: függőleges tengelyű 7,5 kW-os köszörűmotor leoldotta a motorvédőt. Lakatfogóval, 3 fázisú teljesítménymérővel sem mutatott kiugró áramfelvételt. Szétszedtük, a motor vizes volt belül. A vízoldali szimering átereszthetett. Kiszárítottuk, mértem ellenállást föld felé, jónak látszott. Visszakötöttük, teszt. A motor alapból delta, nincs csillag indítás. Pár másodperc és a motorvédő leold. Most az átütésmérővel néztem meg, a teljesen száraz motort. Két tekercs között mutatott átvezetést, de nem rövidzárat. A tekercselő elmondta a tekercsek között talált égésnyomot, ahol a vízben a zománc ( és lakk !) repedésén keresztül az áram csinált magának utat. Ui.: A motorvédő, az megvédte a motort a leégéstől.
Sziasztok!
A képeken látható ventilátor bekötésével vagyok bajban. Nem tudom hova kössem a 230V-ot Négy kivezetése van két fekete, ezen 118 ohm ellenállást mérek és két piros, amin 308 ohmot. A fekete és a piros szálak között nincs galvanikus kapcsolat. Találtam adatlapokat, de a konkrét típust (ETRI 128 VG) nem leltem meg benne és az elektromos bekötésre utaló adatokat sem találtam sehol. Nem tudom kell-e kondenzátor hozzá, vagy sem. Hátha találkoztatok már ilyen, vagy hasonló motorral és Nektek ez nem jelent gondot. Légyszíves segítsetek! Köszönöm!
Szia! Szerintem ez a két színű kivezetés a különböző frekvenciákhoz tartozó feszültségeknek van kihozva. A piros színnel a nagyobb ellenállású tekercsekre próbálnék rá a hálózati feszültséggel, hogy működik e. Túl nagy hibát nem lehet okozni ezzel a próbával.
Szerintem inkább a segéd és főfázis végei vannak kihozva.
Bontáskor nem gondolkoztak, hogy vissza is kéne kötni valahogyan. Kisebb ellenállású tekercsre a 230V, a nagyobb ellenállású tekerccsel sorba egy kondi és úgy a 230-ra. Kondi 2-3µF 400Vac. Pillanatra indítani, ha indul akkor áramot mérni, Ha fordítva forog, akkor a segédfázis tekercsvégeit felcserélni.
Köszönöm a válaszokat mindkettőtöknek!
Az hogy különböző frekvenciákhoz lenne nem hinném. Sokkal inkább gondolnám segédfázisnak az egyik tekercset. A kondinak nem kell állandóan bekötve lennie, csak indításhoz? Van leválasztó trafóm különböző feszültségekkel: 48, 96, 120V-os leágazások. Javasolt lenne először azzal, alacsonyabb feszültségeken kipróbálni? Köszönöm, |
Bejelentkezés
Hirdetés |















