Fórum témák
» Több friss téma |
Ha az a 60 A pár ms hosszúságú (pl. zárlat), akkor valószínűleg igen. Mit értesz rövid idő alatt?
60A amin névlegesítenek maximum. Az 5A az alapáram. Ha jól sejtem, ACE1000 / 281es a mérőd.
Egy értelmes, a gyakorlatban előforduló állapotot írj le, amikor megszakadt a PE vezető. Nem mellesleg - ez is hiba és nem üzemszerű állapot. Erre való az érintésvédelmi időszakos felülvizsgálat. A szabvány erre is gondolt.
A lényeg annyi lenne hogy 6A B-s megszakító van fent, de van olyan gép ami néha leveri induláskor a felvett áram miatt.
Én arra gondoltam hogy kicserélnem 10A C-s megszakítóra. Ettől lehet baja az órának ? Vagy ha úgy nem veri le akkor 6A D-re.
Nem írtad, hogy szolgáltatói mérő, vagy saját beszerzésű almérő, de ha szolgáltatói, akkor te nem cserélheted le.
Igen mennie kellene simán a 10essel.
Csak a megszakítót kell cserélni, az órát nem.
Köszönöm a segítséget. Akkor megy a 10-es megszakító.
A címke szerint szolgáltatói óra, ahhoz pedig tartozik plombált szolgáltatói megszakító is, ezeket nem cserélheted. Mindenki szívesen lecserélné nagyobbra a megszakítóját...
Amit Pont írt, arra értettem, hogy nem cserélheted. Plomba levágás, km ilyen módon történő cseréje eléggé szép hosszas huzavonát, és pénzbeli fizetést jelentene neked.
Köszi szépen mindkettőtök segítségét!
Átadom az illetékesnek az infót. Én csak az információ vivő vagyok.
25A-ig ingyen cserélnek minden további nélkül (ELMŰ-s terület, ami valójában olyan 8-10000Ft kiszállással).
Regisztrált szerelő aláírása szükséges
Sziasztok!
Egy számomra érdekes kérdés merült fel. Adott egy 3 fázisú családi ház. PEN ÁVK-val szétválasztva. Ebben semmi különös nincs. Viszont a bojlerhez is van egy külön 1 fázisú Fí relé és ez a kérdés. A bojler órától jön egy szolgáltatói nulla és egy fázis. Ez a nulla tulajdon képen PEN. Ezek mennek az ÁVK kapcsaira, az elmenő pedig a fűtőszálra. A bojler védőföldelését rá kell kötni a PE sínre és kész?
Én tavaly előtt megkérdeztem az ügyfélszolgálaton, mert a közeljövőben bővíttetnék és azt mondta az ügyintéző, hogy kérvényezem és kijönnek, cserélnek. 32A-hez kell a szakvélemény. De lehet vagy nem mondta jól vagy már változott a dolog.
Valami nem stimmel.
Idézet: Ez biztosan nem lehet igaz. A nulla az nulla a PE az PE az óra után. Vissza kellene olvasnod, mert önmagamat ismétlem sokadszor. A nulla az üzemi áram visszatérő ága. A PE pedig a hibaáram levezetésére van hivatva. Azaz a PE-n semmiféle üzemi áram nem fordulhat elő. Mindig ezt kell szem előtt tartani. A bojlert is be kell kötni a PE vezetőhöz csatlakoztatott EPH hálózatba, ahogyan a víz, fűtés és gázvezetékeket, valamint zuhanytálcát és kádat is. Nyilván szem előtt tartva a megfelelő keresztmetszeteket is. „Ez a nulla tulajdon képen PEN”
Már évek óta 32A jár alanyi jogon. Akár meg is osztható több fázison.
Igen, de 32A-hez kell a szakvélemény a bejövő keresztmetszet miatt, a hálózat állapotáról. Nem új telepítésről beszélünk, hanem bővítésről. Nyilván ha nem megfelelő, akkor gondolom nem engedik.
Idézet: Az órához felszerelt kismegszakítók a szolgáltatóval kötött szerződésben szereplő értékűek, ezt nem lehet szerződésmódosítás nélkül kicserélni. (Egyébként meg áram alatt vannak) Először is megnézik, hogy a hálózat elbírja-e a bővítést, mondjuk egyszer 20A az nem jelent gondot, de ha a falu több száz háza egyszerre akarna 6A ról 32 re váltani az nem megy egyik napról a másikra, és ha szigorúan veszik a mérőhelynek meg kell felelnie a mai előírásoknak, az meg 100 ezer Ft nagyságrendű.... Ettől függetlenül szerintem az eredeti kérdésnél nem tudunk mindent, miért is van ott 6A. „Járni jár csak nem jut”
Már megbocsáss, de az a szolgáltató dolga, hogy szolgáltasson. Amikor te a villanyszámlát fizeted tőled sem kérdezik meg, hogy győzöd-e fizetni... Ami jár - az jár. Akkor is ha ez a szolgáltatónak kényelmetlen, vagy teher. Nyilván az az egy eset kivétel, ha akkora kontingenst kérsz, hogy trafót kell telepíteni miatta. De az alanyi 32A-t ki kell tudniuk szolgálni. Ha tanyán vagy, nyilván ott is más a helyzet, mert ha nincs hálózat fejleszteni kell. Bár a privát véleményem ott is az, hogy ez is a szolgáltató dolga kellene, hogy legyen.
Teljesen egyetértek veled, ezért is írtok, mert nem tiszta. A mérőtől elmenő nulla, az ugye a szolgáltató nullája, vagyis PEN.
Azért gondolom azt, hogy amit leírtam az nem jó. Mert ami az órától jön "kék vezeték", azt rá kell kötni a PE sínre, amire a földelő szonda is csatlakozik és innen kellene menni a bojler reléjéhez. A reléből már tisztán N-jön ki és ez mehet a bojlerre. A védőföld pedig a PE sínre, mert azon üzemi áram nem folyhat.
ÉMÁSZ területen ha jól tudom szakvélemény nélkül max 25A-re számíthatsz. A 32A valóban jár, de ezt már véleményeztetni kell, hogy bírja-e a méretlen csatlakozó vezeték.
Alapból a PEN vezetőt a földelő sínre illik kötni és a nullát innen átfűzni az N sínre. Mert ha szakadás van, akkor a nullán észreveszed, a földelésen meg csak akkor, ha baj van.
Idézet: Nem.„Mert ami az órától jön "kék vezeték", azt rá kell kötni a PE sínre, amire a földelő szonda is csatlakozik és innen kellene menni a bojler reléjéhez” Ami a villanyórától jön, az már az óra alatt szét van választva PE-re és N-re. Azaz az óra alól kapod már a kéket és a zöldsárgát is. Nem szabad összekötnöd ezután. Erről beszéltünk idáig. Plombált területen van a PEN szétválasztása. Neked ahhoz már tilos nyúlnod. A hozzászólás módosítva: Júl 18, 2016
Nem.
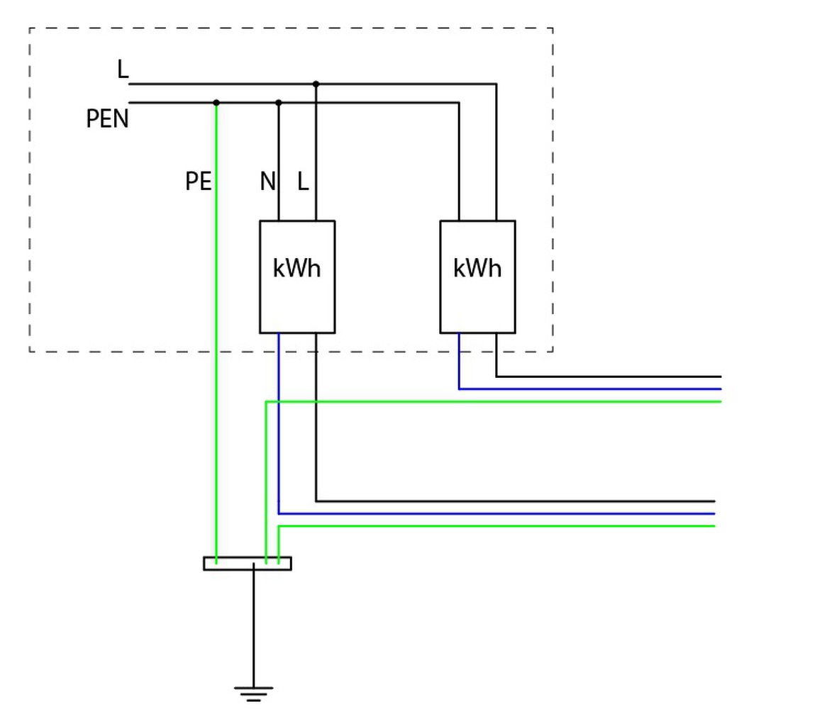
![]() Plombált területről nem jön csak egy szál 6mm2 fekete és egy 6mm2 kék. A 3 fázisú mérőtől pedig 3db 10mm2-es fekete és egy 10mm2-es kék. Nincs zöldsárga. Ez a kék van összekötve a szondával, ide van kötve a PE sín, erre csatlakoznak a zöldsárgák. Majd innen megy a 3 fázisú ÁVK felső N kapcsára. Az alsó N kapocs megy az N sínre. A bojleres mérőtől jövő fázis-nulla bemegy majd kijön az 1 fázisú reléből és megy a fűtőszál felé. A problémám (illetve a villanyszerelő felé irányuló kérdésem), hogy a bojler földelését kötheti-e a másik relével "készített" PE-re? Mert szerintem A bojler ÁVK bemenő, órától jövő kéket is össze kell kötni a PE sínnel. A hozzászólás módosítva: Júl 19, 2016
Ez pontosan így is van. A mérőhelyek után már nem szabad összekötni a PE és N vezetéket, de ez a képek alapján még jobban is látszik. Ezt fogadja el a szolgáltató.
Sőt a leírt 6 mm2 vezeték sem elfogadott már, helyette is csak 10 mm2 sodrott réz vezeték lehet.
A Fi- relére vonatkozó kérdésedre is ott a válasz a kép alapján , tehát már ott sem szabad összekötni.
Nem jó. Az előled elzárt részben van szétválasztva a PEN, PE és N vezetőkre, a fogyasztásmérőkhöz már csak L és N megy.
Még hányan mondják neked, hogy úgy nem jó? A szondát a PEN re kell kötni. A mérő után a nullát nem földelhetitek, ha nem úgy van ahogy a korábbi rajzokon ajánlották, sürgősen meg kell úgy csinálni, különben nagyon meg fognak büntetni.
A hozzászólás módosítva: Júl 19, 2016
Oké, köszi.
A szolgáltató nem ad földelést soha, azt mindig a helyszinen kell kialakítani, lásd melléklet. A fogyasztásmérő helyen, többnyire hozzáférhető helyen kell lennie olyan vezetéknek, amit a földelésre kell kötni. Esetleg, ha TT hálózat van, akkor a szolgáltató felöl jövő PE vezeték hiányzik, de ebben az esetben az N vezetőt nem szabad összekötni a földeléssel.
A fázisok minden esetben az órán keresztül viendők.
1. Alap esetben bejövő TN-C rendszer PEN vezetőjét a mérőnél hozzá kell kötni a mérőnél kiépítendő földelő szondához. Innen el kell menni az órához egy nulla vezetékkel. Az órától a mért részbe egy nulla vezeték megy. Továbbá a földelő szonda bekötési pontjától egy vezető megy a mért részbe, amit most nevezzük PE vezetőnek. Ez a pont most a PEN szétválasztási pontja is egyben, ezért kellett földelni. 2. A második esetben bejövő TN-C rendszer PEN vezetőjét a mérőnél hozzá kell kötni a mérőnél kiépítendő földelő szondához. Innen el kell menni az órához egy nulla vezetékkel. Az órától nem megy a mért részbe nulla vezeték! Továbbá a földelő szonda bekötési pontjától egy vezető megy a mért részbe, amit most nevezzük PEN vezetőnek! (16mm2 min.) Magyarázata az, hogy az órának (E-on terület) elégséges egy feszültségszál a tekercshez amin max mA-ek folynak. Így az óra után van egy 4 vezetős rendszer ami mért! Természetesen a ház kiselosztójában szét kell választani a PEN vezetőt PE és N vezetőre, ami azt jelenti, hogy itt is kell földelni a szétválasztási pontot. És a kábel, vezeték legalább 4x16mm2 keresztmetszetű kell hogy legyen addig az órától. Több ilyen mérést láttam az E-onnál. Tehát ha a feltételek adottak és a keresztmetszetek megfelelőek, akkor lehet 4 vezetékes mért rendszert kialakítani. |
Bejelentkezés
Hirdetés |









