Fórum témák
» Több friss téma |
Segítséget kérnék!
Van egy Whirlpool AWT 2285 mosógépem. Hibajelenség: Nem centrifugáz, nem ereszti le a vizet. Mikor a kapcsoló ezekhez a funkciókhoz ér, a gép kerregő hangot hallat. Mi okozhatja? Hálásan köszönöm a segítséget, ötleteket előre is.
Azért nem megy a centri, mert nem ereszti le a vizet (vízszint érzékelő nem engedi a centrit). A kerregés valószínű attól van, hogy valami idegen anyag van a szivattyúban (iszap, hullámcsat, stb...). Ki kell pucolni a szivattyút, de nem a tisztító nyíláson, hanem ki kell venni a gépből, és úgy.
Mindentől függetlenül ez a téma azt hiszem be lesz zárva, vagy át lesz helyezve.
A hozzászólás módosítva: Márc 3, 2013
Sziasztok
Egy ismerősöm Whirlpool AWo9561 mosógép, vezérlőjében adtam meg a szivattyú áramköre. Valószínűleg a szivattyú nyírta ki, ami már cserélve van. Ha valaki fölimeri ezt a panelt, aza szétdurrant tranyó és ellenállás értéke lenne fontos. Előre is köszi ha tud valaki segíteni. Üdv A hozzászólás módosítva: Márc 22, 2013
Sziasztok.Segítséget kérnék.Van egy whirpool 5105-1000.Hibajelenség az,hogy ha beállítom egy Mosási programra továbbtekeri.Van,hogy ki sem centrifogáz,vagy csak újrakezdi a mosási programot az első programmal.Néha mint aminek semmi baja rendesen működik.Segítségeteket előre köszönöm.
Sziasztok ide leírtam egy problémát, de lehet hogy nem oda kellett volna: LINK
Aki tud kérem segítsen. Előre is köszi.
Oda is jó volt.
T. Forumozok!
Vettem egy hasznalt Whirpool AVG-640 felültötös mosogepet. Szeretnem szallitani de csak fektetve fer be a kocsiba. Nem hiszem hogy barmifele rögzitöcsavar meg lenne a volt tulajnak. Mit utdok tenni hoyg nem menjen a szallitas közben tönkre? Varom valaszuk. Köszönettel: Levente A hozzászólás módosítva: Aug 18, 2013
Üdv!
Whirlpool AWG827/WP mosógép. Valaki javított már ilyet? Sajnos rajzot nem találtam, letölkthető doksija szerint nincs ilyen elektronika a típusban. Közben meg de. A panasz: Nem működik. Nem találtam rajta nyilvánvaló rossz alkatrészt. Ha lenne elvi rajz, tudnám tudományosan nyektetni. A hozzászólás módosítva: Szept 9, 2013
Segítséget kérnék
Whirpool ADG 7340 mosogatógépem van. Hibajelenség: 1/4 óra után elkezd sípolni, hagytam egy darabig szépen elmosta a poharakat, pangó víz nem volt az alján. Ha jól számoltam 4 sípol és egy kis szünet. Mit tegyek ecetezzem vagy mi a megoldás csak szerelő? Előre is köszi a segítséget.
Szia! Az enyém AWG327 és ha nem is egészen ilyen, úgy méretre a kártya hasonlít. A 24 Voltos zénert benne mérted? Nekem az volt benne zárlatos, lehet, hogy elkerülte a figyelmedet, mert picike, olyan, mint egy üveg dióda. Én ZX 22-t tettem a helyére, az volt itthon, és azóta is jó.
Üdvözletem !
Kérdésem a következő: Whirlpool AWE 6419-es mosógép bármilyen mosási program indítása után, a vízvételezéshez érve hibajelzéssel megáll. A használati utasításban leírt hiba elhárításra nem reagál. A dob alsó részére szerelt kis tartály tiszta. A hozzákapcsolódó nyomáskapcsoló ellenőrizve, a vastagagabb vezetékek áramkörét kapcsolja. Illetve van egy másik érintkezőpár, egy vékonyabb vezetékekhez kapcsolódó, ami viszont nem kapcsol semmilyen helyzetben sem. Ha volna valaki, aki ismeri ennek az alkatrésznek a működését, akkor örülnék a segítségnek ! Előre is köszi ! Az alkatrészre a következő van írva: 623/10,,37670004-12NC és alá: 461971402451-50/25-300,, alattuk pedig:165 02. Ennyi, illetve a másik kérdésem, hogy van-e még valamilyen alkatrész, ami megakadályozhatja a vízvételezést, és a program továbblépését?
Üdv!
AWG 650 mosógépemben valami cicereg, a motorból jön, gondoltam szénkefe elfogyott, de szerintem ez a motor nem szénkefés. Mi okozhatja a problémát, van valakinek tapasztalata? Itt egy videó, ez nem az enyémről készült, de a hangja ugyan ilyen. Az biztos, hogy a hang a motorból jön, mert ha szíjj nélkül megforgatom a motor tengelyét akkor is hallom a cicergést. Segítséget előre is köszönöm. (milyen jó is volt a hajdu energomat, mindent kapni hozzá )
A motorban sokminden nem zajonghat. Nézd meg a csapágyakat.
Igazad van, a szíjj oldali csapágy csinálja, szeretném kivenni, de a szíjjtárcsát hogy vegyem le?
Simán üssem le?
Inkább csapágylehúzót használnék. Persze ha nincs, le is ütögetheted, de könnyen megsérülhet, úgyhogy óvatosan.
Sajnos a szíjjtárcsa sehogyan sem jön le, akármilyen csapágylehúzóval próbáltam meg sem moccan.
Próbáltam a forgórészt lefagyasztani, majd a tárcsát felmelegítve levenni, de szintén nem jött be. Még az lenne a megoldás, ha a szíjjtárcsát levágnám róla, de nem találtam helyet ahol lehetne másikat venni. Tud valaki esetleg olyan alkatrész boltot, ahol lehet a motro tengelyén lévő szíjjtárcsát venni? AWG 650.
Melegítsd meg a tárcsát forróra. Lehet valamivel fel is ragasztották.
A hozzászólás módosítva: Dec 1, 2013
Szép napot Mindenkit!
Nekem egy olyan problémám lenne hogy a Whirlpool AWE 6519 mosógép nem reagál semmire. Mosás után leállítottuk és utána nem kapcsol be egy led sem világít,a programokra sem reagál. Már egyszer volt ilyen de utána jó lett de most megint nem jó! Arra gondoltunk hogy valami vezeték esetleg szétcsúszott vagy nem érintkezik de még nem nyúltunk bele. A segítségeket előre is köszönöm! Üdv:Szabó László
Belenyúlás nélkül pedig nem lehet kitalálni a baját. Mérd meg meddig jut bele az áram.
Bekapcsolás után,rövid idő elteltével ki-be kapcsol a mosogatógép és a szivattyú is. Ha valaki tud segíteni ,hogy mi lehet a baj, nagyon megköszönném .
Ne haragudj , de elolvastad a szabályzatot amikor regisztráltál? És amikor témát nyitottál használtad a keresőt? Ha van ilyen téma nem nyitunk újat aki tud segíteni már bejelölte magának a témát ... Látod itt van ...
A hozzászólás módosítva: Márc 1, 2014
Sziasztok!
Azért kérek segítséget, mert van egy whirlpool mosógépem és programkapcsoló hibás volt, kicseréltük a programkapcsolót és most F23 -as hibát jelez, tudna valaki felvilágosítást adni mit jelent. Mosógép típus whirlpool awo d 1009 EX alultöltös
Üdv!
Whirlpool AWT 5107, egy triak elröppent a paneljén, meg a gate ellenállása. A triak Z0103 (3mA érzékenységű 1A-es), az anódjáról a drót a szintérzékelőbe megy... a füstöt megelőzte, hogy vadiúj szivattyút kapott, ami ment ha kell, ha nem (nullára tekert programkapcsolónál is), és lehet túlterhelődött szegény... majd rámérek a két szivattyú tekercsére, hogy legalább ellenállásilag stimmel-e a két motor (vagy ha 20H alatt van, akkor induktivitásilag is). Kérdésem az lenne, hogy miképp lehetne kideríteni, hogy milyen gate ellenállás lehetett a triak előtt? Első kanyarban gondoltam adni neki egy 10k-t (mégiscsak nagyobbacska érzékenységű), aztán ha nem jön be csak akkor mennék lejjebb. Gondolom nem tudok nagyobb bajt csinálni ezzel...Ötleteket előre is köszönöm szépen!
Üdvözlök minden kit a fórumon. AWG 681/WP mosógép nem működik. Előzmény: levágta a biztosítékot, na gondoltam kell egy új fűtőbetét. Konnektorból kihúz fordítva bedug minden oké működik kimosott. Így már többször is használtuk míg nem sikerült új fűtőbetétet venni. De most be sem indul a program kapcsoló kis motor sem megy, egyedül az ürítő szivattyú megy. Mi lehet a baj, ebben kérném a segítségeteket. Teszek fel néhány képet az elektronikáról, amin ránézésre semmi nem látszódik. A segítséget előre is köszönöm szépen és mindenkinek kellemes ünnepeket kívánok.
T.Fórumozok!
Van egy AWE 7516/1 Whirpool tipusú mosógépem és szeretném elvégezni a hibakódok törlését javitás után de nem tudom a gombok kombinációját! Ha valaki tudna segitenni megköszöném! Tisztelettel Brauns!
Kérnék egy kis megerősítést a szakiktól.
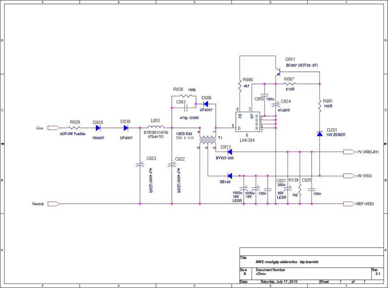
Whirlpool mosógép ma reggel indulás után se kép se hang. Szétszedem megnézni mi lehet a baj. Megtaláltam a kapcsolási rajzot is a táp -hoz. Kis méregetés után rájöttem, hogy az R020 ellenállás megszakadt. A rajz egy 22 ohm / 3W ellenállást hoz. Viszont ami benn van az szerintem nem 3W még kettőnek is sokallom. (Már egy szaki javította korábban) .Találtam egy 3W os 27 ohm-os ellenállást amit be is építettem. A mosógép jó, de arra lennék kíváncsi , hogy maradhat-e a 27 ohm , vagy cseréljem le.
Üdv!
Szerintem maradhat. Biztosítéknak van benne, nem hiszem, hogy akkora feszültség esik rajta. Ha nem bírja, max megszakad ez is.
Lehet,hogy a másik azért ment el az örök vadászmezőkre mert kicsi volt?
|
Bejelentkezés
Hirdetés |








Első kanyarban gondoltam adni neki egy 10k-t (mégiscsak nagyobbacska érzékenységű), aztán ha nem jön be csak akkor mennék lejjebb. Gondolom nem tudok nagyobb bajt csinálni ezzel...






