Fórum témák
» Több friss téma |
Fórum » Autórádió (fejegység) problémák, kérdések, válaszok
Témaindító: angel83zs, idő: Máj 14, 2006
Témakörök:
Adtam neki 12V direktbe de a helyzet ugyan az a feszültségesések is ugyqn olyan értéküek
Sziasztok!
Valaki segíthetne nekem.Beszereltettünk egy 2 din-es Sony XAV-65 audórádió fejegységet.Egy évig szépen működött,míg nem egyszer csak nem volt hang.Azóta volt szervizben,megcsinálták,akkor szólt is folyamatában pár napig,viszont megint semmi.Elindul a zene,megy a számláló,de nincs hang,mi okozhatja?Azóta megint elküldtük szervizben,visszaküldték,hogy a fejegység jó.Hol kezdjem a hiba keresést?
Az átlag 12V-os adapterek nem alkalmasak autórádiót hajtani még próbára sem. Sok "vicces" dolgot tud művelni egy nem stabil, kevéssé szűrt táp.
Üdv mindenkinek!
Kettô darab kérdésem van. Mellékelek képeket, amiken egy hibás alkatrész látható, az elsô kérdésem az, hogy tudnátok-e azonosítani? Nem találtam rajzot, és az alkatrészen nem látható a felírat. A második kérdésem az, hogy lehetséges-e az, hogy ez az alkatrész miatt nem megy a rádió mechanikája? A rádió egy Ford (Visteon) 6006e, cd táras mechanikával, ami nem megy, csak próbálja mozgatni, amikor el akarom vetetni a cd-t vele, de mintha valami blokkolná, és a kijelzôn error e3 jelenik meg. Köszönöm!
Szerintem az egy sima stab IC.
Keres hozzá kapcsolási rajzot ha van és rögtön kiderül.
Ez a baj, hogy nem találtam rajzot, az alkatrészen meg csak egy ZT felírat látható...
A hozzászólás módosítva: Jan 18, 2017
Sziasztok!
BMW Reverse PH5950be készítettem egy AUX bemenetet a magnó helyére, de kellene egy külső kimenet is rá. Na most, ezt honnan egyszerűbb, érdemesebb levennem szerintetek, a végfok bemenetéről, vagy a hangszórókimenetekről ellenállásosztóval?
Mindkét út járható, de a hangszóró kimenet egy erősítéssel zajosabb.
Viszont a végfok előttről meg elég macerás levenni a jelet, lévén valami négy csatornára küldi ki a választó IC, és SMD kétoldalas az egész. Két első csatornáról, a végfok IC lábairól csatolókondival kihozhatnám RCA aljzatokra, csak az nem túl szép megoldásnak tűnik. Ott lógna rajta párhuzamosan a végfok IC, meg a külső erősítő.
A másik lehetőség, hogy a kimenetről egy soros pl. 100Ohm-os ellenállással megyek az RCA-kra. Abban igazad van hogy a végfok torzítása ebben benne lenne, de ez egyszerűbben kivitelezhetőnek tűnik számomra. Most tipródok, mi tévő legyek. A hozzászólás módosítva: Jan 20, 2017
Nem ismerem a konkrét masinát, ezért írtam, hogy mindkét út járható. Az egyik egyszerűbb, a másik jobb. Ha a végfok lábat kiemeled a panelből egy váltókapcsolóval választhatsz melyik végfokot használod.
A hozzászólás módosítva: Jan 20, 2017
Sőt, ha a végfok bemenetéről viszed közvetlenül, akkor azon a vezetéken érkező összes zaj mind teljes hangerővel megy a végfokba. Érdemes lenne egy fokozattal leválasztani.
A végfok kimenetén nem elég a soros 100ohm. Testhez képest féltápon vannak a hidalt végfokok kimenetei.
Ez bármelyik kimenettel rendelkező készülékre igaz.
Tudom hogy az lenne korrekt, de ezt szeretném elkerülni, mármint hogy ezért külön építkezzek. Természetesen úgy értettem, hogy a kimeneti leválasztó kondik utánról venném le a jelet.
Miért jó ha van egy ilyen kimenet külön?
A tulajdonosa szeretné, ha lenne egy bemenet a magnó helyett. Ez megoldódott.
Továbbá szeretné, ha külső erősítőt hajthatna róla. Mindezt azért ezzel a készülékkel, mert gyárilag és esztétikailag ez illik a konzolba, és ez irányítható beépítetten a kormányról.
Sajna az nem egyszerű szerelés szempontjából.
Bőven van hely a végfok környékén egy kis panel számára. Vagy egy műveleti erősítővel, vagy egy emitterkövető kapcsolással csatold ki a végfok bemeneteiről a jelet. Meglesz az illesztés, a zavarokra sem lesz érzékeny és kis impedanciával fogja meghajtani a jelkábelt. SMD alkatrészekkel még kisebb helyen megoldható az egész kicsatoló áramkör.
A hozzászólás módosítva: Jan 21, 2017
A lényeg még mindig nem hangzott el, de most fogalmazódott meg bennem a gyanú, hogy ezen a készüléken egyébként nincs gyárilag ilyen kimenet. (Amiket én venni szoktam, azon mindig volt, sőt nem is csak 2, hanem 4 csatorna, külön a két front, és külön a két hátsó -utóbbiakat én most a szub-hoz használom-.)
Azért értetlenkedtem, mert természetesnek vettem a gyári kimenetek meglétét.
A végfok előtt van egy hosszú csatlakozó tüskesor. Akár logikus is lehetne ha ezen éppen a végfok bemeneteit vezetnék ki, valamilyen külső erősítő csatlakoztathatósága miatt. Ezt ne kezeld tényként, csak egy ötlet.
Igazad van, én úgy emlékeztem, hogy régen a line out külön meg volt hajtva, leválasztva a vissziránytól. Most néztem egy Sony-t és nem, simán ugyanaz a pont van kivezetve, mint ami a végfokra megy.
Üdv!
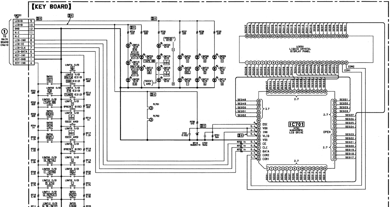
Sony XR-c210 kazettás fejegység kijelzője olvashatatlanul halvány. Hátérvilágítás van, de a kontraszt valahol a béka segge alatt. Nehezen olvasható így a kijelző, lehet valamit tenni? A válaszokat előre is köszönöm!
Szia.
Ha a menüjében nem tudod állítani az LCD kijelző kontrasztját, akkor ellenőrizd a kijelző feszültségeit. Nem poros esetleg a kijelző előtt lévő ablak, és/vagy a kijelző belülről? Régi készüléknél előfordul. A hozzászólás módosítva: Jan 26, 2017
A menüben nem tudok kontrasztot álltani, holnap megmérem a feszültséget is. A kijelző nem poros. Egyébként relatíve nagy feszültségről megy a kicsike, 14,5Vról, ez nem okozhat ilyen bajt?
Szerintem nem.
Az autók standard töltési feszültsége 14,4V. A fejegységek ennek megfelelôen vannak gyártva, tehát nem nagy az a feszültség.
Sziasztok!
***********rádióhoz tudna nekem valaki kódot generálni a rádió sorozatszáma alapján? A kód nincs a szerviz könyvében, csak rádió sorozatszáma. Amúgy csak levették az akku sarut és nem várták meg , amíg a rádió magától elindul 1 óra múlva, el kezdtek próbálkozni...hiba volt. Előre is köszönöm a segítséget. Üdv, KN A hozzászólás módosítva: Jan 29, 2017
Ilyen jellegű kódkérdésekből már volt problémája az oldalnak, ezért sajnos törölnünk kell.
Sajnos csak most jutottam ide, de megmértem a feszültségeket.
Ahol éppen nem 0v, ott 4,75v-t mértem. Ilyen volt pl a 8-as láb, az LCD-datán meg 0,75v volt. Sajnos elég hülye helyen van a csatlakozó, nehéz mérni rajta. Nekem az a 4,75V tűnik kevésnek...
Szia!
Az teljesen jó. Ott egy SPI kommunikáció van. Ez látszik a CE (chip enable) lábból. Ott csak szkópal láthatod mi történik. Tehát a proci felhúzza a CE lábat, aztán tolja neki az órajelet a CLK lábon az meg szépen bekapuzza a DATA lábon érkező adatot. Tessen adatlapot olvasni ![]() http://pdf.datasheetcatalog.com/datasheets2/26/268309_1.pdf Az IC nem képes a kontrasztot szabályozni. Én még az INH lábat nézném meg, ugyan is az tiltja a kijelzőt. Alacsony szintre aktív. Azaz ha 0V-on van akkor nincs kijelzés. Lehet, hogy receg ott valami rajta és azért látod halványabbnak a kijelzőt, mert gyorsan ki- bekapcsolgatja. Vagy a kijelző fáradt meg kissé... Üdv, KN
És azt is nézd meg , hogy a LCD vezérlőn mekkora tápfesz van. Kb 5.4V nak kell lennie.
Ha nem akkor a D719 zéner kuka, vagy az R730 megnyúlt. A tápfesz a csatolásban látható részről ered. A hozzászólás módosítva: Jan 31, 2017
|
Bejelentkezés
Hirdetés |











