Fórum témák

» Több friss téma
Fórum » Erősítő mindig és mindig
Mielőtt kérdezel, a következő két dolgot ellenőrizd! I. A helyes tápfeszültségek megléte. II. A kimeneten van-e egyenfeszültség. Élesztés.
Lapozás: OK   1953 / 2576
(#) gkari válasza jocko hozzászólására (») Feb 5, 2017 /
 
Hát sajnos, csak a BDY73-as van itt.
(#) ozpecs válasza jocko hozzászólására (») Feb 5, 2017 /
 
A végén a tavaszra csak előkeresem ennek a rajzát, már annyian keresték, meg nekem is van egy amit javítani kell Én még nyiregyről kaptam meg amikor meghalt és javítani kellett volna, igaz igazoltam, hogy számlával boltban vettem, és a rákapcsolt 220-ról ment el.
A hozzászólás módosítva: Feb 5, 2017
(#) jocko hozzászólása Feb 5, 2017 /
 
Üdv!Az jó lenne.De ha van kedve valakinek segíteni ebben,akkor ahogyan megkapom az ígért rossz modult egy hangtechnikai cég tulajától,meg még van ígéret pár működőre is,akkor nekiállok és egyesével végig nézem az összes alkatrészt,és valahogyan vissza kéne rajzolni úgy ahogy van,kétoldalas nyák ide vagy oda.És fel lenne téve ide a rajz is ha sikerül ugyanúgy megépíteni.És a twin 150-et sem ártana megépíteni,ez még egyszerűbb lenne.Csak a probléma a végekkel lehet,talán ezért felejtették el ezeket a kapcsolásokat,de ez sem biztos.
(#) Linegekko hozzászólása Feb 5, 2017 /
 
Egy kérdés: Az IRFP240 200V 20A 150W os. Ez azt jelenti hogy 82V ról 1.8A tud? Szóval ezzel az árammal számolhatok 1-1 Fet esetén?
A Baji 400 fetesnél be lehet lőni az áramkorlátot úgy hogy ne lehessen túlhajtani?
(#) reloop válasza Linegekko hozzászólására (») Feb 5, 2017 / 2
 
Mikor a kivezérlés maximumánál már csak 10V esik rajta, akkor 15A is megengedett. Mindez igaz szobahőmérsékleten, 150°C-on pedig nullára csökken a terhelhetőség, a folyamat lineáris, példának okáért 75°C-on 75W a megengedett disszipáció.
Visszahajló karakterisztikájú áramkorláttal, túlterhelés érzékelővel, hűtőborda hőérzékelővel és limiterrel növelheted az üzembiztonságot.
(#) tothbela válasza Linegekko hozzászólására (») Feb 5, 2017 / 2
 
Nem. Ideális hűtés esetén DC terheléssel ha 82V a GS feszültség, akkor 1,8A lehet a max áram. Erősítőben való használatkor akkor kell a nagyobb áram, amikor már kicsi a feszültség a feten. Ezért több mint 1,8 A lehet a drain áram. Legnagyobb terhelése a fetnek erősítőben éppen fél kivezérlésen van. Ez nálad 41V, és ehez max 3,6A tartozna fetenként. Teljes kivezérléskor ennek a kétszerese lenne az áram, tehát 7,2A. Pozitív dolog, hogy hangfrekis terheléssel bőven 150W felé lehet terhelni ezt a fetet, viszont kontra, hogy soha nem tökéletes a hűtés. Nem egyszerű megállapítani, hogy mit tud lenyelni egy félvezető. Nagy gyáraknak sen mindig sikerül, amatőröknek meg soha. De ha egy működő példányt utánépítünk, valószínűleg nem lesz gond.

Ha a túláramvédelemre gondoltál, akkor létezik bár visszahajló karakterisztikájú védelem, viszont létezik mindent tönkretenni képes ember is.
(#) Linegekko válasza reloop hozzászólására (») Feb 5, 2017 /
 
Köszönöm!
Szóval összegyúrva a most tőled meg tothbélától kapott infókat.
Tartsam hűvösen a végfokot, mert akkor kevesebb Fet is elég ugyan akkora teljesítményhez.
Nekem 4-4 lenne +-82V nál 4 ohmra. A számolásotok szerint akkor ez megfelelő hűtés mellett kivitelezhető. Mivel 12A körül lenne a teljes terhelés elméletileg, az 3A Fetenként.
Így a Fetek számát nem csak a betáp, az illesztett impedancia hanem a hűtés jósága is meghatározza.
Láttam egy két kapcsolásban fetes vagy tranzisztoros "halkítást" ami túlmelegedésre csökkentette vagy nullára húzta a bemenetet. Figyelni kell itt valamire, vagy nehézség nélkül átvehető bárhonnan?
(#) Linegekko válasza tothbela hozzászólására (») Feb 5, 2017 / 1
 
Nagyon köszönöm az infót!
(#) reloop válasza Linegekko hozzászólására (») Feb 5, 2017 /
 
Túlmelegedésnél némítani kell az erősítőt, vagy leválasztani a hangszórókat. Legegyszerűbb egy hőérzékelő kapcsolóval vezérelni a hangsugárzó-védelmet.
(#) Linegekko válasza reloop hozzászólására (») Feb 5, 2017 /
 
Ez utóbbi eszembe se jutott, jó ötlet. Egy hátránya van, hogy míg vissza nem hűl csönd lesz. Egy fél hangerő jobb lenne, viszont annak meg utána lehet tekerni a hangerő gombbal. Szóval akkor biztonságosabb a csönd.

Köszönöm az infót!
(#) reloop válasza Linegekko hozzászólására (») Feb 5, 2017 /
 
Azért ez nem üzemszerű jelenség. A hőérzékelő célja a túl magas környezeti hőmérséklet, szellőzőnyílások elzáródása, vagy egyszerűen a ventilátor hibája miatt bekövetkező károk kivédése.
(#) tothbela válasza Linegekko hozzászólására (») Feb 5, 2017 /
 
Isten ments! A legrosszabb, ami lehet. Tipikusan egy fél kivezérléses négyszög jel az, ami a legjobban melegíti a végtranyókat (feteket).
(#) Linegekko válasza reloop hozzászólására (») Feb 5, 2017 /
 
Hát épp attól félek hogy leáll a ventilátor valamiért. Nem szoktam csak passzív hűtésűt építeni, de ez a helyhiány miatt ventilátoros lesz. Mivel nincs tapasztalatom vele szeretném túlbiztosítani. A hűtés hőszenzoros elvileg az ad valamekkora hőstabilitást. Csak kell valami védelem ha az leállna. A koppanásgáltóra kötött klixon jó lesz. Ha jól gondolom 60-65°C fok fölé nem érdemes engedni.
(#) Linegekko válasza tothbela hozzászólására (») Feb 5, 2017 /
 
Okés, a fél hangerő ötlet eldobva!
A hozzászólás módosítva: Feb 5, 2017
(#) reloop válasza Linegekko hozzászólására (») Feb 5, 2017 /
 
Helyesen számoltál, 65°C a határérték az általad leírt paraméterekkel. Már 60°C-on érdemes bontani a terhelés, mert a félvezető lapka és a borda között a hővezetési ellenállás miatt különbség adódik.
(#) tothbela válasza Linegekko hozzászólására (») Feb 5, 2017 /
 
Még csak most kezdek rászokni, de utóbbi két végfokomban már a bias áramkör is része a hővédelemnek. Ha meleg a borda, lenémul a bemenet, valamint a bias áramkör trimmerével sorosan kapcsolódó optocsatoló tranzisztora sem kap vezérlést, és leesik a nyugalmi áram.
(#) Linegekko válasza tothbela hozzászólására (») Feb 5, 2017 /
 
Ó Ez nagyon jó! Gondolom kevesebb nyugalmi árammal gyorsabban hűl, hamarabb újra üzemkész lesz. Tudnál egy kapcsolási rajzot feltenni róla?
(#) krisz69 hozzászólása Feb 5, 2017 /
 
Ez a hő dolog engem is zavar . Mert iszonyúan fűt. Vagy 80-90c re felmegy a hőfok. Teljes kivezérlés mellett. A Megoldást nem igazán tudom mi lenne a legjobb. Ha nagyobb bordát kapna. ,vagy nagyobb borda plusz kitoldanám még FET-ekkel.? Ez az első stereo verziom ami 2x82v ról megy 3-3fetel .És a klixonon agyaltam sokat. Csak nem lenne jó ha elnémulna a subb a hő miatt...
(#) tothbela válasza Linegekko hozzászólására (») Feb 5, 2017 / 1
 
4N25, vagy PC817(tápokból bontott) optó ledje a koppanásgátló relé tekercsével (skori féle) párhuzamosan megfelelő előtét ellenálással. 10 mA bőven elég az optó ledjének. De akár relé is használható, vagy az én kedvencem, ami meleg fehér led + GL5539 fotoellenállás zsugorcsőben. Csöves gitárerősítőben használom tömegesen csatornaváltásra.
(#) BiG_Lui-Gee hozzászólása Feb 5, 2017 /
 
Üdv.

A fekete előlapos Ágota DS600-as 8Ω (+-95V) verziójú végfokának, nem tudja valaki milyen ntc vel van szerelve a végpanele(ami a bordára van ragasztva 2-2db)? Kapcsolási rajzhoz képest teljesen mást mérek, de lehet sérültek. Köszönöm előre is.
A hozzászólás módosítva: Feb 5, 2017
(#) Linegekko válasza tothbela hozzászólására (») Feb 5, 2017 /
 
Nagyon szuper! Köszönöm!
(#) Jurij Dolgorukij hozzászólása Feb 5, 2017 /
 
Srácok, látom, többeknek gondjaik vannak a melegedéssel.
Jól jegyezzük meg, ami jobban melegszik, az hamarabb bekakukkol.
Mi ebből a tanulság?
Minél nagyobb hűtőfelület, minél tisztességesebb aktív hűtés, és ne spóroljunk a félvezetőkön - ha 2 párat kell párhuzamosan kapcsolni végtranyóból vagy végfetből, és be tudunk ügyeskedni hármat, akkor már tettünk egy jó lépést az atombiztos megbízhatóság felé!
Nálam a legutóbbi bulin sikerült egy teljesen szabványtalan, 2x3 ohm körüli terhelést összehozni a házilag épített, kegyetlenül túlméretezett erősítőmre, hát szó nélkül végigvitte a bulit, meg se rezdült!
csak koppanásgátló, és kimeneti védelem van benne, semmi egyéb!
Hja igen. Nem lett kisajnálva belőle a 10-es alusín, a rettenetes hűtőborda, meg a kétventilátoros aktív hűtés. Eredménye, hogy teljes kivezérlés (2x400-450W körül) is csak langymeleg volt a szellőzőkön kijövő levegő.
A megbízhatóság egyik kulcsa a túlméretezés, a tisztességes hűtés, és ha ezek megvannak, máris kisebb az esély bármiféle meghibásodásra.
A hozzászólás módosítva: Feb 5, 2017
(#) jocka0012 hozzászólása Feb 5, 2017 /
 
Üdv!Van egy fisher ca-540 erősítőm és az a baja , hogy valami zárlat van ugyanis kiolvad a biztosíték a szekunder oldalon.Megmértem a végfok tranzisztorait és az egyik oldalon zárlatosak.Az lenne a kérdésem , hogy kipróbálhatom - e úgy , hogy kiforrasztom a tranzisztorokat amik zárlatosak a végfokba és anélkül kapcsolom be , hogy úgy megszűnik - e a zárlat?
(#) reloop válasza jocka0012 hozzászólására (») Feb 5, 2017 /
 
Szia! A hiányzó tranzisztorok helyén a bázis és az emitter csatlakozási pontok közé tégy be egy-egy 100Ω-os ellenállást! A kimenetnek be kell állni 0V-ra és a 100Ω-os ellenállásokon 0,5V kell essen.
A primer körbe iktass be izzót mint élesztésnél szokás!
(#) jocka0012 válasza reloop hozzászólására (») Feb 5, 2017 /
 
Mekkora izzót szokás berakni?Ellenállásoknak elég egy negyed wattos vagy nagyobb kell?
A hozzászólás módosítva: Feb 5, 2017
(#) Beatmaster hozzászólása Feb 6, 2017 /
 
Sziasztok! A segítségeteket kérném, hátha valakivel már előfordult azelőtt a következő:

Van egy t.amp-om (1050-es model), a legutóbbi bulin két monitorhangfalat hajtottam vele. Nem igazán volt kontrollálva a hangerő, így lehet, hogy túlhajtottam. Ez abban nyilvánul meg, hogy egyszer csak azt vettem észre, hogy az erősítő paneljén egyszerre világítanak a CLIP és a Fault ledek, ugyanakkor a Active led is zölden világít, de egyértelműen nem jön belőle hang. Ez csak az egyik oldalnál van így, a másik működik. Megmértem a végtranzisztorok lábai közt az ellenállásokat és a két oldal közt hasonló értékeket kapok, így arra tippelek, hogy nem a tranzisztorok adták meg magukat. Ismeri valaki ezeknek az erősítőknek a védelmi mechanizmusát? A soft-start relé szintén nem kapcsol, gondolom a védelem nem engedi.

A hozzászólásaitokat előre is köszönöm!
(#) reloop válasza jocka0012 hozzászólására (») Feb 6, 2017 / 1
 
Izzóból 40-60W-ost ajánlok, a negyed wattos ellenállás megfelel. A kimenet természetesen nem terhelhető.
(#) tothbela válasza Linegekko hozzászólására (») Feb 6, 2017 /
 
Ezt még csak elméleti kiegészítés. A zénerek miatt a bemeneti diferenciálfokozat nem tudja végezni a dolgát, ha a tápfesz 35V alá esik. Ezzel a kiegészítéssel 35V alatt úgynevezett alvó állapotba kerül az erősítő. Bekapcsoláskor pedig lassan ébred fel, így nem kellene puffannia. Nem próbáltam ki, csak gondolat volt. Előfordulhat, hogy módosítani kell az értékeken.
(#) krisz69 válasza krisz69 hozzászólására (») Feb 6, 2017 /
 
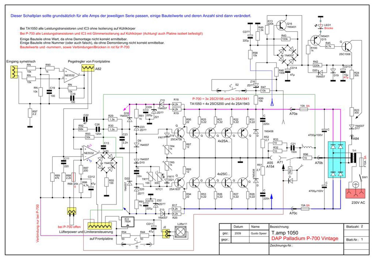
Itt a kapcsolásí rajza. + A nyákon van egy áthídalás ! próbálok neked fényképet böngészni. és megosztani megjelölve. nekem elöször az égett el és akkor hasonló dolgot csinált mint nálad.

TA1050-2.jpg
    
(#) jocka0012 válasza reloop hozzászólására (») Feb 6, 2017 /
 
Rendben.Köszönöm!
Egyébként miért kell a 100 ohm-os ellenállás a Bázis és az Emitter közé?
Másik ami gond lehet , hogy észrevettem , hogy az egyik ic , mintha meg lenne égve.Ez így biztos , hogy nem fog működni mi(képen van)?Egyébként az ic típusa : lc7821
Következő: »»   1953 / 2576
Bejelentkezés

Belépés

Hirdetés
XDT.hu
Az oldalon sütiket használunk a helyes működéshez. Bővebb információt az adatvédelmi szabályzatban olvashatsz. Megértettem