Fórum témák
» Több friss téma |
Nézz el ide: Bővebben: Link keresőbe írd be: AN1048
Üdv mindenkinek!
Segítséget szeretnék kérni: Adott egy AVR-es készülék, 1x16-os LCD- vel. Tudom-e ezt használni progi módosítás nélkül 2x8-as LCD-vel? (Úgy rémlik,mintha a 16-ost is logikailag 2x8 -nak látja,de nem vagyok benne biztos,a kontrolleres tudásom egyenlőre elég szűkös )Thx. laser
Hello!
Nagy valószínűséggel nem. Mert az 1..16 karakterek DDRAM címe sorfolyamatos. A 2x8 második 8 karakter kezdte, meg már a második sorba esik. A HD4480 úgy van elkészítve, hogy tulajdonképpen 40 karaktert tud meghajtani. Ha a tényleges kijelző ennél rövidebb, akkor egyszerűen nem látszik, de a memória azért létezik. üdv! proli007
Sziasztok!
Korábban már kérdezgettem ea-dogm162 kijelzővel kapcsolatban, de sajna előbbre nem jutottam. Mérgemben hanyagoltam a projektet de most elő kellett vennem. Tehát a lényeg: adott a kijelző amit SPI buszon keresztül szeretnék vezérelni egy pic-el. Sajna bárhogy próbálom nem tudom életre kelteni. Arra gondoltam hogy az SPI busz kezelés körül kellene kutakodnom. Van esetleg valakinek tapasztalata ezügyben? Esetleg inicializáló rutin leírás (lehetőleg ne assemblyben)?
Hali!
Kezembe került egy kis LCD kijelző, színes, (2,2' vagy 2,5'-os, 34 pinnel) A rajta levő szalagkábelen vannak még alkatrészek is, elvileg működik, optikai hibás cuccból lett leselejtezve. Típusszáma:COG-T220MCFB-01. Gyártóját nagy nehezen megtaláltam már(Varitronix), de a honlapjukon nincs feltüntetve ilyen típus és a neten sem találok hozzá adatlapot. A legkisebb kijelzőjük a COG-T240F6080-01 (320x240 RGB) (ez hasonlít méretben hozzá 2,4', 45 pin) aminek megkaptam az adatlapját, szintén megvan az adatlapja a COG-T220MCQ-01-nek is (320x240 RGB, 2,2' 32 pin), de ez sem egyezik igazán vele, már csak a lábszámból kiindulva sem. Tud erről valaki valami valamit mondai ? A google a barátod és hasonló okosságokat kérem mellőzni, mert jópár óra googlizásom fekszik benne.(bár lehet, hogy rosszul kerestem). Üdv Kiborg
Sziasztok lenne egy olyan problémám, hogy van egy lcd kijelzőm ami szemből nem nagyon látszik ha élesebb szögben nézem pl felülről akkor meg teljesen normálisan. 4 db led világítja meg szerintem 3 nem világít de bele vannak építve cserélhetetlenre. mi lehet tenni? nem nagyon értek az ilyen dolgokhoz csak nagyon hobbi szinten. tud valaki segíteni?
hááát mögé nézni nem nagyon tudok de elvileg sértetlen mert soha nem volt bontva. ez egy számítógép kijelző ami állt egy évet egy garázsban és mikor hozzámkerült már ezt produkálta de még 1* 2* felvillant mikor először bedugtam azóta meg még csak felvillani sem akar
van olyan hogy gyengül egy led fénye? Vagy ott valami bibi van inkább?
kicseréltem az egyik ledet ami nem világított de ez most olyan erősen világít hogy most azért nem látni semmit
![]() lehet ehhez nagyobb ellenállást rakni és akkor gyengébb lesz a fényereje??
Hello!
Led fényereje akkor "szokott" megváltozni, ha túl nagy villanyt kap. De még a színe is kifordulhat. Ez után már csak így működik.. Természetesen lehet ellenállással csökkenteni a fényerejét. (De nézd meg, egyáltalán volt-e előtte ellenállás.) üdv! proli007
Szeretnék egy kész áramkörben egy LCD-t szóra bírni, de sajnos nem megy.
Displaytech 164 (4x16) karakteres a modul. Az mcu pedig 18f4685. Napok óta próbálkozom már de nem megy. Ha lépésenként futtatom, akkor látom, hogy pl letörli a képet de a végén mindíg csak a 2 csík jön vissza mint a bekapcsoláskor Bármi ötlet? Azt is jó néven venném ha valaki itt pesten hajlandó volna esetleg segíteni nem hardveres-e a probléma. Mindenesetre egy ledsorral egyesével minden lcd lábat kivezéreltem, hogy jól működik-e az áramkör, de minden oké.
Sziasztok Lenne egy nagy kérdésem Adott egy Roland EM2000 szintetizátor kijelző Nos eltőrt A kijelző 14 lábbal csatlakozik a szintire és ezt a contlorrelt használja Bővebben: LinkLáttam a neten ilyen hasonló kilyelzöket de a bibi ott van hogy azok általában 20 lábu kivezetésüek a kijelző amugy 240x64-es.Kérdésem az lenne ha esetleg eltalálnám a lábait hogy hova kell kötni azt a 14 lábat a 20 lábura akkor elvileg működnie kéne a kijelzésnek vagy nem?Vagy van e esély rá hogy más kijelzővel működjön a szinti vagy kuka?
Sziasztok.
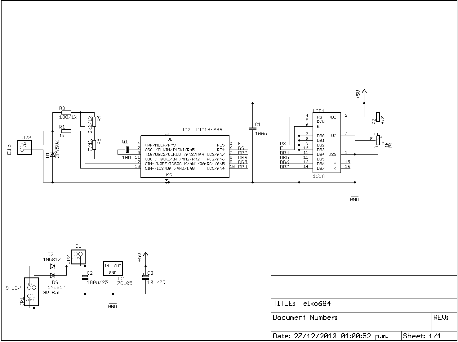
Vettem egy lcd kijelzőt, ez egy 4X20 karakteres. sajnos nem igazán igazodok ki rajta, jól jönne ha valaki segítene nekem. Itt a link : http://www.adelaida.ro/adelaida/catalog/pub/TME/lcd/prc2004aw-series-1.pdf
Az adatlap alapjan sima 44780 kompatibilis kijelzo, tehat a vezerlese szabvany. Ezen felul mi a kerdes?
Kérdédem a következő Vss, Vdd, R/W, E -rövidítések tiszta. De mi a V0, DB0-DB7 (data Byte ?), BLA BLK , RS (register select?) re keresem a választ
első próbálkozásom lesz , nem tudok mit kezdeni ,csak nézek ki a fejemből. A cikket olvastam, de itt bekavart nehany rovidítés.
Hali!
A VO a kontraszt, a DB0-DB7 a 8 adatbit. A BLA (BackLight Anode) a háttérvilágítás pozitiv kivezetése, a BLK (BackLight Katode) a háttérvilágítás negatív kivezetése.
Még két kérdés, és remélem nem kell többet kérdezzek. És a BLA BLK ra simmán mehet rá a tápfesz az 5V vagy tegyek előtét elenállást?
A kontrasztot azt hogy kössem be? Elég ha egy potit simmán kifeszítek a Vdd és a Vss közé s a csuszkárol bemegyek simmán a Vo bemenetre, vagy valami más a megoldás?
Az adatlapban vegul mindenre valaszt kaphatsz, csak vegig kell olvasni. Jellemzoen valami uC kornyezetben hasznalhato, esetleg PC LPT porton. A mellekletben egy pelda, de ezt 4 bites vezerlessel hasznalom. Lehet 8 bites vezerles is, de a takarekossag miatt kialakitottak a 4 bites vezerlesi modot. A "backlight" labak egy hattervilagitashoz tartoznak(ha van benne). altalaban LED tipusu BL a gyakoribb, de leteznek EL tipusuak is, amik 100 V valtoval mukodnek.
megépítettem a cikkben leírt mütyürt.
De csak a második és negyedik sor világít folyamatosan, reagál a kontrasztra, egyébb semmire sem... 3 szor néztem át a kapcsolást, nem találok benne hibát. 22K ohm os ellenállásokat használtam a dipkapcsolokhoz, és 10 K van a reset és az enable nek téve. nem értem mi a baj...
Vagyis a két sorba ami kigyul, a karakterek teljesen világítanak, de semmi ...
Milyen cikkben milyen kutyut? Arra figyeljel, hogy a DDRAM cimet a masodik sorba valo irashoz at kell allitani 0x40-re. ugy vannak altalaban rendezve a LCD-k, hogy az elso sor cime 0x00-nal kezdodik, majd folytatodik a harmadik sorral. A masodik sor cime 0x40, majd folytatodik a 4. sorral.
4 szer olvastam végig az lcd-kről szoló cikket, mindent lépésről lépésre csináltam mint az ovódában, de nem müködött. Az én marhaságom miatt, hajnali 4 kor aludj, és ne építs. Érintkezési hibám vólt de most megy.
Kösz a segítséget
Sziasztok. Full amatőr vagyok ebbe a témában. Szóval bocsi az értetlenkedésemért
![]() Kérdésem a következő lenne. Nagyon tetszik az, hogy veszek használtan egy LCD kijelzőt (pl két színű kék-fehér, 4x20-as) Ezt vezérlem egy meghajtóval és kész, programozok, beindul, feliratoz. Oké. De én ezt használni is szeretném valamire ami látványos és hasznos is egyben. Tehát például autóba szeretném beépíteni ami szerint ha lehet egyszerre megjeleníti vagy: 5 másodpercenként töröl-újraír szöveggel: Valami: -Üdvözlőfelirat -Olaj, töltés, oké-e? -Idő -Hőmérséklet -Sebesség -Fordulatszám -Valamelyik ajtó nyitva maradt? (alapvető hibakereső rendszer) és még sok más egyéb amit házilag is egyszerű van áram-nincs áram szerint érzékelné és tudná hogy ezt kell feliratozni. Tetszene egy ilyen elkészítése. Tényleg alapvető kérdésem az, ha megvan oké működik és tudok vele feliratozni. Akkor hogyan tudnám őt rávenni arra hogy 0/I szerint külön külön feliratozzon? Válaszokat előre is köszi.
Hali!
Tudsz mikrokontrollert (PIC, AVR) programozni? Esetleg vagy beraksz egy laptopot vagy PC-t. Máshogy nem lehet.
Ha nagyon elvetemült, akkor megcsinálja digitális kapukkal. (Igaz kell pár darab hozzá.)
Ja, és a digitális kapukat meg diódákkal csinálja meg!
Hali
Vegulis sima szamlalokkal, es EPROM-mal meg lehet csinalni. Az EPROM-ban kell eltarolni a kiirando szoveget, es csinalni kell hozza egy vezerlest.
Heló, komolyra fordítva: Ismerkedj meg a Parsic nevű szoftverrel, na meg az elektronikával. Amúgy ha valaki amatőr az azt jelenti, hogy a tevékenységgel nem munka kapcsolatban áll, nem dolgozik benne, nem kap érte fizetést, hanem "csupán" kedvtelésből műveli azt. Sok esetben magas színvonalon.
Igen igen pontosan. Tehát akkor ehhez kéne még valami eszköz ami már úgy van beprogramozva, hogy ha pl 10-12 -es lábon van áram (hátul égő világít) akkor érzékeli és küld egy "CSOMAGTARTÓ NYITVA VAN" feliratot.
Ha pedig, olaj visszajelző lámpa kialszik (motor beindult ) égőknél műszerfalon (nincs áram: égő nem világít) akkor ezt érzékeli például 11-13-as lábon és küld egy "OLAJ RENDBEN" feliratot. Gondolom ettől 6x bonyolultabb, de valahogy így képzelem el Ez csak egy példa volt. |
Bejelentkezés
Hirdetés |




)

első próbálkozásom lesz , nem tudok mit kezdeni ,csak nézek ki a fejemből. A cikket olvastam, de itt bekavart nehany rovidítés.







