Fórum témák
» Több friss téma |
Fórum » Tesla tekercs/generátor
Hello! Szerintem is megéri venni 1 kapacitásmérőt, mert azzal tudod majd pontosan meghatározni a kondenzátorod kapacitását. Mindenesetre a síkkondenzátor kapacitásának a meghatározására a C = 8,854 x(10)^(-12)*Er*(A/d) képlet szolgál, ahol "Er" a relatív dielektromos állandó (vagy relatív permittivitás) ez minden anyagnál különböző(sajna nem tudom hogy mekkora üvegre), "A" az egymással szembenéző felületek nagysága, "d" a fegyverzetek távolsága. Ahogy elnézem az ábrádat itt majd párhuzamos kapcsolással kell számolni(a kapacitások összeadódnak) hogy megkapd az eredő kapacitását a banknak.De sztem a számolt és mért eredmények között tényleg nagy eltérés lesz.Remélem segítettem.
Régebben készítettem egy egyszerűsített képletet kifejezetten tesla primer kondikhoz.
nF * d ---------- = A 8,86*Er A-felület négyzetméterben nF-nanofaradba a kondi d- fegyverzetek távolsága mm-ben Er- relatív dielektromos állandó (PE-2,2, ablaküveg kb 8) ![]()
Mit nem értesz? A szorzást, vagy az osztást?
Kapacitásmérő jó ha van, de egy ilyen pofonegyszerű egyenletet illik tudni számolni..
nem a szorzás osztás pl:nf értékét honnan tudom meg Er-t azt se tudom mi az!De tudod mi nem is érdekel ha müködik vele a tekercs onnantól nekem megfelel!
Akkor miért nem azt kérdezed? Az Er megmutatja, hogy egy kapacitás hányszorosára növekszik, ha a vákum helyett azt a szigetelőanyagot használjuk dielektrikumként. Tömören ennyi a lényeg. Minél nagyobb, annál jobb, de persze vannak más fontos tulajdonságok (dielektromos veszteség, illetve átütési feszültség).
mindegy a multiméteremen van kapacitás mérő megnéztem ez csak terv egyenlőre nincs pénzem megcsinálni majd idővel.addig is leállok.
A fojtást meg lehet oldani a fénycsővek elektronikájában lévő trafóval? Csak a szekunder részét kell bekötni ugye?
Hát, mondjuk. A lényeg, hogy elég nagy legyen az induktivitása. A legjobb ferritmagos, vagy légmagos nagy menetszámú, jól szigetelt tekercs lenne.
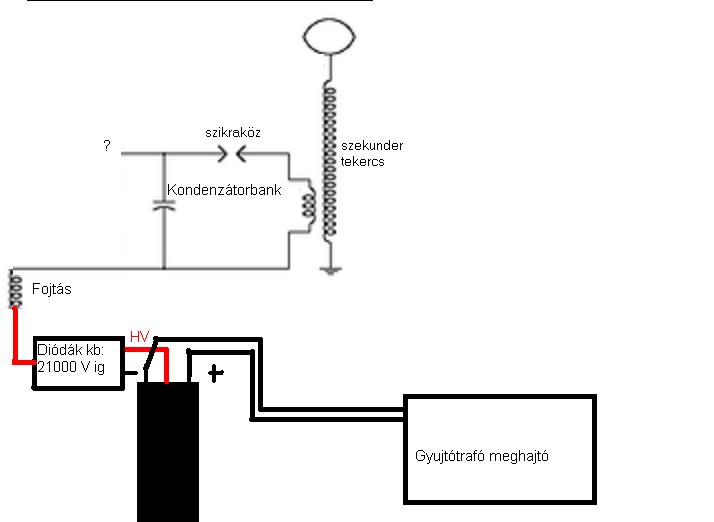
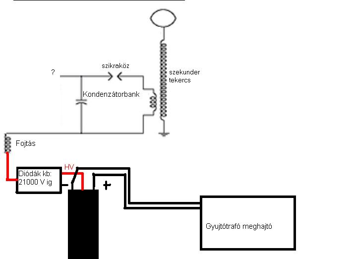
Nagyjából így kell nem? Ez lehet hogy hülye kérdés lesz de a kérdőjeles részt hova kell kötni ![]()
Üdv!
A gyújtótrafós megoldás nem valami tuti.. 1.életveszélyes 2.alacsony teljesítmény Szerintem szánj erre a témára több időt,keress rá googlen Skori mini teslájára,ha megpróbálod megépíteni,azzal elindítasz egy tanulási folyamatot,aminek a végén tuti összeraksz egy félvezetős teslát,ráadásul a tanulási folyamat nem életveszélyes.Később ráérsz a mikrosütőtrafós,szikraközös megoldásokkal foglalkozni.Én így kezdtem,nekem már van miniteslám,most nagyobb teljesítményű félvezetős teslatekercsekkel foglalkozom,ezek már életveszélyes kategória,de fontos,hogy jelentős tapasztalattal jutottam idáig.Ezt az utat javaslom neked is,de ez csak egy ötlet volt.Ha minden áron ragaszkodsz a szikraközös megoldáshoz,akkor sem érdemes gyújtótrafóval tökölni(alacsony teljesítménye miatt). ![]()
hello szerintem próbálj meg szerezz egy neon transzformátort min 5kv-ost és nem kell szenvedni a motokkal!
Inkább neontrafóval van a szenvedés. Főleg a beszerzésével!
hát ja beszerezni nem egyszerű abban egyetértek.
Nekem van egy
![]()
Üdv!
Remélem nem nyírtam ki a fórumot.Vaterán gyakran találni nagyfesz címszó alatt trafókat,nagyfesz egységeket,kis szerencsével neontrafót is találni.Én ott vettem,idővel tuti raknak fel. ![]()
Üdv!
Találtam a vaterán egy neon trafót csak nem jól kivehetőek a paraméterei link: http://www.vatera.hu/neon_trafo_hajlitott_neon_reklamhoz_125423108.html pl: a 6000 az 6KV-t jelenthet? Teslához kéne Köszi
"hajlított neonhoz" ez jó
![]() Amúgy 6kV/25mA-es darab. 24k sosem volt boltban ez a trafó, max a fele.
Szerinted megéri megvenni? 10 vagy több 220 nF-s 1000V-s MKP fólia kondikat töltenék vele teslához.
Hát, ha van pénzed vedd meg. De azt előre mondom, hogy ha a söntöt ki akarod szedni átalakításhoz, nem fog menni, mert ki van öntve a trafó olyan szigetelővel, amit lehetetlen szétszedni (tapasztalat). 1kV-os kis fóliakondik úgy fognak durrogni, mint szilveszterkor a petárdák
![]()
értem! Akkor inkább hagyom ezt a trafót. De mi a baj a kondikkal?
Ha nem akarod átalakítani, akkor nincs vele baj.
A kondik nem bírják ki ezt, 1kV-ot DC-ben bírnak általában, és itt AC-ben kellene minimum 2x-es csúcsfeszre méretezni őket. DC-ben ez legalább 25-30kV-ot jelent.
Igen egyenirányítva akartam megoldani mikrosütődiódákkal. most 2 db 10 KV-s kondi bankom van sorbakötve azt még ki tudom pótólni 30 KV-ra így már működhet nem?
Üdv!
Használt már valaki ilyen szikraközt? Ha igen milyen véleménnyel van róla?
Már én is néztem a neten ilyen rézcsöves szikraközöket.
Miért is jó ez?
Ennek csak akkor van értelme, ha nagynyomású levegővel van fújva. Felesleges, sok munkát igénylő szikraköz.
Üdv!
Ha van egy 6KV-s trafóm, akkor a csúcsfeszűltsége 6000*1,41 vagyis 8460V ennek az egyenirányításához elegendő 2db 12KV-s egyenirányító dióda? Illetve elegendő kb 2,4*-s csúcsfeszültségre méretezett fólia kondi? Forgó vagy statikus szikraközt használjak? A fojtótrafóhoz megfelelő egy fénycső trafó is? Köszi ![]()
Igen, annyi a csúcsfesz. Miért akarsz te diódákat belerakni? Teljesen felesleges. Forgó szikraköz mindíg jobb hatásfokot eredményez, de ha olyat csinálsz, akkor csakis pontosan méretezett geometriával tedd. Ha nem raksz bele diódát, nem kell nagyon fojtó sem, de egy kis ferritrúdra néhány menet persze nem árt neki.
Helló! Építek 2 Tesla tekercset... Amikor hozzáfogtam akkor azt hittem h könnyebben fog majd menni, de úgy látszik tévedtem... Megvan már a szekunder 76 cm hosszan van megtekerve 0,5-ös zománchuzallal körülbelül 1500 menet 125-ös pvc csövön. Nem tudom h ez így jó e lesz eddig maximum 2-3 centis szikrákat produkált... Mekkora szikrákra számíthatok majd maximum ezzel a tekercsel? Mivel tudom ezt meghajtani? A primer 10-20-30-40 menet 160-as pvc csövön 10 menetenként leágazással... Van itthon egy házilag készített jól működő hegesztőm fel tudom használni?
Sem a betűméretet, sem a színt nem szükséges variálni ahhoz, hogy el tudjuk olvasni. Javítottam. -- kobold |
Bejelentkezés
Hirdetés |