Fórum témák
» Több friss téma |
Mielőtt kérdezel, a következő két dolgot ellenőrizd!
I. A helyes tápfeszültségek megléte.
II. A kimeneten van-e egyenfeszültség.
Élesztés.
Köszönöm szépen a gyors választ!
Amennyiben külön tudom választani, a kondig negatív kivezetéseinek összekötését így gondoltad? Úgy nem lehet akkor már, hogy egymástól teljesen független mind a két oldal? Előre is köszi!
Ó nagyon köszönöm, tetszik a megoldás
![]() Ahogy nézegetem, sajnos úgy néz ki, nem fog menni a szétszedés ![]() De ezt akkor mindenképpen megpróbálom majd kedden, akkor fog megjönni az IC, mert rendelnem kellett. Köszönöm mégegyszer!
Üdv.
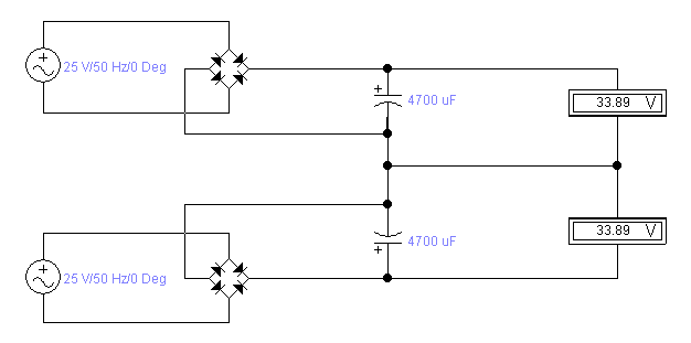
Én egy GRATZ * -el oldanám meg. A Gratz váltó részét a szekunder elejére és végére és a két kondit sorosan (pol. helyesen) és a szekunder közepét a két kondi közé és az lesz a GND. Szerk : * Graetz ..
A melléklet szerinti egyenirányítással jól ki tudod használni a trafót.
A korábbi táppal az volt a hiba, hogy a bemeneti GND-n keresztül a kondenzátorok mínusz lábát összekötötted, így a kondenzátorok valószínűleg kétszeres feszültségre töltődtek. Ha van módod mérd meg, természetesen IC-k nélkül, és megfelelő feszültségtűrésű kondenzátorokkal.
Szia! Avion kolléga a két IC-t közös bemenetről hajtja, így az Általad javasolt táp rövidzárlatot kap. Bővebben: Link
Üdvözlet mindenkinek! Valaki tudna ajánlani egy hatékony rövid zár ellen védő kapcsolást végerősítő kimenetére?
Sziasztok!
A segítségeteket kérném. Mi okozhat egy (sztereó) erősítőnél olyan hibát hogy a tápfeszültséget kidobja egy az egyben a kimenetekre. A biztosítékok rendben, kötések rendben, mindkét végfok IC (STK086) megkapja a tápot (ami szimmetrikus +-35V). Próbáltam már rájönni magamtól, méregettem, de sajnos szerény tudásom eddig volt elég. Úgy tudom (tapasztaltam eddig) hogy ha az egyik oldali tápellátás megszűnik egy szimmetrikus táplálású végfoknál, akkor a kimenetekre a másik "táp oldalt"(ami maradt) kivezeti s így elszálnak a hsz-ek. Az a furcsa hogy most nem ez van s ráadásul az egyik végfok IC a +35V DC-t engedi a hsz-re, a másik pedig a -35V DC-t. Ez egy gyári végfok. Van ötletetek? Köszönettel: János
Tettél rá hangszórót, és erőteljesen búg is, vagy csak úgy üresen mérted?
Szia!
Köszönöm neked is, azt hiszem storm is ezt ajánlotta ![]() Akkor mindenképp kipróbálom ezt a megoldást! Tényleg nagyon köszönöm a segítséget mindenkinek!
Bocsánat, csak most láttam ezt a hozzászólást...
Rövidzárlat lenne a javasolt tápon? Az általad rajzolt tápnak a kimenetét "szedjem háromfelé"? Köszönöm a segítséget!
Egy közös tápra kötném a három erősítőt.
Rendben, nagyon köszönöm!
Esetleg még azt meg tudnád mondani, milyen típusú diódákra gondoltál? Vagy hogy mekkora áramerősségűre?
A meglévő egyenirányító híd felhasználható. A két "~" megy trafóra, a "+" a kondenzátor(ok)ra, a "-" bekötetlen marad. Ha egy rajz jobban segít akkor készítek
Szia!
Ezt nem teljesen értem, kifejtenéd bővebben?
Jaj, igazad van, ne haragudj, csak kicsit késő van és ilyenkor hajlamos vagyok kisebb-nagyobb hülyeségeket is kérdezni
![]() Köszönöm mégegyszer!
Kicsit átrajzoltam Avion tápját.
Ez teljesen rendben van, ez a legjobb megoldás szerintem is, én azt nem értem, hogy amit én rajzoltam, az miért kapna rövidzárat?
Halott az IC mondjuk... Akkor könnyedén előferdülhet.
Hangszórót nem mertem rátenni, mert az erősítő gazdája azt mondta hogy bekapcsolásnál rögtön elfüstölt neki 1-et. Köszi a gyors választ!
Sajnos én is attól félek. 10ezer pénz körül van a 2 IC
Szia! Az IC-k mínusz tápjai a bemenet közös testén keresztül össze lesznek kötve. Ahol a 2050-et jelölted, ott a táp rövidzárlatot kap.
Megépítettem a tápot, sikerült szereznem IC-t és működik minden nagyon szépen
![]() Nagyon köszönöm mindenkinek a segítséget!
Sajnos az STK hibridek nagyon nem olcsó erősítők. Viszont nagyon jó minőségűek. Azt meg ugyebár meg kell fizetni keményen.
Üdv.Mindenikek egy olyan kérdésem hogy van egy Technics SU-V6X erősítőm van egy impedancia kapcsoló hátulján. Azt értem hogy ha egyszerre használom a Main és Remote kimeneteket akkor a hangfalaknak egyenként minimum 8 Ohmos nak kell lennie Ami igy is van azaz 4 darab 8 Ohmos ugyan akkora teljesítményű hangfal van rá téve de akkor most az impedancia kapcsolónak hogy is kell állnia Mert nem tudtam értelmezni hogyan gondolja itt akkor most felírat hogy melyik impedanciákhoz milyen állás vonatkozik :S Előre is köszönöm a segítséget!
Szia! Ha jól látom ez a kapcsoló kétfunkciót lát el az egyik a 4-6 és 6-16 Ohm ig kapcsol a másik 8-16 Ohm os kálasztható állások vannak,tehát az "OR" és az "And" .Nos szerintem ha mind a négy hangfal kimenetre 8Ohm os hangfalakat kötsz akkor be kapcsolod a kapcsolót.
Sziasztok!
Az erősítőm mérési eredményei: Műveleti erősítő: NE5532AP Offset A: 0,7mV Offset B: 0,1mV Out A: 19,37Vpp Out B: 19,37Vpp Rt: 5,1Ohm Számításaim szerint ez 9Watt teljesítmény. Ez felett az IC kül a tápra. KA4558-al is ugyanekkora teljesítményt mértem, szinte majdnem megegyezik a két IC a paramétereiben. Mindkettő hangját megfelelőnek találtam.
Sziasztok!
Találtam egy jó kis anyagot (Bővebben: Link) a mosfetekről, viszont a mellékelt ábrán sehol nincs egy olyan összefüggés amiből az Rd értékét megtudhatnám. Hogyan tudom kiszámolni?
Szia! Igen, ahogy zsozso72 is írta, nyomd be a kapcsolót.
szerintem az Id=Vdd/Rd
a kép melletti képletböl az Id-t kiszámolod, a Vdd-t azt te adod meg, a többi gyerekjáték kiszámolni
Hali!Én sem szeretnék új topikot nyitni és itt torzításról van szó...Nekem van egy 25W fetes erősítőm és annyi lenne vele a gondom ,hogy a magas hangokat torzítja ill. ha kicsi a bejövő jel akkor a mélyet is...Ha nagy a bejövő jel akkor Pl:Max-ra rakom az egészet akkor viszonylag szépen szól,csak a magas még mindig torzít egy kicsit....Nem tudjátok mi lehet a probléma?
|
Bejelentkezés
Hirdetés |

















