Fórum témák
» Több friss téma |
Fórum » Inverteres hegesztőtrafó
visszatérve a tárgyalt rajzhoz:
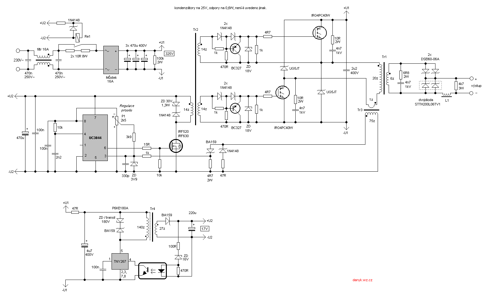
- miért kell 22 v táp a vezértrafónak?- eddigi megoldások mind 12 ill. 14 v -ról müködtek, mi a jelentősége? - az, hogy két poti is van a szabályozásra véleményem szerint az fölösleges, hiszen csak intervallum eltolás a különbség, nemde? - ha egyszer a két eljárás más karakterisztika szerint és más feszültségen (és esetleg más jelalak vagy frekin - foglamam sincs róla!) müködik, akkor szerintem a poti eltolása arrébb a szabályozási tartományon belül nem nagy változás nemde? - m_pisti próbája alapján egyértelmű, hogy a varrat szépsége csekély eredmény! - az anyag beolvadása ill. elkeveredése fontosab követelmény- persze sorrendileg mégis van összefüggés, ha jól elkeveredett, összeolvadt az jól is néz ki.
nem ezt akartam felrakni!
Bocs mindenkitől
ja, a másik megoldás, ha az inverter hőkioldójával kötöd sorba a relét...
Néhány kép egy UTP-ről:
Kis segítség?
Gyári inverteres co könyvében ez az adat van: 270A-on-27,5V 10A-on14,2V Gondolom közte egyenes arányosság van. Az áram és feszültség karakterisztikája pedig egyenes nem pedig eső. A szabályzás rajzát nem találtam meg (tuti lenyúlta a főnök).
Láttad az adattáblán a 100% Bi-hez tartozó áramot?
Valamikor tudtak gépeket csinálni. Ha 180A-es, azt tudja 100% Bi-n. Nézzél meg egy ESAB LKA 180 Co hegesztőt, a maximális áramhoz tartozó Bi. 8% . És milyen drága...
Van minden üzemmód ívfeszültségének meghatározására egy általánosan elfogadott képlet amit szabvány rögzít:
MMA : 20+0,04*Iív TIG : 10+ 0,04*Iív MIG/MAG: 15+0,05*Iív Tehát 100A íváramot feltételezve MMA üzemmódban az ívfeszültség 24V; TIG üzemmódban 14V; MIG/MAG üzemmódban pedig 20V. Ipari gépek validálásakor ezeket az értékeket is szokás ellenőrizni a szabályozási tartomány minimum három pontján. A gyártók kiadnak egy gépet, majd a leírásban közlik, hogy a minimális és a maximális áramhoz mekkora ívfeszültség értékek tartoznak. Amint látod, a gyártó által megadott érték némileg eltér a képlettel számolttól. Ha az eltérés 5%-on belül van, elfogadott, ha nem ,a gép nem lehet ipari kategória.
Lehet kevertem
VFI:3-270A 14,2-27,5V BKI:10-270A 20,4-30,8V AVI:3-270A 10,1-20,8V De hát leírtad a képletet, így hát felesleges.....
Az így van, valóban a relé kapcsolja a feszültség visszacsatoló komparátor feszültségét szabályzó potikat. De a relét behúzó kapcsoló még mást is csinál, MIG üzemmódban a másik fele rákapcsolja a Stop vonalat a D1-es diódára. (illetve az egyik fele kiiktatja az antistick-et ami jobb alulról a másik komparátortól jön)
A PWM akkor van tiltva, ha a Stop vonal le van húzva testre. Ha a fenti optó tranyója zárva, akkor történik ez. Ha az opto tranyó kinyit, akkor R3-on közel tápfesz lesz (minusz LED nyitófesz minusz tranyó szaturációs fesz) így D1 nem fog kinyitni, és működik a vezérlés. Egyébként több más módszerrel is meg lehet oldani a feszültség kapcsolását, itt pl. akár az Isens bemenet felhúzásával is. Vagy miután a nagyáramú FET-ek is már kb. zsemle árban vannak, azzal is lehene kapcsolgatni nagy mágneskapcsolók helyett.
22V azért lehet jobb, mert jobban nyit az IGBT. Mivel FET-ként működik vezérlés szempontból nézve, egy kondenzátort kell tölteni egy ellenálláson keresztül. Nagyobb feszültségnél hamarabb töltődik fel a kondi.
Kapcsolóüzemnél azt kell elérni, hogy minél rövidebb idő alatt végbemenjenek az átmenetek, vagyis a kapcsolóelemek nyitása-zárása. Amíg a köztes állapotban van, addig melegszik. Ha teljesen nyitva van, akkor minimális feszültség esik rajta, hiába folyik át nagy áram, keveset kell, hogy disszipáljon. Tulajdonképpen a fenti kapcsolásban nem is kéne MMA üzemmódban poti a feszültségnek. Nyugodtan felmehetne üresjárásban addig, amíg bír, a könnyebb ívfogás miatt. Hegesztés közben meg a beállított áramra szabályoz a készülék, ebből majd adódik valamilyen feszültség. MIG üzemmódban fordítva van, ott a potival állítható a teljesítmény, mivel a feszültségből adódik az áram hegesztés közben. Itt meg az áramszabályzásra nincs szükség, fel lehet tekerni koppra akár.
Ez a gép még eredeti nyugatnémet - nem véletlen őrzöm - egyszer csak összejön egy 20-as a bipoláris tranyóira és 5-ös pálcával húzom az ívet! :smoke:
Milyen tranyókkal megy?
14db BUX98 PI van benne - ami elvan szállva-ez egy valószinűleg átalakított "kispanel"-ismered Te is föltetted egyszer képben-azon smd voltak-ezen si csak ugyanúgy berobbant és átlett variálva hagyományos elenállásokkal - amit még mindég nem rajzoltam visza
Itt a kispape képei:
Sem megerősítést ,sem cáfolatot nem kaptam. Így maradok az eredeti tervek mellett.
jani
Csak anyit hozzá,hogy nyugodtan vágj bele,ha elakadsz itt biztos kapsz segítséget-megvan itt minden a Macihoz !
Azon már túl vagyok, a munka elkezdve.Köszi a biztatást.
Hát tudod ez gyönyörű és gyári darab! Ha én így dolgoznék eltördelném a karjaimat!
Nos én is tudom, hogy sok féle képen tudnánk be ill. ki kapcsolni a vezérlést.
Én inkább attól tartok, hogy COzáskor a sűrű ki-be kapcsolást nem bírná a végfok a vezérlés sem áll meg rögtön és nem indul újra azonnal és az IGBT-k sem tudnának ilyen gyorsan reagálni. Időt vesz igénybe. Ha tűző hegesztést végzel ami kb. másodpercenként 1 heft. ezalatt a vezérlés nem tud reagálni úgy, hogy leállítsa és újra indítsa a végfokot! Persze ez csak az én pillanatnyi gondolat menetem! Nem bíztos ,hogy így van, de én ettől tartok és gondolom a kapcsolás kivitelezőjének is eszébe jutott volna, hogy be-ki kapcsolgassa a vezérlést, mégsem tette vajon miért? Pedig alkotott egy két funkciós gépet. Szerintem ez kísérlet tárgya lesz!
Gyári darab,de -eredetileg SMD elenállások tönkrementek - átlett buherálva már így került hozzám !
Dehát épphogy a vezérlést kapcsolgatja, ahogy feljebb írtam, az optón keresztül..
Igen. Ez nem semmi. A taknyolás magasiskolája ipari szinten... Azt hiszem, erre írta Murphy, hogy ami elromolhat, el is romlik. Szerintem, ebben nem szabad kicserélni a tranyókat, ez az egész egy nagy hulladék. Ha a vezérlés jó, akkor át kell alakítani a meghajtástól kezdve FET-esre, vagy IGBT-sre. De ez, ebben a formában kukaérett és tényleg egy 20-ast ér, de azt rá kell kötözni, hogy valaki elvigye.
![]() Elnézést, elírtam a címzettet: kralikandrásnak szól.
Olvass visza mpisti véleményét a gépről Ő találkozott ilyennel és vannak képek az előző oldalon az alkatrészeiről.
Nem nagyon írtad el, nekem is ez a véleményem
Én meg azt írtam, hogy nem a vezérlést kapcsolgatja, hanem ez a leragadás védelem MMA módban! Ennek az áramkörnek a bemenete az elektróda kimenetre van kötve +-!! Hogy kapcsolhatná a pisztoly ezt amikor +- bemenete van!
Pont azt írtam, hogy szerintem ez mma üzemmódban leragadás védő, MIG üzemben ki van iktatva, mert nincs rá szükség, ugyanis CO drótnál nem kell a leragadás védő a vékony huzal miatt!
Hát úgy, hogy nem egy az egyben a pisztoly kapcsoló van odakötve, mivel annak amúgyis vezérelnie kell a gázt meg az előtolómotort. A kapcsoló által kapcsolt feszültség van odakötve.
Nézd már át a rajzot, leírtam, hogy mi mit csinál, a leragadásvédő a jobb alul lévő 311-es IC-vel működik, MMA módban. Erről beszélünk.
Ez nem gyári darab. Ezt már valaki belebarkácsolta. Sőt, azt is meg merem kockáztatni,hogy eredetileg nem bipoláris tranyók voltak benne,mert amit én javítottam, abban 800V-os FET-ek voltak, mint ahogy a mellékelt képen is látszik. Javítottam én bipoláris tranzisztoros végfokkal készült invertert, Froniust, a bipoláris tranyók meghajtásáról egy külön fokozat gondoskodott, válogatott félvezetőkkel. Csak a meghajtó rész két kártyán foglalt helyet, gondosan felépített emitterkövetős megoldással. Sőt, a kapcsoló tranzisztorok is párba válogatottak lehettek csak. Szerintem annak a kezét kéne egy kicsit kezelésbe venni,aki ezt így elkövette.
|
Bejelentkezés
Hirdetés |









a képletet, így hát felesleges.....



Pont azt írtam, hogy szerintem ez mma üzemmódban leragadás védő, MIG üzemben ki van iktatva, mert nincs rá szükség, ugyanis CO drótnál nem kell a leragadás védő a vékony huzal miatt! 
