Fórum témák
» Több friss téma |
G osztályú kapcsolás, az IC kevesebb hőt ad le. Jobb a hatásfoka is. Az adatlap szerint nő a kivehető teljesítmény, bár ez már némi torzítással jár.
Az adatlapon elég korrektül fenn vannak a teljesítmény diagramok. Lebeszélnélek a csúcsra járatástól. Ha még 20-30%-nyi Watt-ot kipréselsz belőle akkor lesz egy megbízhatatlan erősítőd alig észlelhetően nagyobb hangerővel.
(Ne vess fel 2 percenként új kérdést! Gondold át mit szeretnél. Aki vissza akar valamit keresni bosszús lesz a sok tölteléktől.)
Sziasztok!
Segítséget szeretnék kérni tőletek. C1-től C14-ig minimum hány voltos kondikat tegyek? +-36V lesz táplálva.
Azt nem tudom.Ezt csak úgy találtam a neten.
Csak a TDA PDF-jét tudom ha az is jó.
Szia! Nemsokára bemutatom, hogy mit alkottam. Bővebben: Link
Szia!
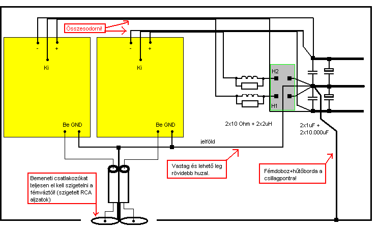
Kissé már elfeledett lehet a kérdés, és akkor válaszoltam is rá, de most újra aktualitását nyerte. Akkoriban csökkentettem az előfok erősítését javaslatotokra (Bassmesterrel), ami után nagyságrendekkel javult a helyzet, ám maradt még egy alacsony szintű zaj, "pattogó-pörcögő" jelleggel. Most viszont úgy néz ki meg lett találva ennek is a forrása, mégpedig egy hiba amit én vétettem a kábelezés során: nem kötöttem rá az erősítő fémházára a jelföldet. Ez a tőled származó képen is jól látszik, hogy szükséges, és ma a sulimban rámértünk szkóppal a kimenetre, eredeti állapotában az erősítőnek, majd a fémházat letestelve, és az eredmény ezt alátámasztotta. Hangfallal még nem tudtam tesztelni, de amint lesz időm rákötöm a földet tartósan a dobozra, és kipróbálom. Egy kérdés a vezetékezéssel kapcsolatban: Nálam a végfokokhoz a gnd, és a -/+ tápfesz vezetékek mennek egymás mellett hármasával, ezeket is érdemes összesorodni? üdv.
Szia! Kipróbáltam a kábelösszesodrást. Nagy csoda nem történt. Gondolom a panelen lévő jelentős (1000uF+100nF) szűrés miatt nem igényli ez a kapcsolás.
Uhh,ez már szép munka.
Gratula hozzá.
Sziasztok Tranzisztorokra hogy lehet ezt kiegészíteni? Meg ahogy olvastam lehet g osztályba hajtani. Esetleg az egész Hid kapcsolásba lehetséges-e?
Földeltem a dobozt (az előerősítő panelnál, ahol bejön a jel), és úgy vettem észre, hogy javult a helyzet, de még mindig nem tökéletes. (Bár tényleg abszolút minimálisan lehet hallani.)
Új táppanelt szándékozom készíteni, több okból is. Csatolom a fájlokat, illetve a képeket (A 2-es számú az új). Várom a véleményedet (másokét is akár) róla, főként a földelés kialakításával kapcsolatban. Illetve, hogy érdemes-e a 100nF-os kondik számát növelni? Előre is köszi!
A föld vezetősávját a lehető legszélesebbre tervezd. Kisebb lesz a brumm és kevesebb rezet kell lemaratnod.
Két csatornához dupláznám a 10,000µF puffereket. A 100nF -ból elég a kettő de lehet több is. Nálam pl. 3 van. Bővebben: Link
Üdv mindenki
Olyan kérdésem lenne ezzel a vékfokkal kapcsolatban, hogy tud rá valaki valamilyen magyarázatot adni arra a jelenségre, hogy 8ohmos (7,8) 270Watt-os hangfalam iszonyatosan zúg ha rákötöm, viszont gy LG hangfal 6ohm 40watt brumm nélkül megy mi lehet a gond?Jelenleg csak egy (2x6V~ (46 VA)) megy az olyan 8V egyenbe illetve 4500Uf 63V os kondik vannak puffernek meg 2x100nf Köszönöm előre is a segítséget
Üdv! Adatlap szerint min. +/-12V táp szükséges. A kisebb impedanciás hangsugárzóval érthetetlen, hogy miért működik.
Ezt én se értem miért lehet de holnap nekiveselkedek jobban hátha kiderül mi lehet a gond, mert gyorsba kipróbáltam egy 8Ohmos 1wattos hangszóróval azzal megy szóval az impedancia semmiképpen nem lehet gond.
Egyébként a Clip kivezetést hová kell kötnöm ? Az 5. lábra a led anódja és a földre kötöm a katódját ? vagy rosszul gondolom ?
A led elé beiktattam egy tranzisztort. Bővebben: Link
Szerk.: Ilyen szélsőséges tápnál a hangváltó is bezavarhat.
Hali!
Amíg nem adsz neki megfelelő tápfeszt ne is várj normális működést szerintem.
Nem tudom mi lehetett a gond de már jól működik először csak a kis táppal próbáltam ami 8,2V-ot tud kiadni egyenbe azzal is szépen szólt de a mély hangoknál már betorzított mert kevés volt neki a fesz gondolom, most rákötöttem a nagy tápot azzal szépen megy nagy hangerőn is.
Ha össze lesz rakva akkor küldök egy képet róla most a vezetékdzsungeles verziót nem szeretném ![]() Gondolom ha elkészül a hozzá a lm1036n-el hajtott előfok akkor még jobban fog szólni, most csak egy hangáratyáról kapja a jelet
Szia!
A kapcsolásod alapján jól olvasom hogy az 5. lábat a Cilp kivezetését összekötötted a 7. lábbal ami a +tápfesz signal kimenete igaz ? Jah és még annyit hogy az 5. lábra megy a led anódja illetve a signálra a katód vagy nem meg gondolom kell egy előtét ellenállat is olyan 10K nem ? A következő tervet készítettem el.
Szia! Nem! Tanulmányozd még a lay-t, (a kép nagyítható). A led egy pnp tranyó kollektora és a test között van, katód a testen. Bővebben: Link
Szia!
Miért kell a 82k-s felhúzó ellenállás? Az IC clip kimenetén mindig van egy bizonyos feszültség ami nem hagyná lebegni a bázisát a tranyónak, tehát vezérli azt minden pillanatban. Vagy nem? Ennek fényében a 220ohmot sem értem.
Az elvi kapcsolást kész tervből vettem át. Az 5-ös láb adatlap szerint open-drain kimenet, a 82k nem árthat. A 220 ohm részben átkötés, részben a minimális led feszültséget garantálja alacsony kimeneti csatorna ellenállásnál.
Sziasztok. Most próbáltam ki egy párhuzamos kapcsolást. Egy dolgot nem értek. Adok neki +-53 voltot (ezen a feszen is stabil az ic működése), a clip jelét figyelve 24voltot mértem a kimeneten 300hz-en, ekkor a tápfesz leesett +-42 voltig. Ez azt jelenti hogy 8ohm-os terhelésen 72 wattot adott le, ekkor a clip jelző led alig észrevehetően vibrál(ha fentebb tekerem akkor már világít). 4 ohmos terhelésen 19 volt a kimeneti fesz. tehát 81watt. Ekkor a táp +-39 volt feszre esik. 4ohmos terhelésen nem kellene legalább 130-150 wattot leadnia ennek a párhuzamosított ic-nek? A trafó 250wattos.
Szia! Ami nagyon zavaró, rendkívül sokat esik a tápod terhelés hatására. Ennek a tápnak jó volna után nézni, mert ekkora terheléstől - gyakorlati tapasztalatom szerint - 10%-nál nem kéne többet apadnia.
Kizárható-e, hogy gerjed az erősítő? 4 ohm -on 150-200W teljesítmény várható el. Építettem már ilyet, azzal nem volt gond.
Üdv!
Imrétől kérdezném, hogy mekkora pufferkondik vannak a tápjában...
Szia. A táp megfelelő már hajtott tda hidat gond nélkül.
De meg lett a probléma: Puffer édeskevésnek bizonyult 2*4700µF volt benne most megháromszoroztam és vastagabb tápkábeleket raktam bele, ezzel már 8 ohm-os terhelésen közel 130 watt és nem esik a tápfesz sem annyit. De azért köszi. |
Bejelentkezés
Hirdetés |








