Fórum témák

» Több friss téma
Fórum » Inverteres hegesztőtrafó
 
Témaindító: Gabi, idő: Aug 12, 2005
Lapozás: OK   230 / 565
(#) kralikandras hozzászólása Szept 20, 2011 /
 
Szép napot "Kolégák" ! Valaki földobhatna egy kipróbált és bevált CO gép rajzot. Köszi,ha megosztod.
(#) mpisti válasza kralikandras hozzászólására (») Szept 20, 2011 /
 
"Valaki földobhatna egy kipróbált és bevált CO gép rajzot. "
Az most nekem is jól jönne.
A fiam éppen most kezdte el az oldalon közzétett MMA/MIG gép építését. Bevallom, izgatottan várom mi sül ki belőle.Egy gyári Rilont javítottam nem rég, az viszont nagyon tetszett miután kipróbáltam.
(#) Ge Lee válasza kralikandras hozzászólására (») Szept 20, 2011 /
 
Áttétel? A 60-90V helyett mondjuk 25V-ra kell megtekerni a szekundert.
(#) kralikandras válasza Ge Lee hozzászólására (») Szept 20, 2011 /
 
Akkor egyszerű - teszek rá egy csapolást és ezt is -azt is tudja.
(#) Ge Lee válasza kralikandras hozzászólására (») Szept 20, 2011 /
 
Igen, csak arra a kimenetre is kell dióda + fojtó mert azt a 100A-t nem egyszerű csak úgy egy relével vagy kapcsolóval átkapcsolni.
A másik megoldás hogy CO esetén le kell venni a kitöltést annyira hogy 25V körül legyen a kimeneten a feszültség átlagértéke. Mondjuk nem tudom hogy ez mennyire működne jól, mert ettől még ugyanúgy megmarad a 80-90V körüli csúcs feszültség.
(#) kralikandras válasza Ge Lee hozzászólására (») Szept 20, 2011 /
 
+2-3dbBYV255V200 nem okoz gondot,főleg,hogy vannak olyan selejtes darabok aminek csak az egyik fele működik -fojtónak is van anyag-/törött E65 úgyis kell lérés/ a pozitív kivezetésből 2db lessz de előbb kisérlet. :smoke:
(#) kovacs.zotya hozzászólása Szept 20, 2011 /
 
Kedves Szaktársak!
Ma hozzám került egy "leesett" gép,amin a főtrafó vasmagja is megmozdult hála istennek.Az ékelés nem lehetséges a cséve kialakítása miatt.Tehát ki tudna ajánlani egy hatékony ragasztó anyagot amit nem hoz zavarba a 40khz-es rezgés sem?
(#) mpisti válasza kovacs.zotya hozzászólására (») Szept 20, 2011 /
 
A ferritek rögzítésére Araldit gyantát használnak, de ragasztani törött ferritet nem lehet,mivel a törés következtében az eredeti paraméterek gyökeresen megváltoznak. Keress helyette egy másikat, mert csak a bajod lesz vele.
(#) (Felhasználó 46585) válasza kovacs.zotya hozzászólására (») Szept 20, 2011 /
 
Én EP-FM 75-ös gyantát használtam egy időben. ( Contakt Chemie) Ez amikor megköt, olyan lesz, mint a kemény radírgumi. Jól tart és csillapítja a rezgéseket is.
Ha a ferrit törik el és fojtótekercsként volt használva, akkor pillanatragasztóval össze lehet ragasztani, kicsit kisebb lesz az Al-je, mert a ragasztásnál egy pici légrés keletkezik. Ha trafóként volt használva, akkor nagyobb lesz a mágnesezőáram, de még ott is elmegy. Arra viszont ügyelni kell, hogy a pillanatragasztó 80 fok felett kezd elengedni. Egyébként még az E65 két felét is azzal szoktam összeragasztani.

Hallottam, hogy a nyálazópisztolyból kifolyó műanyag is jó, csak nagyobb olvadáspontút kell használni. Egyáltalán, létezik ilyen?
(#) kralikandras válasza mpisti hozzászólására (») Szept 21, 2011 /
 
Az ARALDITot használják a vasúti sinek ragasztásánál a szigetelt mezöknél- csak az atom viszi szét.
(#) kovacs.zotya válasza mpisti hozzászólására (») Szept 21, 2011 /
 
Szerencsére a ferrit eltörve nincs csak lötyög a cséve testen.Normális esetben kiékelném ,de a cséve testen lévő váll miatt ez most nem lehetséges
(#) mpisti válasza (Felhasználó 46585) hozzászólására (») Szept 21, 2011 /
 
TIG gép nagyfeszgyújtás trafó törött ferritmagját ragasztottam(pillanatragasztóval) néhány éve, az eredmény lényegesen kisebb szikraenergia lett. A törött ferrit cseréje után olyan lett mint újkorában. Fojtónál valóban nem okoz különösebb problémát a ragasztott ferrit. Ha a Pattex-pisztolyra gondolsz,mint nyálazó pisztoly, én csak alkatrész rögzítésre használom a nyák lemezen. A magas olvadáspontú ragasztórúd akár csévetest rögzítésére is jó lehet, de ferritet ragasztani nem igazán, mivel nagyon sűrű, és a keletkező légrés igen nagy lenne.
(#) mpisti válasza kovacs.zotya hozzászólására (») Szept 21, 2011 /
 
A te céljaidnak a sziloplaszt simán megfelel,csak meg kell várni amíg megköt. Olyan típust válassz, amelyik gyorsan térhálósodik,és keménygumi-szerű lesz.
(#) (Felhasználó 46585) válasza mpisti hozzászólására (») Szept 21, 2011 /
 
A Pattex pisztolyt a kiékelésre gondoltam, nem a ferrit összeragasztására. Már ha létezik belőle olyan, aminek magasabb az olvadáspontja.
(#) sony35 hozzászólása Szept 21, 2011 /
 
Elnézést én új vagyok még itt.Szeretném megkérdezni hogy a fetek gate ellenálását miért szokták ennyire alacsonyra venni hisz a fetek vezérlése minimális áramot igényel?Értem ez alatt a 4-10 Ohm-os ellenálásokat?Választ előre is köszönöm.
(#) Ge Lee válasza sony35 hozzászólására (») Szept 21, 2011 /
 
Az 536-os oldal utolsó bekezdésétől kezdd el olvasni.
(#) sony35 hozzászólása Szept 21, 2011 /
 
(#) zbartalos hozzászólása Szept 22, 2011 /
 
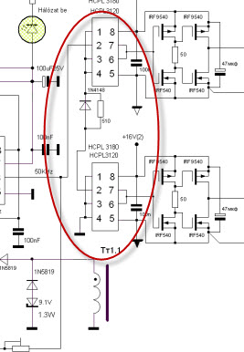
Sziasztok. Szeretnék én is építeni magamnak egy inveteres hegesztőt otthonra. Két részből állna. Az alsó az a sima invetrer, majd főlé meg építenék egy CO2-es rész mivel ahhoz is megvan otthon minden cucc. A belinkelt rajzot lestem ki magamnak mivel nem olyan bonyolult és még nem igazán építettem invertet. Nagyjából értem a kebökés lényegét de elakadtam egy részén amit nem értek és sehogy nem megy a kicsi fejembe hogyan működik (2. kép) . Ha jó az elgondolásom akkor felváltva kellene hogy kapcsolja a teljesítmény FET-eket odalanként. Megnéztem a HCPL3180 adatlapját és hát az alapján nem igazán értem ez a része hogyan kapcsol. Valaki világosítson már fel ezzel kapcsolatban. Köszönöm a segítséget.
(#) zbartalos hozzászólása Szept 22, 2011 /
 
Szaisztok. A mellékelt kép jobb oldalára rajzoltam az elképzelésem, e aztán lehet hogy hülyeség. Segítséget előre is köszönöm.

szerintem.JPG
    
(#) erbe válasza zbartalos hozzászólására (») Szept 22, 2011 /
 
Lehet, hogy csak én vagyok balga, vagy a kortól lassú, de jódarabig elbogarásztam a rajzon, mire rájöttem, hogyan működik. Főképpen FET-temetőként.
Első pillantásra azt hittem, ellenütemű a trafó meghajtása, de akkor miért egyutas az egyenirányítás. A FET-ek meghajtása is együtemű. ??? Végül kiderült, a + és a - ágban is van 1-1 FET csoport, amik egyszerre működnek. Nem lett volna egyszerűbb megfelelő képességű 1 csoport FET-tel meghajtani?
Részemről ennek a kapcsolásnak az utánépítését nem igazán tudom javasolni. Jobb FET vagy IGBT használata mellett az opto is elég lenne a kivezérlésre.
(#) Ge Lee válasza zbartalos hozzászólására (») Szept 22, 2011 /
 
Nos. A kapcsolás ugyanaz a kéttranyós nyitóüzemű (pl. maci) mint amit itt többen is építettek már. A különbség annyi hogy az IGBT helyett fetet használ és azok nem trafóval hanem egy fetmeghajtóval vannak meghajtva, ami ki van még egészítve fetekkel is. Szerintem nem sok értelme van, egy gate trafó sokkal egyszerűbb és ide talán jobb is.
Ez a kapcsolás már önmagában is alkatrész temető, ha ráadásnak beleteszel még 16db fetet akkor pláne az lesz, és talán nem is lesz olyan biztonságos mint a 4db IGBT.
(#) osi hozzászólása Szept 22, 2011 /
 
Sziasztok.
Mutatkozik-e érdeklődés egy HF egység raj & fénykép
iránt ?
Egyszerünek tünik TV(monitor) sorkimenő+555+FET+szikraköz+24V-os relé )
(#) mpisti válasza osi hozzászólására (») Szept 22, 2011 /
 
Hogyne!
Itt minden rajz, információ és fotó érték. Ha nem ma, holnap biztosan valakinek szüksége lehet rá. Tedd csak fel bátran ide azt a rajzot és fényképet.
(#) osi válasza mpisti hozzászólására (») Szept 22, 2011 /
 
Egy kis idő kell még, de rajta vagyok.
(#) Ricsi89 válasza osi hozzászólására (») Szept 22, 2011 /
 
Kell, kell, kell.
(#) (Felhasználó 46585) válasza (Felhasználó 46585) hozzászólására (») Szept 22, 2011 /
 
Délelőtt voltam a Villértben, Kistarcsán. Ha valakit érdekel, lehet kapni Mylar fóliát, 36 mikronos, 5400,-Ft kilója.
(#) kralikandras válasza Ge Lee hozzászólására (») Szept 22, 2011 /
 
Annak a CO-nak a rajzát nemtennéd közkincsé amit a nagygép fölé teszel?Nemcsak engem érdekelne! Köszi.
(#) kralikandras hozzászólása Szept 22, 2011 /
 
ZABATALOS-nak szántam - elnézést !
(#) kralikandras válasza (Felhasználó 46585) hozzászólására (») Szept 22, 2011 /
 
Köszi a vilértes infót - huzalt nemtudod adnak kimérve és menyiért?
(#) (Felhasználó 46585) válasza kralikandras hozzászólására (») Szept 22, 2011 /
 
Adnak, csak valamennyit felszámolnak a kimérésért. Ha jól emlékszem, akkor a 0,3 mm átmérőtől felfelé lehet kapni kimérve. Tavaly 3...4 ezer volt kilója. Azóta drágult a réz.... Ha már veszel, akkor érdemes forraszthatót venni, nem annyival drágább, hogy ne érje meg. Mindenféle méretet láttam, de azért érdemes előtte telefonálni.
Következő: »»   230 / 565
Bejelentkezés

Belépés

Hirdetés
XDT.hu
Az oldalon sütiket használunk a helyes működéshez. Bővebb információt az adatvédelmi szabályzatban olvashatsz. Megértettem