Fórum témák
» Több friss téma |
Mielőtt kérdezel, a következő két dolgot ellenőrizd!
I. A helyes tápfeszültségek megléte.
II. A kimeneten van-e egyenfeszültség.
Élesztés.
Hali!
500mA-es biztosíték van benne, vagyis 230*0,5=115VA. Meg vannak a veszteségek. Sajna váltakozó áramot nem tud mérni a multim.
Sziasztok. Szereztem egy Pioneer DC-Z82 típusú hifit. Kerestem a neten róla valami infót de nem találtam. Főként a teljesítménye érdekelne.
Hogy kerestél? Én beírtam a típusszámot. De nem találtam semmi infót róla.
Ezt én is megtaláltam. De valamiért nem engedi hogy letöltsem az adatlapot.
A lap alján várd meg, megjelenik a "Get Manual". Kattints rá. A diplotop-on találsz kézikönyvet.
Az lenne a kérdésem h a végfokom adatlapján http://www.datasheetcatalog.org/datasheet/SGSThomsonMicroelectronic...uw.pdf úgy van írva h VCC 18V, VCC (DC) 28V akk most egyenben 18 vagy 28 V kell?
Üdv. Ez egy autóba való végfok. Ennek megfelelően 14-15VDC-ről érdemes járatni.
Az adatlap azt írja: üzem közben max.18V, elvisel (vélhetően kivezérlés nélkül) 28V-ot, sőt egy rövid időre 50V-ot is.
Köszönöm.
Akkor lejjebb tekerek a trafóból.
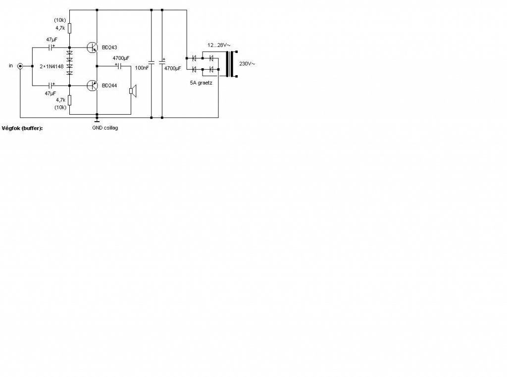
Szia! Működne, a diódákat meg kéne duplázni. A nyugalmi áramot Isten kísértésnek tartom
Szia!
Sorosan vagy párhuzamosan kéne duplázni? (képek) Mi baj lenne a nyugalmi árammal? Túl nagy lenne? Üdv! Balázs
A diódákat sorba kellene kötni, 2.ábra.
A nyugalmi áram nagyon szorosan függ a végtranzisztorok hőmérsékletétől. Nincs emitter ellenállás ami csillapítaná ezt a hatást. A diódákat termikus kapcsolatba kéne hozni a tranzisztorokkal. Az lenne a jó ha Mayan reflektálna a kérdésedre.
Szia!
Köszönöm a választ! Mayannak írok majd, végül is ő csinálta tervezte a kapcsolást! Üdv! Balázs
Sziasztok !
![]() Az erősítők csatornáinak hídalárásról szeretenék kérdezni tőletek általánosságban, nagyon leegyszerűsítve ! A kérdéseim: - STEREO és Házimozi erősítőnél-nél is meglehet ezt ejteni egyaránt ? - Pl: 2 * 4 Ohm 80 Watt mellett az hídban 8 Ohm-nak felel meg 160 Watt-os teljesítmény mellett ? - Mire van szükségem az eljárás véghezviteléhez, vagyis hogy hogyan kell valójában hídbakötni ? ! - Károsodik-e az erősítő, ha nem minden csatornáját használom, csak pl: 2-öt az 5-ből És végül a legfőbb: van lehetőség arra hogy egy mélyhangszorót ( 35-150 Hz ) egy magashangszoró kimenetére kössem rá, és annak ellenére a megfelelő hangspektrumban dübörögöjön, tehát van erre vmi sávszűrőféleség ? Köszönöm a segítségeteket igazán !
Szia! A megoldás valahogy így néz ki. A 2x4 ohm -ból lehet 8 ohm -ra híd kapcsolást készíteni.
A nem használt csatornák elvileg nem károsodnak, ha lehet akkor inkább ne kapjanak bemenő jelet. A szűrő: ebben a témában található. Szerk.: cikk
Értem köszönöm szépen !
Tehát a csak 2 csati + - ív értintkezőjére kell kötni és akkor van híban, és akkor duplázodik az ellenállás és a Watt érték is ugye ? ![]() Az erősítő pedig tök 8 hogy 2.0 vagy térhatású x.1-es ? Ilyen Subszűrőt készen boltban lehet venni ?
A teljesítmény és az ellenállás úgy alakul ahogy írtad.
A fázisfordító az kell az egyik csatorna elé. Az erősítőn a térhatású üzemmódot ki kell kapcsolni. Kész szűrőt nem tudok hirtelenjében, írj ide.
Sziasztok,eloszor is en uj vagyok ebben a temaban azt szeretnem megtudni ha egy IC kieg azt lehet potolni massal vagy amit ir rajta az meg kell eggyezzen az uj IC-n talalhato irassal?
Hali.
Először is tudni kéne mégis milyen ic-t kérdezel? Egy végfok ic esetén, szinte biztos hogy csak ugyanolyanra cserélheted csak ki. Egy művelete erősítő op/amp esetén, már más a helyzet, mert azokban van jó pár amelyeket helyettesítheti egyik másik, itt is ugye tudni kell hogy szimpla op/amp, vagy dual/op amp, illetve quad op/amp.. Aztán itt is belelehet mélyebben menni a témában, mert sokszor pl ha van ofszetezési kapcsolás is beleiktatva akkor már meg kell nézni a lábosztásokat, mert az opá-é nem azonos pl egy lm-el. Tehát datasheet-et nézni minden esetben, és a lábosztások stimmeljenek, stb.. Számos ic fajta létezik tehát azért lehetne pontosítani a kérdésedet, mégis milyen irányban ill fajtában érdeklődsz utánunk.
van egy sanyo erositom ,egyszer jovok haza a sulibol es nezem az erositomet esz le volt csavarozva a fedo lemeze es ki volt egetve 2 ic asszem dallam IC k voltak jaj es egy ellenallas amin keramia boritas vol arrol le volt esve a keramia boritas bejon apam es mondja hogy o egette le az erossitomet,jajj es lehet az is hogy egy kondi megadta magat es azert egtek le?
Ezt így utólag már csak találgatni lehet, hogy az ic vagy kondi szállt el előbb, bár végeredményben mind1 is, ha ezek mind csererére szorulnak.. ami persze nem azt jelenti, hogy más még nincs ott elszállva csak azért, mert külső sérülés esetleg nem látszódik rajt.
Átkel nézni abban az erősítőben a tápegység résztől egészen a végfokozatig mindent. :felkialtas:
Egy par kep a hibarol bocs a rossz minosegert!
A kép kiterjesztési hibáit érdemes lett volna azért korrigálni a könnyebb megnyithatóság érdekében de nem gond csak plusz munka
Az erősítő ha gyári, akkor lekel hozzá szedni kapcsi rajzot mert vak világba azért nehezebb leellenőrizni, hogy minden hiba feltárásra került-e. Én azt javasolnám ha nem javítottál még erősítőt, illetve nincs meg egy minimum szaktudásod ( passzív - aktív alkatrészek ismerete , kapcsolástechnikák, topológiák, működési elvek, mérési elvek stb stb) akkor célszerűbb lenne elvinned egy szerelőhöz aki ezzel foglalkozik.
Szerintem is !! xD de mar javitottam meg erositot es az meg mindig mukodik!Na de kosz minden tippet!
A gond az hogy a mellékelt képekről nem derül ki semmi, legalább is a hiba feltárásához borzasztó kevés minden esetre.
A hibákat mérni, keresni kell különféle módszerekkel majd korrigálni őket. Ezt segítené az eredeti kapcsolási rajz. Elképzelhető, hogy rövid zár, túlmelegedés/hőmegfutás, vagy más egyéb hiba tranziens okozta a tönkremenetelt. Ui:Nincs mit.
Sziasztok. Megépítettem az alábbi végfokot oldalanként 9-9 darab ste38nb50 tipusú fetekkel. Az lenne a kérdésem hogy 2x100 voltos tápfeszről lehetne e használni 1ohm terheléssel? feltéve hogy a táp birná a terhelést. Tehát maga a végfok ekkora tápfesszel és ezekkel a fetekkel birná az 1ohm-ot? Válaszokat előre is köszönöm.
|
Bejelentkezés
Hirdetés |





2X65/40W.
Szóval a kérdésem a következő:




