Fórum témák
» Több friss téma |
Szia! TDA7293 erősítőmodul.
Valószínű ezt láttam annak idején csak úgy emlékeztem hogy minden módhoz jó volt ugyan az a kapcsolás. Azóta rájöttem hogy nem fog menni ugyan azzal a bekötéssel minden módban és tegnap már átterveztem.
Lenne végül egy kérdésem. A panelek közötti legkevesebb átkötéssel szeretném megoldani hogy lehessen par/br üzemmódokat elérni tetszőlegesen. Történik-e valami probléma, ha a két IC bootstrap/bootloader lábait nem kötöm össze párhuzamos és bridge módban, csak 1-1 kondit teszek közéjük? (7293-nál). Ezzel is megspórolva 2 átkötést ha lehet.
Szia! Ezen én is törtem a fejem, de nem mertem megkockáztatni. A párhuzamos kapcsolásnál fontosnak tartom, hogy a végfetek terhelése a lehető legpontosabban 50-50% legyen.
Remélem segít: Híd előerősítő. Végfok nyák. Végfok szerelve.
Köszi! Ilyesmi van most nekem is csak sokkal rondább a panel
. Akkor viszont a modulhoz kell még tüskesor amit meg akartam spórolni. Egyszer valamikor csináltam egy par/bridge verziót de az nekem borzasztó érzékeny volt, zajosabb is mint a sima bridge, és el is szállt az egyik IC benne.
Végülis tettél elé invertert a híd miatt? Bevált?
Az inverterrel bevált. Nekem így csendesebb a híd. A táp és végfok jelkábel zajok azonos fázisban vannak, a hangszórón nem jelennek meg.
Szerk.: párhuzamos kapcsolásba nem ajánlok semmilyen bontható kötést, mert az érintkezés legkisebb hibája is végzetes lehet.
Sziasztok!
Mai napon felfüggesztettem az erősítő építést. (a taulás rovására ment már nagyon) A két láda használható állapotban kész. Az erősítő a vágyaim felével deszkán dolgozik. De végül is működik. Vizsgaidőszak után befejezem aadig jön a karácsony, szilveszter, szülinapom... szóval lesz hol tesztelni.Nagyon-nagy sok köszönet és hála reloop fórumtársnak! Jó lett a védelem tápja. Szépen működik a Clipp jelző. Tökéletes a némítás és ennek jelzése. Mellékelve két hevenyészett kép.
Szia! Igazán nincs mit megköszönni. Méltányolom a belefektetett sok-sok munkádat és a gondos kivitelezést
Az adatlap első oldala adja a választ. Amúgy nem HS akar lenni a vége?
Szerk.: Vettem a fáradságot és gugliztam helyetted: Bővebben: Link Ugye látod???
Az egyik lényeges különbség a CLIPP detektor.
De pár ellenállás, két dióda, egy kondi és egy tranyó megoldja ezt kb. 200 forintból
Sziasztok!
7294 és 7293 között van valami érdembeli különbség? Hangzásra gondolok elsősorban. Melyik lenne megfelelőbb elektromos gitárhoz? Persze torzított hangra.
Szerintem mindegy, bár a 7293 magasabb tápfeszt bír (pl az MG 100 Dfx-ben is ilyen van), 8 Ohm-ra nagyobb teljesítményt tud mint a 7294, utóbbi viszont jóval olcsóbb. Én 7294-eket használok szinte mindenre, szimplán és hidalva egyaránt. Torzított hangra nagyon jó lesz, gyors ,feszes hangzása van. A gitárhangszórót kell jól megválasztanod hozzá, mert azon múlik a legtöbb.
az már megvan egy Celestion K100 személyében
Udv mindenkinel!Mai nap soran elkeszitettem egy tda7294 hidat, a kit alapjan,ott ami van stby/mute funkcio azt osze kell kotni,vagy csak ugy ni ott hagyni es kesz nem kell semit se csinalni vele? Mert raadom a feszultseget hallatszik a hangszoron kicsit,de akarmilyen bemeneti jelet adok ra nem csinal semmit.Miert lehet ez?
Szia! Akkor szól ha összekötöd Bővebben: Link
Hello!
Nemsokára kész a tda 7294 hidjaim, mivel a suli miatt nem nagyon értem rá. Szóval a legtöbbet akarnám kihozni belőlük, 3 db hidam lesz. Az a kérdésem, hogy milyen teljesítményű trafó kellene hozzá (toroid). Én úgy számoltam hogy: 1 hídnak 300W teljesítmény(mert 2x50w diszipláció)/36v=8,(3)=8 (Amper) és 18v/1,414= 12,5 v ac feszültség hogy ne kapjon többet. Na és szóval 8A*12,5*6=600VA De hogy legyen tartalék 650 VA
Szia! A +/-18V táppal aligha fogod a legtöbbet kihozni belőle. A hidat 8 ohm -mal terhelve 2x24VAC szekunderről ajánlom táplálni. Egy csatornára 5A-t számolj. Ideális volna 3 szekundert használni, de működhet egy 15A-esről is. Az összteljesítmény 720VA.
(Nem lesz olcsó mulatság.)
En nem +-18v ot számoltam!!!!!!
+-36vDC/1,414 el az 25vAC Es akkor 6x kell legyen 12,5 v(mivel 6 sec. kell legyen, mert 3 hid van) En 1 csatornára 4A-t számoltam csak nem tudtam hogy többet is tud. Na ha 1 csatornára 2x12,5vac és 5A megy(250W) és 3 csatorna van az 750VA
Van 1 EI trafóm ráfért 36v AC de nemtomhány amper
HA jól emlékszem 1,5 mm es rézdróttal Az hány VA?
A szekundert eltérően számoljuk. Bővebben: Link Az N2 és N3 tekercsek is 24V-osak (nem 12,5V).
Érdeklődj a transzformátor információ témában. A számodra szükséges trafó 7-800VA, 6x24V/5A, vagy 2x24V/15A szekunderrel. Javaslom legyen még rajta 2x12V/1A a kiszolgáló áramköröknek.
Sziasztok!
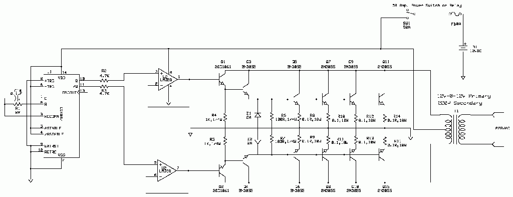
Kocsimba szeretnék építeni egy tda7294-es végfokot. A kérdéseim azok lennének, hogy elég e az erősítőnek a 12V tápfesz és ha igen Hány amperos biztosítékot jelent használjak? Illetva mit jelent a kapcsolási rajzon az STBY-vel jelzett kivezetés? Előre is köszönöm a válaszokat. üdv.:Máté
Először is ha 100w ot akarsz belőle kihozni +-36 v ra van szügség nem 12v ra. Ez ugy a legyegyszerűbb hogy csinálsz egy invertert. Mellékelem a tda 7294 hídhapcsolást ami +-36v 5 A el 200w szinusz hozahtó ki 8 ohmon ami azt jelenti hogy 400w-os hangszórót simán kihajt. de nem köthesz rá 4 ohmos hangszrót csak ha sorba kötöd őket. Szóval ha +-36v ra van szügség akkor úgy tekered a secundert a trafónak.
Jah az stby az a standby. Simán kösd a + tápra ha a mute és standby tulajdonságokat nem használod. Ha 4 ohmos hangszórót akarsz kötni rá akkor elég +-24v, mert akkor jobban forrósodik a végfok és lekapcsol a beépített védelem miatt
Értem.
Nekem 2x100W-ra lenne szükségem, ezért 2db erősítőt szeretnék építeni. 12v-on kb. hány wattos teljesítményre lehet számítani??
és mire használható a standby??
|
Bejelentkezés
Hirdetés |




. Akkor viszont a modulhoz kell még tüskesor amit meg akartam spórolni. Egyszer valamikor csináltam egy par/bridge verziót de az nekem borzasztó érzékeny volt, zajosabb is mint a sima bridge, és el is szállt az egyik IC benne. 



HA jól emlékszem 1,5 mm es rézdróttal Az hány VA? 







